Скачать Серия 3.407.9-158 Выпуск 0-1. Материалы для проектирования и подбора железобетонных изделийДата актуализации: 01.01.2021
|
| Обозначение: | Серия 3.407.9-158 |
| Обозначение англ: | Series 3.407.9-158 |
| Статус: | действует |
| Название рус.: | Выпуск 0-1. Материалы для проектирования и подбора железобетонных изделий |
| Дата добавления в базу: | 01.09.2013 |
| Дата актуализации: | 01.01.2021 |
| Дата введения: | 28.08.1988 |
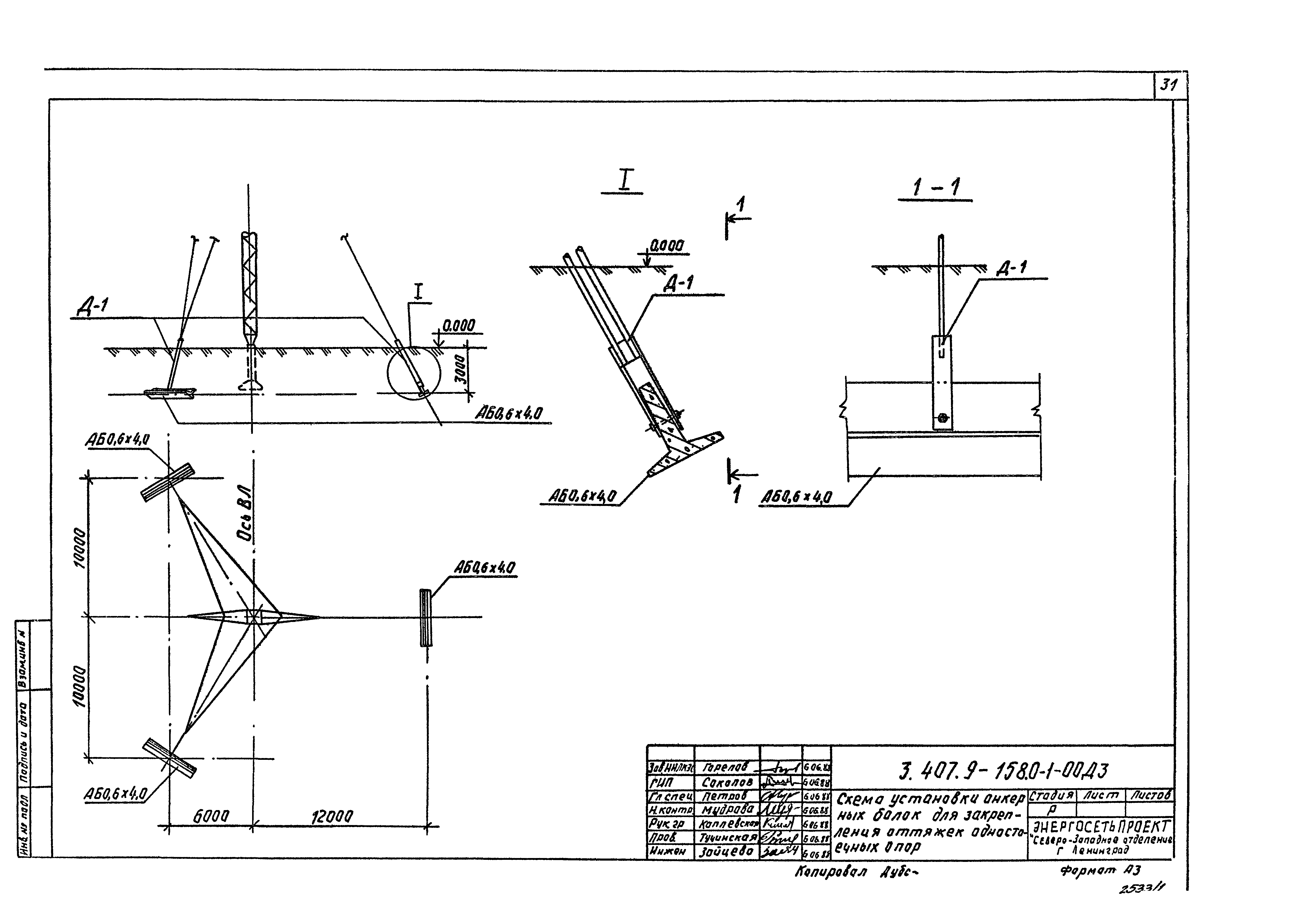
| Оглавление: | 3.407.9-158.01-00ПЗ Пояснительная записка 3.407.9-158.01-00НК Номенклатура конструкций 3.407.9-158.01-00Д1 Таблицы способности анкерных балок 3.407.9-158.01-00Д2 Таблицы способности анкерных цилиндрических элементов 3.407.9-158.01-00Д3 Схема установки анкерных балок для закрепления оттяжек одностоечных опор 3.407.9-158.01-00Д4 Схема установки анкерных цилиндрических элементов для закрепления оттяжек портальных опор |
| Разработан: | Севзапэнергосетьпроект |
| Утверждён: | 28.08.1988 Минэнерго СССР (USSR Minenergo 27) |
| Издан: | ЦИТП Госстроя СССР (CITP, Gosstroy (USSR) 1988 г. ) |
| Заменяет собой: |































