Скачать Серия 3.407.9-149 Выпуск 0. Указания по применению конструкций и изделийДата актуализации: 01.01.2021
|
| Обозначение: | Серия 3.407.9-149 |
| Обозначение англ: | Series 3.407.9-149 |
| Статус: | действует |
| Название рус.: | Выпуск 0. Указания по применению конструкций и изделий |
| Дата добавления в базу: | 01.09.2013 |
| Дата актуализации: | 01.01.2021 |
| Дата введения: | 22.01.1988 |
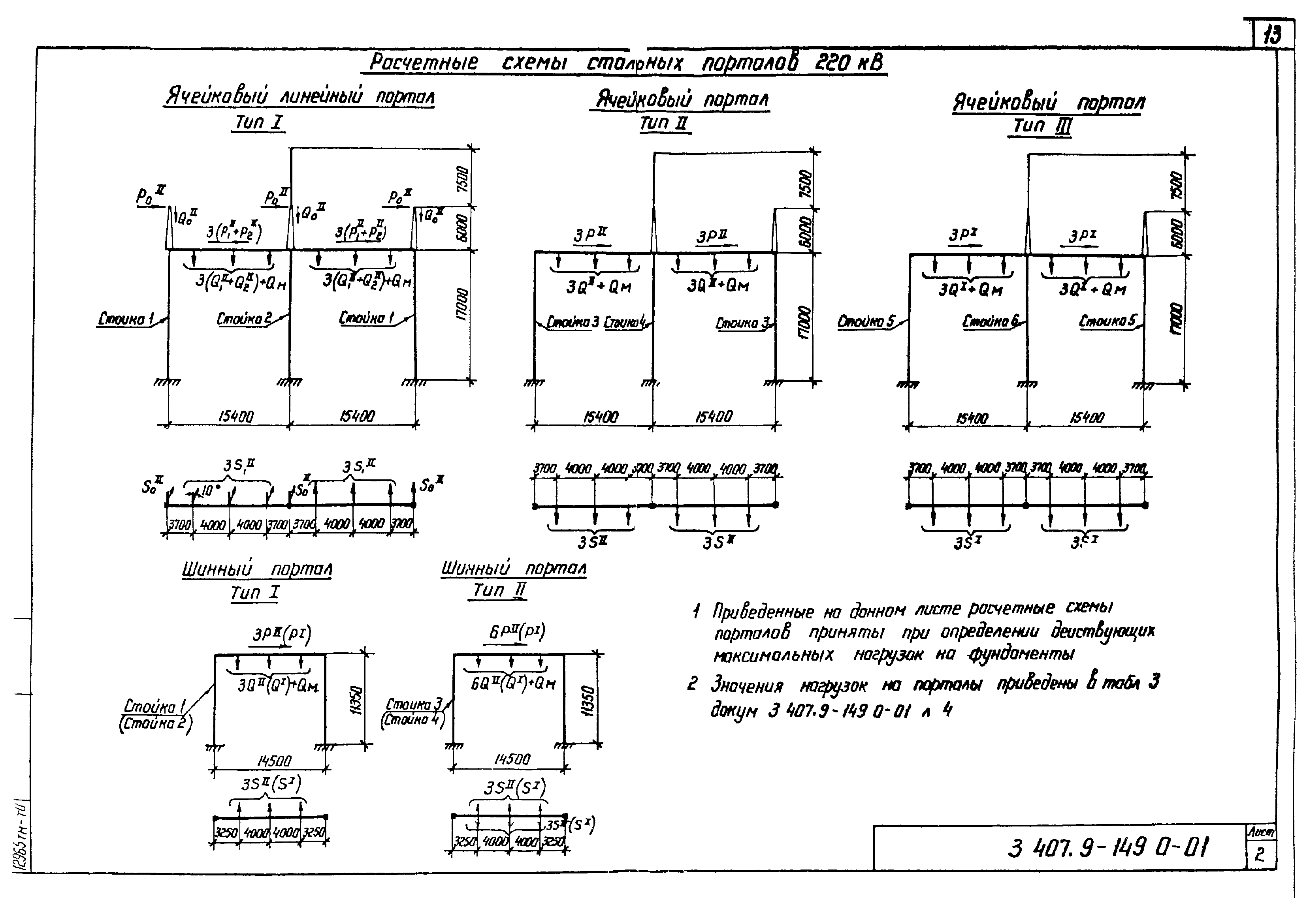
| Оглавление: | 3.407.9-149.0-00 Содержание 3.407.9-149.0-00-ПЗ Пояснительная записка 3.407.9-149.0-01 Схемы порталов и таблицы нормативных нагрузок и усилий 3.407.9-149.0-02 Схемы закреплений стоек порталов в грунте и таблицы несущей способности оснований 3.407.9-149.0-03 Схемы фундаментов под стальные порталы |
| Разработан: | Севзапэнергосетьпроект |
| Утверждён: | 22.01.1988 Минэнерго СССР (USSR Minenergo 10) |
| Заменяет собой: |






































