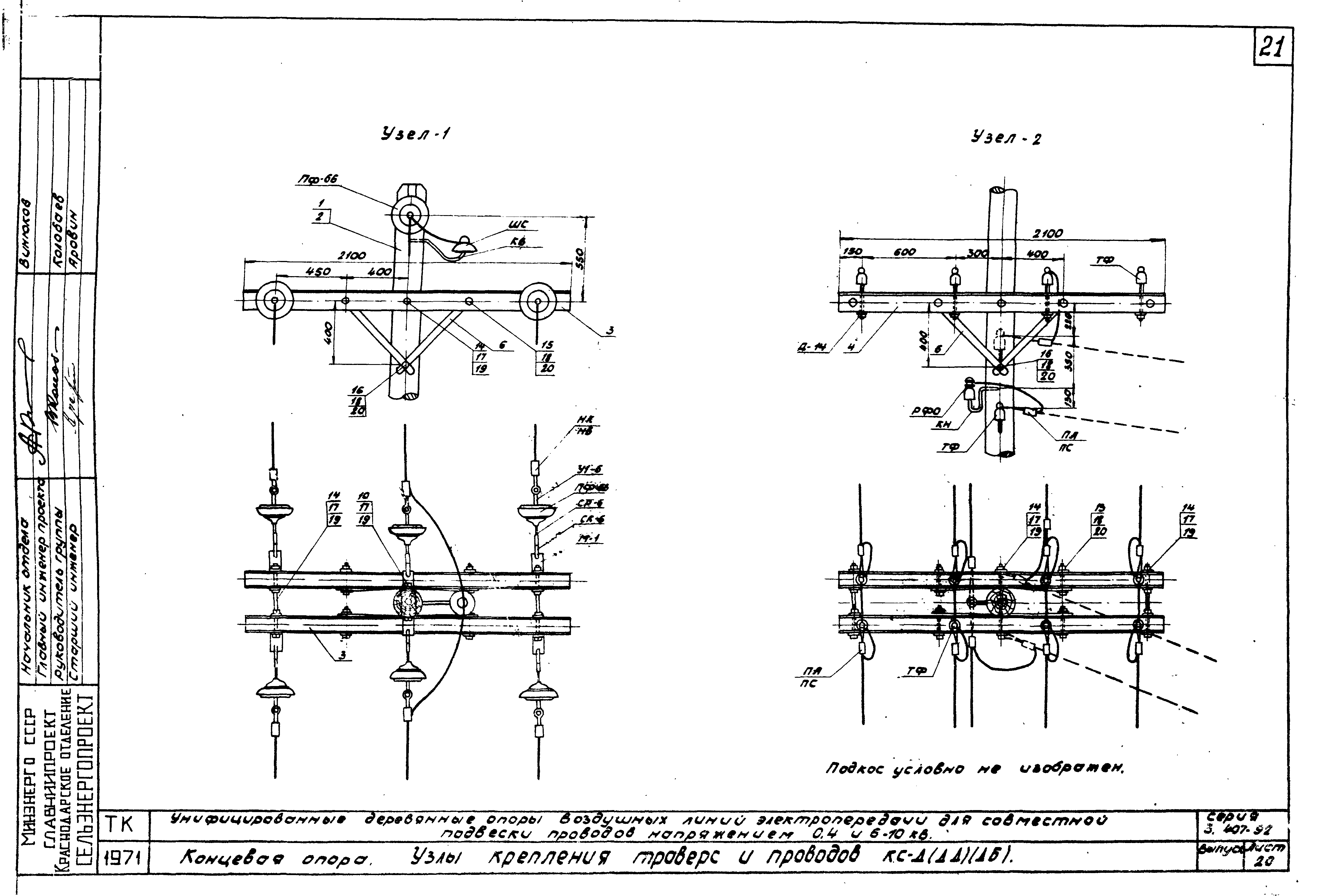
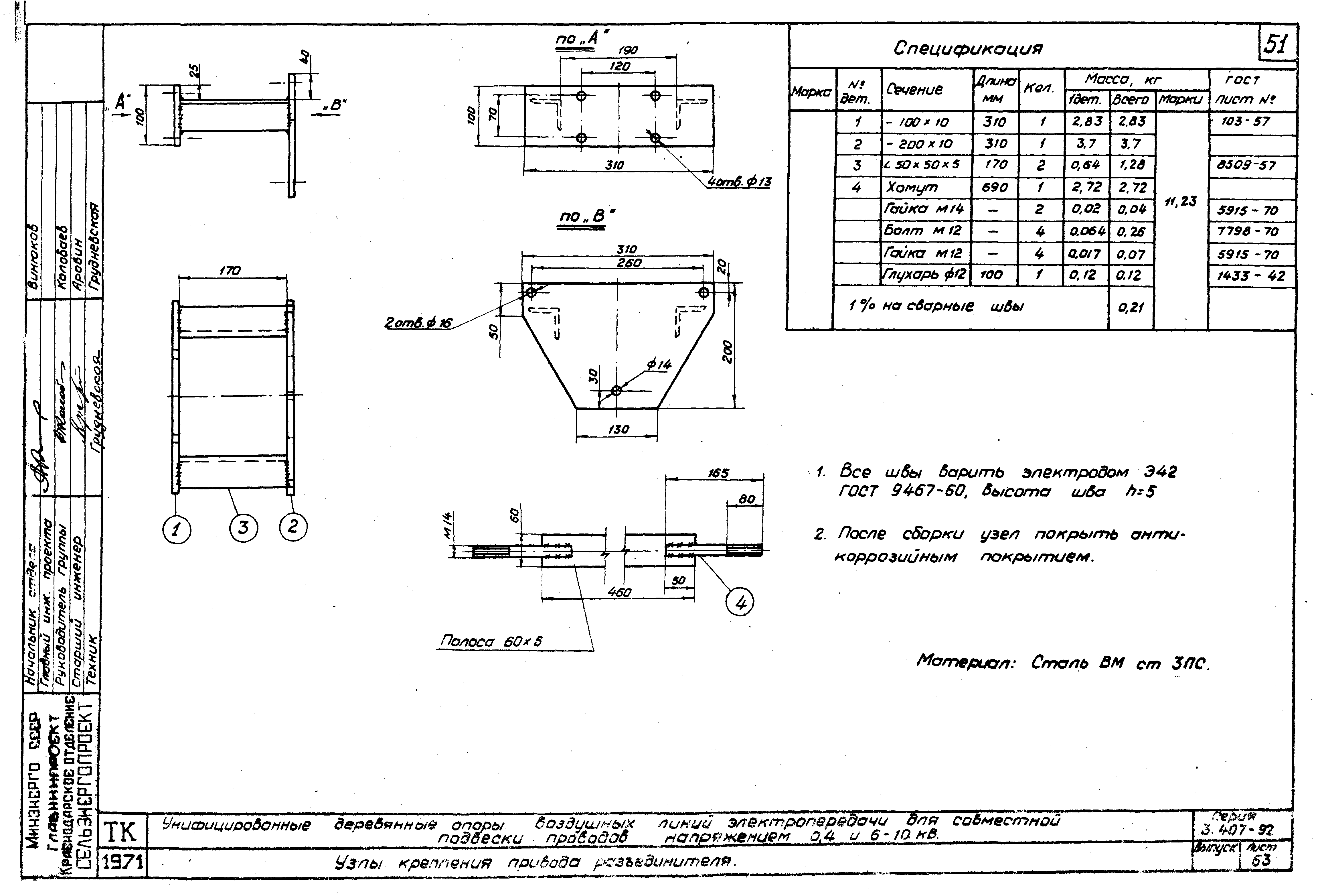
Скачать Серия 3.407-92 Унифицированные деревянные опоры воздушных линий электропередачи для совместной подвески проводов напряжением 0,4 и 6 - 10 кВ. Пояснительная записка и чертежиДата актуализации: 01.01.2021 Серия 3.407-92
Унифицированные деревянные опоры воздушных линий электропередачи для совместной подвески проводов напряжением 0,4 и 6 - 10 кВ. Пояснительная записка и чертежи| Обозначение: | Серия 3.407-92 | | Обозначение англ: | Series 3.407-92 | | Статус: | не определен законодательством | | Название рус.: | Унифицированные деревянные опоры воздушных линий электропередачи для совместной подвески проводов напряжением 0,4 и 6 - 10 кВ. Пояснительная записка и чертежи | | Дата добавления в базу: | 01.09.2013 | | Дата актуализации: | 01.01.2021 | | Дата введения: | 12.09.1972 | | Дата окончания срока действия: | 30.06.2003 | | Разработан: | Сельэнергопроект Минэнерго СССР
| | Утверждён: | 12.09.1972 Минэнерго СССР (USSR Minenergo 8-6/32)
| | Издан: | ЦИТП Госстроя СССР (CITP, Gosstroy (USSR) 1986 г. )
|
                                                         
|