Скачать Серия 3.501.1-124 Выпуск 0. Материалы для проектированияДата актуализации: 01.01.2021
|
| Обозначение: | Серия 3.501.1-124 |
| Обозначение англ: | Series 3.501.1-124 |
| Статус: | не определен законодательством |
| Название рус.: | Выпуск 0. Материалы для проектирования |
| Дата добавления в базу: | 01.09.2013 |
| Дата актуализации: | 01.01.2021 |
| Дата введения: | 01.01.1981 |
| Дата окончания срока действия: | 30.06.2003 |
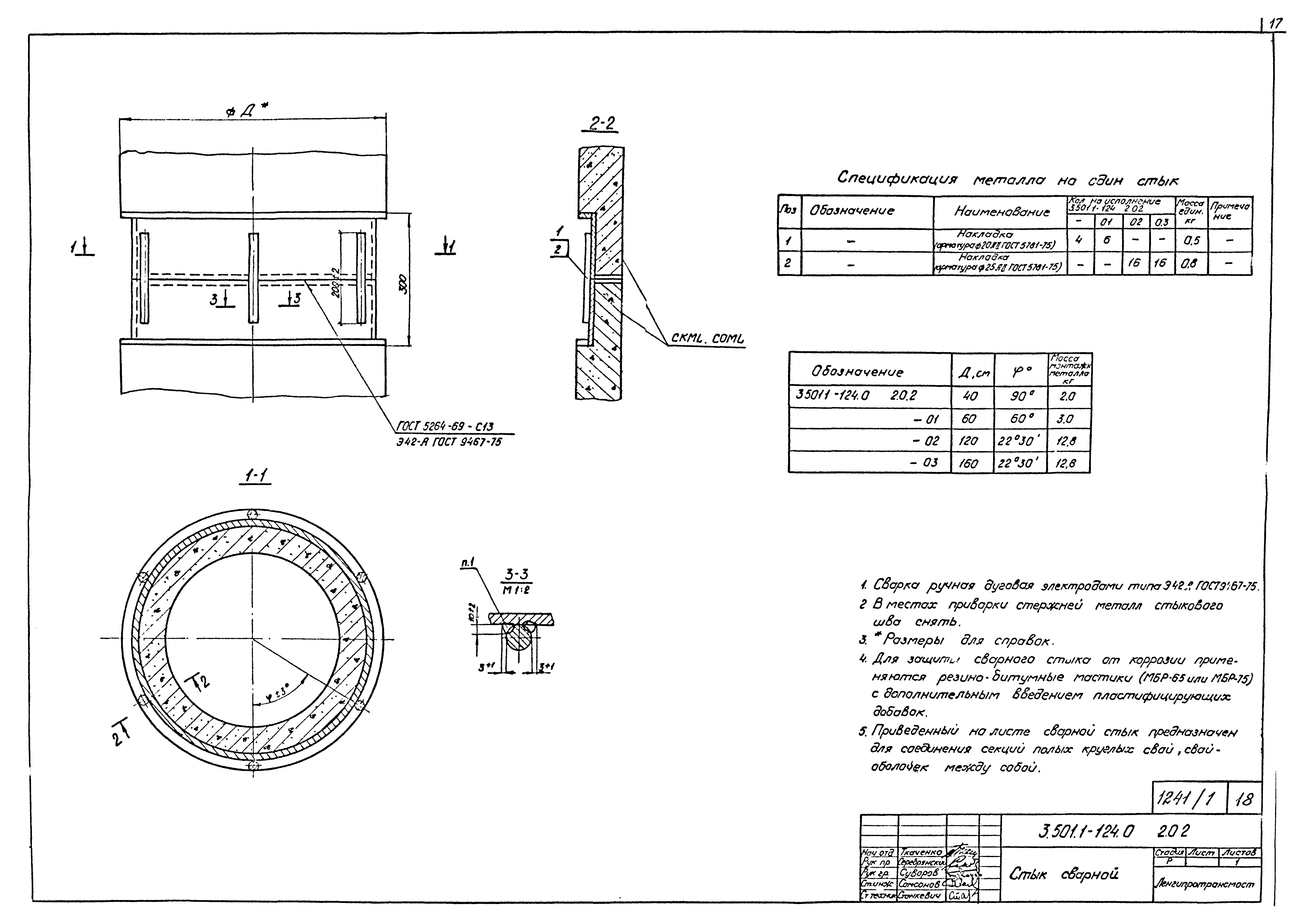
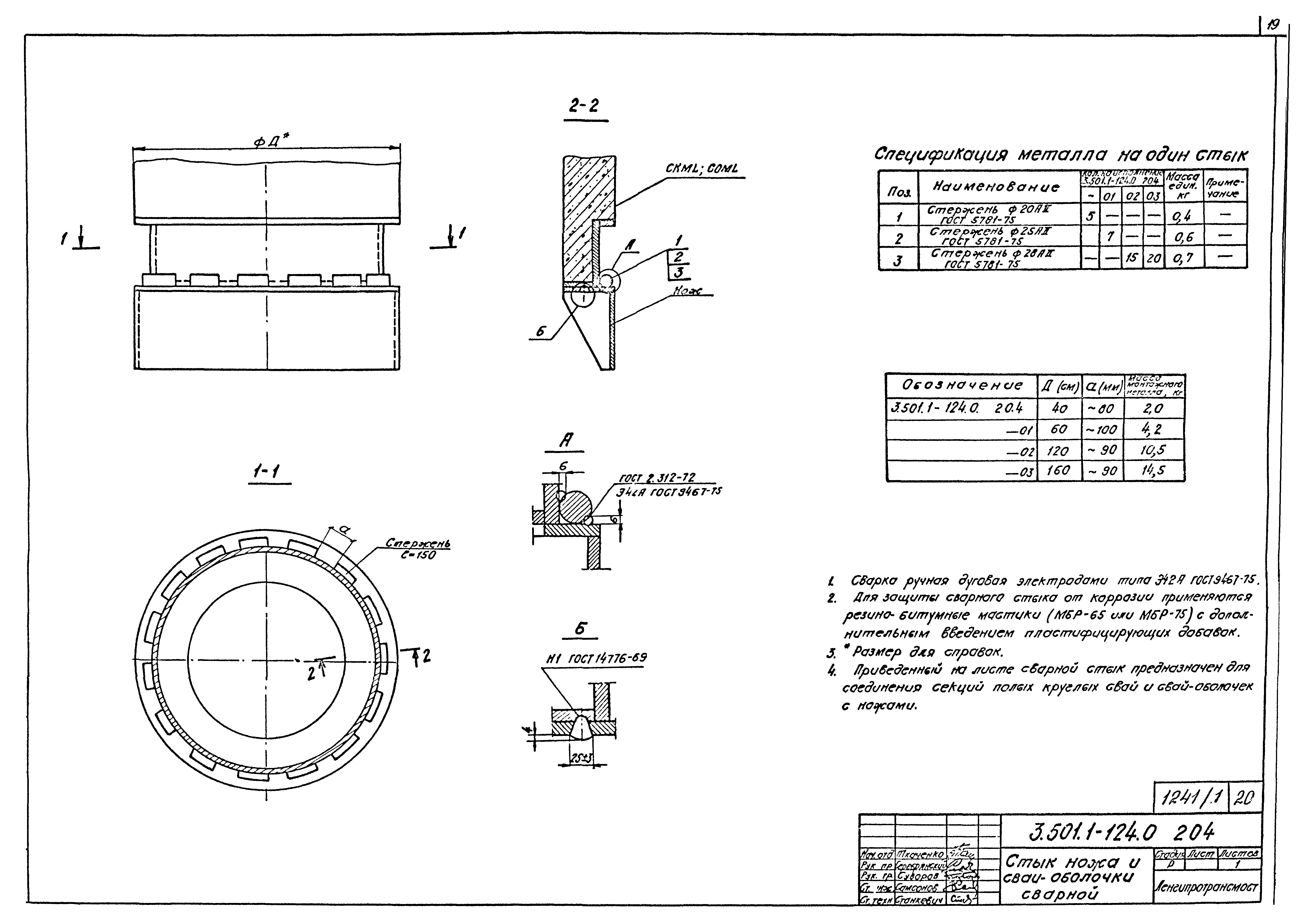
| Оглавление: | 3.501.1-124.0 000ПЗ Пояснительная записка 3.501.1-124.0 000ВМ Сводная таблица расхода материалов 3.501.1-124.0 101 CKML.40 Расчетные графики 3.501.1-124.0 102 CKMНL.40 Расчетные графики 3.501.1-124.0 103 CKML.60 Расчетные графики 3.501.1-124.0 104 CKMНL.60 Расчетные графики 3.501.1-124.0 105 COML.120 Расчетные графики 3.501.1-124.0 106 COMHL.120 Расчетные графики 3.501.1-124.0 107 COML.160 Расчетные графики 3.501.1-124.0 108 COMHL.160 Расчетные графики 3.501.1-124.0 109 COML.300 Расчетные графики 3.501.1-124.0 201 Стык болтовой 3.501.1-124.0 202 Стык сварной 3.501.1-124.0 203 Стык ножа и сваи-оболочки болтовой 3.501.1-124.0 204 Стык ножа и сваи-оболочки сварной 3.501.1-124.0 205 Направляющие в стыках |
| Разработан: | Ленгипротрансмост |
| Утверждён: | 14.05.1980 Минтрансстрой (Mintransstroy Л-562) |



















