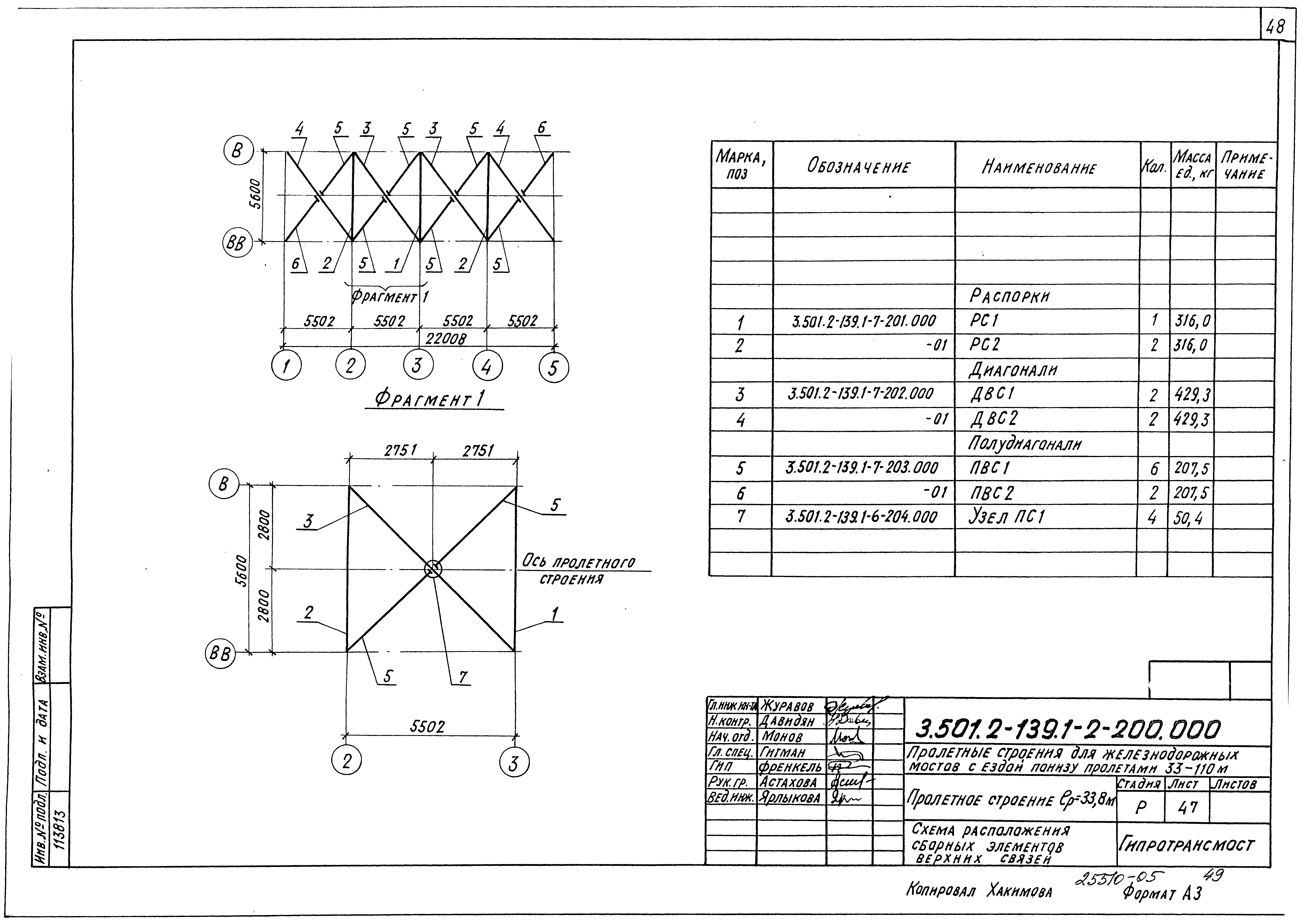
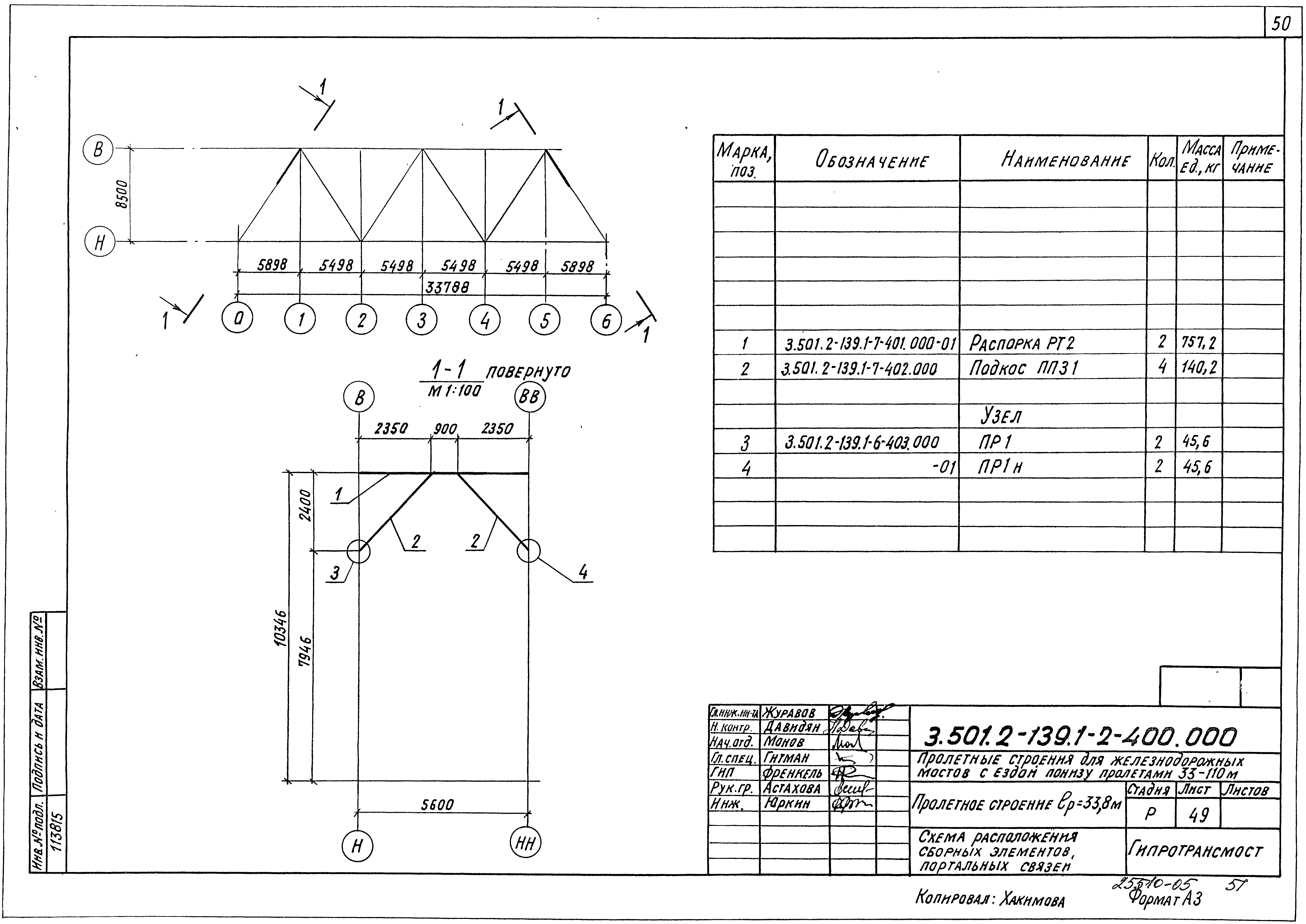
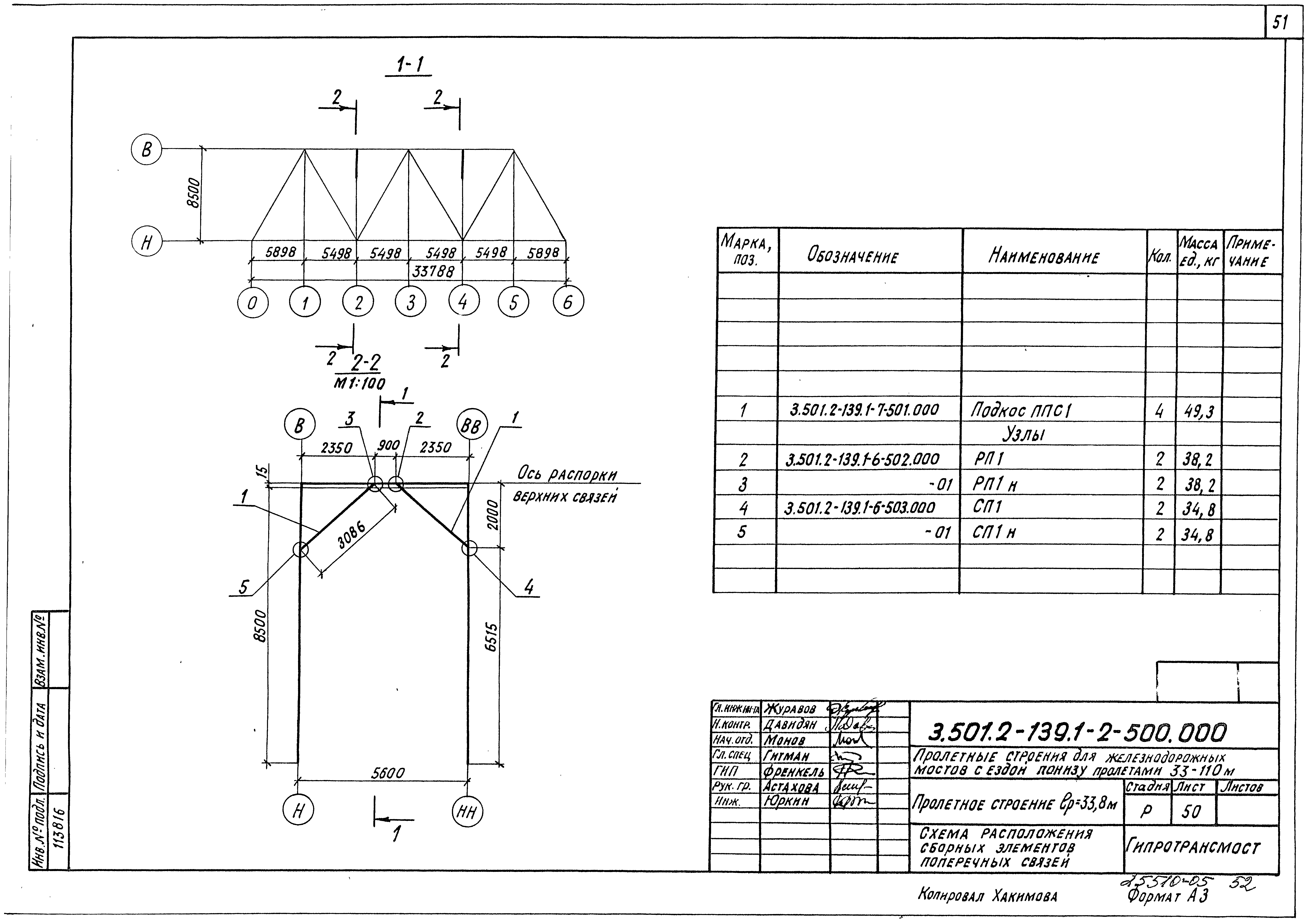
Скачать Серия 3.501.2-139 Выпуск 1-2. Пролетное строение Lp = 33,8 м. Рабочие чертежиДата актуализации: 01.01.2021 Серия 3.501.2-139
Выпуск 1-2. Пролетное строение Lp = 33,8 м. Рабочие чертежи| Обозначение: | Серия 3.501.2-139 | | Обозначение англ: | Series 3.501.2-139 | | Статус: | не действует | | Название рус.: | Выпуск 1-2. Пролетное строение Lp = 33,8 м. Рабочие чертежи | | Дата добавления в базу: | 01.09.2013 | | Дата актуализации: | 01.01.2021 | | Дата введения: | 01.01.1987 | | Дата окончания срока действия: | 01.01.2006 | | Разработан: | Гипротрансмост
| | Утверждён: | 23.08.1986 МПС СССР (USSR Ministry of Railroads А-3292у)
| | Заменяет собой: | |
                                                                    
|