Скачать Серия 3.501.1-165 Выпуск 1-1. Пролетные строения длиной 12, 15 и 18 м сборные железобетонные с ненапрягаемой арматурой. Железобетонные изделия. Рабочие чертежиДата актуализации: 01.01.2021
|
| Обозначение: | Серия 3.501.1-165 |
| Обозначение англ: | Series 3.501.1-165 |
| Статус: | не определен законодательством |
| Название рус.: | Выпуск 1-1. Пролетные строения длиной 12, 15 и 18 м сборные железобетонные с ненапрягаемой арматурой. Железобетонные изделия. Рабочие чертежи |
| Дата добавления в базу: | 01.09.2013 |
| Дата актуализации: | 01.01.2021 |
| Дата введения: | 23.05.1991 |
| Дата окончания срока действия: | 30.06.2003 |
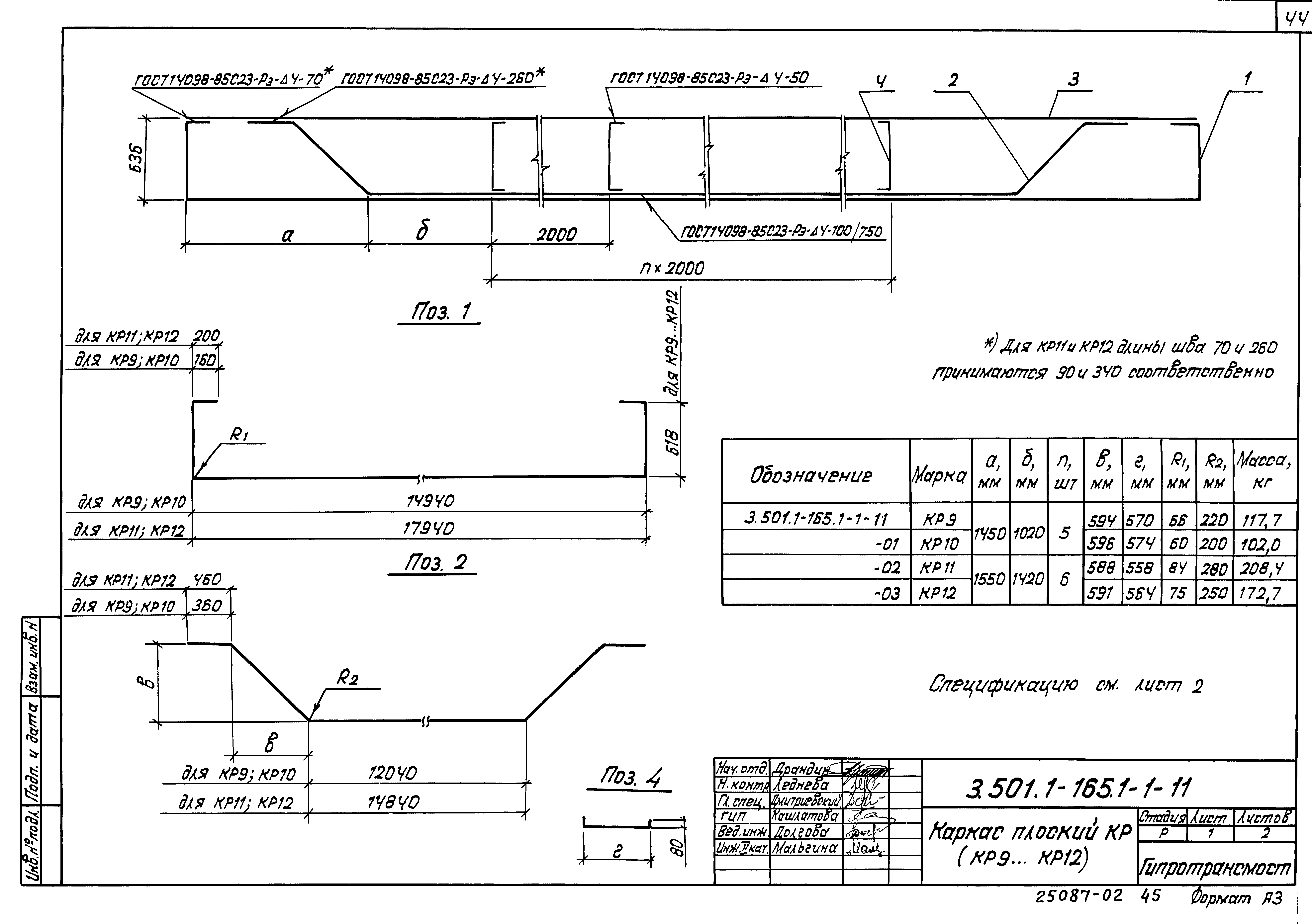
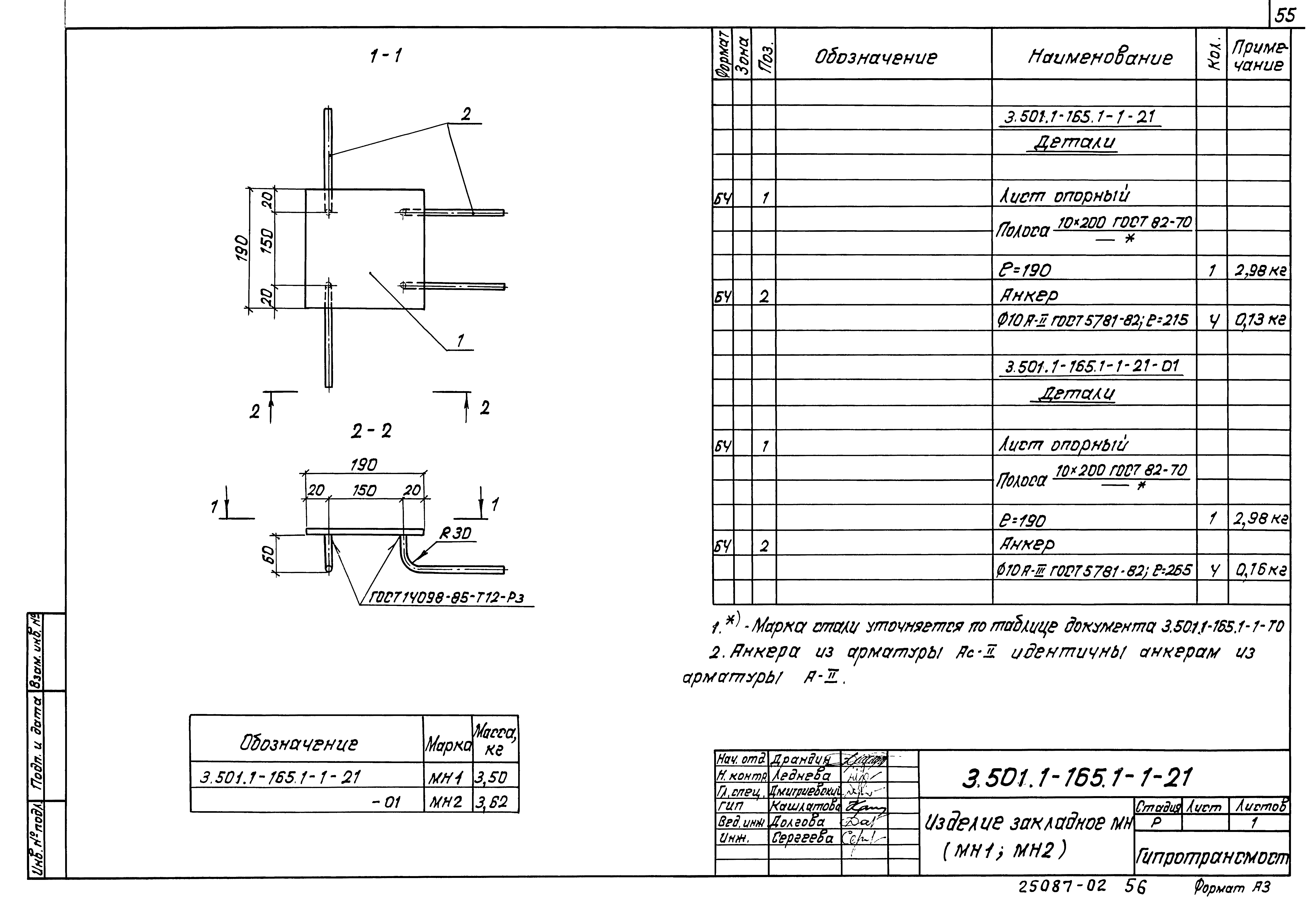
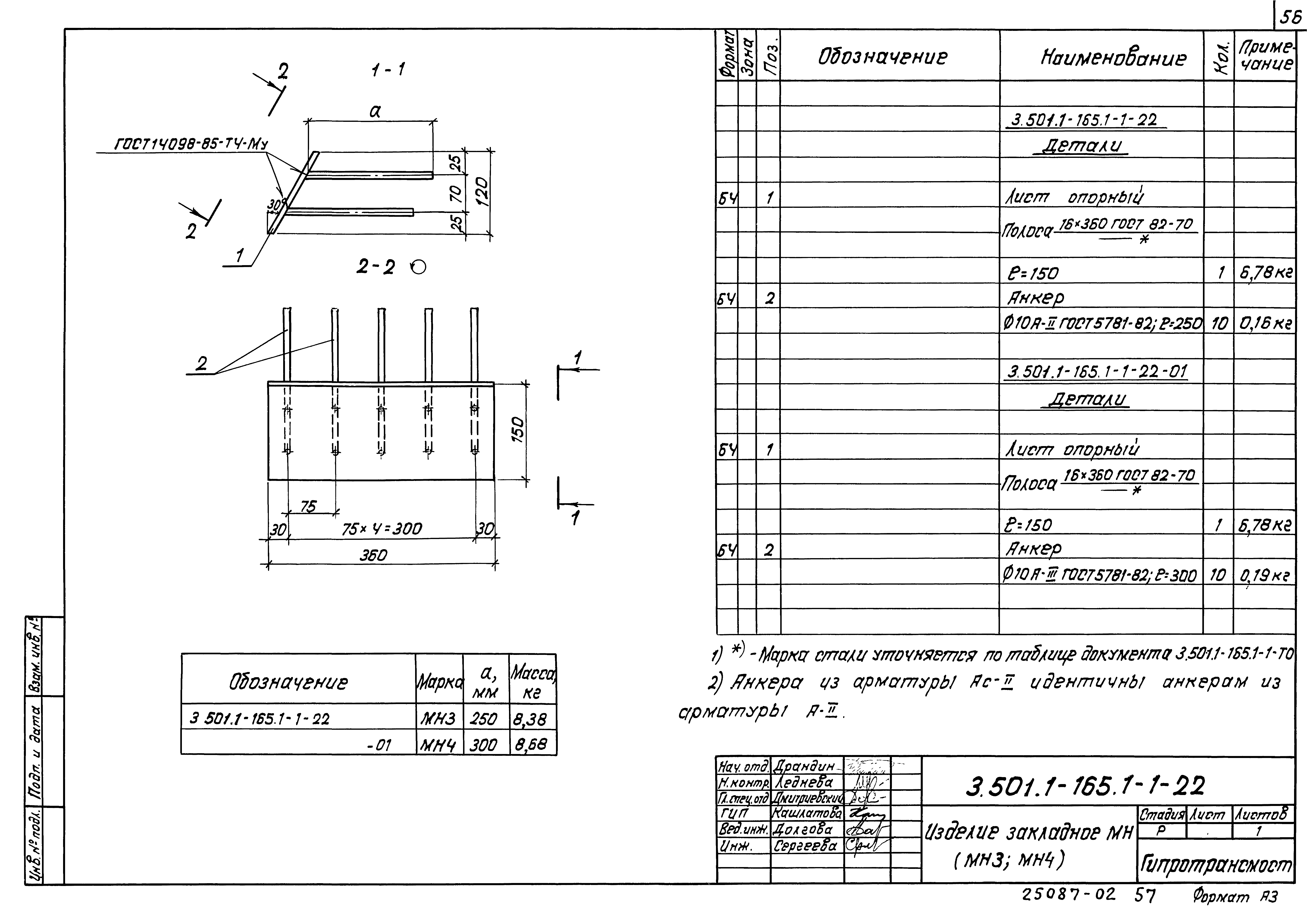
| Оглавление: | 3.501.1-165.1-1-ТО Техническое описание 3.501.1-165.1-1-01 Балка Б12-М (Б12-1-М … Б12-2В-М) 3.501.1-165.1-1-02 Балка Б12-Д (Б12-1-Д … Б12-2В-Д) 3.501.1-165.1-1-03 Балка Б15-М (Б15-1-М … Б15-2В-М) 3.501.1-165.1-1-04 Балка Б15-Д (Б15-1-Д … Б15-2В-Д) 3.501.1-165.1-1-05 Балка Б18-М (Б18-1-М … В18-2В-М) 3.501.1-165.1-1-06 Балка Б18-Д (Б18-1-Д … Б18-2В-Д) 3.501.1-165.1-1-07 Каркас пространственный КП (КП1 … КП6) 3.501.1-165.1-1-08 Каркас плоский КР (КР1, КР2) 3.501.1-165.1-1-09 Каркас плоский КР (КР3, КР4) 3.501.1-165.1-1-10 Каркас плоский КР (КР5 ... КР8) 3.501.1-165.1-1-11 Каркас плоский КР (КР9 ... КР12) 3.501.1-165.1-1-12 Сетка С (С1 … С2н) 3.501.1-165.1-1-13 Сетка С (С3, С4) 3.501.1-165.1-1-14 Сетка С (С5 … С8) 3.501.1-165.1-1-15 Сетка С (С9 … С12) 3.501.1-165.1-1-16 Сетка С (С13, С14) 3.501.1-165.1-1-17 Сетка С (С15 … С16н) 3.501.1-165.1-1-18 Сетка С (С17, С18) 3.501.1-165.1-1-19 Сетка С (С19 … С22) 3.501.1-165.1-1-20 Сетка С (С23 … С26) 3.501.1-165.1-1-21 Изделие закладное МН (МН1, МН2) 3.501.1-165.1-1-22 Изделие закладное МН (МН3, МН4) 3.501.1-165.1-1-РС Ведомость расхода стали на элемент |
| Разработан: | Гипротрансмост |
| Утверждён: | 16.05.1988 МПС (Ministry of Railroads ЦУЭП-15/44/132) |


























































