Скачать Серия 3.501.1-165 Выпуск 2-4. Пролетные строения длиной 18, 21, 24 и 27 м сборные железобетонные предварительно напряженные, армированные пучками. Металлические изделия. Рабочие чертежиДата актуализации: 01.01.2021
|
| Обозначение: | Серия 3.501.1-165 |
| Обозначение англ: | Series 3.501.1-165 |
| Статус: | не определен законодательством |
| Название рус.: | Выпуск 2-4. Пролетные строения длиной 18, 21, 24 и 27 м сборные железобетонные предварительно напряженные, армированные пучками. Металлические изделия. Рабочие чертежи |
| Дата добавления в базу: | 01.09.2013 |
| Дата актуализации: | 01.01.2021 |
| Дата введения: | 01.05.1993 |
| Дата окончания срока действия: | 30.06.2003 |
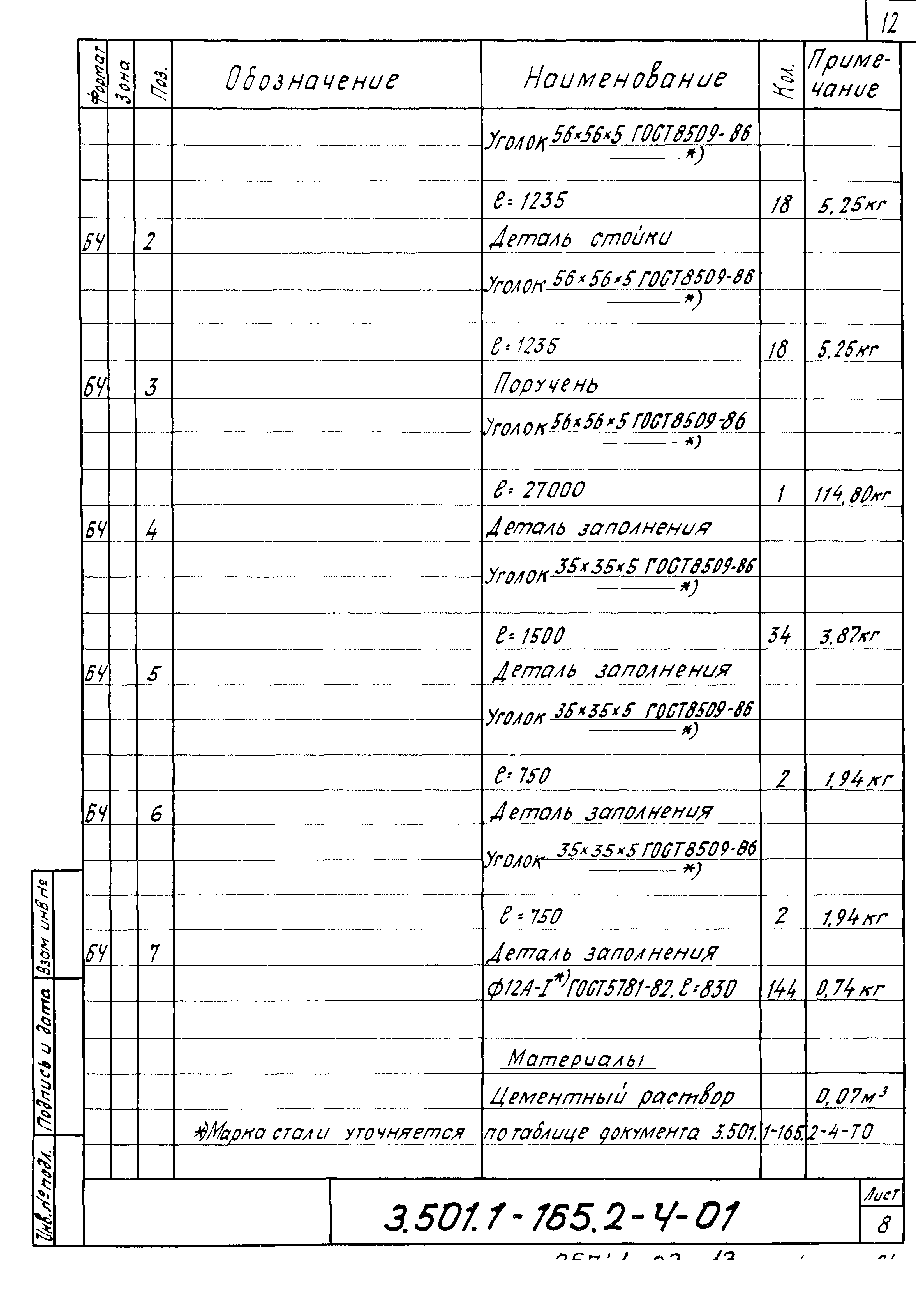
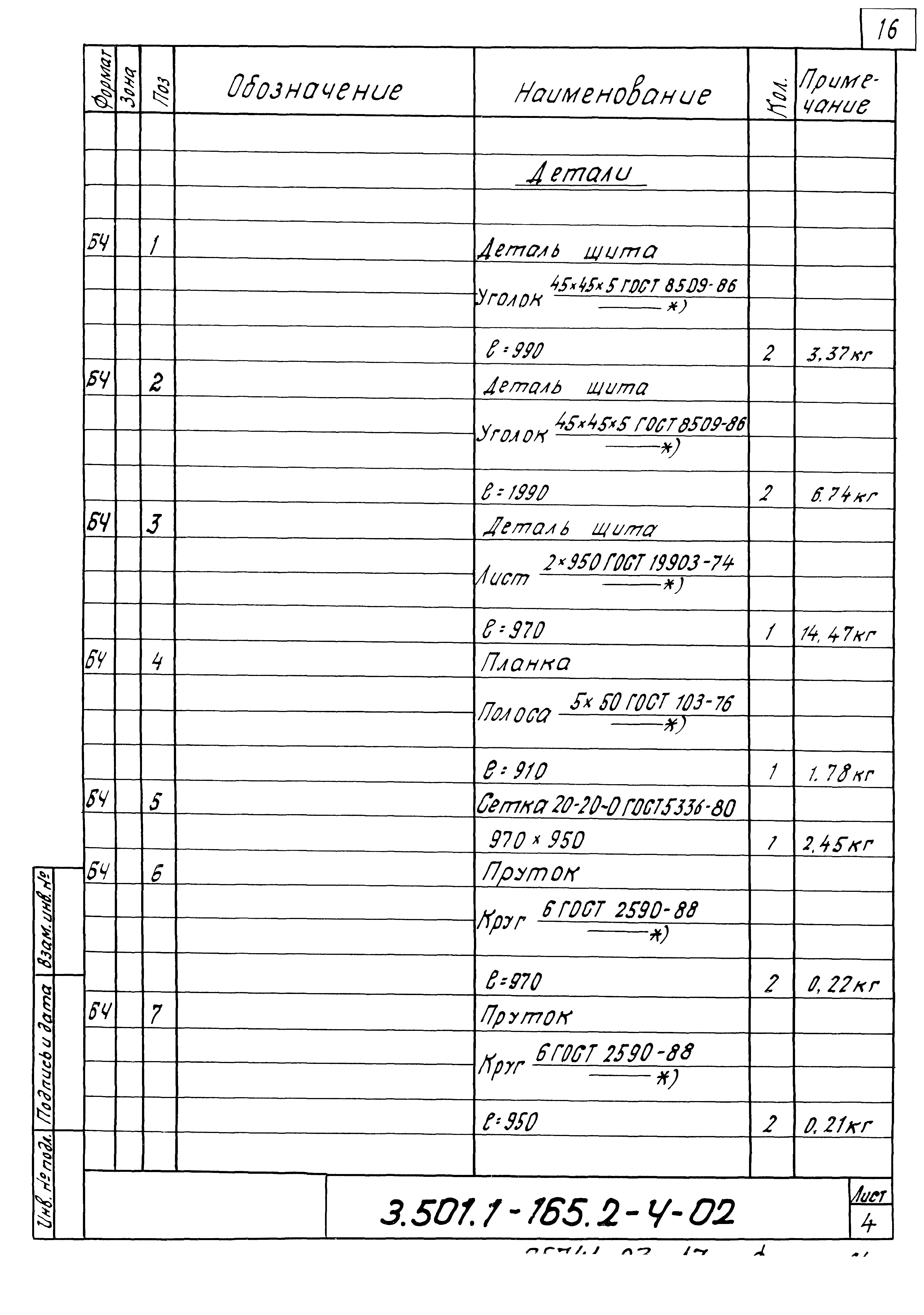
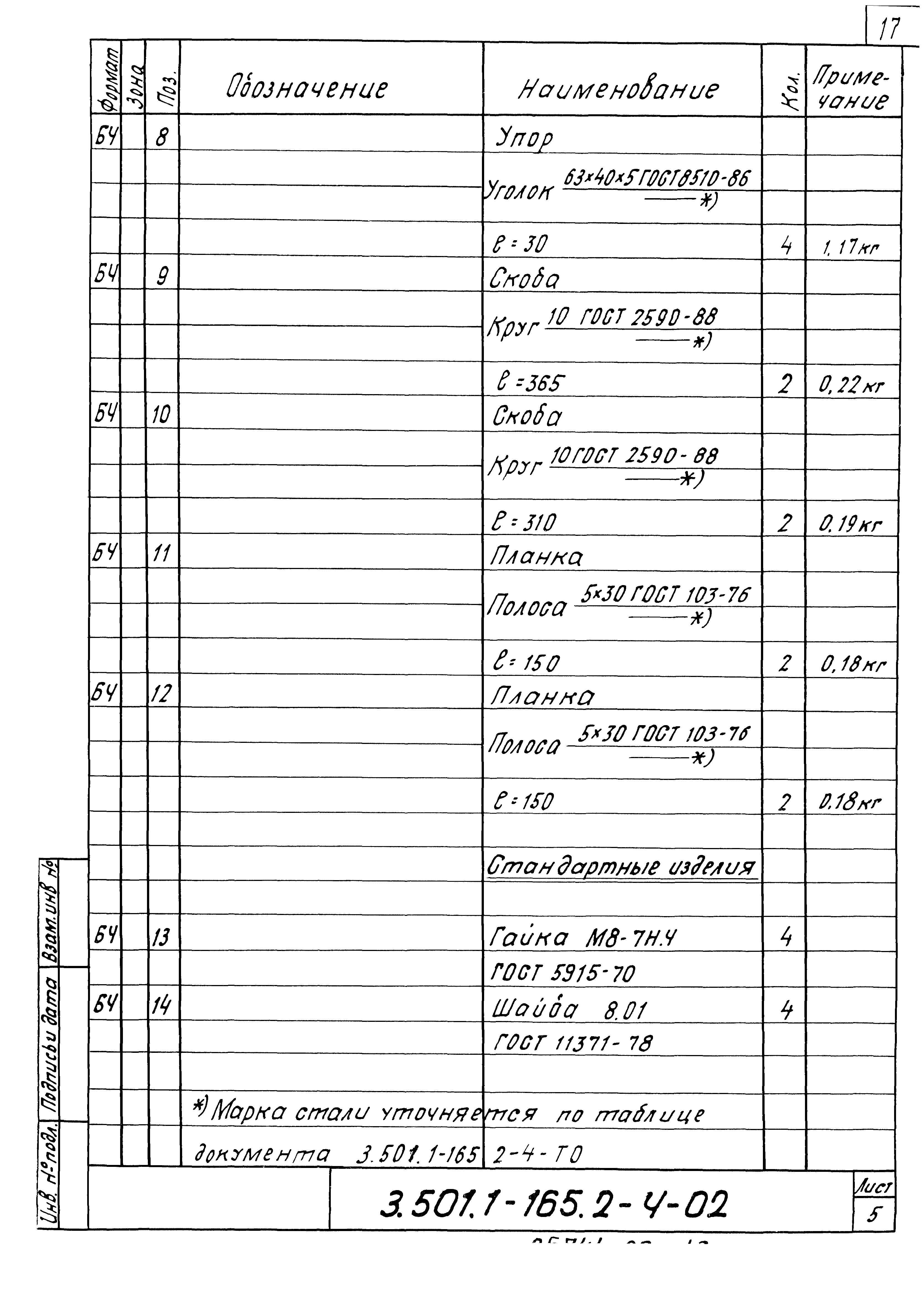
| Оглавление: | 3.501.1-165.2-4-ТО Техническое описание 3.501.1-165.2-4-01 Ограждение перильное ПО (ПО18 … ПО27) 3.501.1-165.2-4-02 Щит ограждения контактной сети 3.501.1-165.2-4-03 Лист перекрытия деформационного шва 3.501.1-165.2-4-04 Опорная часть тангенциальная Т1 3.501.1-165.2-4-05 Опорная часть катковая К1 |
| Разработан: | Гипротрансмост |
| Утверждён: | 16.05.1988 Министерство путей сообщения СССР (USSR Ministry of Railroads ЦУЭП-15/44/132) |
| Заменяет собой: |























