Скачать Серия 3.501-112 Выпуск 2. Пролетные строения пешеходных мостов длиной 24 и 27 м с высотой балок 90 см из обычного и преднапряженного железобетона с вариантом северного исполнения. Рабочие чертежиДата актуализации: 01.01.2021 Серия 3.501-112
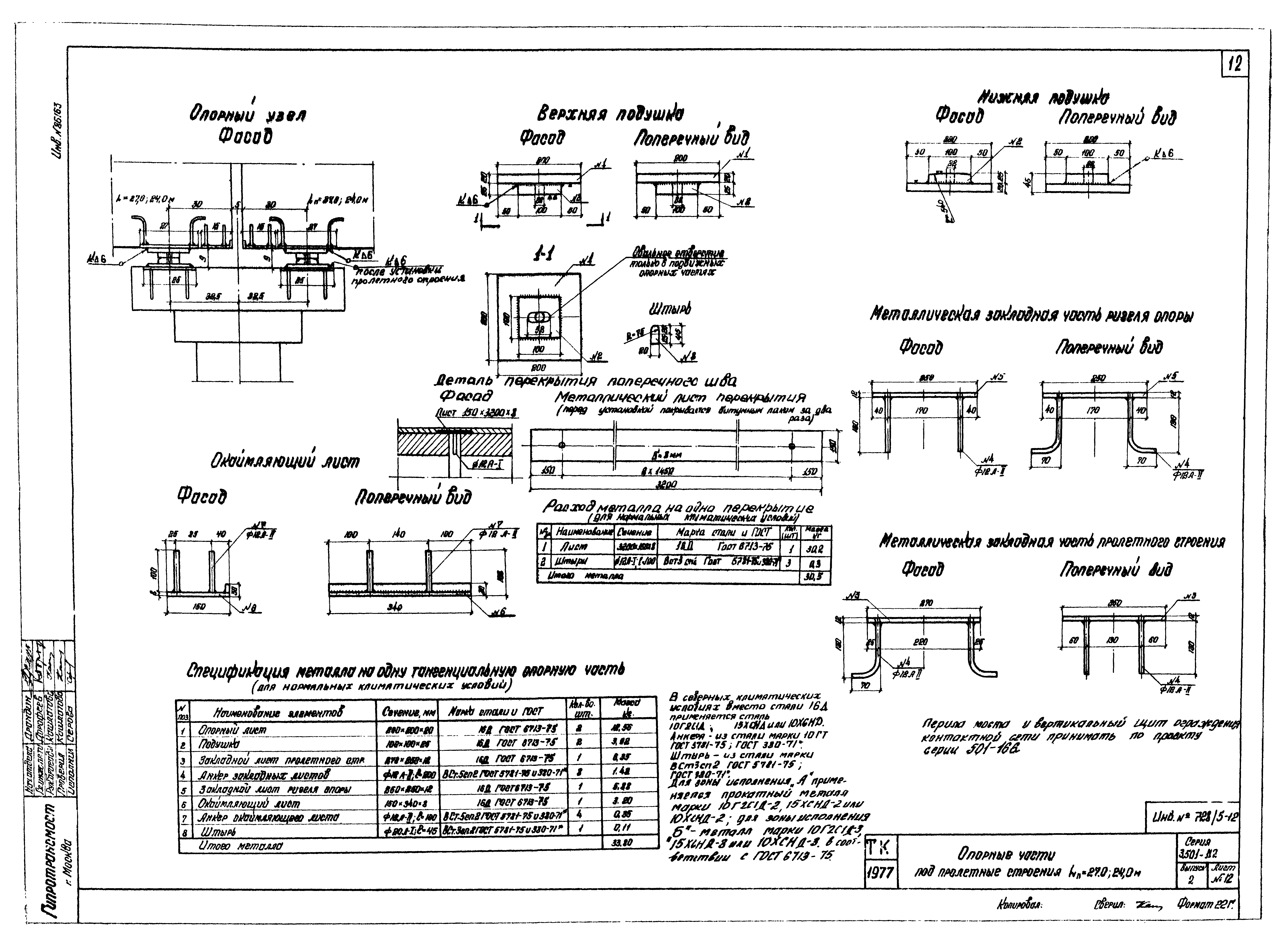
Выпуск 2. Пролетные строения пешеходных мостов длиной 24 и 27 м с высотой балок 90 см из обычного и преднапряженного железобетона с вариантом северного исполнения. Рабочие чертежи| Обозначение: | Серия 3.501-112 | | Обозначение англ: | Series 3.501-112 | | Статус: | заменен | | Название рус.: | Выпуск 2. Пролетные строения пешеходных мостов длиной 24 и 27 м с высотой балок 90 см из обычного и преднапряженного железобетона с вариантом северного исполнения. Рабочие чертежи | | Дата добавления в базу: | 01.09.2013 | | Дата актуализации: | 01.01.2021 | | Дата окончания срока действия: | 01.01.1993 | | Разработан: | Гипротрансмост
| | Утверждён: | 20.02.1978 Министерство путей сообщения СССР (USSR Ministry of Railroads П-5595)
|
             
|