Скачать Серия 3.501-116 Арматура пневматической очистки стрелок для колеи 1520 мм ТО-163Дата актуализации: 01.01.2021
|
| Обозначение: | Серия 3.501-116 |
| Обозначение англ: | Series 3.501-116 |
| Статус: | не определен законодательством |
| Название рус.: | Арматура пневматической очистки стрелок для колеи 1520 мм ТО-163 |
| Дата добавления в базу: | 01.10.2014 |
| Дата актуализации: | 01.01.2021 |
| Дата введения: | 01.07.1979 |
| Дата окончания срока действия: | 30.06.2003 |
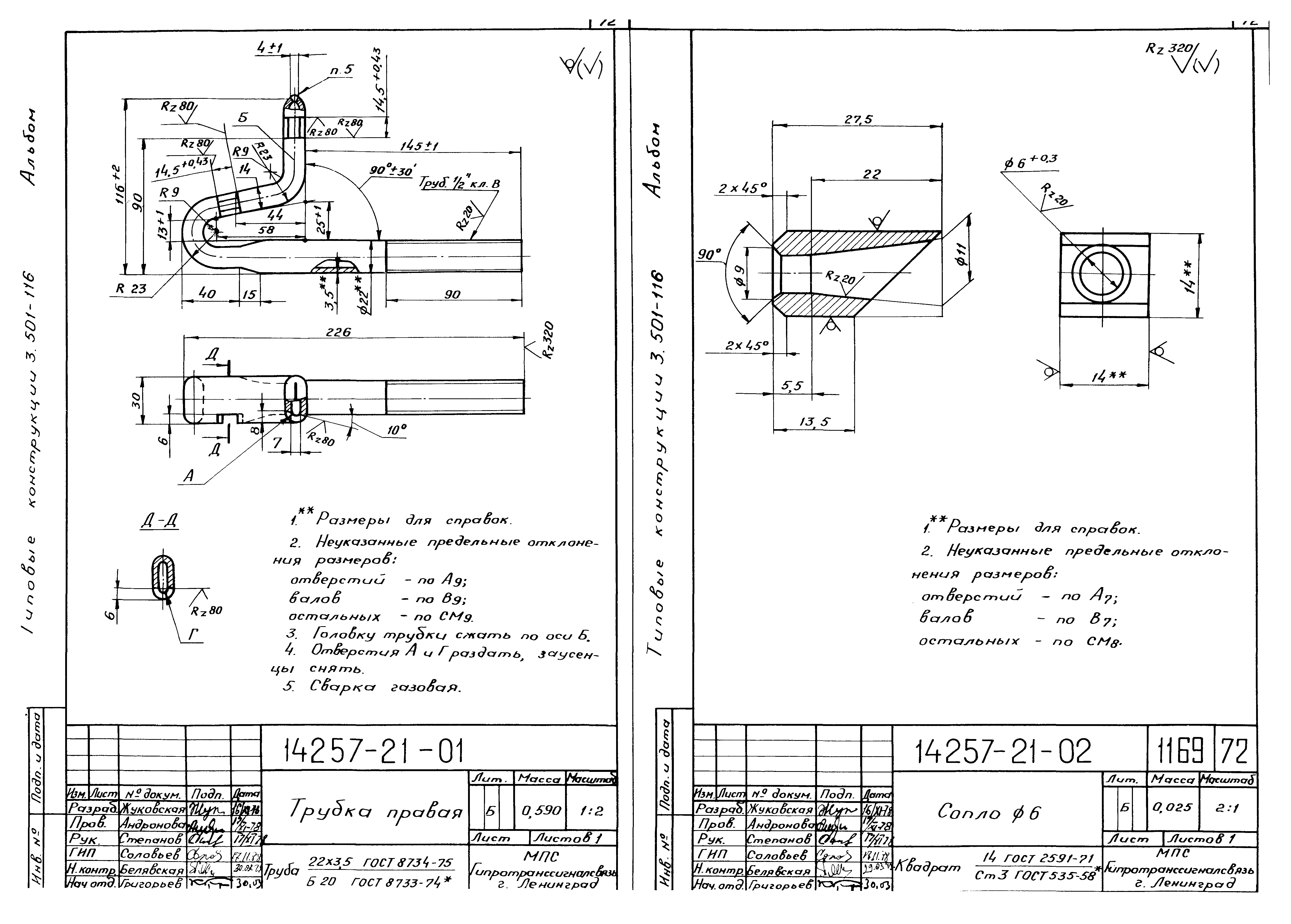
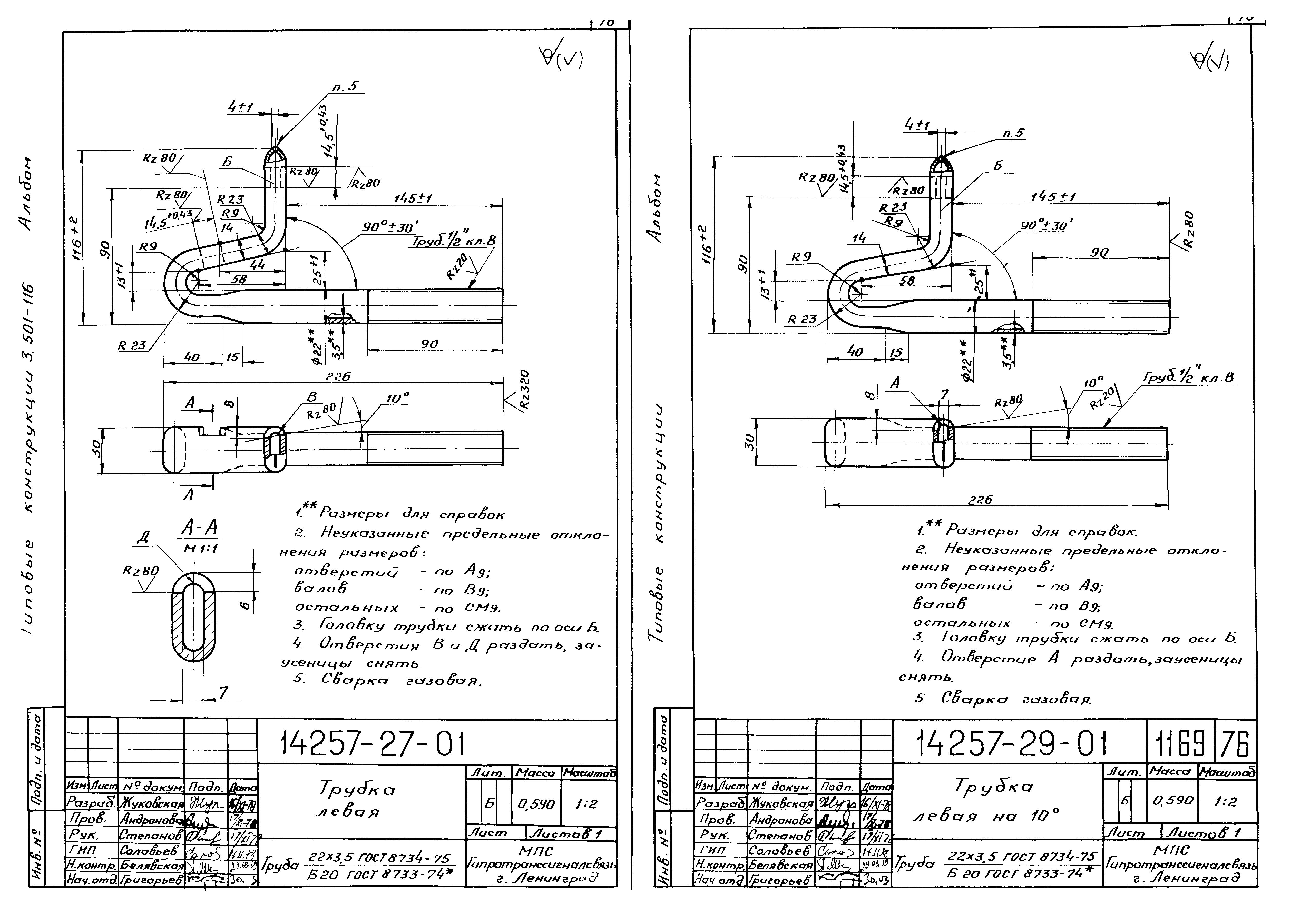
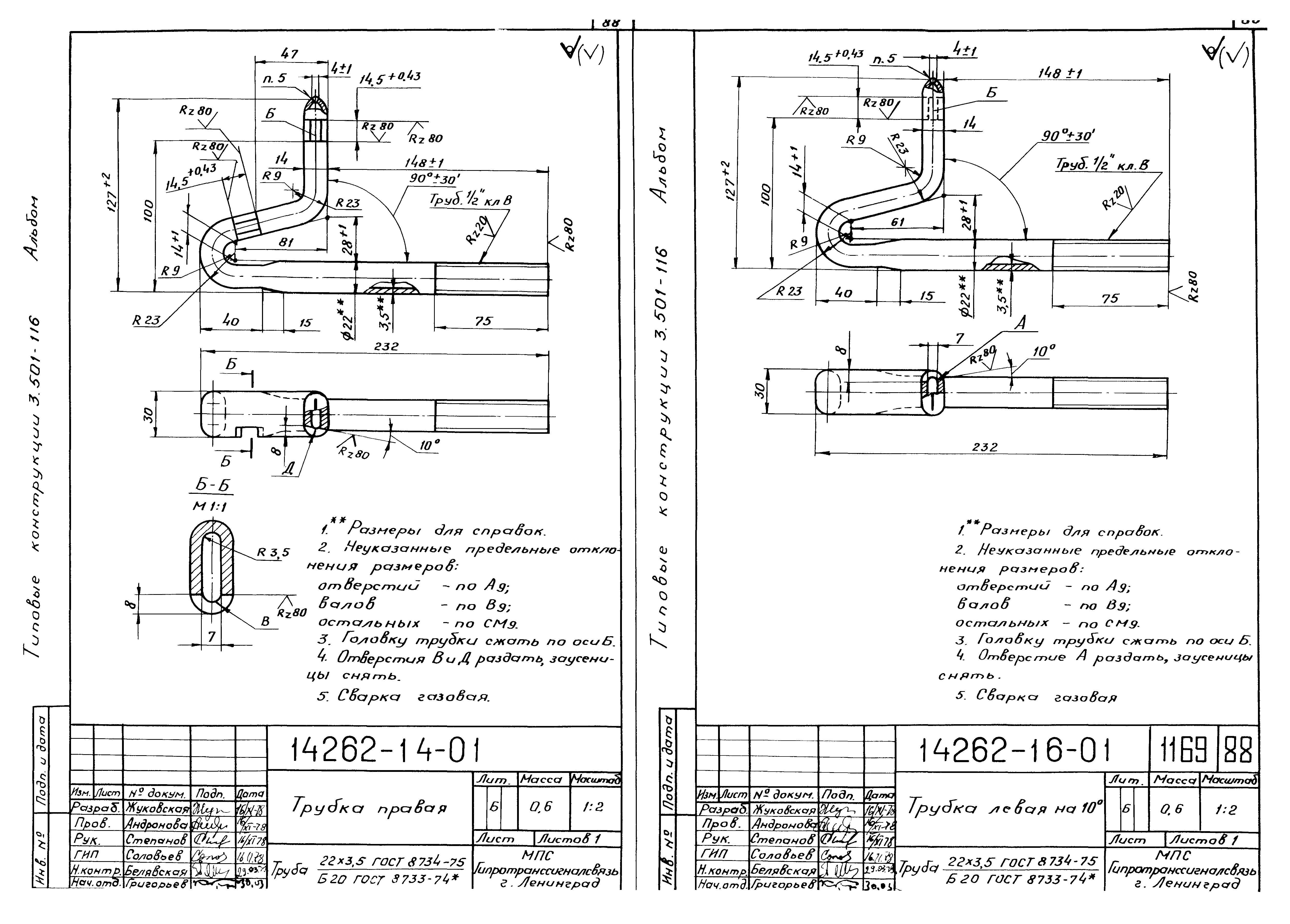
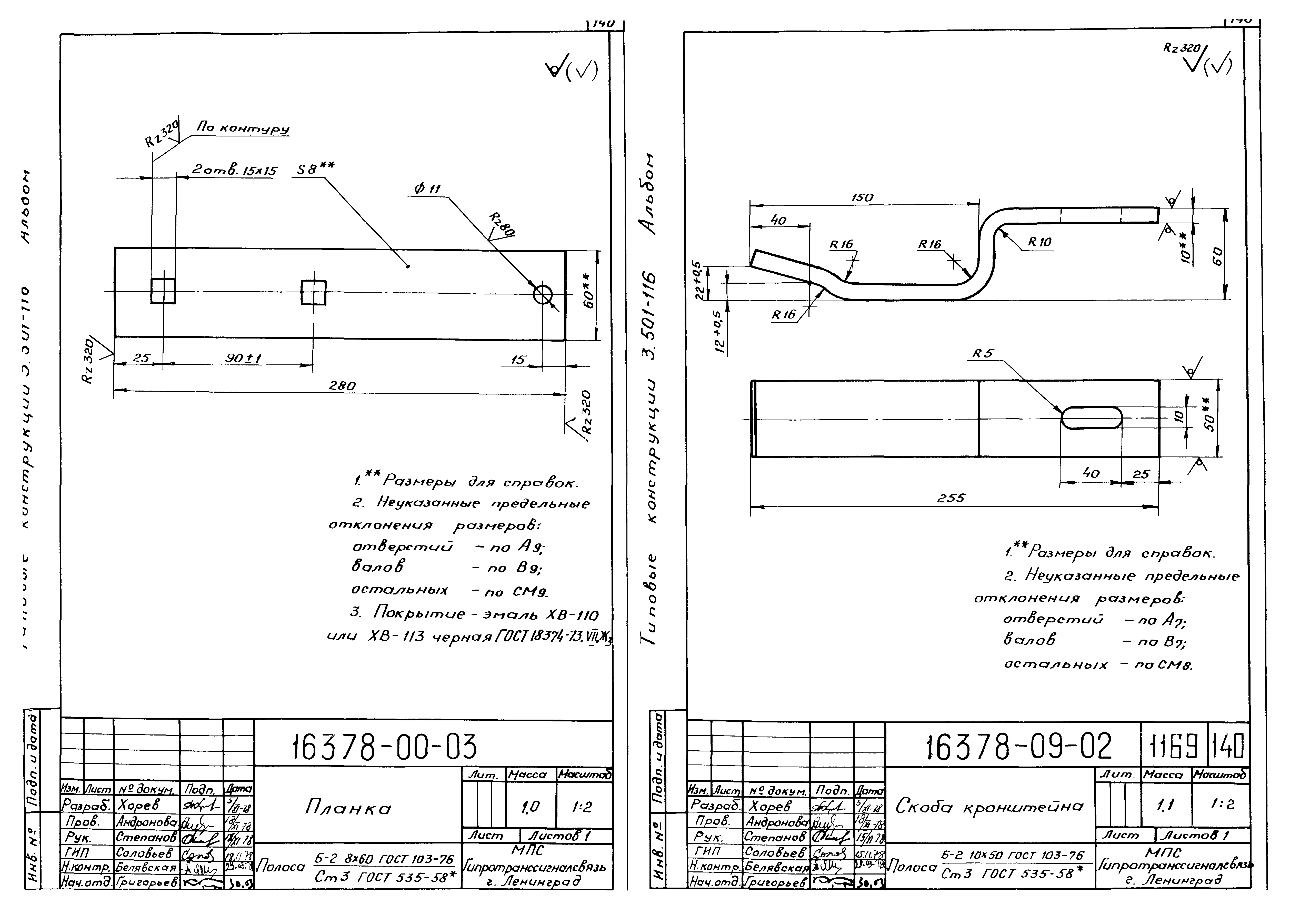
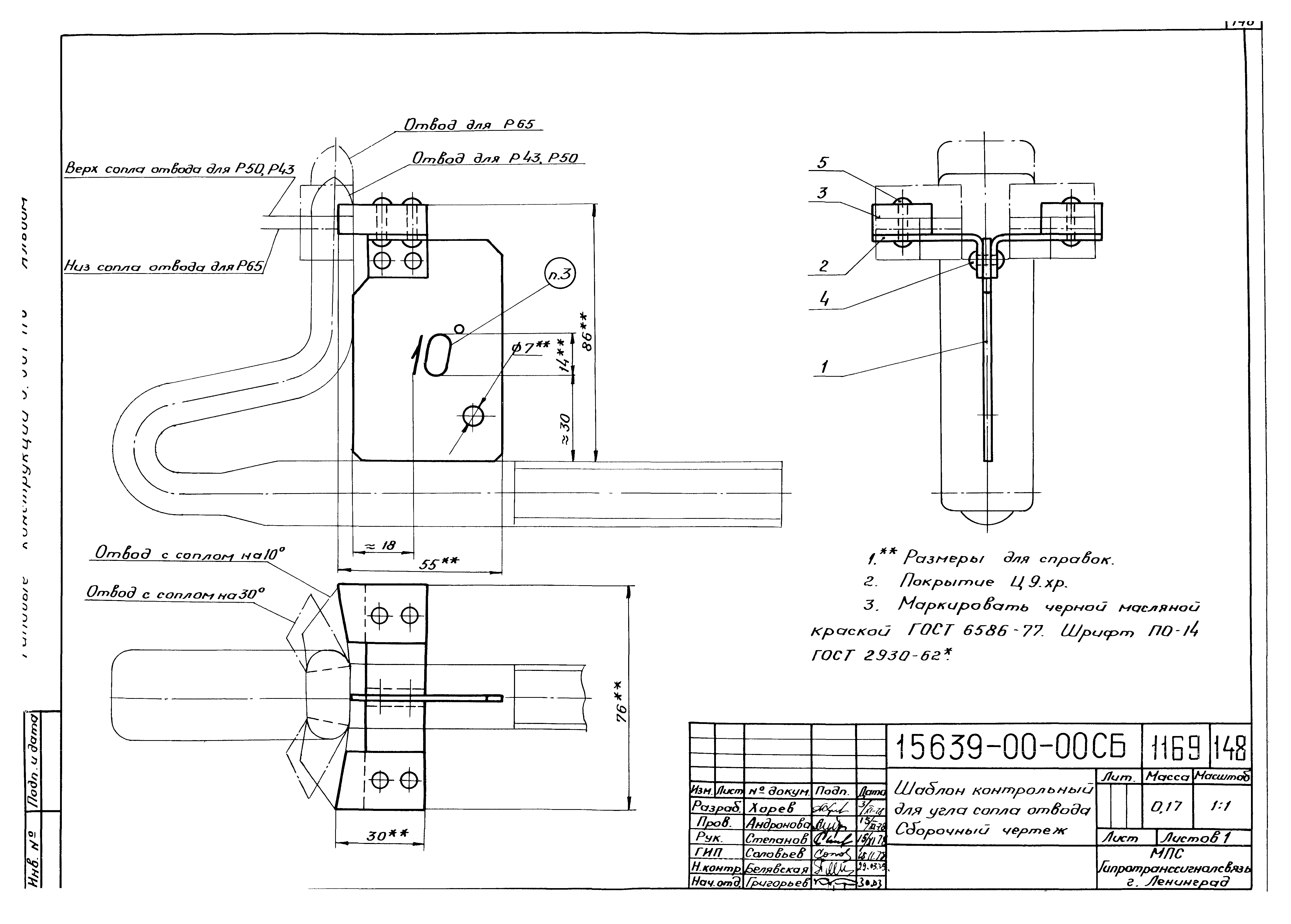
| Оглавление: | ТО-163Д Содержание ТО-163ПЗ Пояснительная записка ТО-163Д1 Ведомость комплектации ЗИП 16038-00-00 Арматура пневматической очистки стрелки Р65м 1/11 с подуклонкой 16038-00-00СБ Арматура пневматической очистки стрелки Р65м 1/11 с подуклонкой. Сборочный чертеж 16038-01-00 Трубопровод 16038-01-00СБ Трубопровод. Сборочный чертеж 16038-01-01 Труба 16038-02-00 Трубопровод 16038-02-00СБ Трубопровод. Сборочный чертеж 16038-02-01 Труба 16038-03-00 Трубопровод 16038-03-00СБ Трубопровод. Сборочный чертеж 16038-03-01 Труба 16038-04-00 Трубопровод 16038-04-00СБ Трубопровод. Сборочный чертеж 16038-04-01 Труба 16038-05-00 Трубопровод 16038-05-00СБ Трубопровод. Сборочный чертеж 16038-05-01 Труба 16038-06-00 Трубопровод 16038-06-00СБ Трубопровод. Сборочный чертеж 16038-06-01 Труба 16038-07-00 Трубопровод 16038-07-00СБ Трубопровод. Сборочный чертеж 16038-07-01 Труба 16386-00-00 Арматура пневматической очистки стрелки Р50м 1/11 колеи 1520 мм 16386-00-00СБ Арматура пневматической очистки стрелки Р50м 1/11 колеи 1520 мм. Сборочный чертеж 16386-02-00 Отвод с соплом на 10 градусов 16386-02-00СБ Отвод с соплом на 10 градусов. Сборочный чертеж 16386-03-00 Отвод с соплом на 30 градусов 16386-03-00СБ Отвод с соплом на 30 градусов. Сборочный чертеж 16387-00-00 Арматура пневматической очистки стрелки Р50м 1/6 колеи 1520 мм 16387-00-00СБ Арматура пневматической очистки стрелки Р50м 1/6 колеи 1520 мм. Сборочный чертеж 16387-01-00 Трубопровод 16387-01-00СБ Трубопровод. Сборочный чертеж 16387-01-01 Труба 16387-02-00 Трубопровод 16387-02-00СБ Трубопровод. Сборочный чертеж 16387-02-01 Труба 16387-03-00 Трубопровод 16387-03-00СБ Трубопровод. Сборочный чертеж 16387-03-01 Труба 16387-04-00 Трубопровод 16387-04-00СБ Трубопровод. Сборочный чертеж 16387-04-01 Труба 16388-00-00 Арматура пневматической очистки стрелки Р65м 1/11 колеи 1520 мм 16388-00-00СБ Арматура пневматической очистки стрелки Р65м 1/11 колеи 1520 мм. Сборочный чертеж 16388-02-00 Отвод с соплом на 10 градусов 16388-02-00СБ Отвод с соплом на 10 градусов. Сборочный чертеж 16388-03-00 Отвод с соплом на 30 градусов 16388-03-00СБ Отвод с соплом на 30 градусов. Сборочный чертеж 16389-00-00 Арматура пневматической очистки стрелки Р65м 1/18 колеи 1520 мм 16389-00-00СБ Арматура пневматической очистки стрелки Р65м 1/18 колеи 1520 мм. Сборочный чертеж 16390-00-00 Арматура пневматической очистки перекрестной стрелки Р50м 1/9 колеи 1520 мм 16390-00-00СБ Арматура пневматической очистки перекрестной стрелки Р50м 1/9 колеи 1520 мм. Сборочный чертеж 14257-00-05 Полоса 14257-07-02В Трубка 14257-20-01 Упор 14257-21-00 Трубка правая с двумя соплами 14257-21-00СБ Трубка правая с двумя соплами. Сборочный чертеж 14257-21-01 Трубка правая 14257-21-02 Сопло Ф 6 14257-21-03 Сопло Ф 7 14257-23-01 Трубка правая на 10 градусов 14257-25-01 Трубка правая на 30 градусов 14257-27-00 Трубка левая с двумя соплами 14257-27-00СБ Трубка левая с двумя соплами. Сборочный чертеж 14257-27-01 Трубка левая 14257-29-01 Трубка левая на 10 градусов 14257-31-01 Трубка левая на 30 градусов 14257-33-00 Полоса с планкой 14257-33-00СБ Полоса с планкой. Сборочный чертеж 14257-33-01 Полоса 14257-33-02 Скоба 14257-33-03 Шпилька 14259-00-01 Труба 40 14259-13-00 Трубка для ролика 14259-13-00СБ Трубка для ролика. Сборочный чертеж 14259-13-01 Трубка 14259-13-02 Сопло Ф 6 14259-13-03 Планка 14262-12-00 Трубка левая с двумя соплами 14262-12-00СБ Трубка левая с двумя соплами. Сборочный чертеж 14262-12-01 Трубка левая 14262-12-02 Трубка 14262-14-00 Трубка правая с двумя соплами 14262-14-00СБ Трубка правая с двумя соплами. Сборочный чертеж 14262-14-01 Трубка правая 14262-16-01 Трубка левая на 10 градусов 14262-18-01 Трубка левая на 30 градусов 14262-20-01 Трубка правая на 10 градусов 14262-22-01 Трубка правая на 30 градусов 16163-11-01 Ушко 16163-11-02 Шплинт 16163-17-00 Хомутик 16163-17-00СБ Хомутик. Сборочный чертеж 16374-00-01 Труба 16374-01-00 Трубопровод 16374-01-00СБ Трубопровод. Сборочный чертеж 16374-01-01 Трубка 16374-01-02 Трубка 16374-01-04 Трубка 16374-01-05 Трубка 16374-02-00 Трубопровод 16374-02-00СБ Трубопровод. Сборочный чертеж 16374-02-01 Труба 16374-05-01 Упор 16374-07-00 Трубопровод 16374-07-00СБ Трубопровод. Сборочный чертеж 16374-07-01 Труба 16376-05-00 Трубопровод 16376-05-00СБ Трубопровод. Сборочный чертеж 16376-05-01 Труба 16376-06-00 Трубопровод 16376-06-00СБ Трубопровод. Сборочный чертеж 16376-06-01 Труба 16376-07-00 Трубопровод 16376-07-00СБ Трубопровод. Сборочный чертеж 16376-07-01 Труба 16376-08-00 Трубопровод 16376-08-00СБ Трубопровод. Сборочный чертеж 16376-08-01 Труба 16377-01-00 Трубопровод 16377-01-00СБ Трубопровод. Сборочный чертеж 16377-01-01 Труба 16377-01-02 Трубка 16377-02-00 Трубопровод 16377-02-00СБ Трубопровод. Сборочный чертеж 16377-02-01 Труба 16377-03-00 Трубопровод 16377-03-00СБ Трубопровод. Сборочный чертеж 16377-03-01 Труба 16377-04-00 Трубопровод 16377-04-00СБ Трубопровод. Сборочный чертеж 16377-04-01 Труба 16377-05-00 Трубопровод 16377-05-00СБ Трубопровод. Сборочный чертеж 16377-05-01 Труба 16377-06-00 Трубопровод 16377-06-00СБ Трубопровод. Сборочный чертеж 16377-06-01 Труба 16377-07-00 Трубопровод 16377-07-00СБ Трубопровод. Сборочный чертеж 16377-07-01 Труба 16378-01-00 Трубопровод 16378-01-00СБ Трубопровод. Сборочный чертеж 16378-01-01 Труба 16378-02-00 Трубопровод 16378-02-00СБ Трубопровод. Сборочный чертеж 16378-02-01 Труба 16378-03-00 Трубопровод 16378-03-00СБ Трубопровод. Сборочный чертеж 16378-03-01 Труба 16378-04-00 Трубопровод 16378-04-00СБ Трубопровод. Сборочный чертеж 16378-04-01 Труба 16378-05-00 Трубопровод 16378-05-00СБ Трубопровод. Сборочный чертеж 16378-05-01 Труба 16378-08-00 Трубопровод 16378-08-00СБ Трубопровод. Сборочный чертеж 16378-08-01 Трубка 16378-08-02 Труба 16378-08-03 Труба 16378-09-00 Кронштейн 16378-09-00СБ Кронштейн. Сборочный чертеж 16378-09-01 Полоса 16378-09-02 Скоба кронштейна 16378-00-01 Труба 16378-00-02 Труба 16378-00-03 Планка 14267-00-00 Пробник 14267-00-00СБ Пробник. Сборочный чертеж 14267-01-00 Трубка пробника 14267-01-00СБ Трубка пробника. Сборочный чертеж 14267-01-01 Втулка 14267-01-02 Трубка 14267-01-03 Наконечник 15639-00-00 Шаблон контрольный для угла сопла отвода 15639-00-00СБ Шаблон контрольный для угла сопла отвода. Сборочный чертеж 15639-00-01 Стойка 15639-00-02 Уголок 15639-00-03 Планка |
| Разработан: | Гипротранссигналсвязь |
| Утверждён: | 14.06.1979 МПС СССР (USSR Ministry of Railroads ЦПП-24/5) |




















































































































































