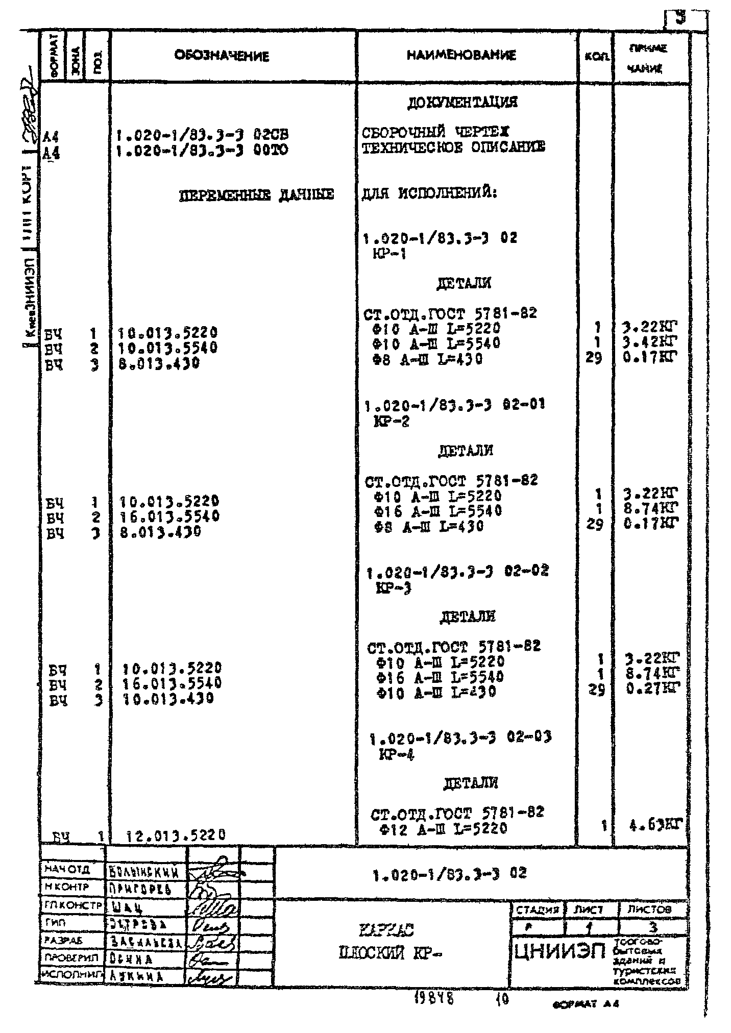
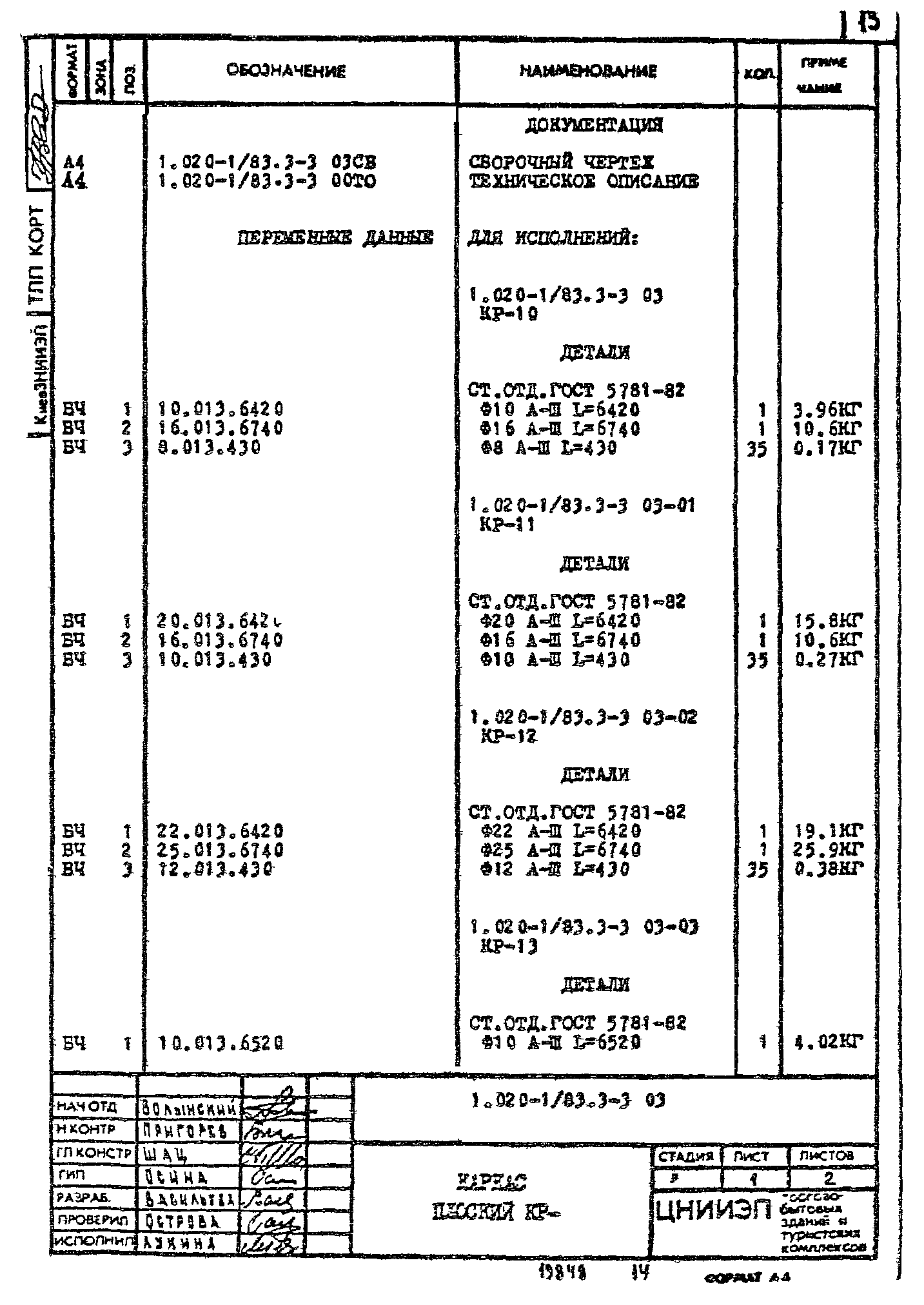
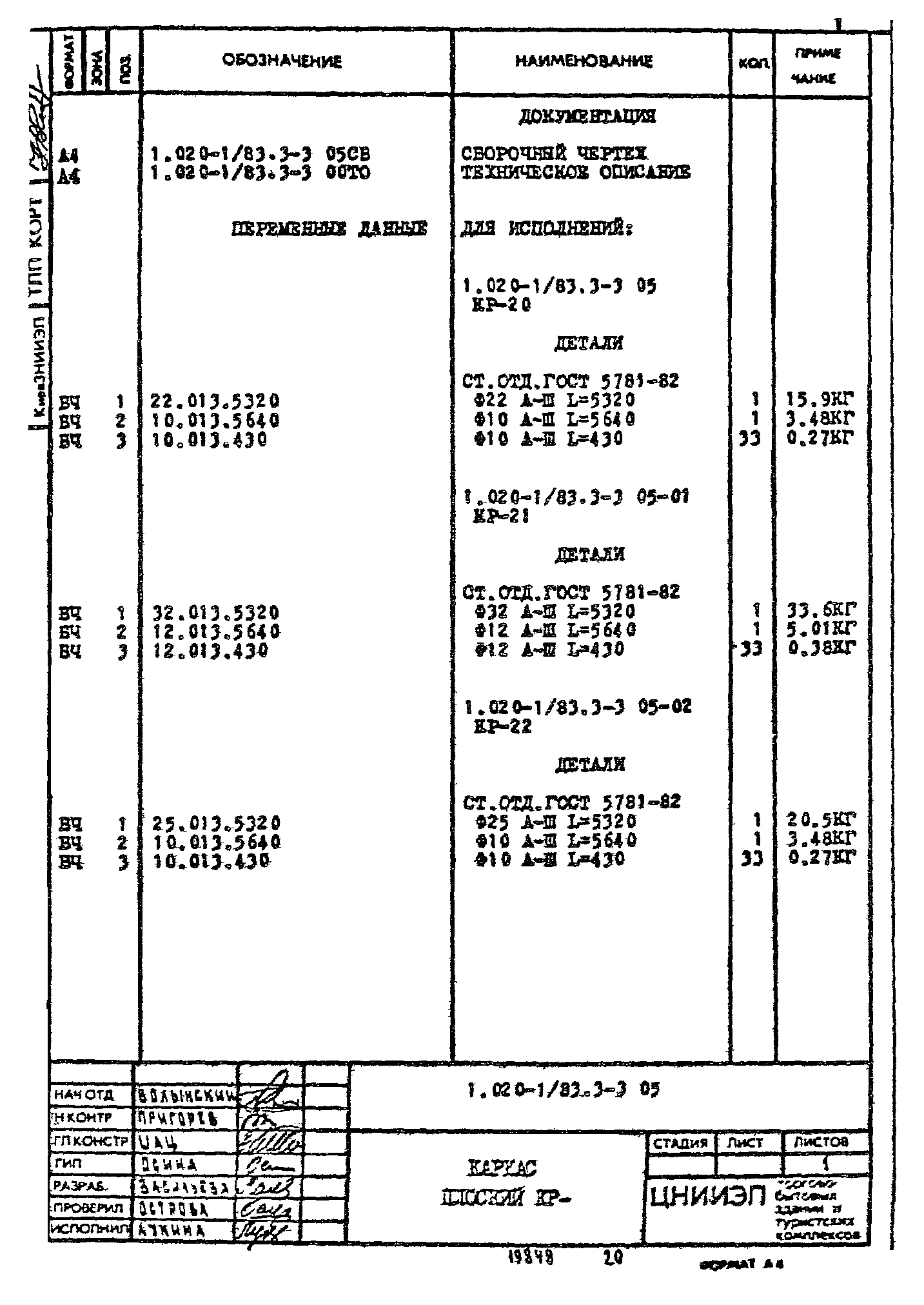
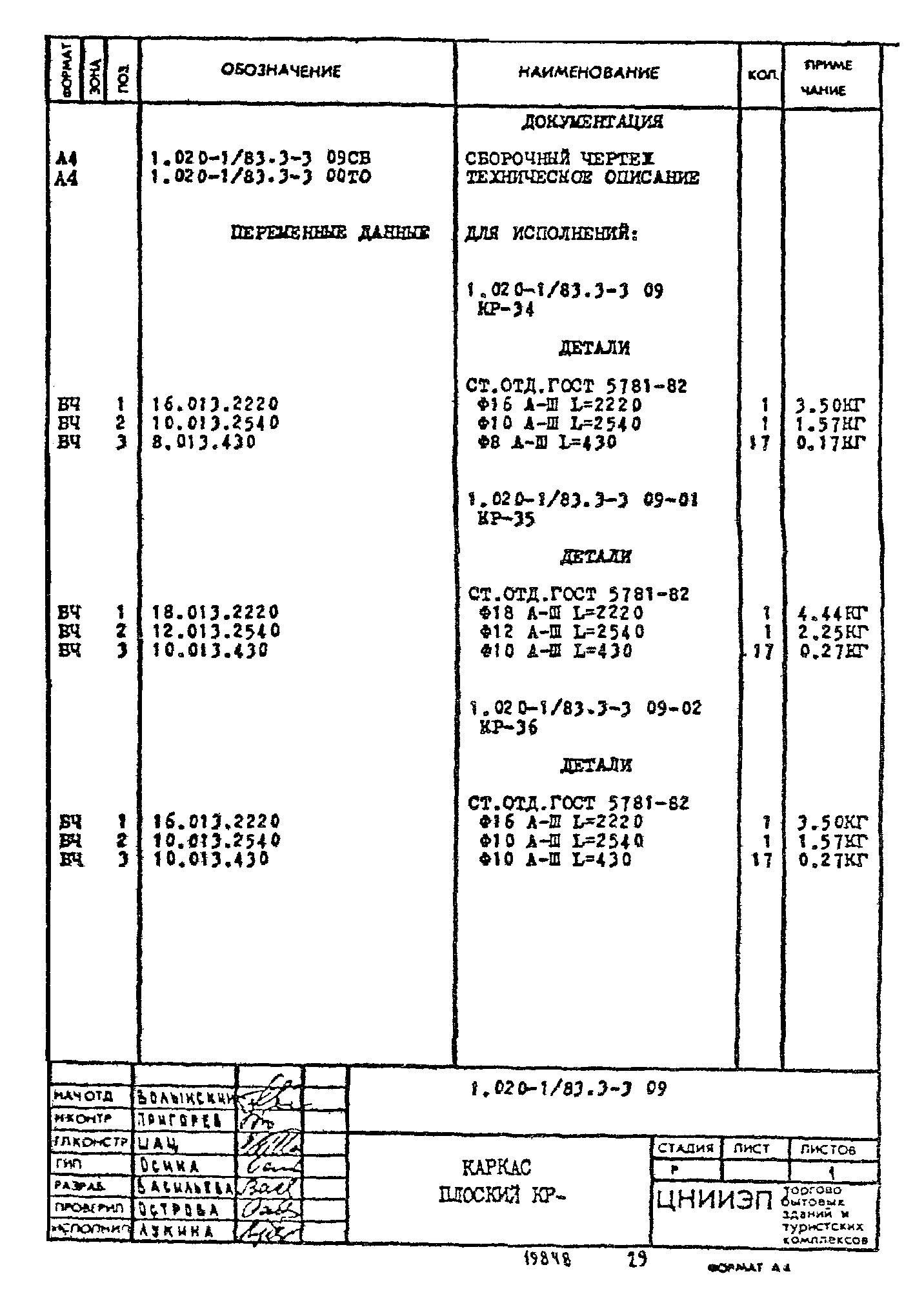
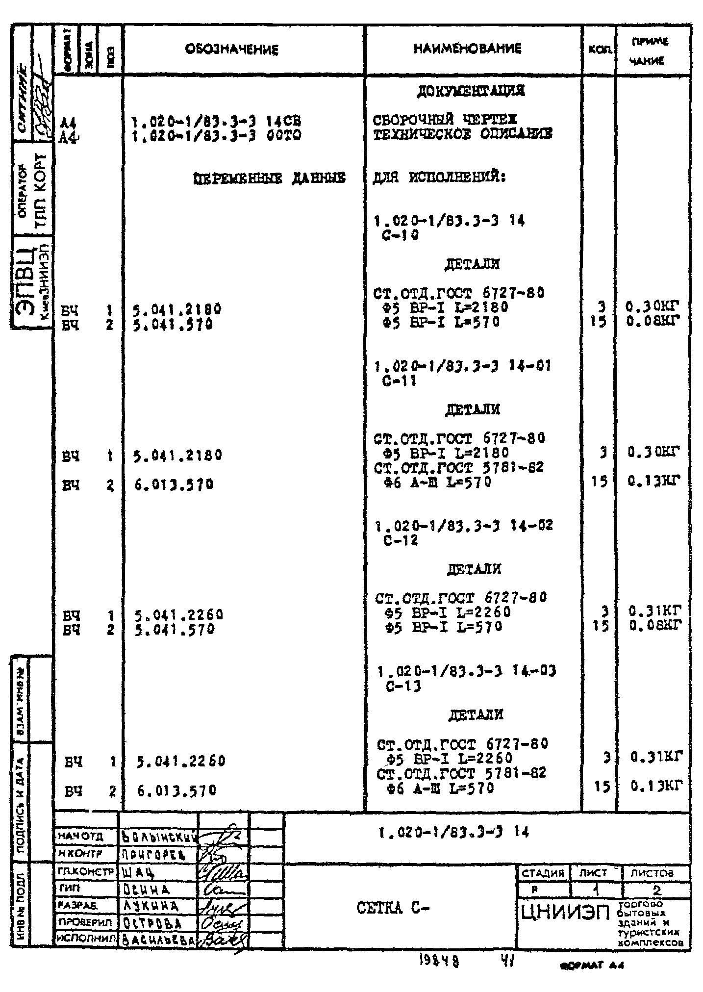
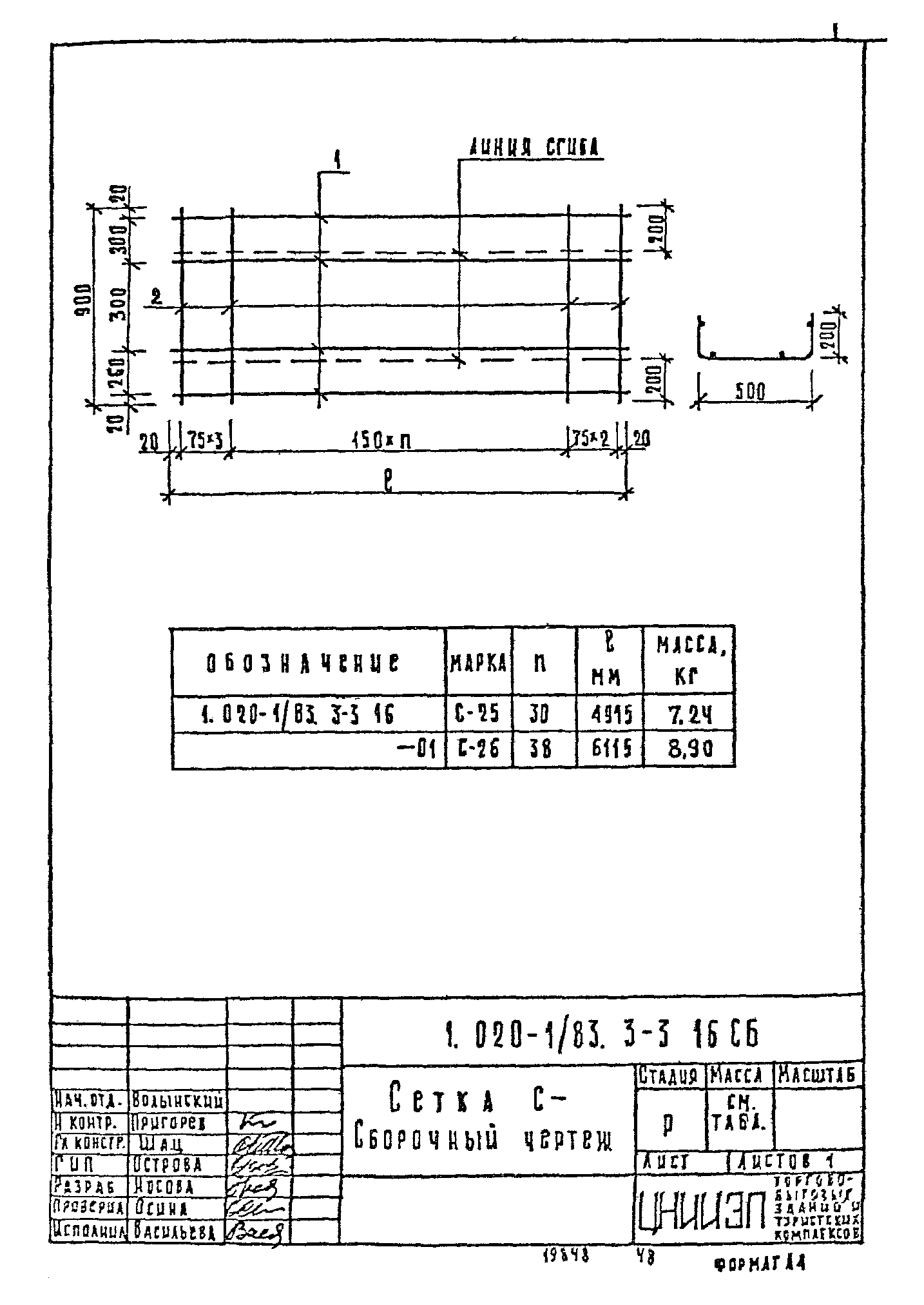
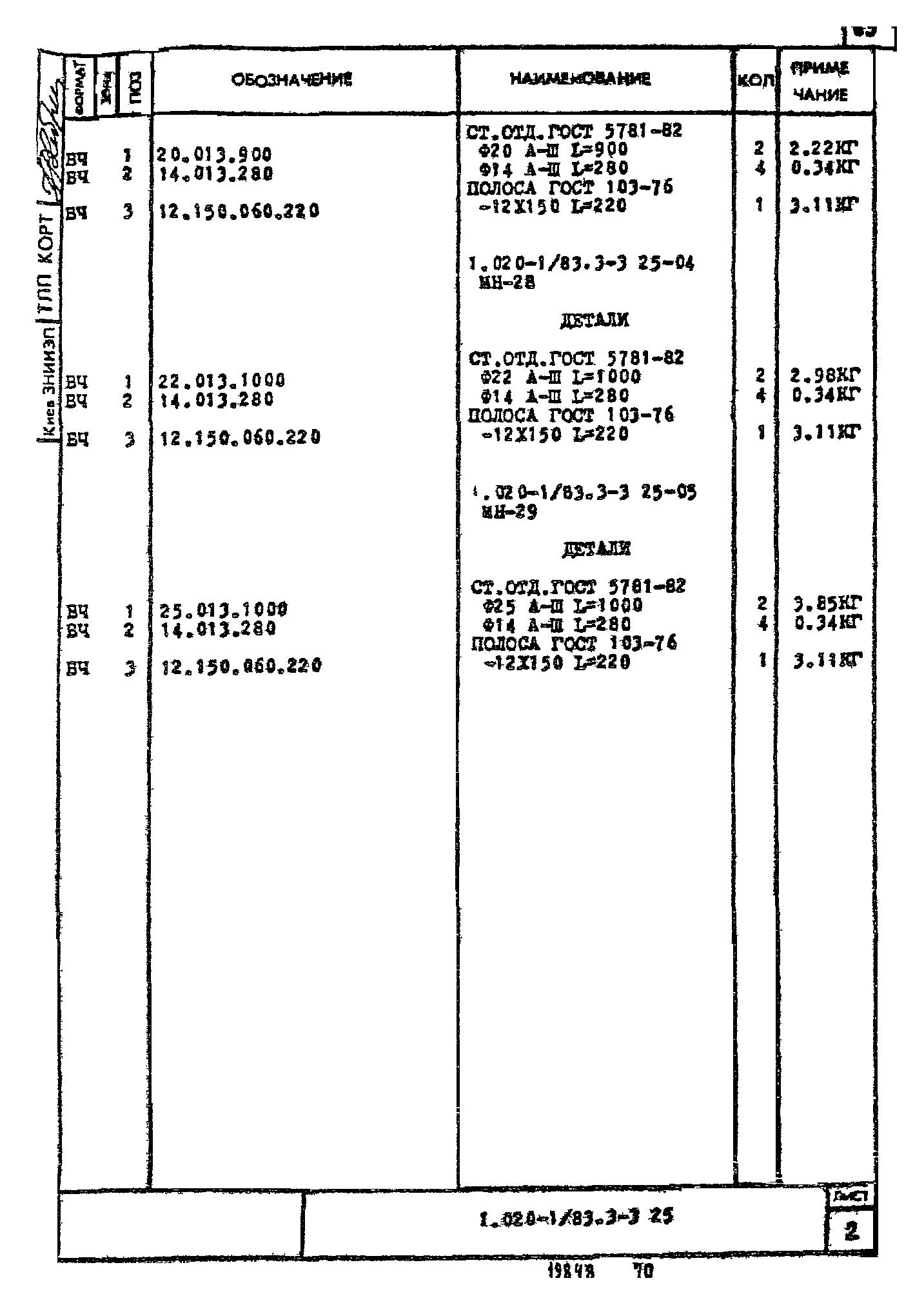
Скачать Серия 1.020-1/83 Выпуск 3-3. Ригели высотой 450 мм пролетом 3,0; 6,0 и 7,2 м для опирания многопустотных плит перекрытия. Арматурные и закладные изделия. Рабочие чертежиДата актуализации: 01.01.2021
|
| Обозначение: | Серия 1.020-1/83 |
| Обозначение англ: | Series 1.020-1/83 |
| Статус: | не действует |
| Название рус.: | Выпуск 3-3. Ригели высотой 450 мм пролетом 3,0; 6,0 и 7,2 м для опирания многопустотных плит перекрытия. Арматурные и закладные изделия. Рабочие чертежи |
| Дата добавления в базу: | 01.09.2013 |
| Дата актуализации: | 01.01.2021 |
| Дата введения: | 01.09.1984 |
| Дата окончания срока действия: | 01.12.1992 |
| Разработан: | НИИЖБ Госстроя СССР ЦНИИпромзданий ЦНИИЭП торгово-бытовых зданий и туристских комплексов Гипростроммаш |
| Утверждён: | 13.07.1984 Госстрой СССР (Государственный комитет Совета Министров СССР по делам строительства) (USSR Gosstroy 112) |
| Издан: | Госстрой СССР (1986 г. ) |
| Заменяет собой: | |
| Чем заменён: |
|


















































































