Скачать Серия 03.005-5 Выпуск 2. Альбом 15. Конструкции ввода и пропуска коммуникаций. Конструкция пропуска коммуникаций КПК-16. Рабочие чертежи

Дата актуализации: 01.01.2021

Серия 03.005-5

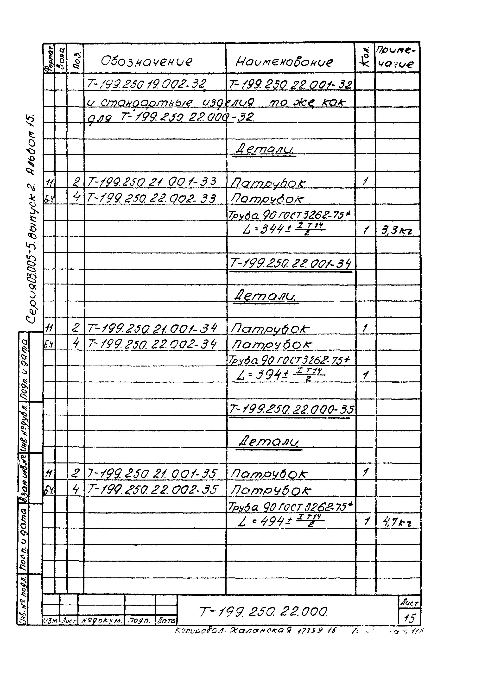
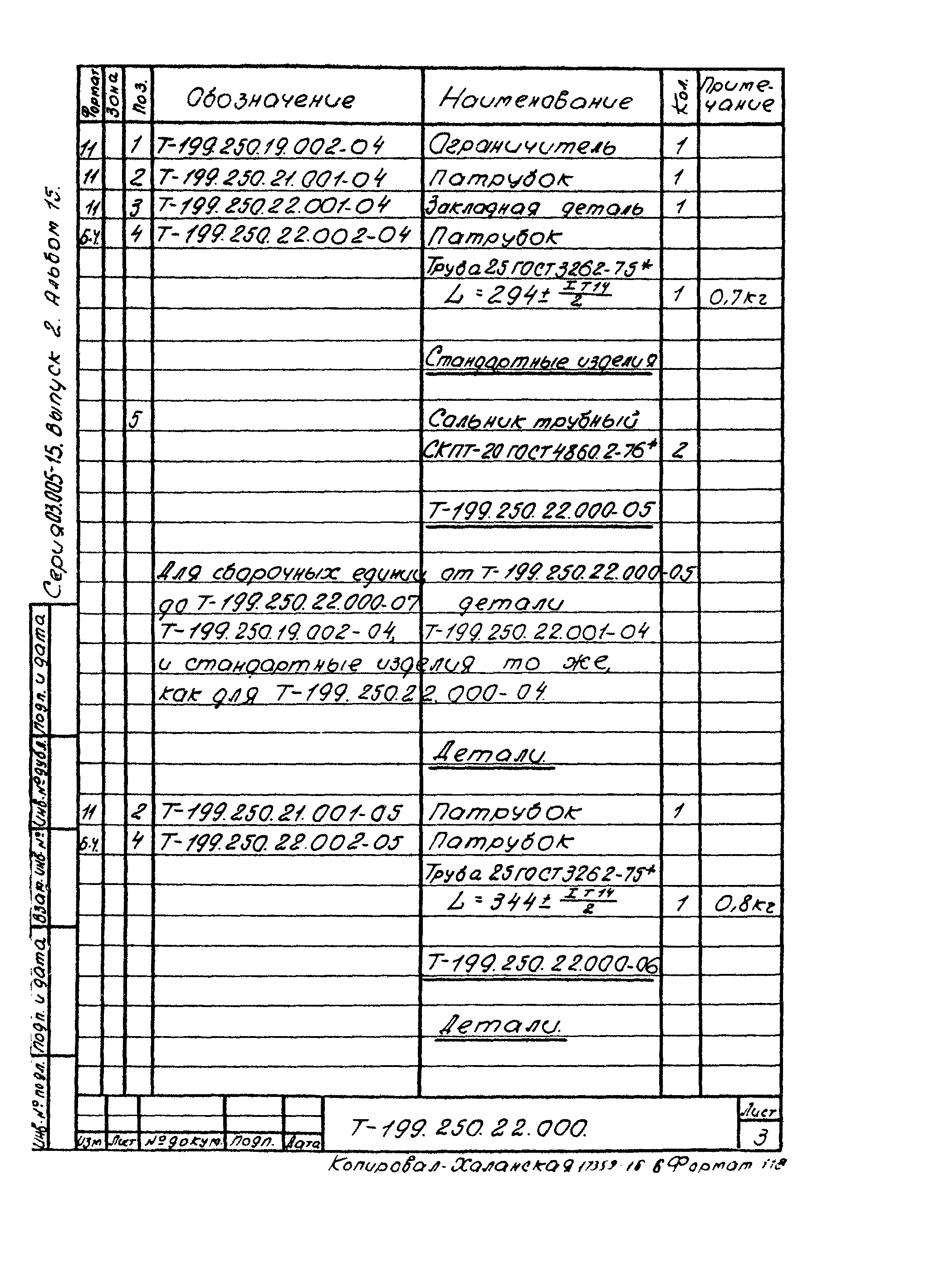
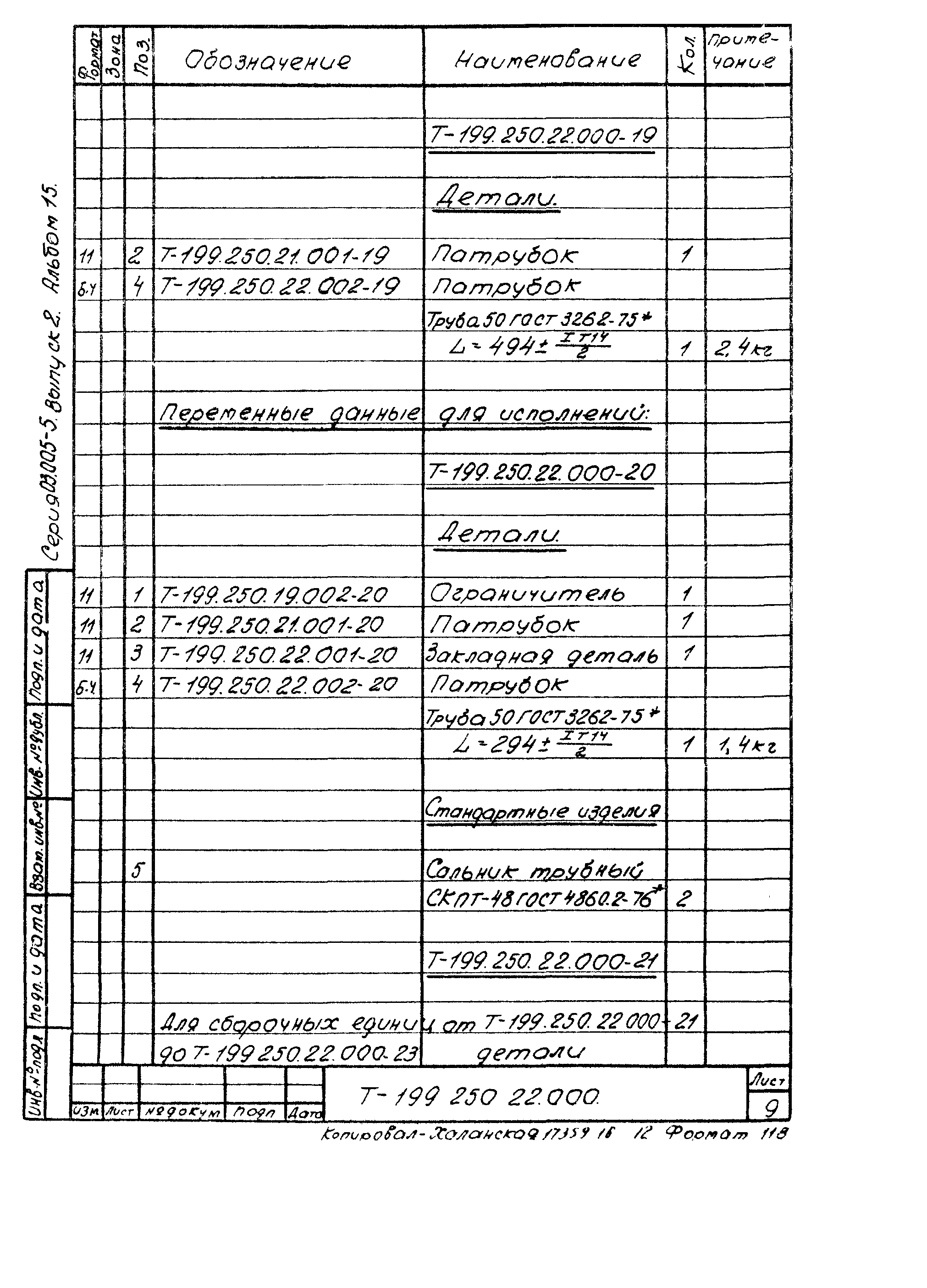
Выпуск 2. Альбом 15. Конструкции ввода и пропуска коммуникаций. Конструкция пропуска коммуникаций КПК-16. Рабочие чертежи

Обозначение: Серия 03.005-5
Обозначение англ: Series 03.005-5
Статус:не определен законодательством
Название рус.:Выпуск 2. Альбом 15. Конструкции ввода и пропуска коммуникаций. Конструкция пропуска коммуникаций КПК-16. Рабочие чертежи
Дата добавления в базу:01.09.2013
Дата актуализации:01.01.2021
Дата введения:25.05.1981
Дата окончания срока действия:30.06.2003
Разработан: В/ч 14262
Утверждён:16.02.1981 Штаб гражданской обороны СССР (USSR Civil Defense Headquarters 235/11/487)
Издан: ЦИТП Госстроя СССР (CITP, Gosstroy (USSR) 1988 г. )
Серия 03.005-5Серия 03.005-5Серия 03.005-5Серия 03.005-5Серия 03.005-5Серия 03.005-5Серия 03.005-5Серия 03.005-5Серия 03.005-5Серия 03.005-5Серия 03.005-5Серия 03.005-5Серия 03.005-5Серия 03.005-5Серия 03.005-5Серия 03.005-5Серия 03.005-5Серия 03.005-5Серия 03.005-5Серия 03.005-5Серия 03.005-5Серия 03.005-5Серия 03.005-5