Скачать Типовые конструкции Изделия и детали для соединения трубопроводов и присоединения их к приборам. Сборник 4Дата актуализации: 01.01.2021
|
| Обозначение: | Типовые конструкции |
| Статус: | действует |
| Название рус.: | Изделия и детали для соединения трубопроводов и присоединения их к приборам. Сборник 4 |
| Дата добавления в базу: | 01.09.2013 |
| Дата актуализации: | 01.01.2021 |
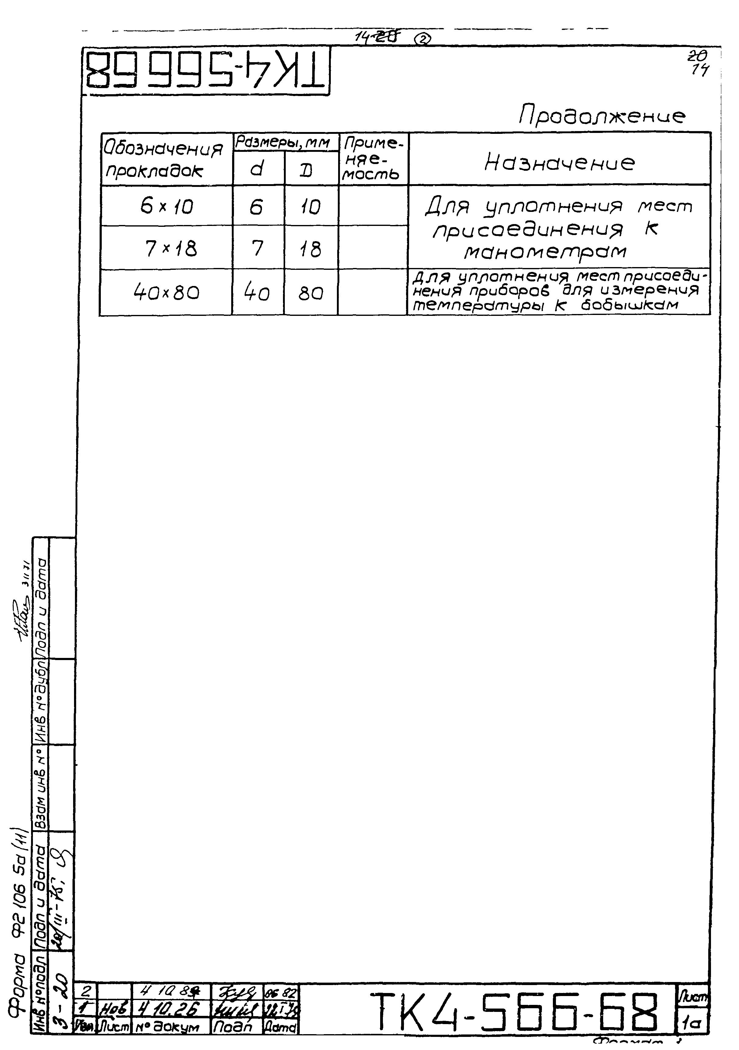
| Оглавление: | ТК4-248-67 Ниппели на Ру 160 кгс/см2 ОН4-249-64 Ниппели переходные на Ру 160 кг/см2 ТК4-250-67 Штуцеры приварные на Ру 160 кгс/см2 ОН4-349-65 Наконечники переходные Ру до 16 кгс/см2 ТК4-3573-82 Штуцер ШМ20-15 ТК4-384-67Тройники на Ру 160 кгс/см2 ТК4-388-67 Соединители для стальных, медных, полиэтиленовых труб переборочные переходные на Ру 6кгс/см2 ТК4-389-67 Корпуса соединителей универсальные на Ру 16 кгс/см2 ТК4-390-67 Футорки на Ру 16 кгс/см2 ТК4-391-67 Футорка на Ру 16 кгс/см2 ТК4-407-67 Присоединение полиэтиленовых труб наружным диаметром 6 и 8 им ТК4-408-67 Наконечник ТК4-409-67 Шайба ОН4-81408-59 Штуцеры с цилиндрическими резьбами. Тип Шц ТК4-566-68 Прокладка ТК4-387-69 Соединители переходные с медной трубы на полиэтиленовую, переборочные на Ру 6 кгс/см2 ТК4-3200-71 Бак напорный ТК4-331-76 Штуцер переходной ТК4-386-7681 Колено КТКС ТК4-3483-7881 Заготовка трубная ЗТ ТК4-3501-81 Колено КР 2 ТК4-3574-8Штуцер приварной Ш-Труб 1/4" ТК4-61-84 Штуцер |
| Разработан: | Главмонтажавтоматика |



























