Скачать Единая номенклатура монтажных изделий производственных баз

Дата актуализации: 01.01.2021

Единая номенклатура монтажных изделий производственных баз

Статус:действует
Название рус.:Единая номенклатура монтажных изделий производственных баз
Дата добавления в базу:01.09.2013
Дата актуализации:01.01.2021
Дата введения:27.07.1984
Область применения:Номенклатура предназначена для использования при проектировании, разработке ППР и изготовлении изделий в МЗМ (монтажно-заготовительных мастерских)
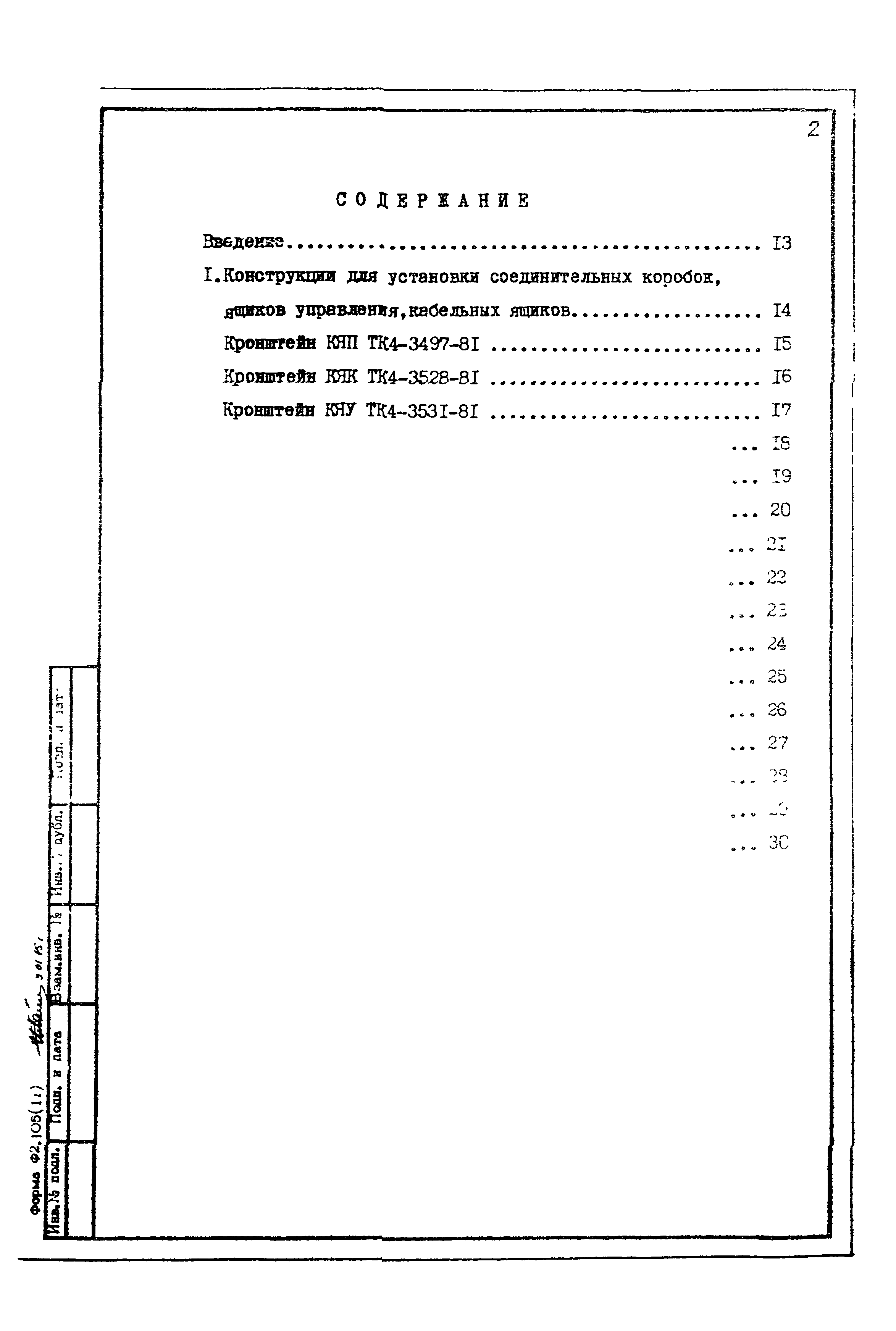
Оглавление:Введение
I. Конструкции для установки соединительных коробок, ящиков управления, кабельных ящиков
II. Конструкции для групповой установки приборов
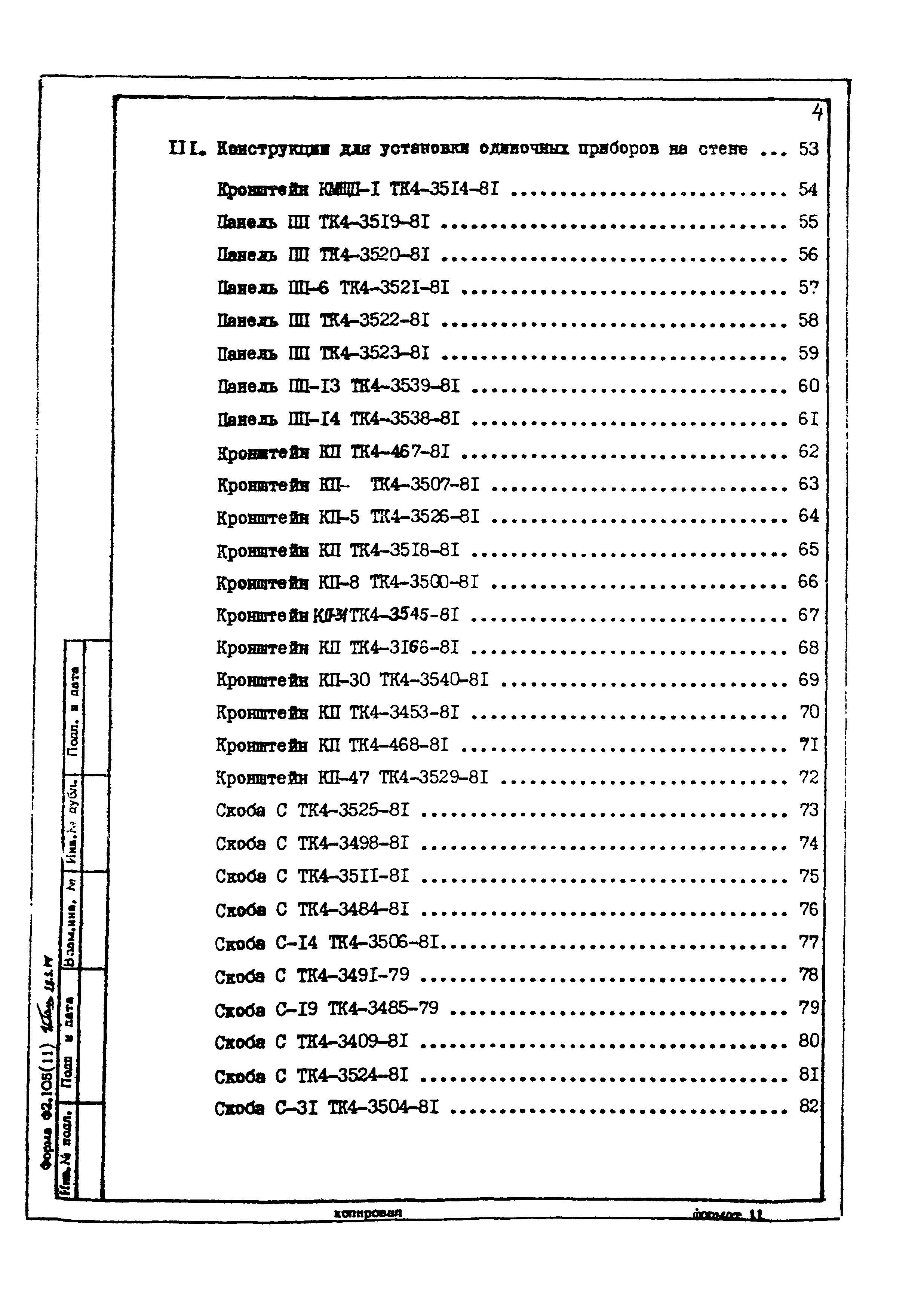
III. Конструкции для установки одиночных приборов на стене
IV. Конструкции для установки одиночных приборов на полу
V. Конструкции для установки приборов на технологическом оборудовании
VI. Изделия для обвязки приборов
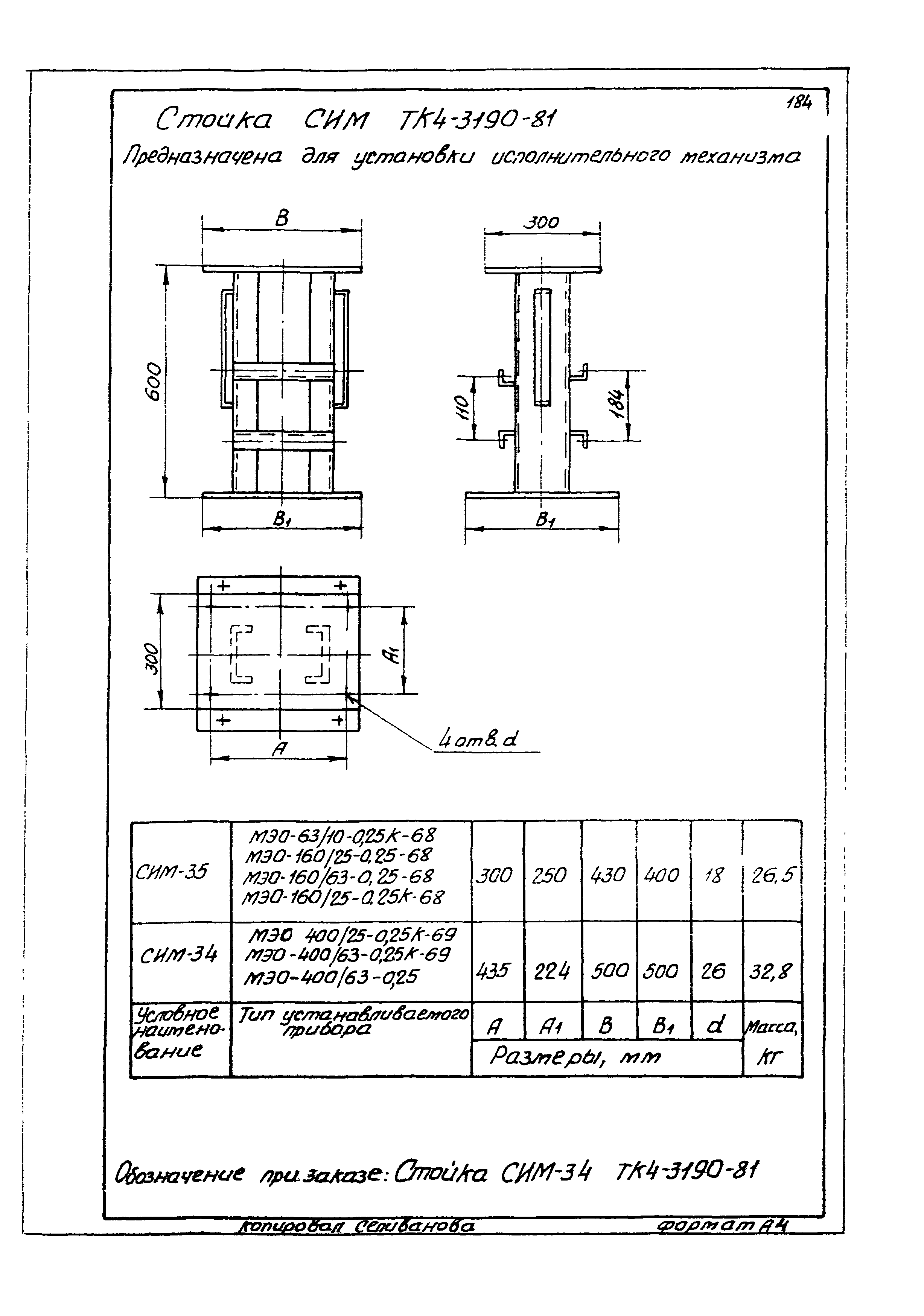
VII. Конструкции для установки исполнительных механизмов
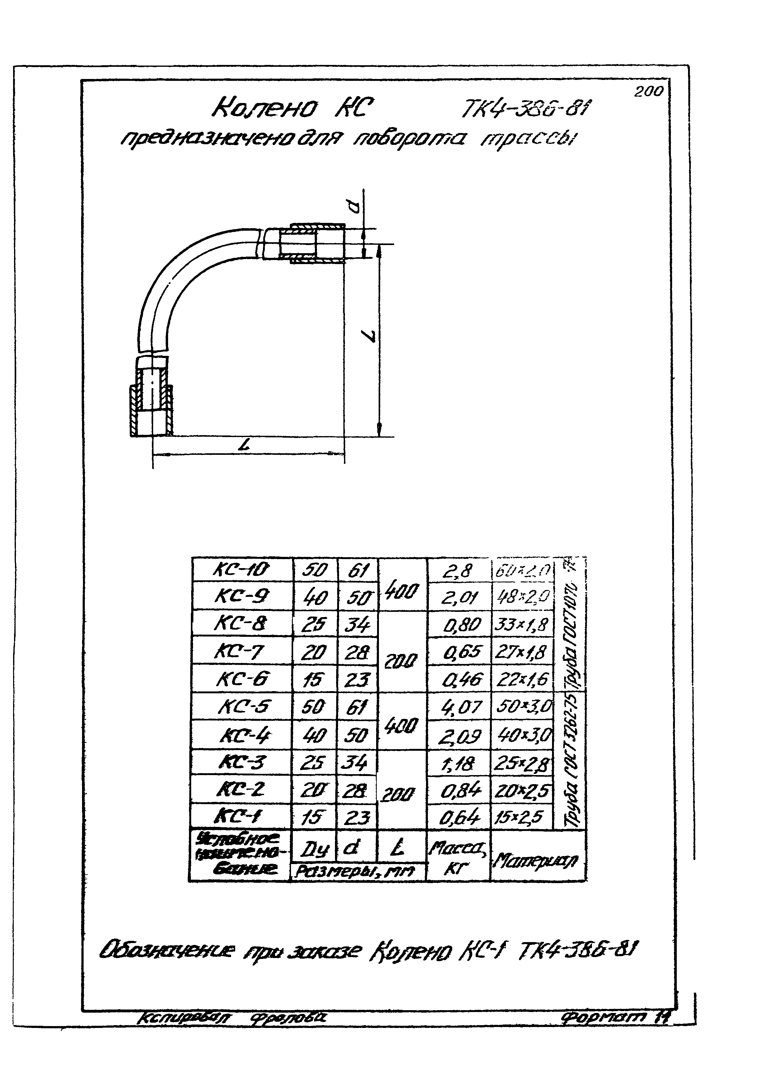
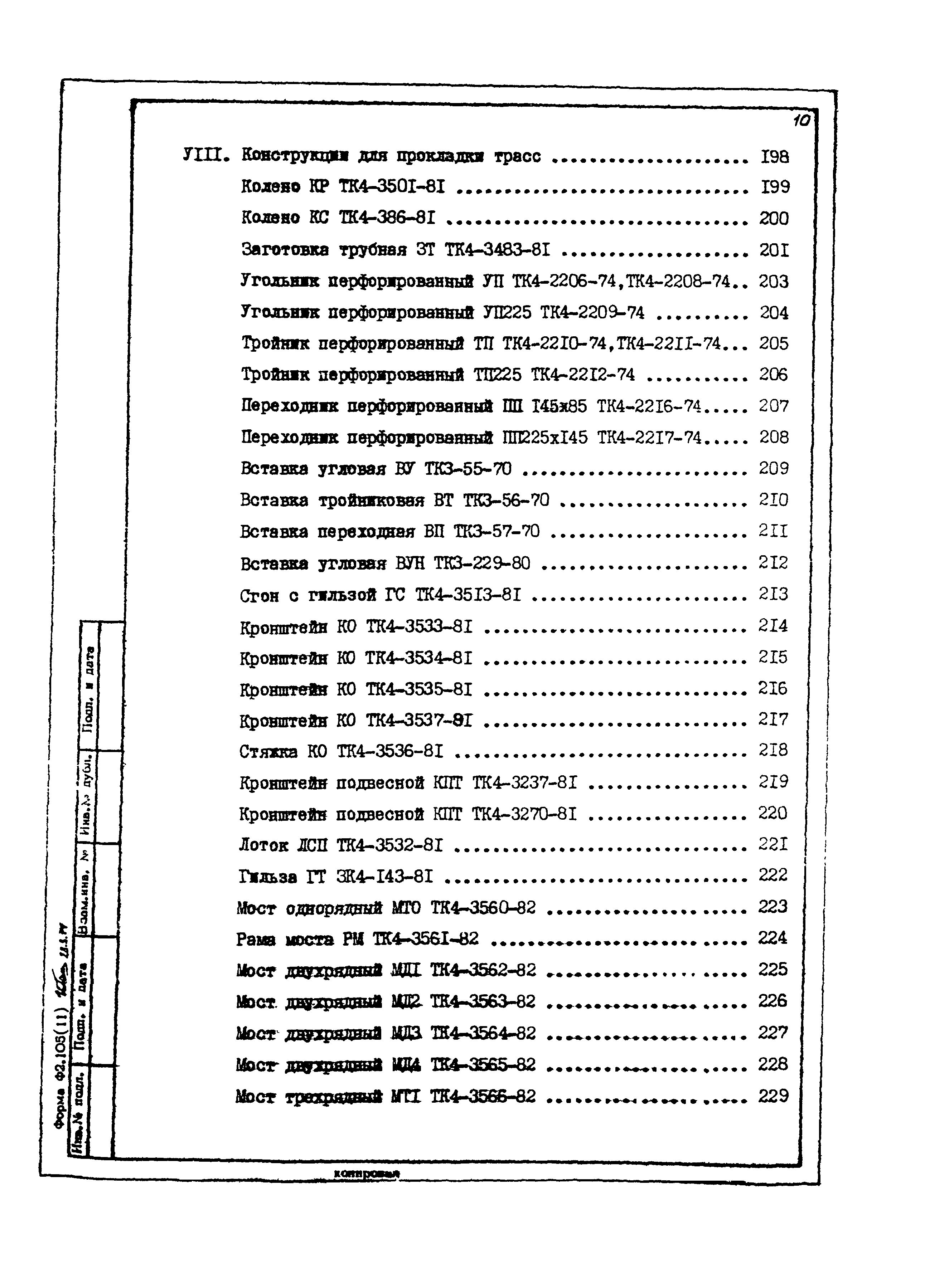
VIII. Конструкции для прокладки трасс
IX. Прочие изделия
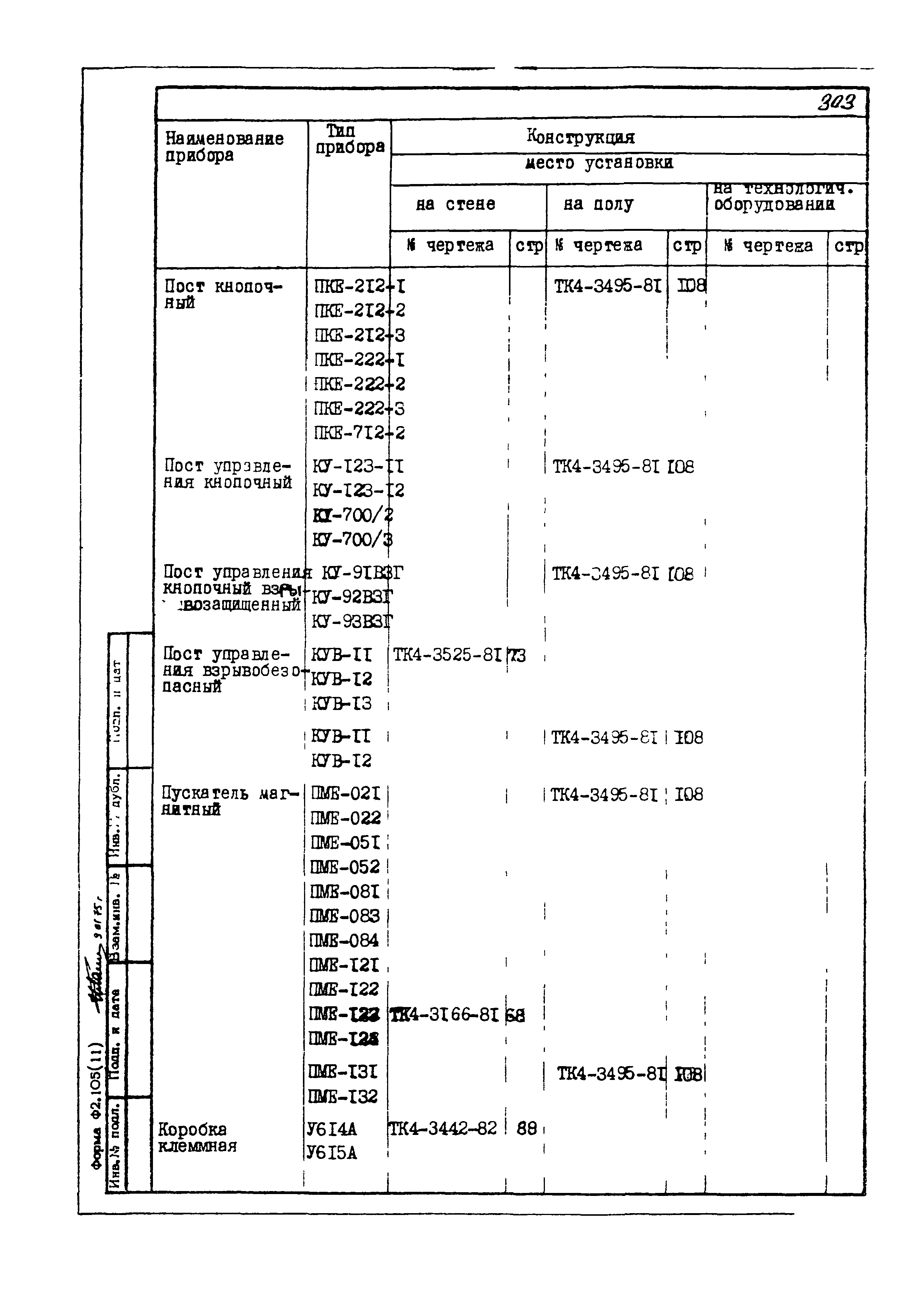
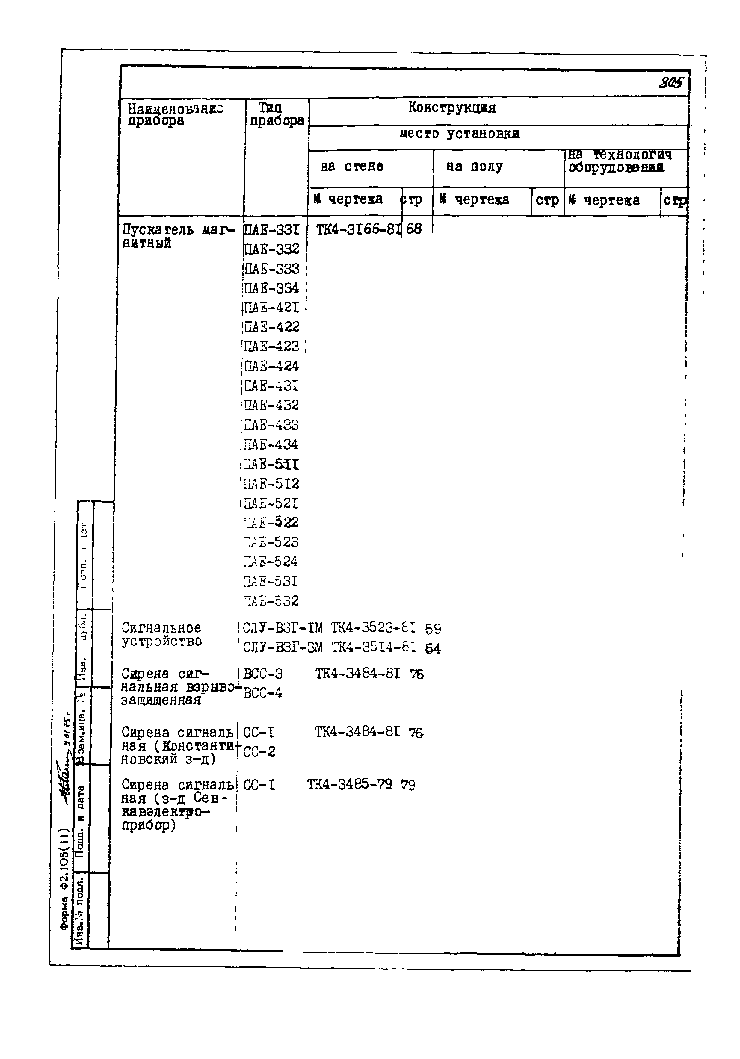
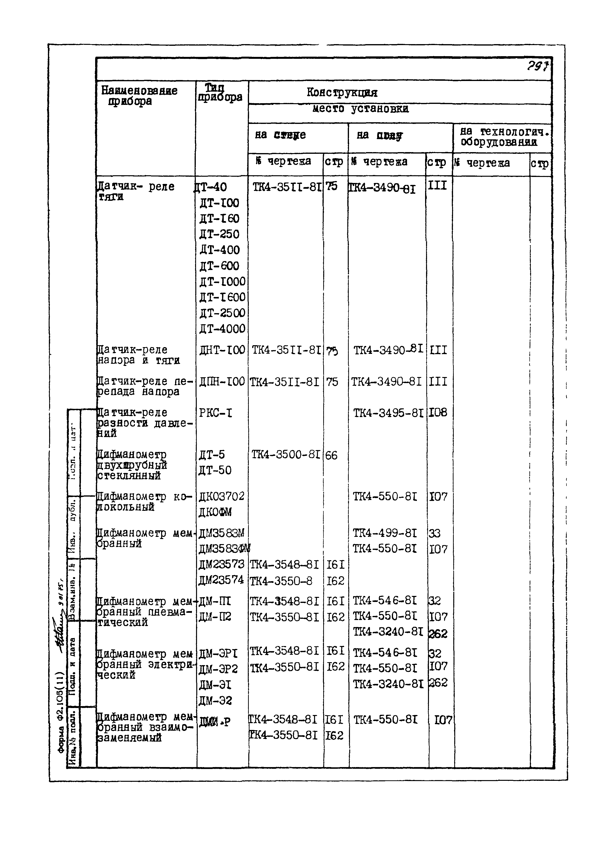
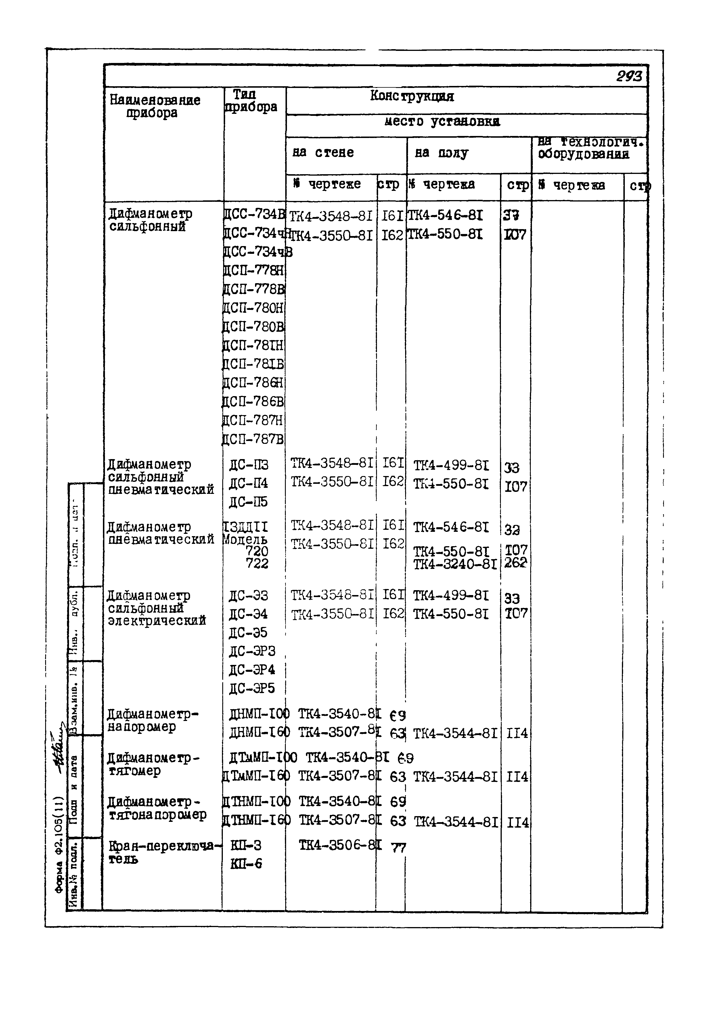
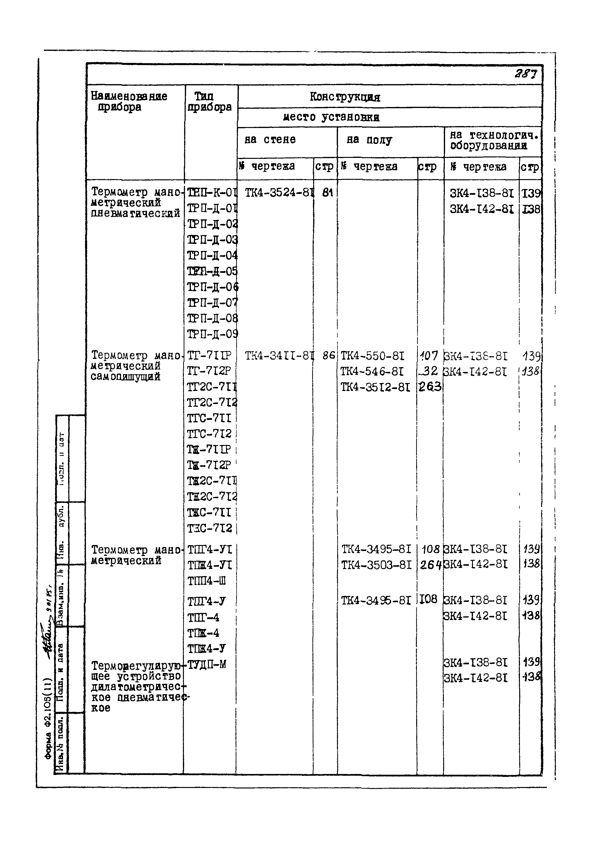
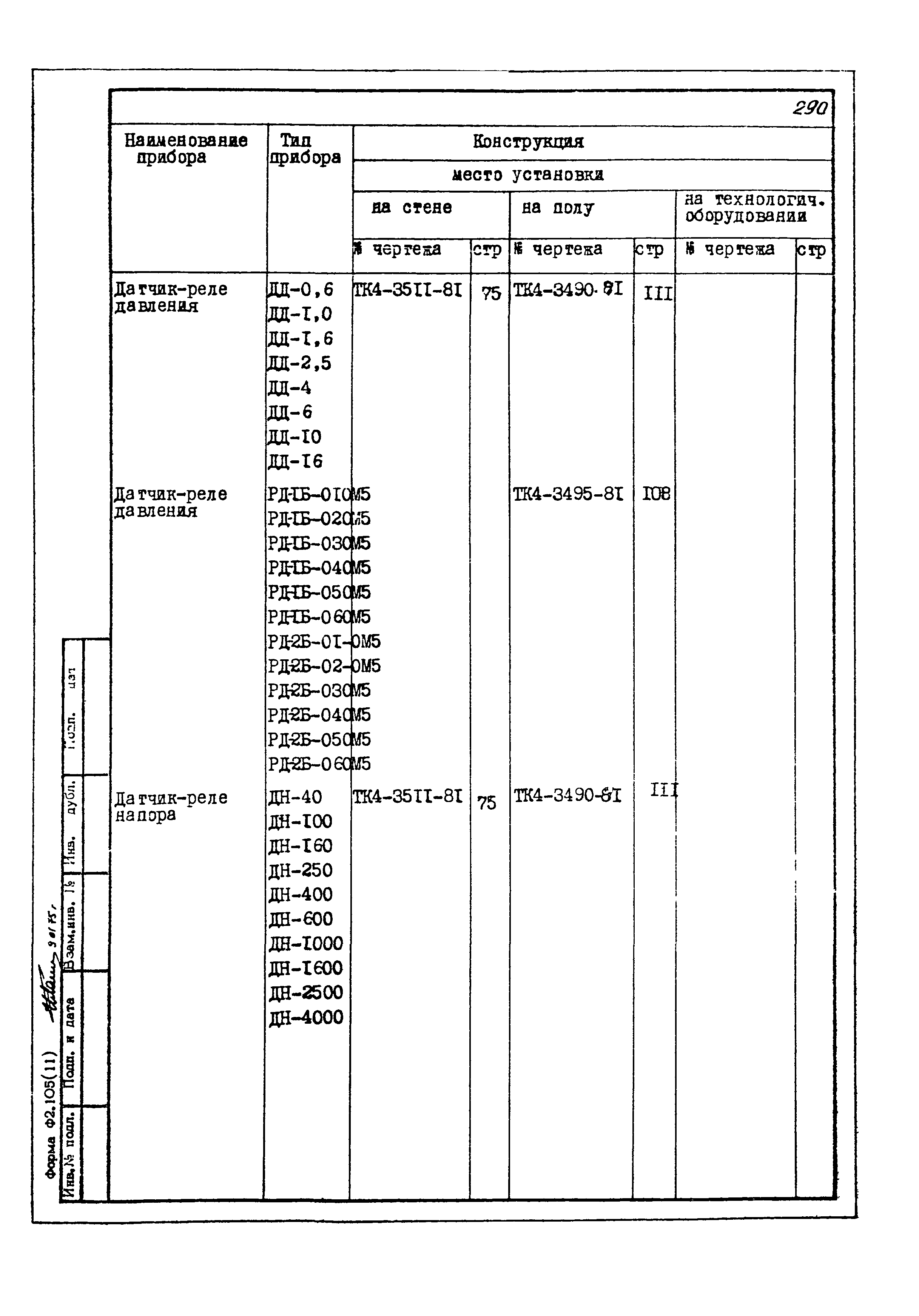
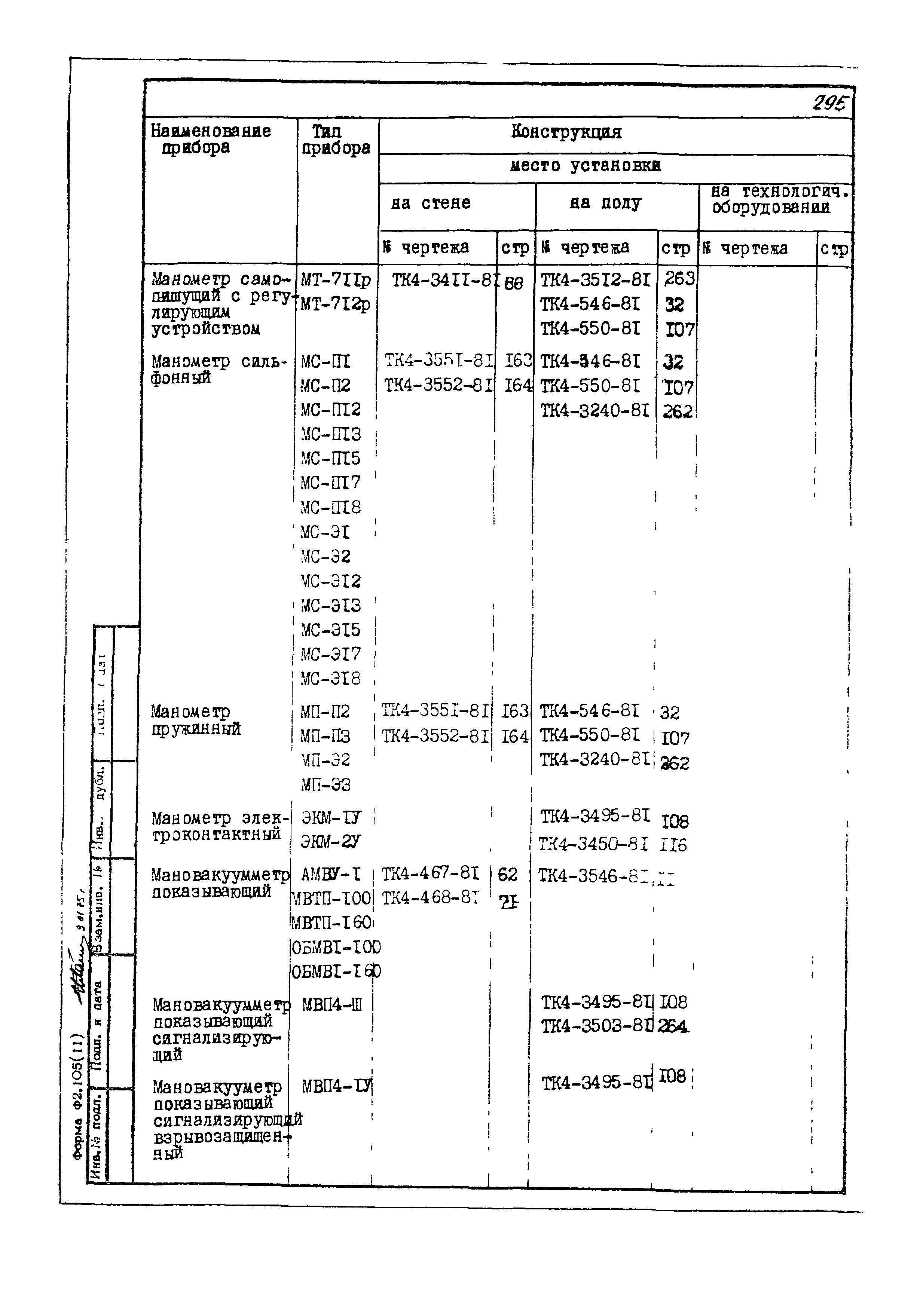
Приложение. Таблица выбора конструкций для установки приборов и средств автоматизации
Утверждён:27.07.1984 Главмонтажавтоматика