Скачать Шифр 27.0002 Одноцепные железобетонные опоры ВЛ 6-20 кВ с защищенными проводами с линейной арматурой ООО НИЛЕД-ТДДата актуализации: 01.01.2021 Шифр 27.0002
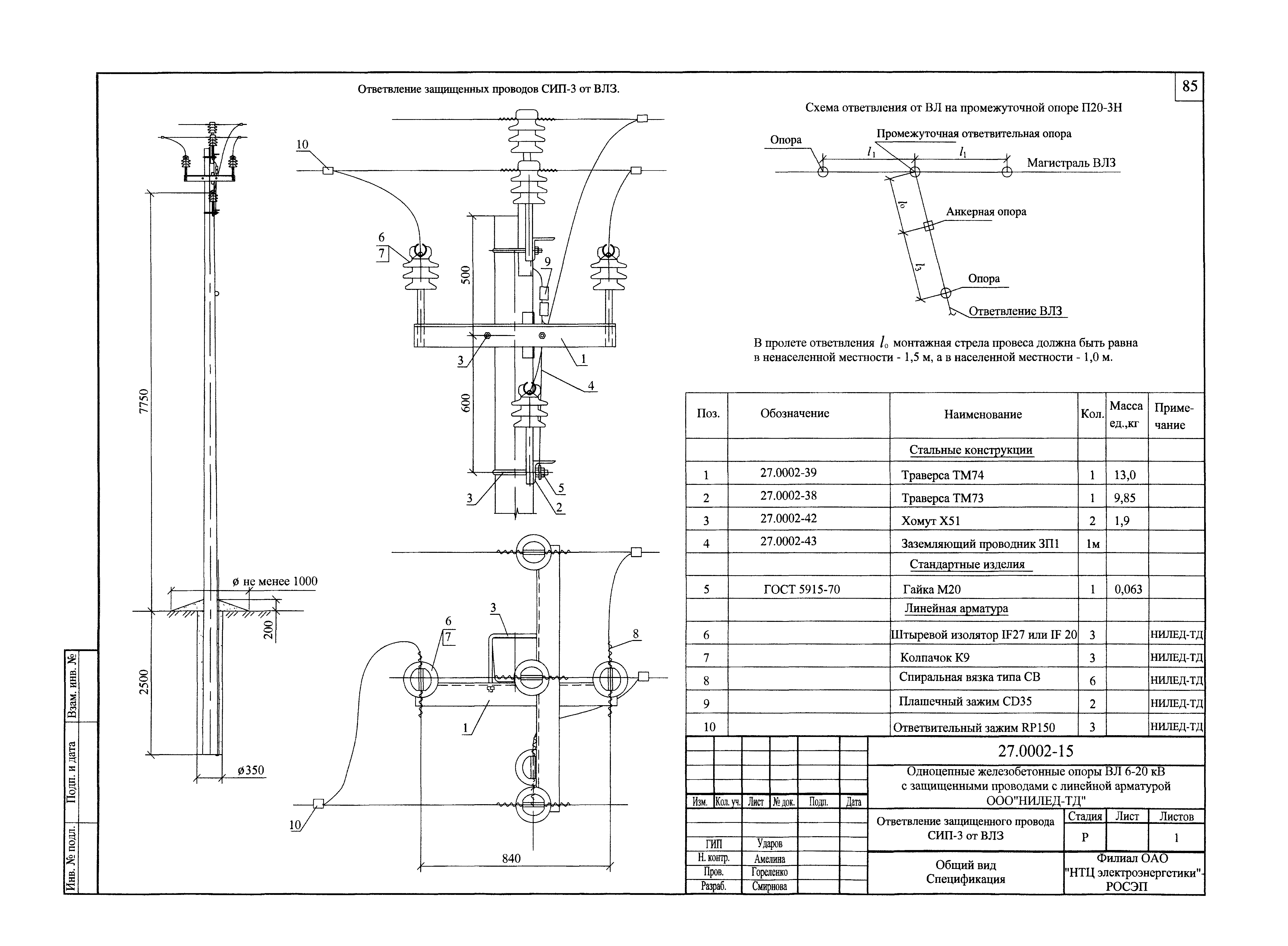
Одноцепные железобетонные опоры ВЛ 6-20 кВ с защищенными проводами с линейной арматурой ООО "НИЛЕД-ТД"| Обозначение: | Шифр 27.0002 | | Обозначение англ: | 27.0002 | | Статус: | не определен законодательством | | Название рус.: | Одноцепные железобетонные опоры ВЛ 6-20 кВ с защищенными проводами с линейной арматурой ООО "НИЛЕД-ТД" | | Дата добавления в базу: | 01.09.2013 | | Дата актуализации: | 01.01.2021 | | Дата введения: | 01.01.2007 | | Область применения: | В составе данного проекта разработаны одноцепные промежуточные, угловые промежуточные, анкерные, концевые, угловые анкерные, ответвительные анкерные и угловые ответвительные анкерные опоры ВЛ-6-20 кВ с защищенными проводами типа СИП-3 с линейной арматурой "НИЛЕД-ТД" | | Разработан: | Филиал ОАО НТЦ электроэнергетики - РОСЭП
| | Утверждён: | 01.01.2007 ОАО РАО ЕЭС России (UES of Russia RAO OAO )
|
                                                                                      
|