Скачать Альбом 3. Установка электрооборудования на опорах ВЛ 10 кВ (дополнение к проекту 3.407.1-143.4). Корректировка типовой документации

Дата актуализации: 01.01.2021

Альбом 3. Установка электрооборудования на опорах ВЛ 10 кВ (дополнение к проекту 3.407.1-143.4). Корректировка типовой документации

Статус:не определен законодательством
Название рус.:Альбом 3. Установка электрооборудования на опорах ВЛ 10 кВ (дополнение к проекту 3.407.1-143.4). Корректировка типовой документации
Дата добавления в базу:01.09.2013
Дата актуализации:01.01.2021
Дата введения:01.10.1989
Дата окончания срока действия:30.06.2003
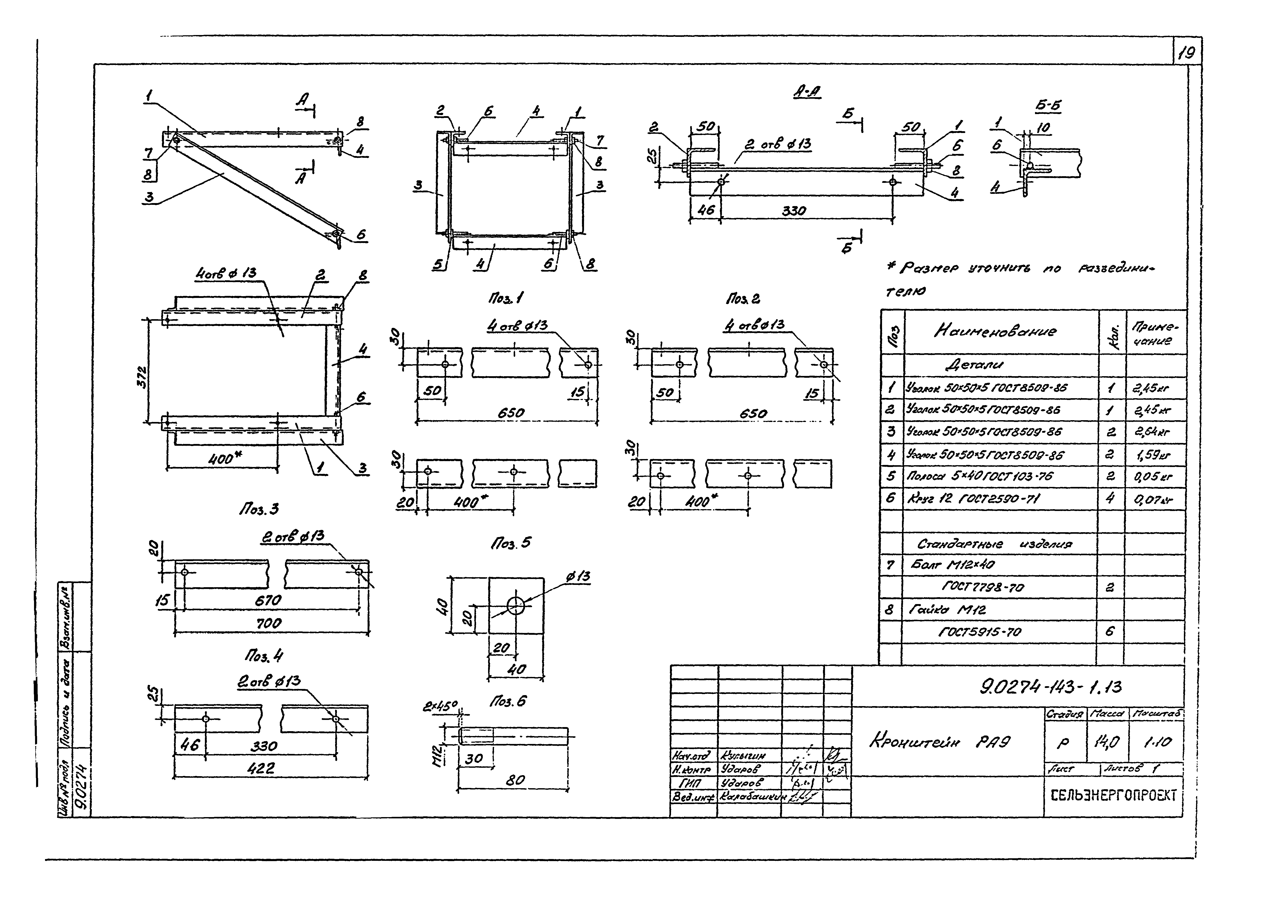
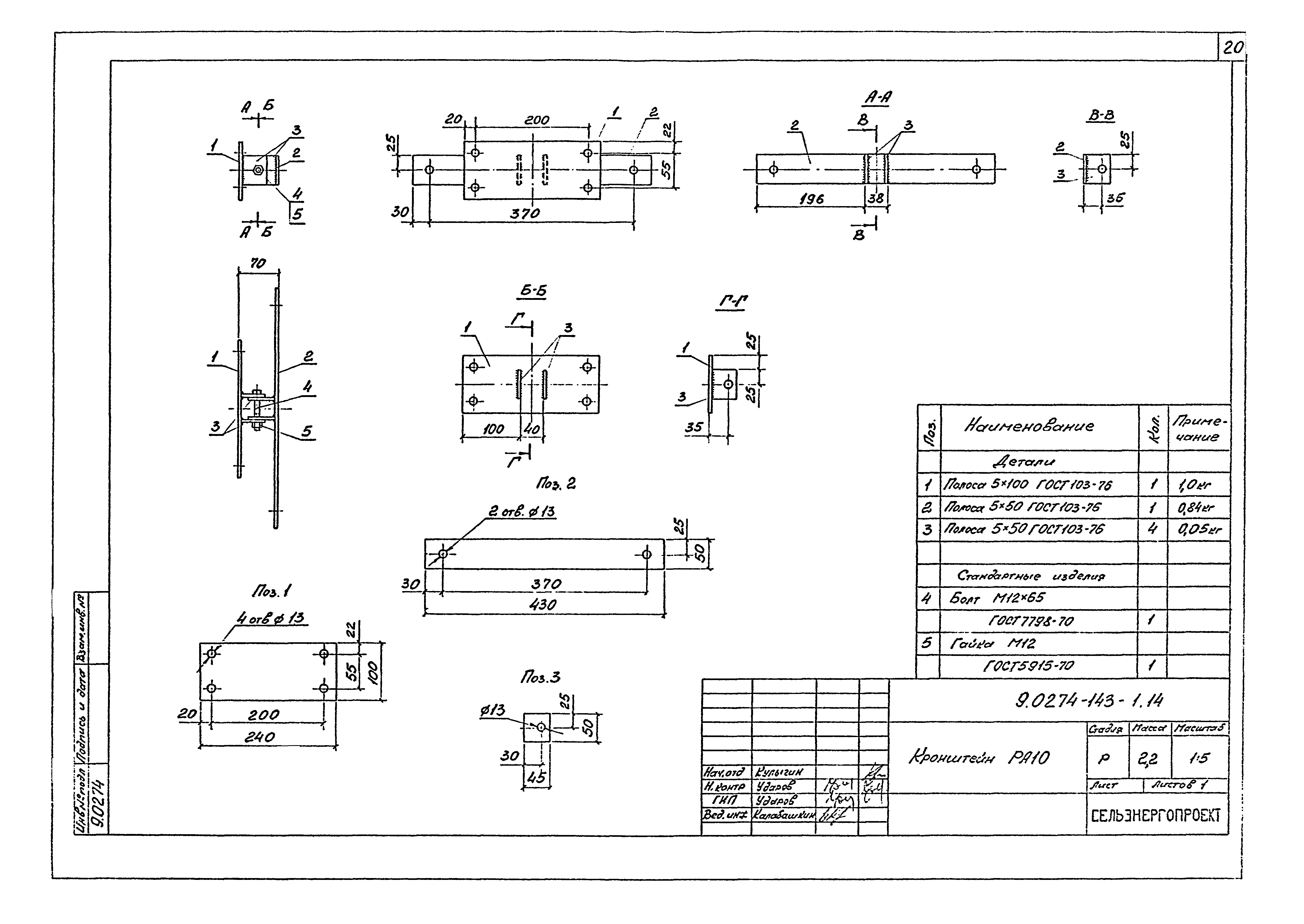
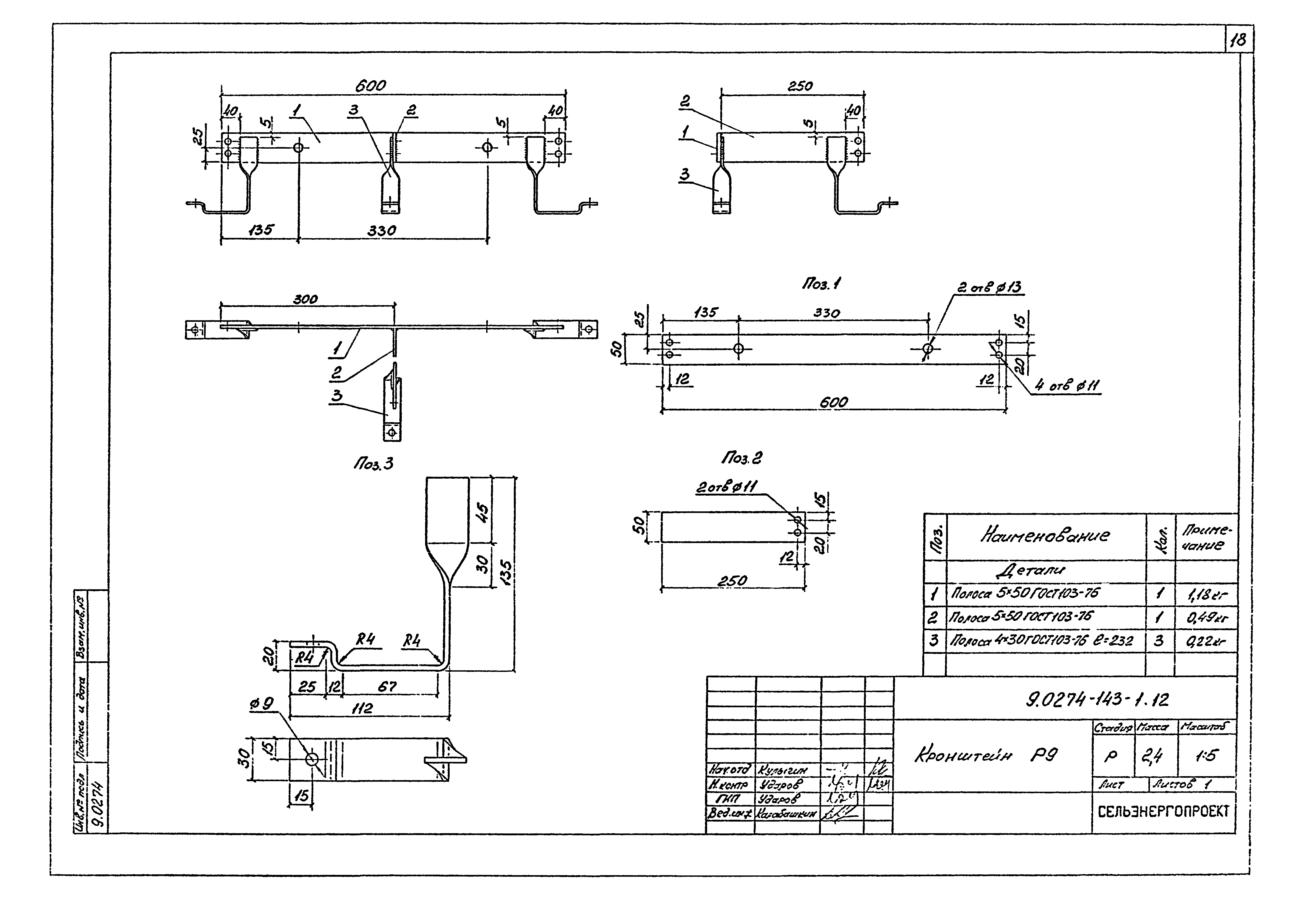
Область применения:В данном выпуске разработаны чертежи устройств ответвления от промежуточной и анкерной опоры а также установки электрооборудования на промежуточных и анкерных опорах, разработанных в 4 выпуске типовой серии 3.407.1-143
Разработан: Сельэнергопроект Минэнерго СССР
Утверждён: Сельэнергопроект