Скачать Серия 3.015-3/82 Выпуск II-5. Часть 1. Сборные железобетонные колонны и траверсы. Вариант армирования сталью класса Aт-IVс. Арматурные изделия. Рабочие чертежиДата актуализации: 01.01.2021
|
| Обозначение: | Серия 3.015-3/82 |
| Обозначение англ: | Series 3.015-3/82 |
| Статус: | не действует |
| Название рус.: | Выпуск II-5. Часть 1. Сборные железобетонные колонны и траверсы. Вариант армирования сталью класса Aт-IVс. Арматурные изделия. Рабочие чертежи |
| Дата добавления в базу: | 01.09.2013 |
| Дата актуализации: | 01.01.2021 |
| Дата введения: | 01.07.1989 |
| Дата окончания срока действия: | 01.05.1994 |
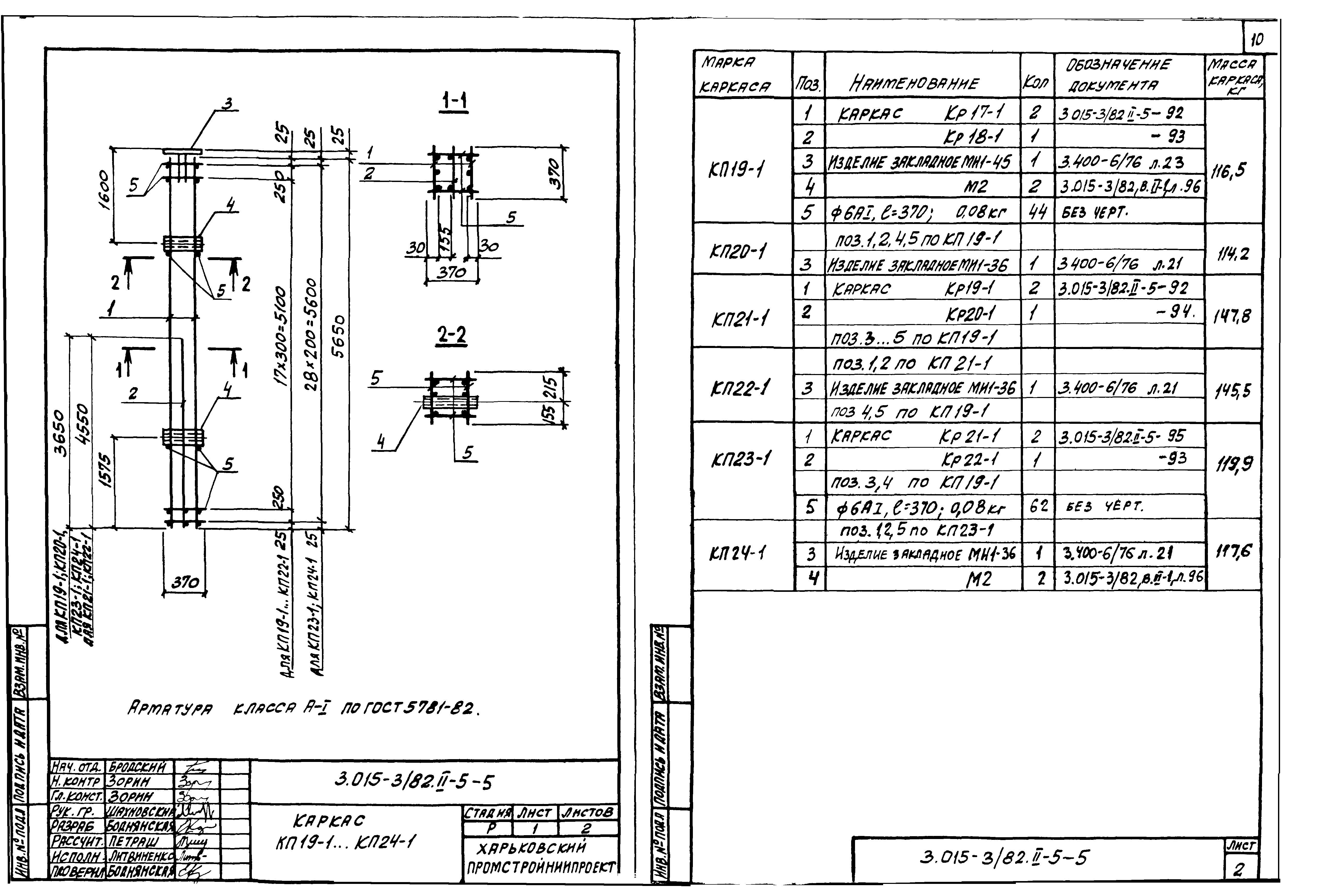
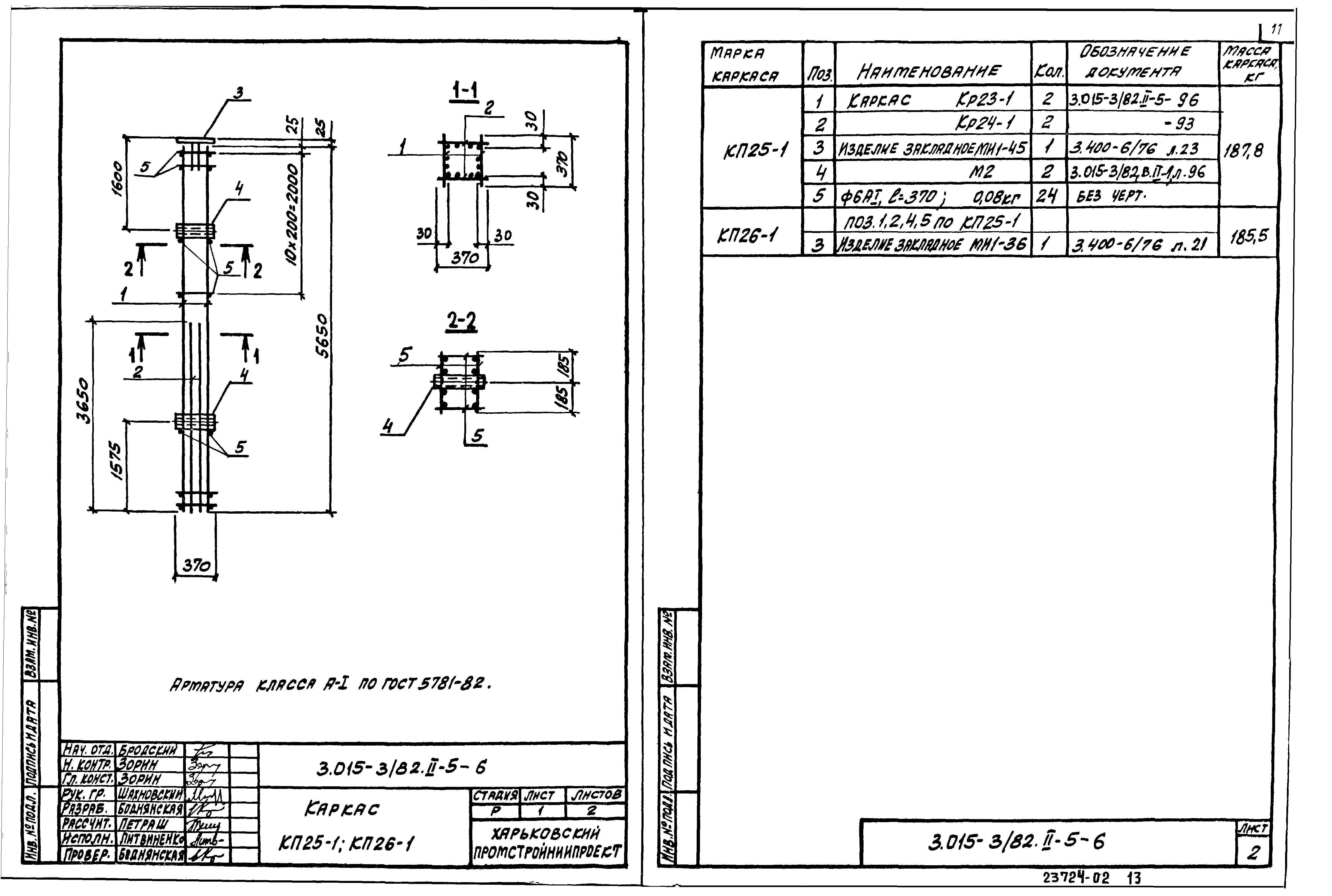
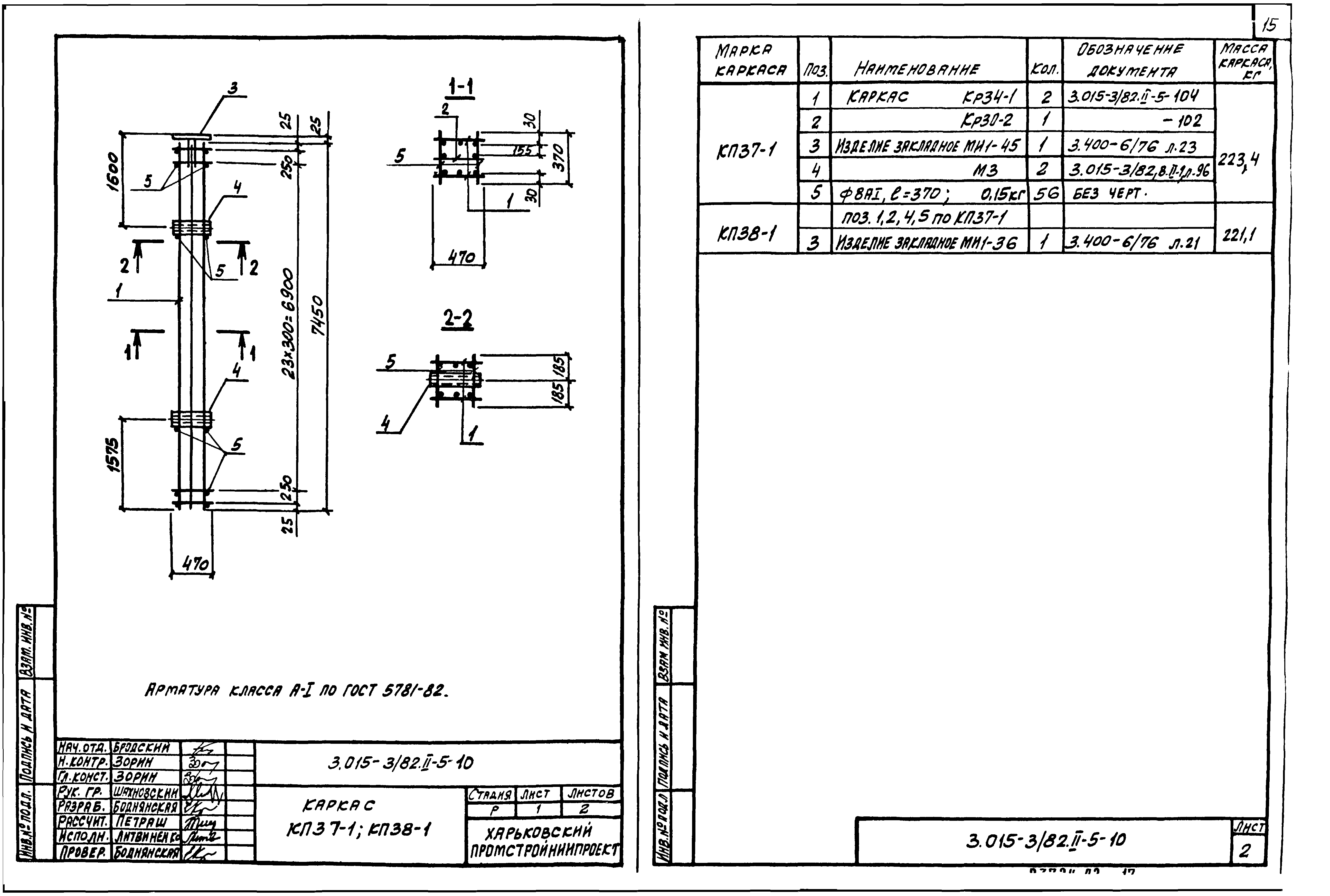
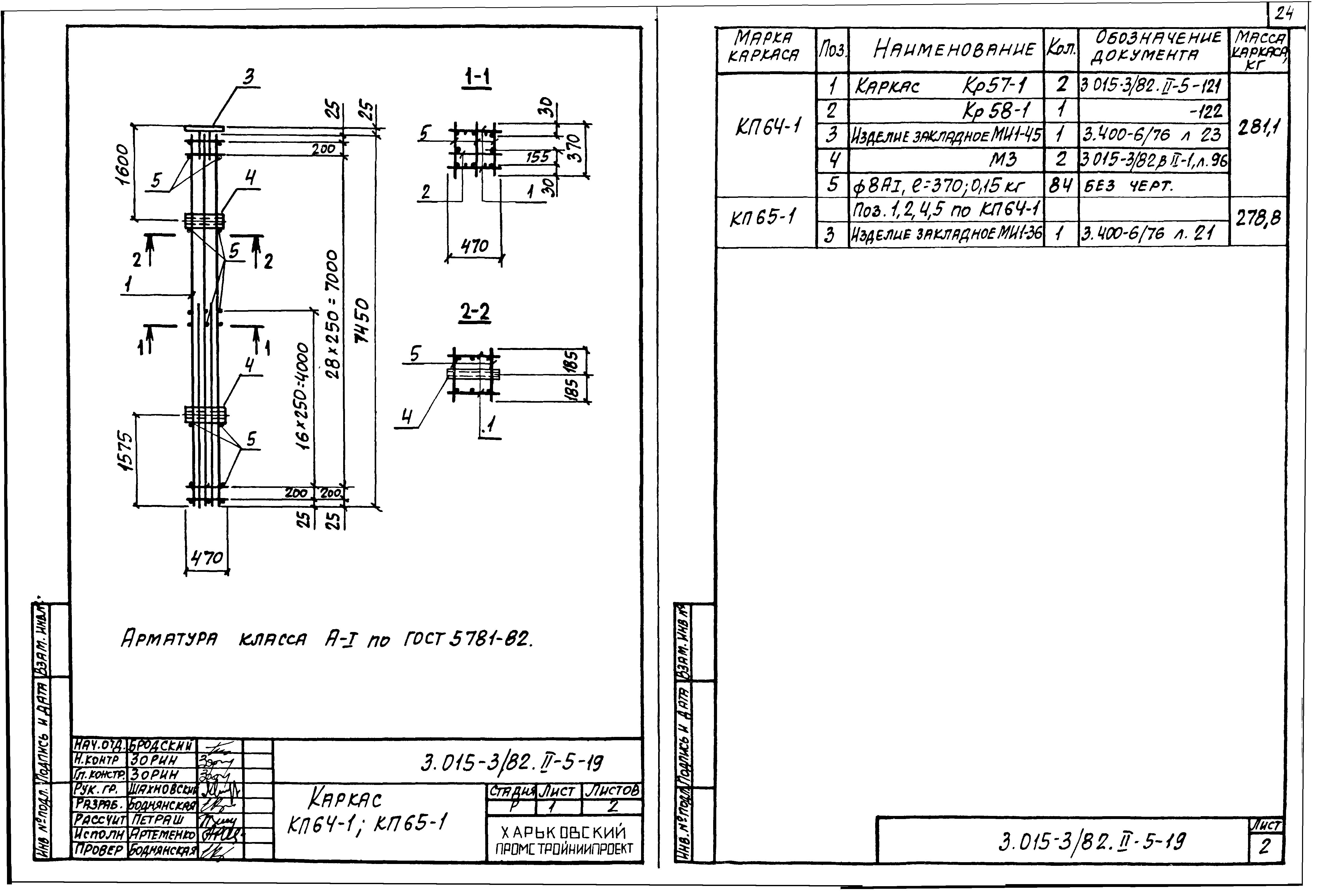
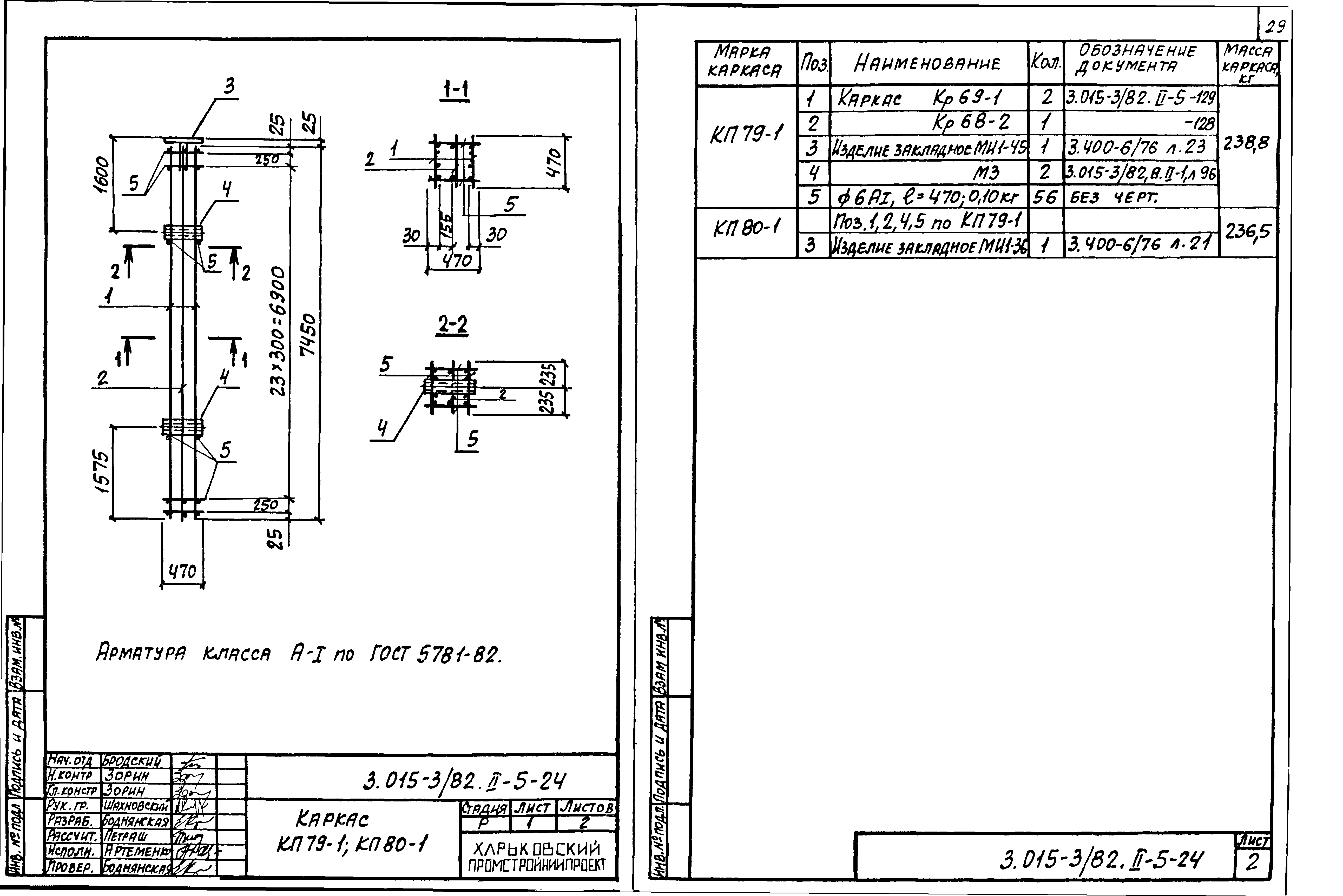
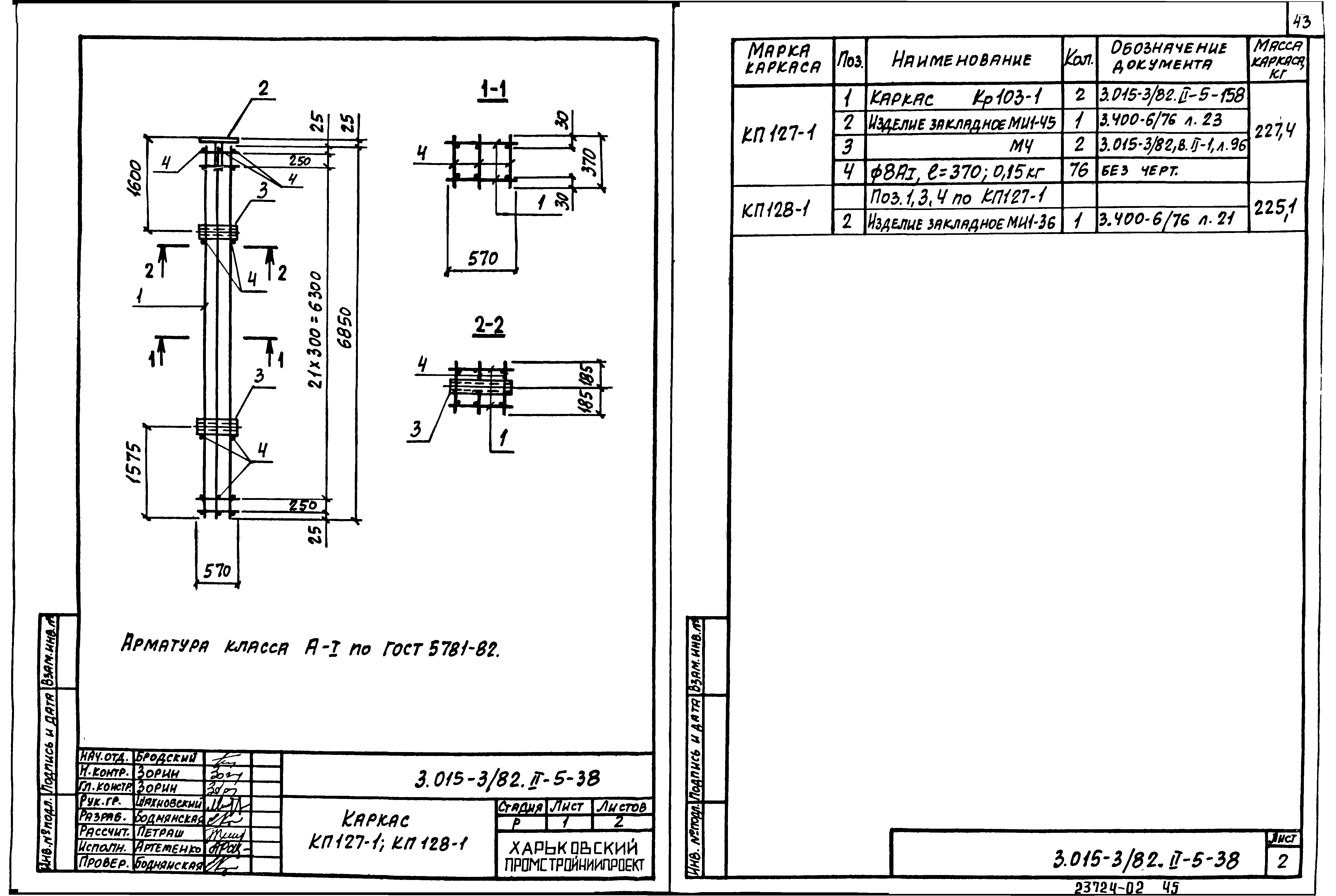
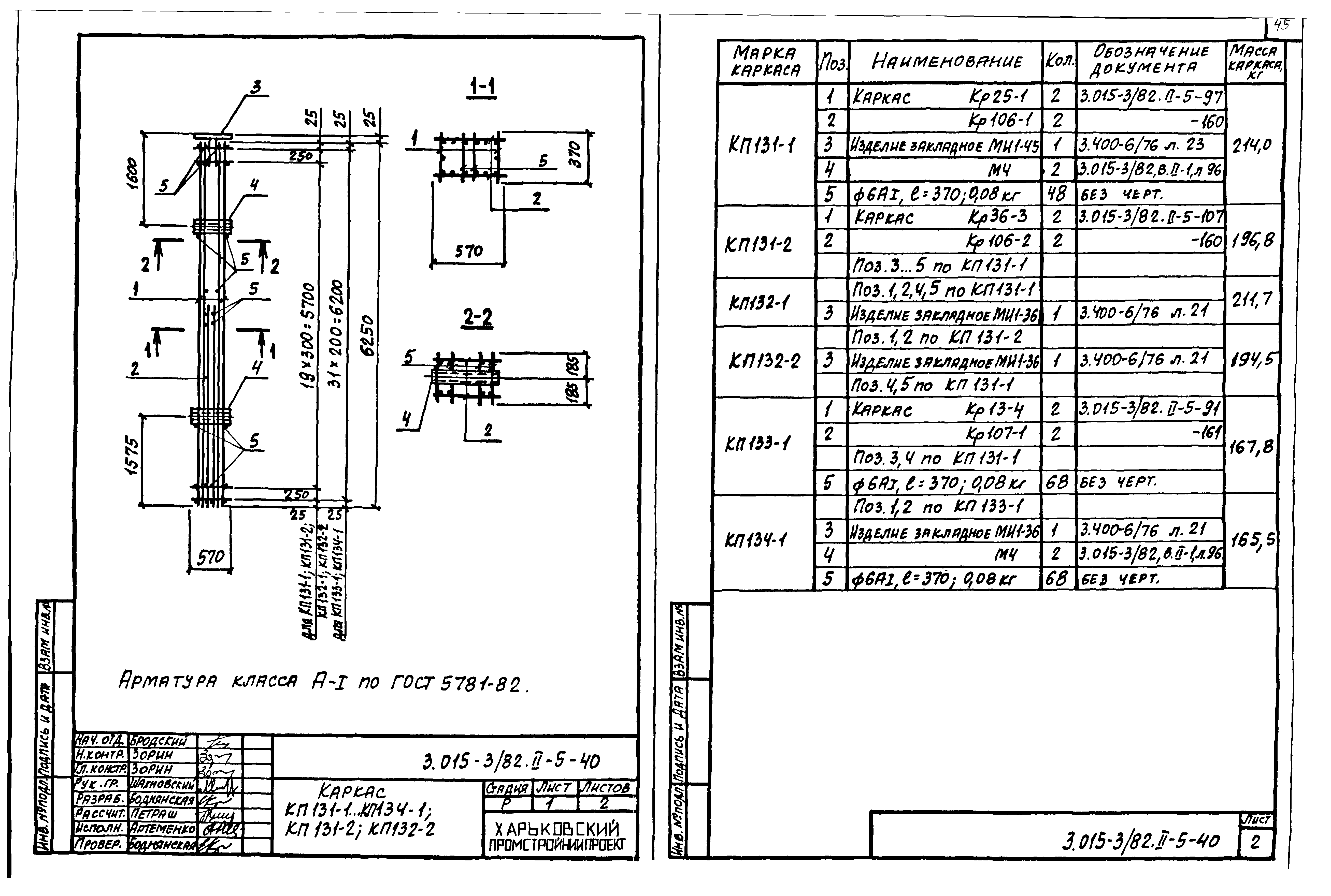
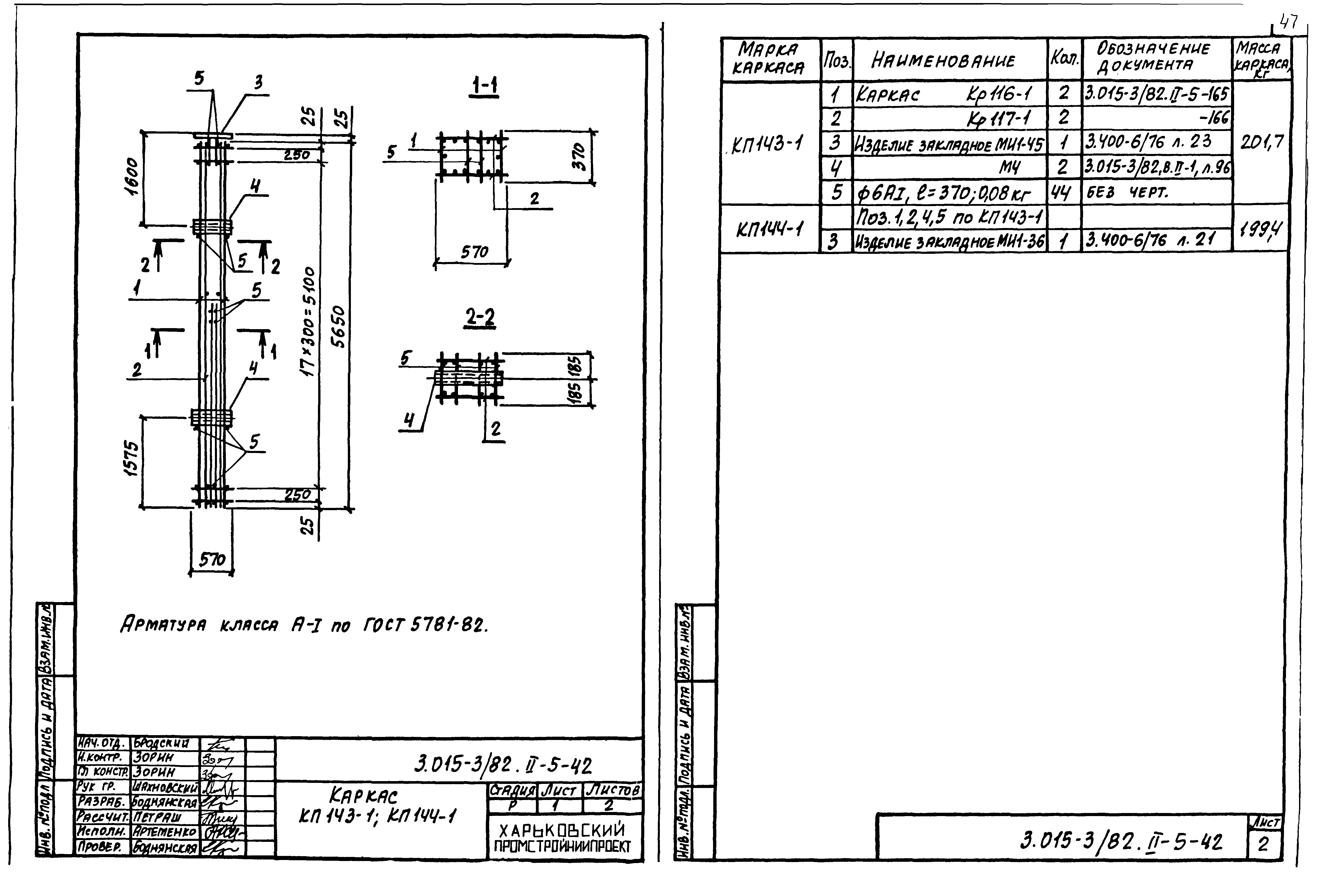
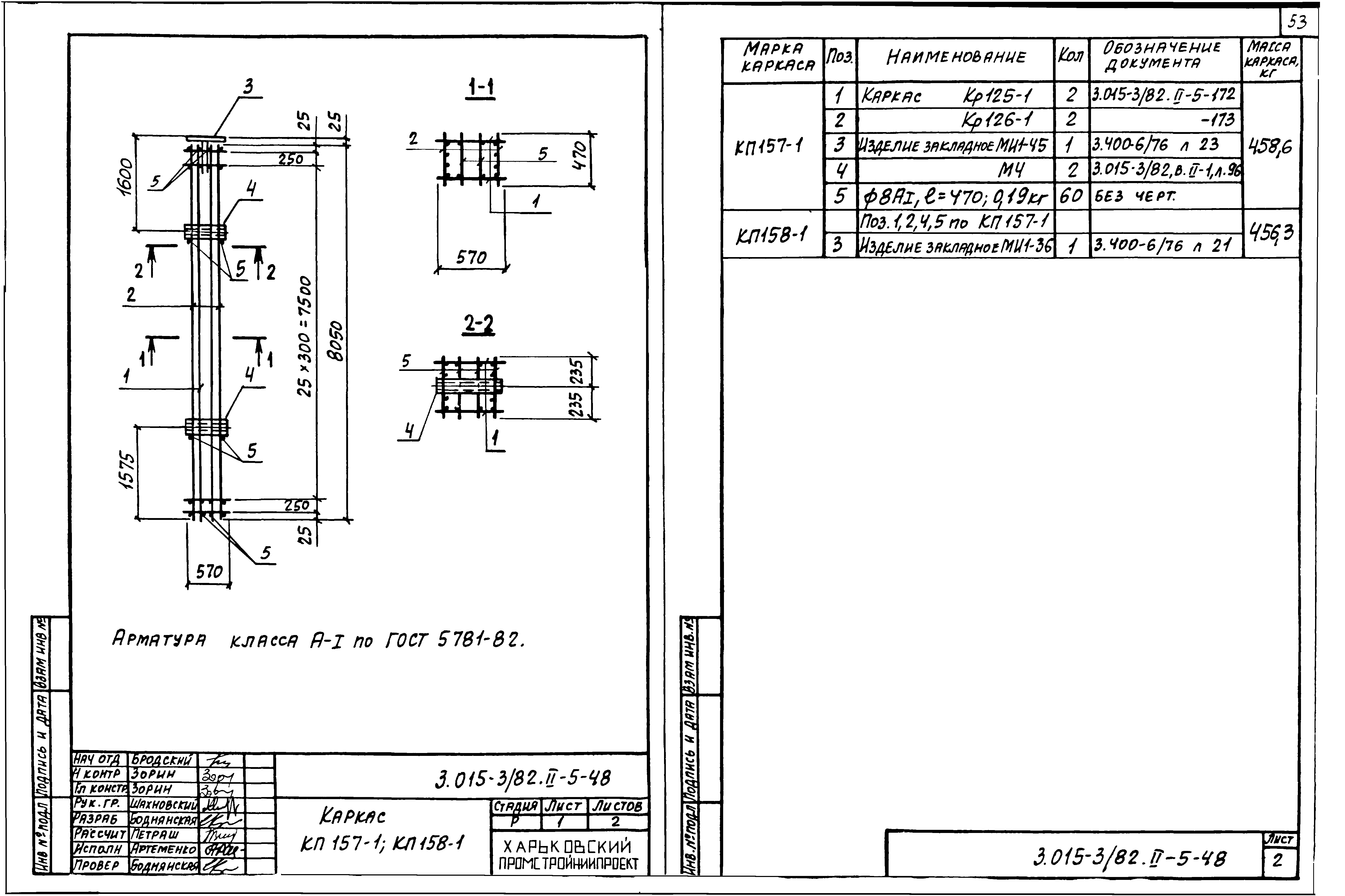
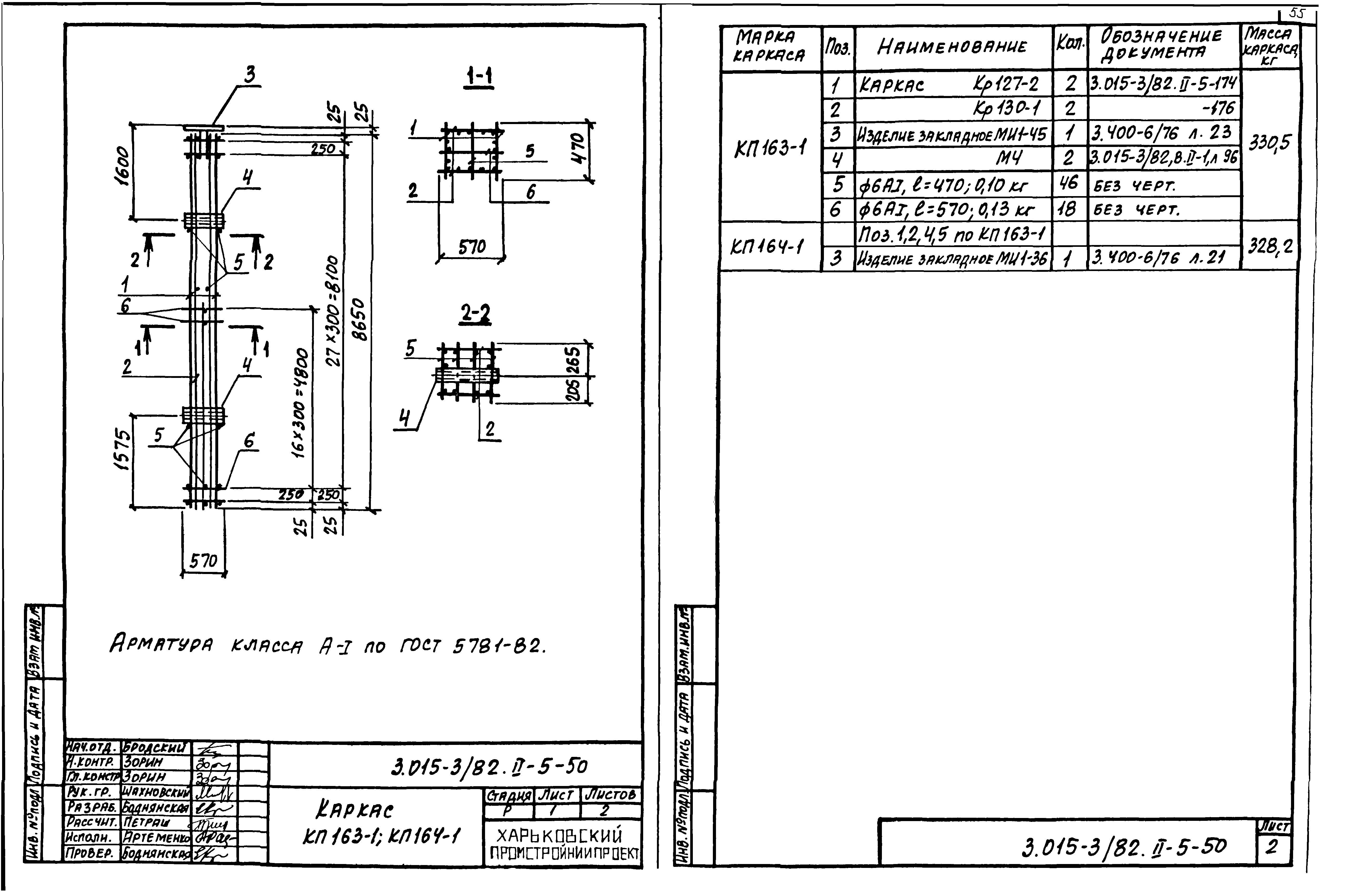
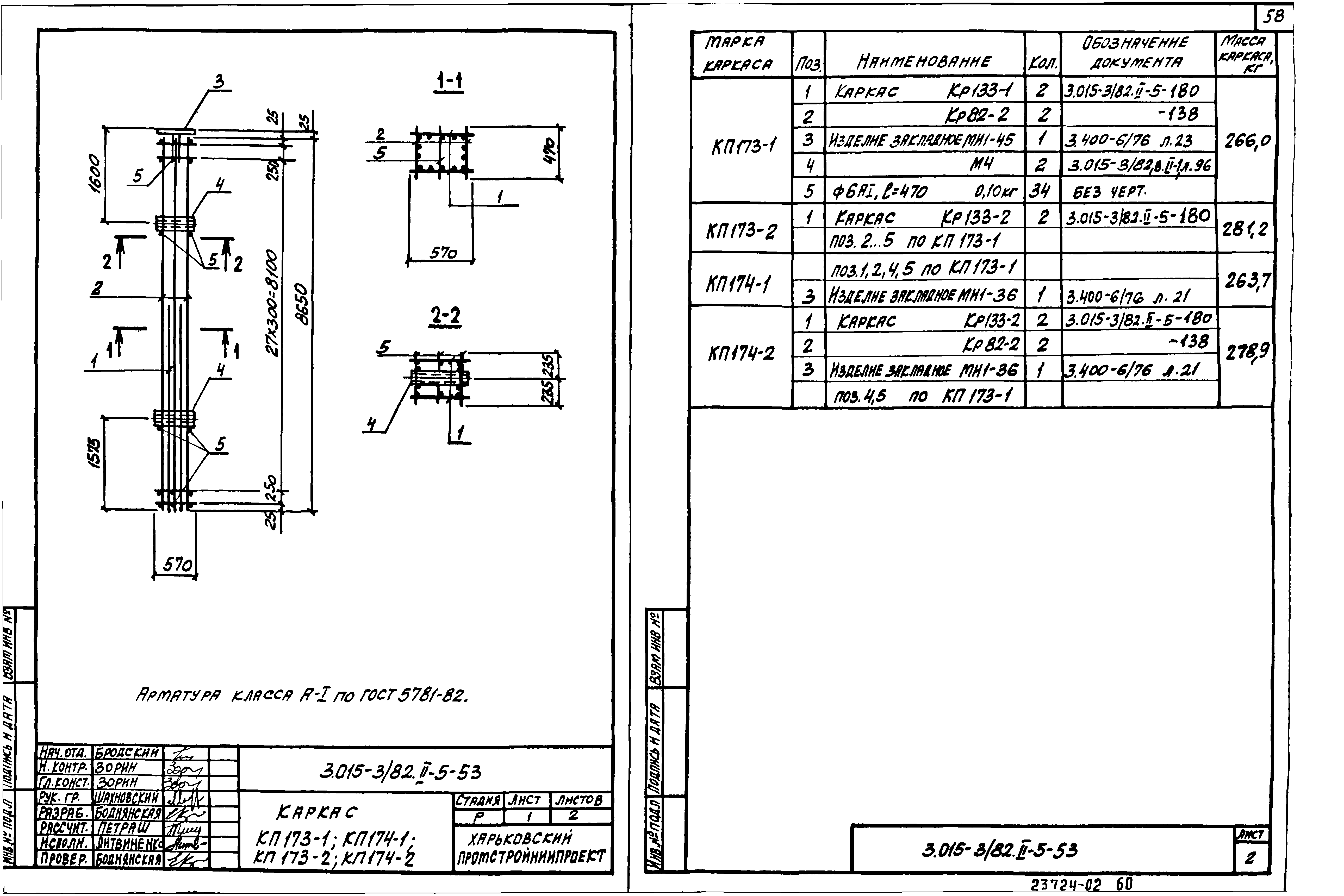
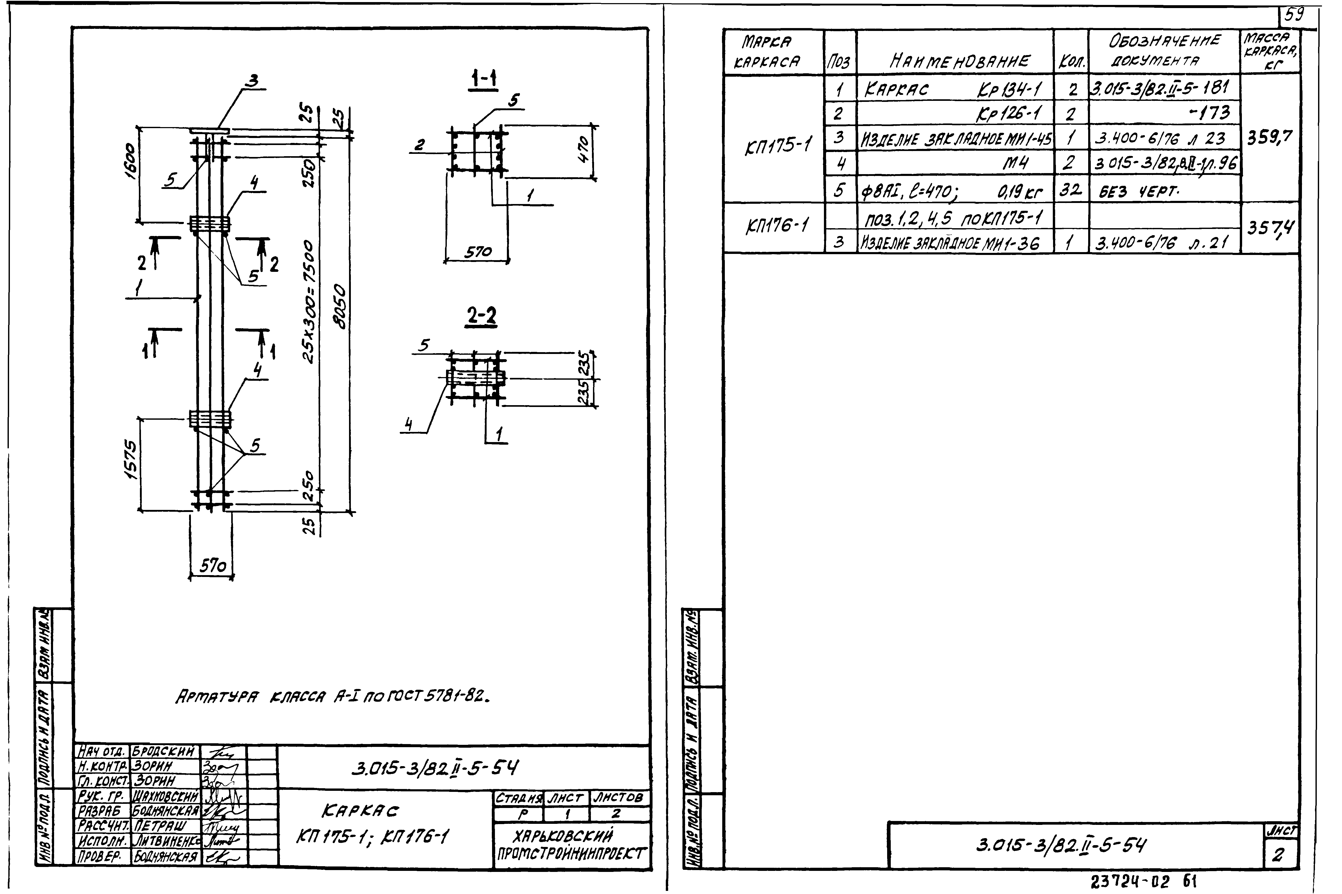
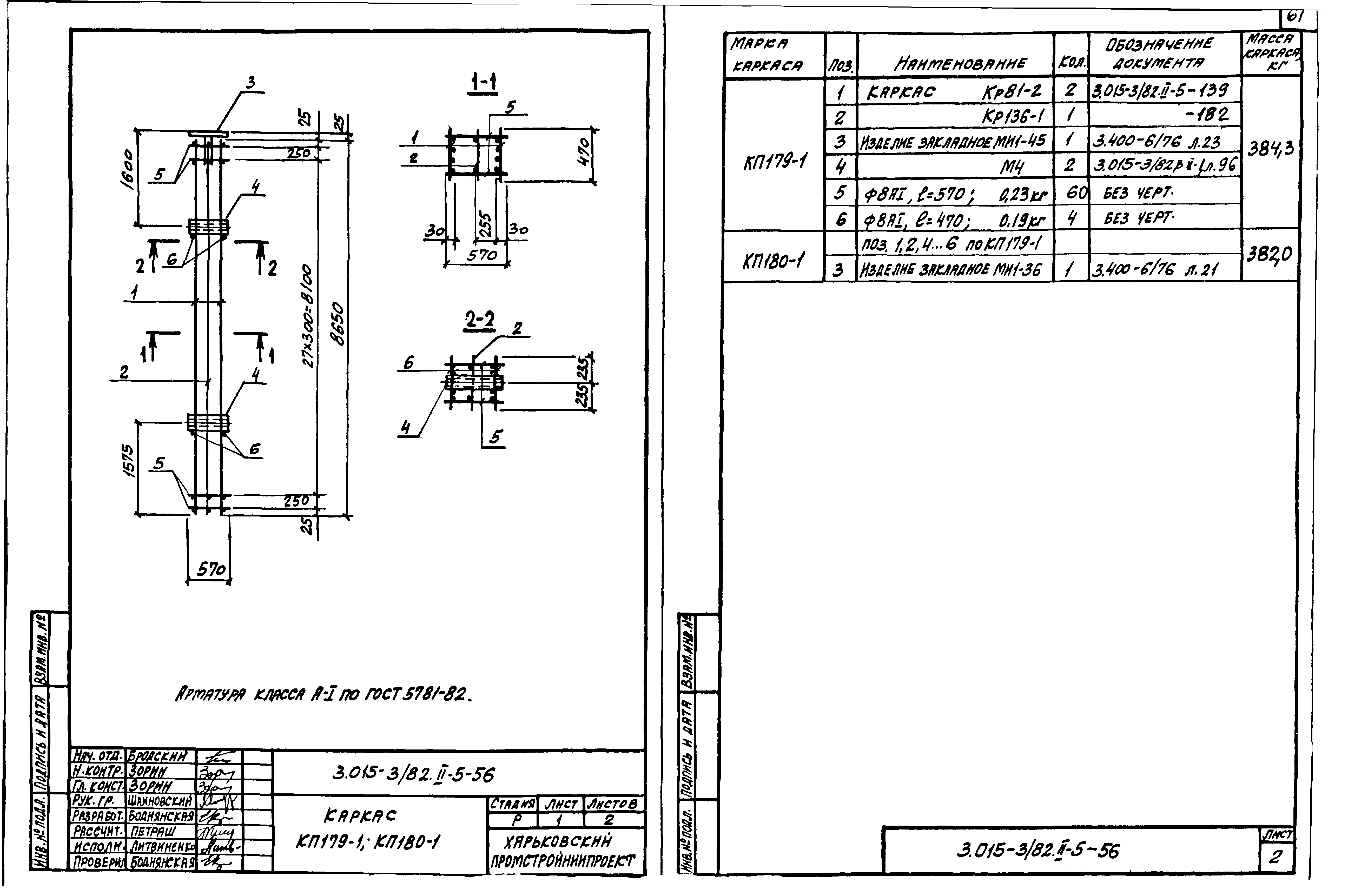
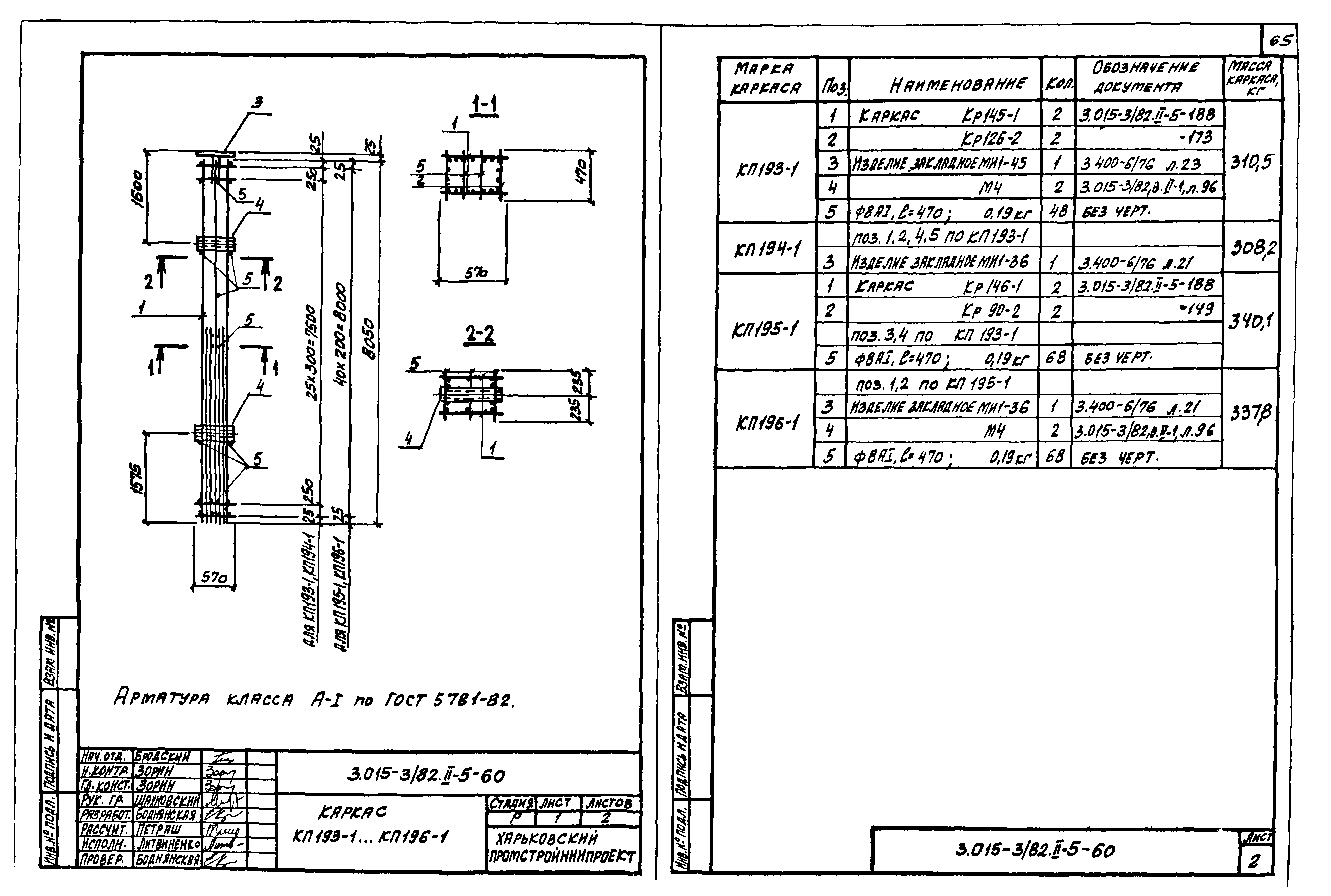
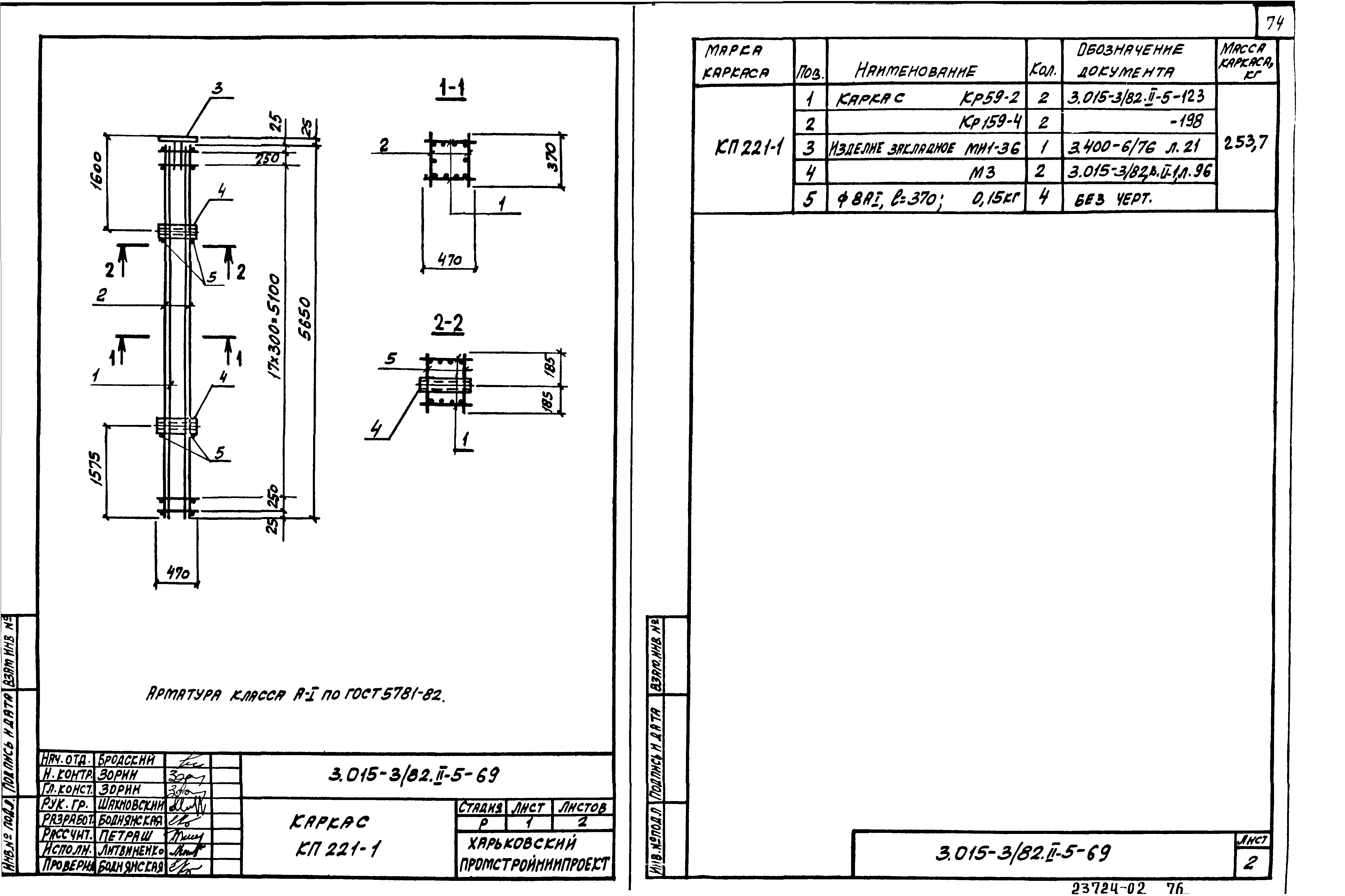
| Оглавление: | 3.015-3/82.II-5-ТТ Технические требования 3.015-3/82.II-5-1 Каркас КП1-1;КП1-2;КП2-1;КП2-2;КП3-1;КП4-1 3.015-3/82.II-5-2 Каркас КП5-1;КП6-1 3.015-3/82.II-5-3 Каркас КП7-1…КП10-1 3.015-3/82.II-5-4 Каркас КП11-1…КП18-1 3.015-3/82.II-5-5 Каркас КП19-1…КП24-1 3.015-3/82.II-5-6 Каркас КП25-1,КП26-1 3.015-3/82.II-5-7 Каркас КП27-1…КП27-4,КП28-1…КП28-4 3.015-3/82.II-5-8 Каркас КП29-1;КП30-1 3.015-3/82.II-5-9 Каркас КП31-1…КП36-1 3.015-3/82.II-5-10 Каркас КП37-1;КП38-1 3.015-3/82.II-5-11 Каркас КП39-1;КП40-1 3.015-3/82.II-5-12 Каркас КП41-1,КП42-1,КП45-1,КП46-1 3.015-3/82.II-5-13 Каркас КП43-1,КП44-1 3.015-3/82.II-5-14 Каркас КП47-1…КП50-1,КП47-2;КП48-2 3.015-3/82.II-5-15 Каркас КП51-1…КП54-1;КП51-2…КП54-2 3.015-3/82.II-5-16 Каркас КП55-1…КП57-1 3.015-3/82.II-5-17 Каркас КП58-1…КП61-1 3.015-3/82.II-5-18 Каркас КП62-1;КП63-1 3.015-3/82.II-5-19 Каркас КП64-1;КП65-1 3.015-3/82.II-5-20 Каркас КП66-1;КП67-1,КП73-1,КП74-1 3.015-3/82.II-5-21 Каркас КП68-1...КП72-1 3.015-3/82.II-5-22 Каркас КП75-1,КП76-1 3.015-3/82.II-5-23 Каркас КП77-1,КП78-1 3.015-3/82.II-5-24 Каркас КП79-1,КП80-1 3.015-3/82.II-5-25 Каркас КП81-1...КП84-1,КП81-2,КП82-2 3.015-3/82.II-5-26 Каркас КП85-1,КП86-1 3.015-3/82.II-5-27 Каркас КП87-1;КП88-1;КП91-1;КП91-2;КП92-1;КП92-2 3.015-3/82.II-5-28 Каркас КП89-1,КП90-1 3.015-3/82.II-5-29 Каркас КП93-1...КП96-1,КП93-2,КП94-2 3.015-3/82.II-5-30 Каркас КП97-1;КП98-1 3.015-3/82.II-5-31 Каркас КП99-1;КП99-2;КП100-1;КП100-2;КП105-1;КП106-1 3.015-3/82.II-5-32 Каркас КП101-1...КП104-1 3.015-3/82.II-5-33 Каркас КП107-1...КП110-1 3.015-3/82.II-5-34 Каркас КП111-1...КП114-1 3.015-3/82.II-5-35 Каркас КП115-1...КП120-1 3.015-3/82.II-5-36 Каркас КП121-1;КП122-1 3.015-3/82.II-5-37 Каркас КП123-1...КП126-1 3.015-3/82.II-5-38 Каркас КП127-1;КП128-1 3.015-3/82.II-5-39 Каркас КП129-1;КП130-1 3.015-3/82.II-5-40 Каркас КП131-1...КП134-1,КП131-2,КП132-2 3.015-3/82.II-5-41 Каркас КП135-1...КП142-1 3.015-3/82.II-5-42 Каркас КП143-1;КП144-1 3.015-3/82.II-5-43 Каркас КП145-1;КП146-1 3.015-3/82.II-5-44 Каркас КП147-1;КП148-1 3.015-3/82.II-5-45 Каркас КП149-1...КП152-1 3.015-3/82.II-5-46 Каркас КП153-1;КП154-1 3.015-3/82.II-5-47 Каркас КП155-1;КП155-2;КП136-1;КП156-2;КП159-1;КП160-1 3.015-3/82.II-5-48 Каркас КП157-1;КП158-1 3.015-3/82.II-5-49 Каркас КП161-1;КП162-1 3.015-3/82.II-5-50 Каркас КП163-1;КП164-1 3.015-3/82.II-5-51 Каркас КП165-1...КП165-3,КП166-1…КП168-1 3.015-3/82.II-5-52 Каркас КП169-1;КП169-2;КП170-1;КП170-2;КП171-1;КП172-1 3.015-3/82.II-5-53 Каркас КП173-1,КП174-1,КП173-2,КП174-2 3.015-3/82.II-5-54 Каркас КП175-1;КП176-1 3.015-3/82.II-5-55 Каркас КП177-1;КП178-1;КП181-1;КП182-1 3.015-3/82.II-5-56 Каркас КП179-1;КП180-1 3.015-3/82.II-5-57 Каркас КП183-1...КП186-1 3.015-3/82.II-5-58 Каркас КП187-1...КП190-1 3.015-3/82.II-5-59 Каркас КП191-1...КП192-1 3.015-3/82.II-5-60 Каркас КП193-1...КП196-1 3.015-3/82.II-5-61 Каркас КП197-1;КП198-1 3.015-3/82.II-5-62 Каркас КП199-1;КП199-2;КП200-1;КП200-2;КП201-1;КП202-1 3.015-3/82.II-5-63 Каркас КП203-1;КП203-2;КП204-1;КП204-2;КП205-1;КП205;КП206-1;КП206-2 3.015-3/82.II-5-64 Каркас КП207-1...КП210-1 3.015-3/82.II-5-65 Каркас КП211-1;КП212-1 3.015-3/82.II-5-66 Каркас КП213-1;КП213-2;214-1;214-2;КП215-1;КП215-2;КП216-1;КП216-2 3.015-3/82.II-5-67 Каркас КП217-1...КП217-3;КП218-1…КП218-3;КП219-1 3.015-3/82.II-5-68 Каркас КП220-1;КП222-1;КП222-2;КП223-1;КП223-2 3.015-3/82.II-5-69 Каркас КП221-1 3.015-3/82.II-5-70 Каркас КП224-1…КП226-1 3.015-3/82.II-5-71 Каркас КП227-1 3.015-3/82.II-5-72 Каркас КП228-1 3.015-3/82.II-5-73 Каркас КП229-1 3.015-3/82.II-5-74 Каркас КП230-1 3.015-3/82.II-5-75 Каркас КП231-1 3.015-3/82.II-5-76 Каркас КП232-1 3.015-3/82.II-5-77 Каркас КП233-1 3.015-3/82.II-5-78 Каркас КП234-1,КП235-1 |
| Разработан: | Харьковский Промстройниипроект |
| Утверждён: | 20.01.1989 Госстрой СССР (Государственный комитет Совета Министров СССР по делам строительства) (USSR Gosstroy 4/6-108) |
| Издан: | ЦИТП Госстроя СССР (CITP, Gosstroy (USSR) 1989 г. ) |
| Чем заменён: |

















































































