Скачать Серия 3.015-2/82 Выпуск II-9. Часть 1. Книга 1. Сборные железобетонные колонны, траверсы и вставки. Вариант армирования сталью класса Ат-IVc. Арматурные изделия. Рабочие чертежиДата актуализации: 01.01.2021
|
| Обозначение: | Серия 3.015-2/82 |
| Обозначение англ: | Series 3.015-2/82 |
| Статус: | заменен |
| Название рус.: | Выпуск II-9. Часть 1. Книга 1. Сборные железобетонные колонны, траверсы и вставки. Вариант армирования сталью класса Ат-IVc. Арматурные изделия. Рабочие чертежи |
| Дата добавления в базу: | 01.09.2013 |
| Дата актуализации: | 01.01.2021 |
| Дата введения: | 01.01.1989 |
| Дата окончания срока действия: | 01.02.1995 |
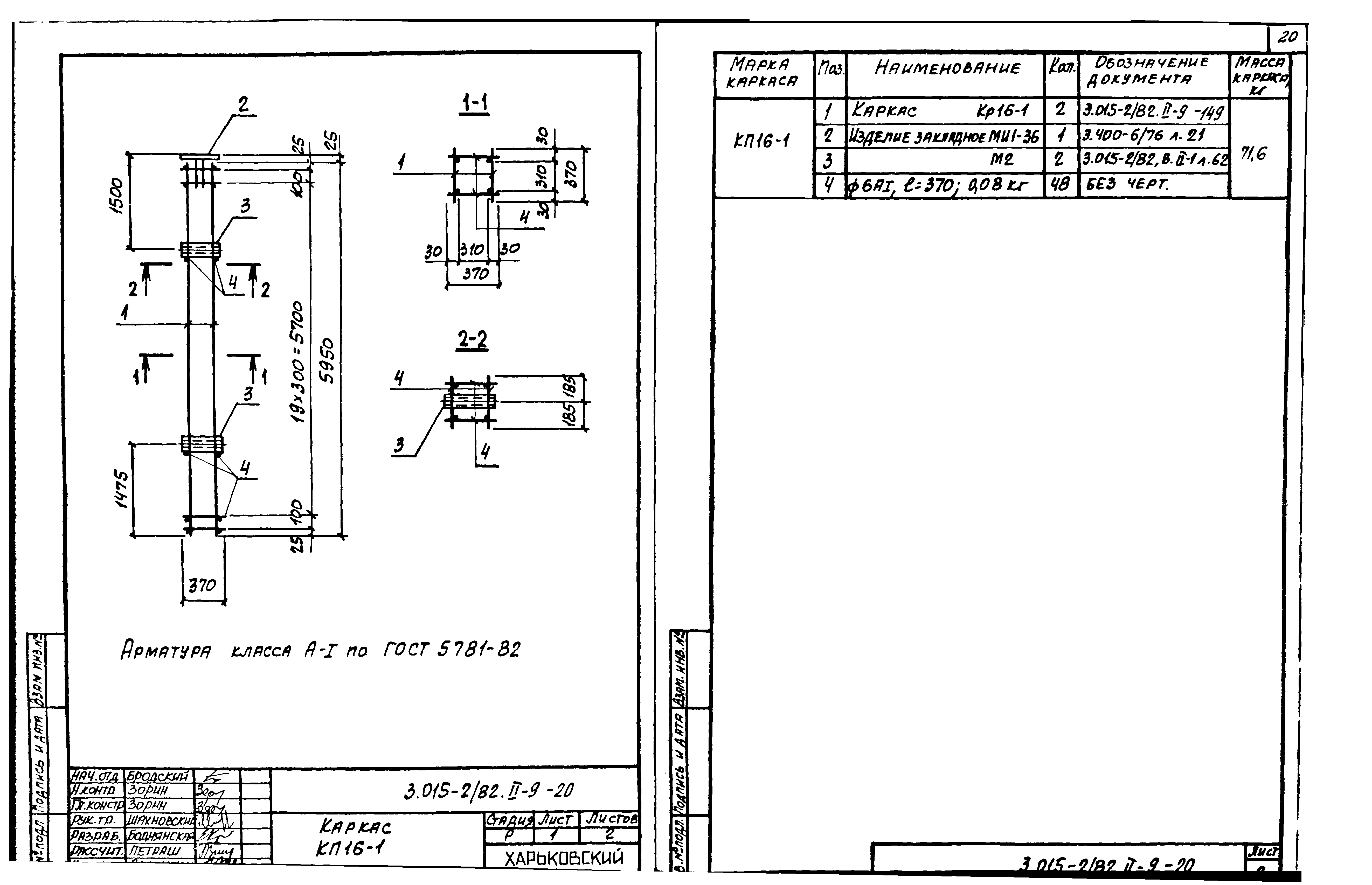
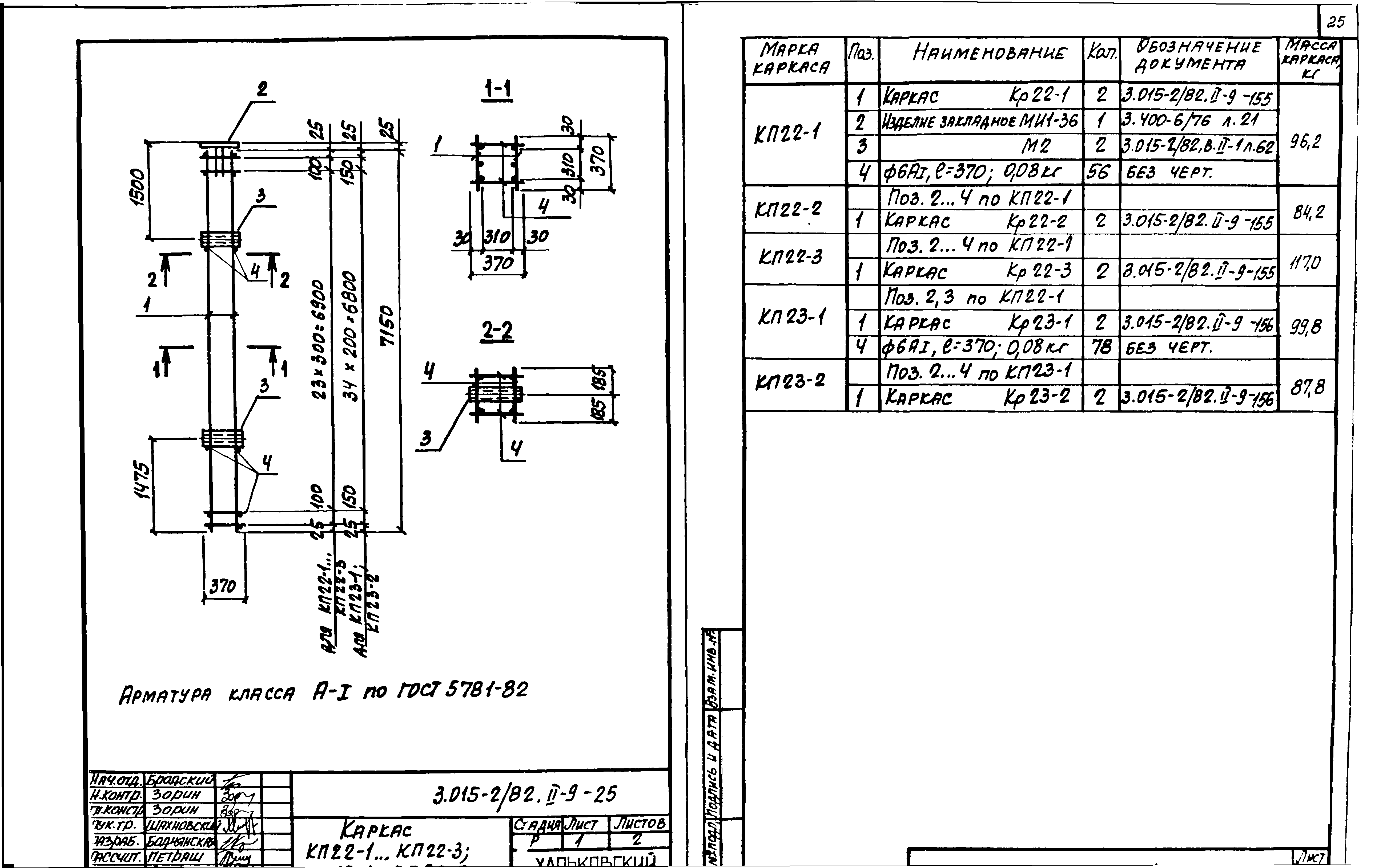
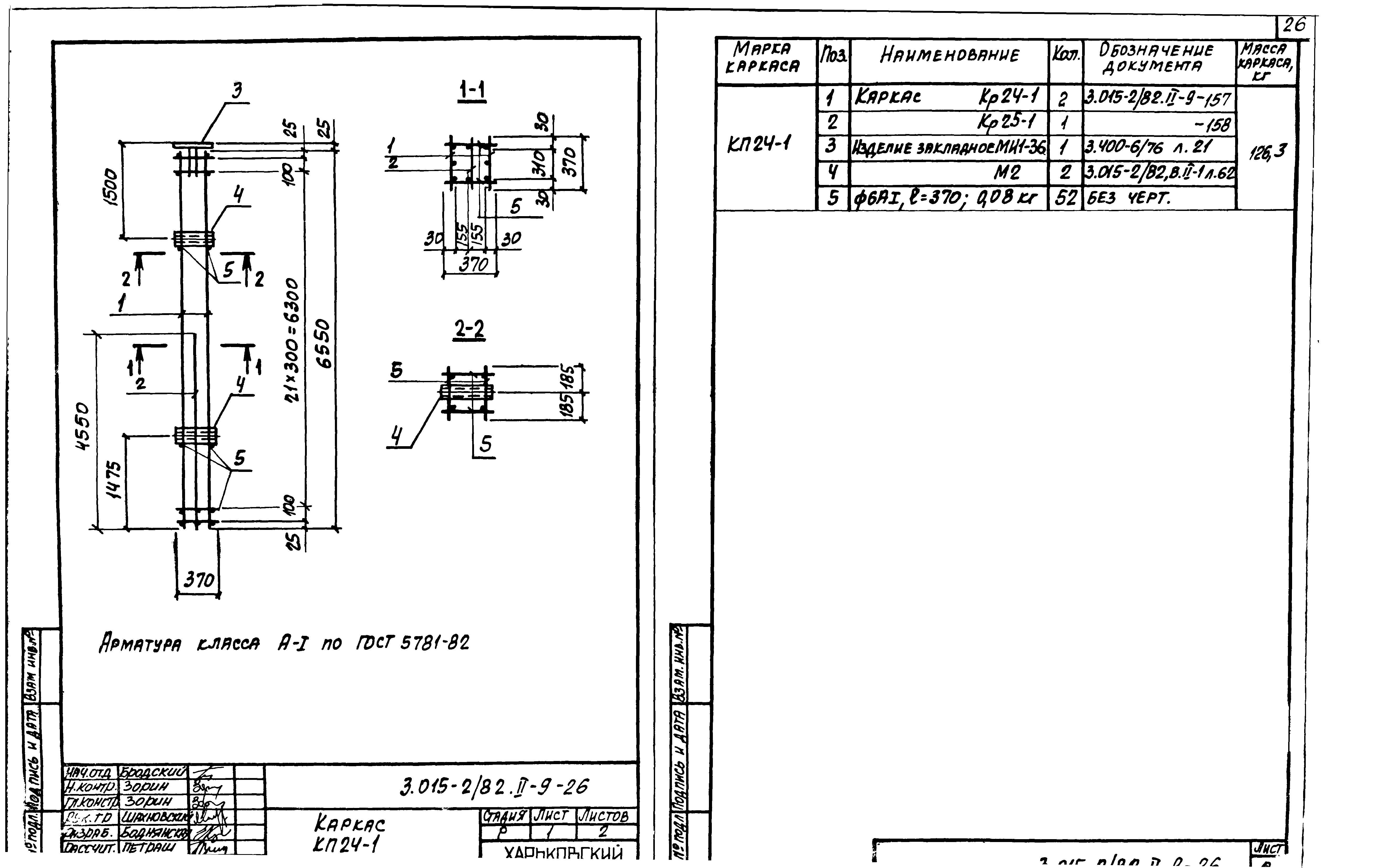
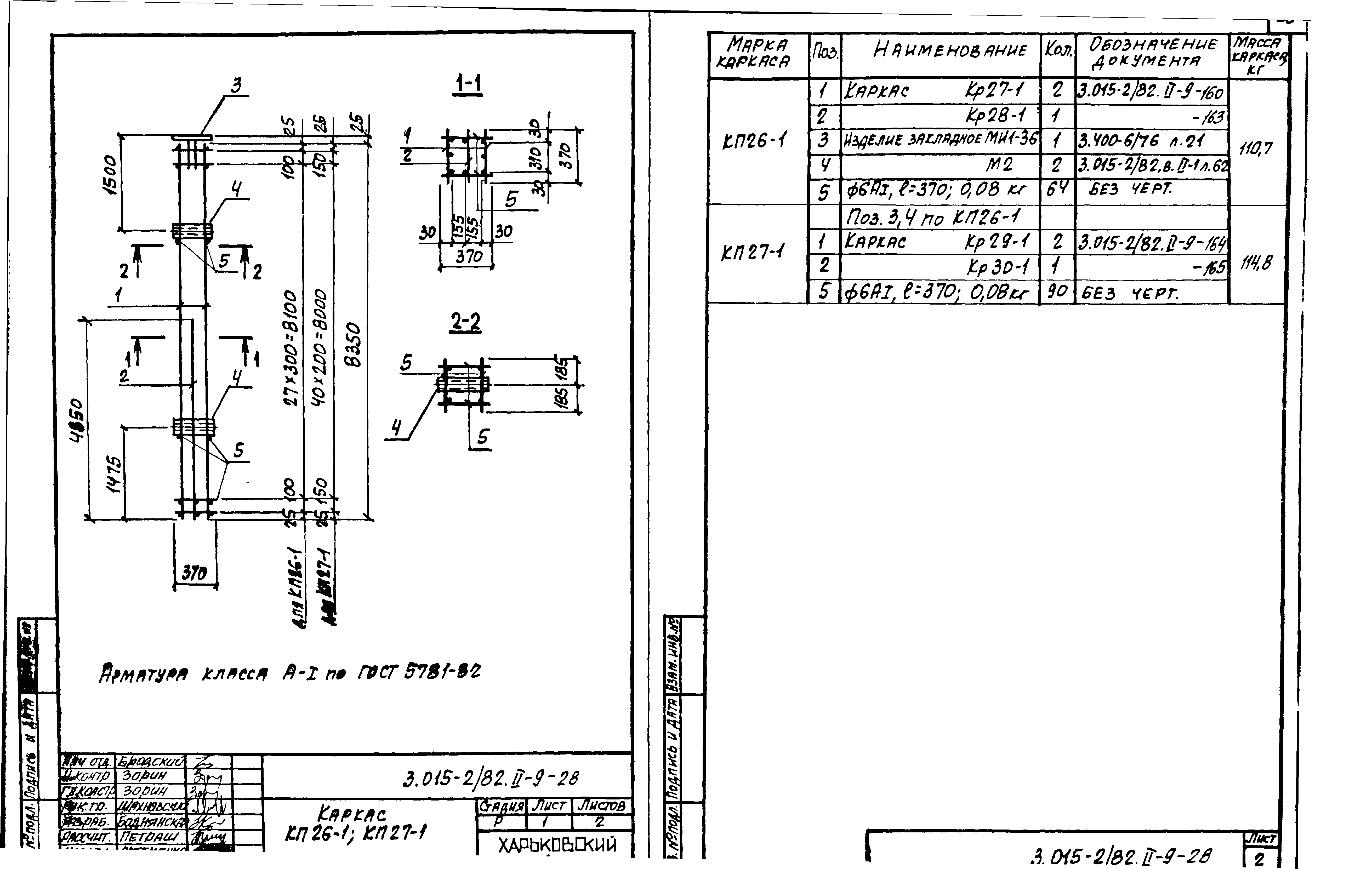
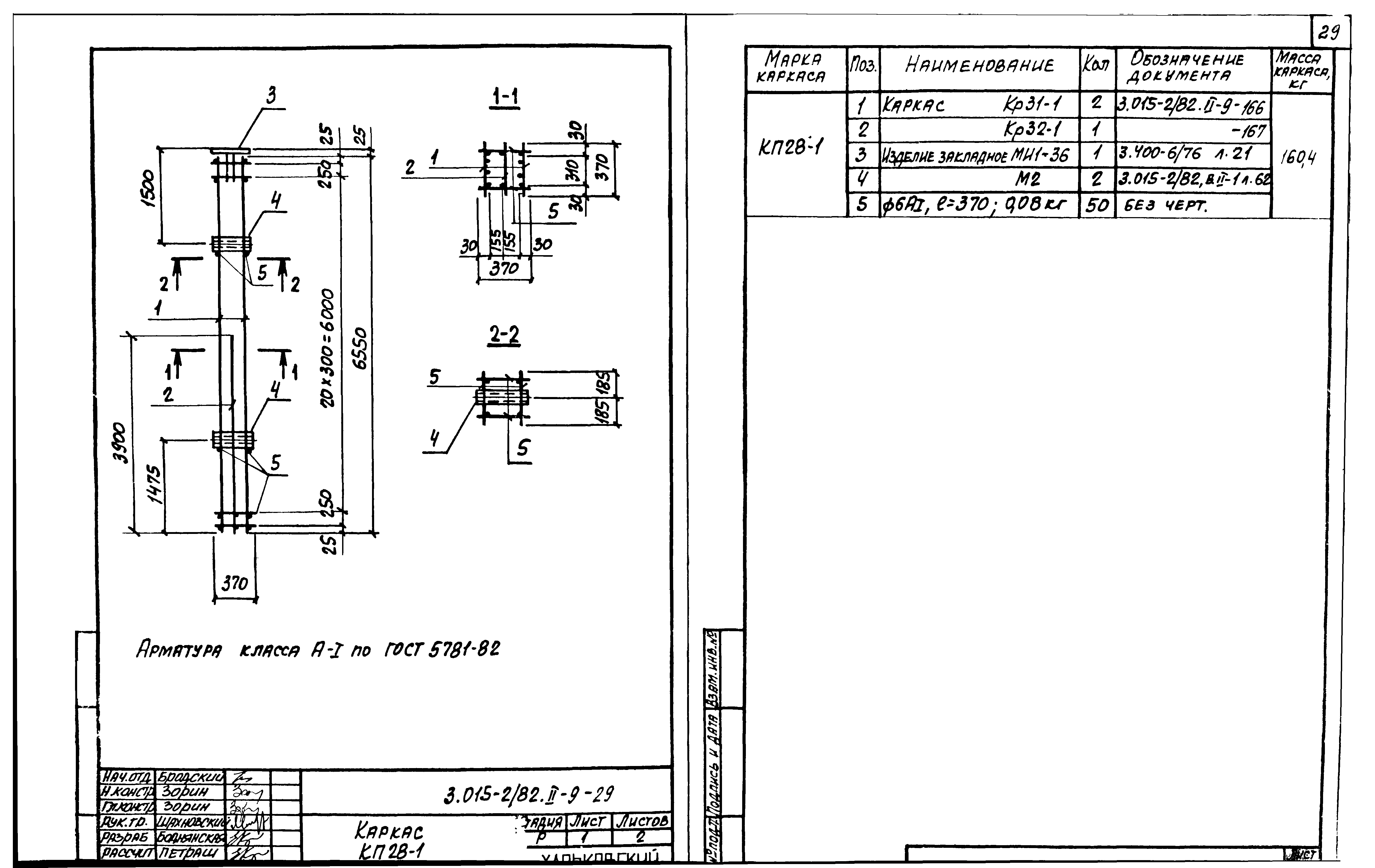
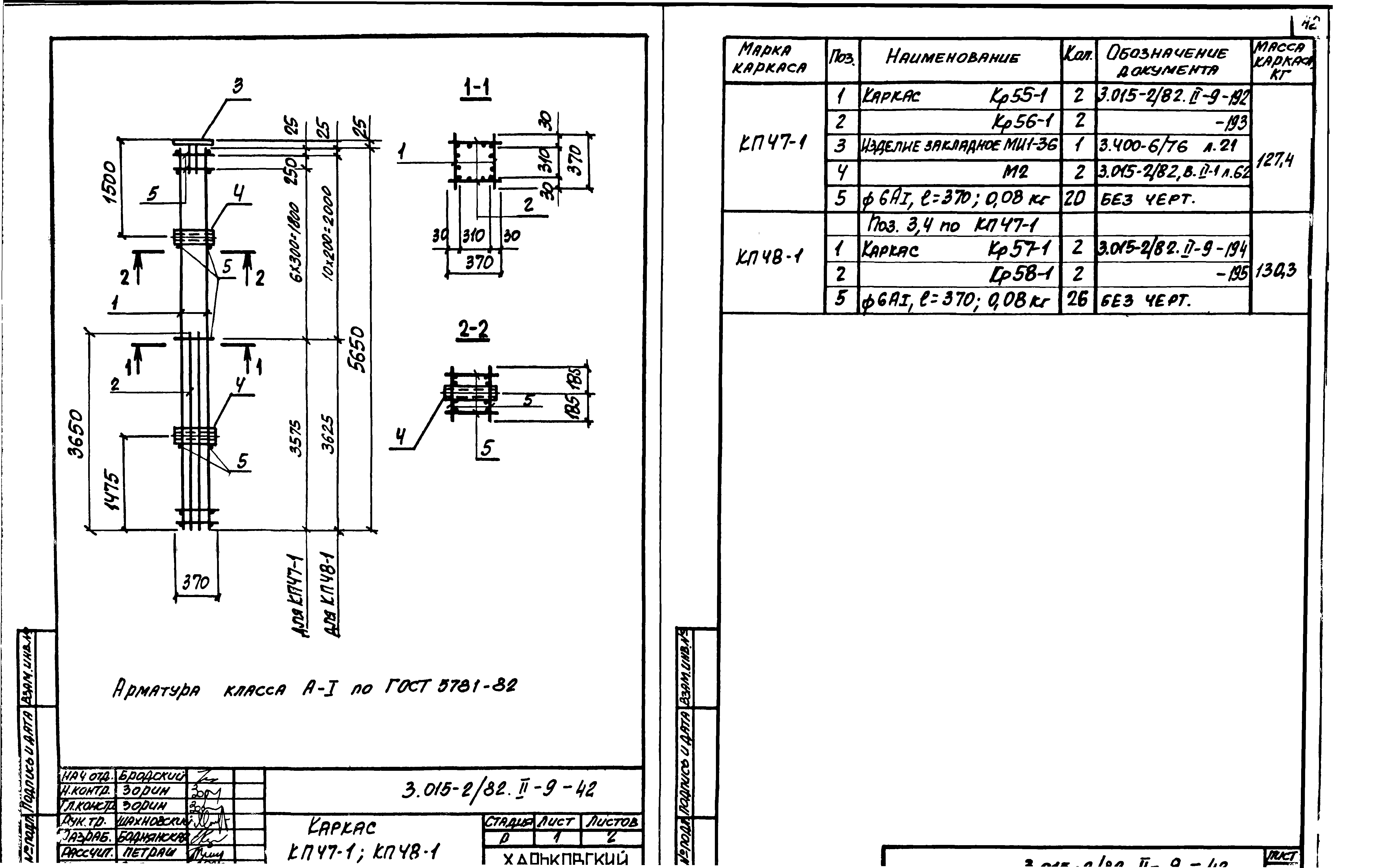
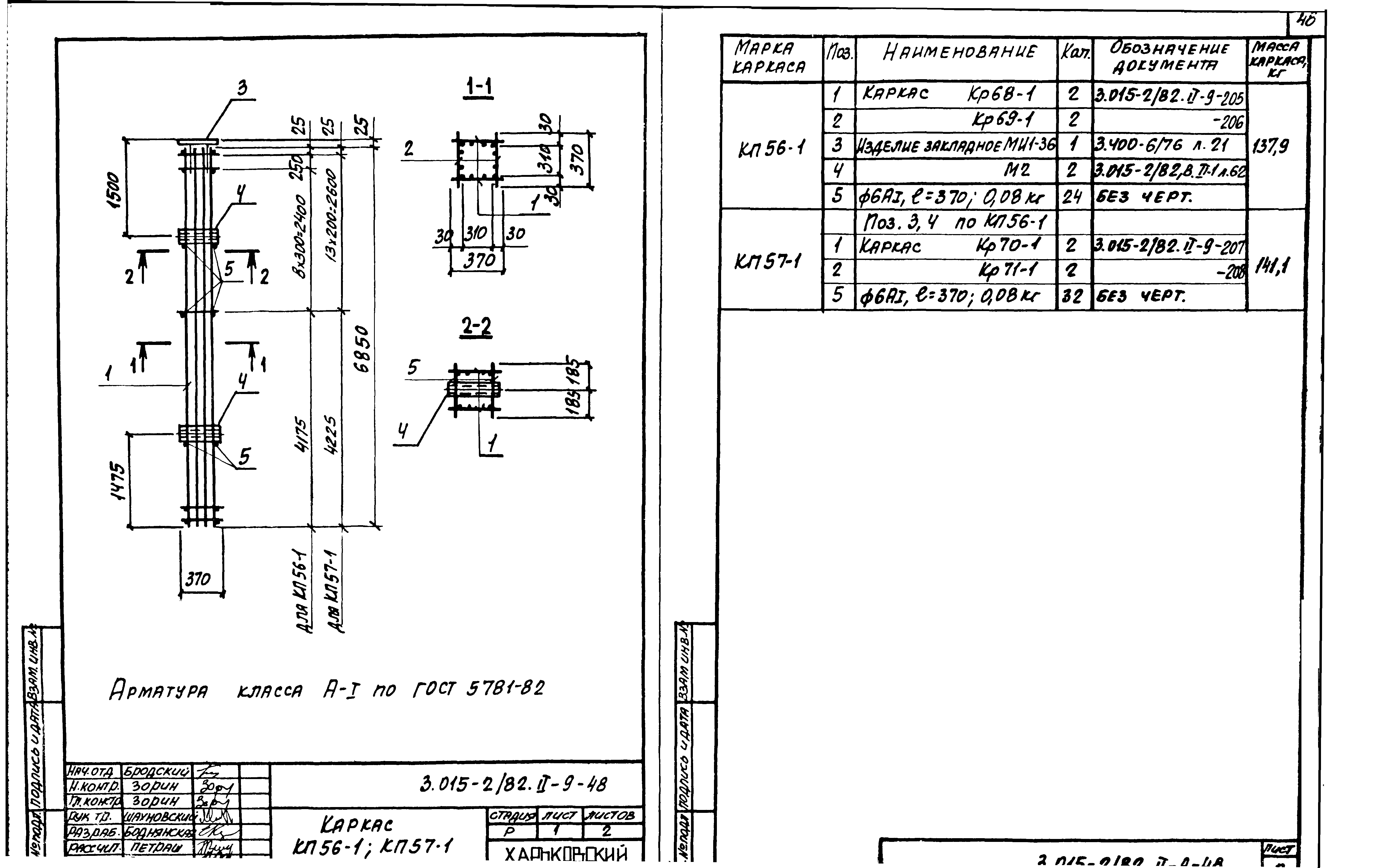
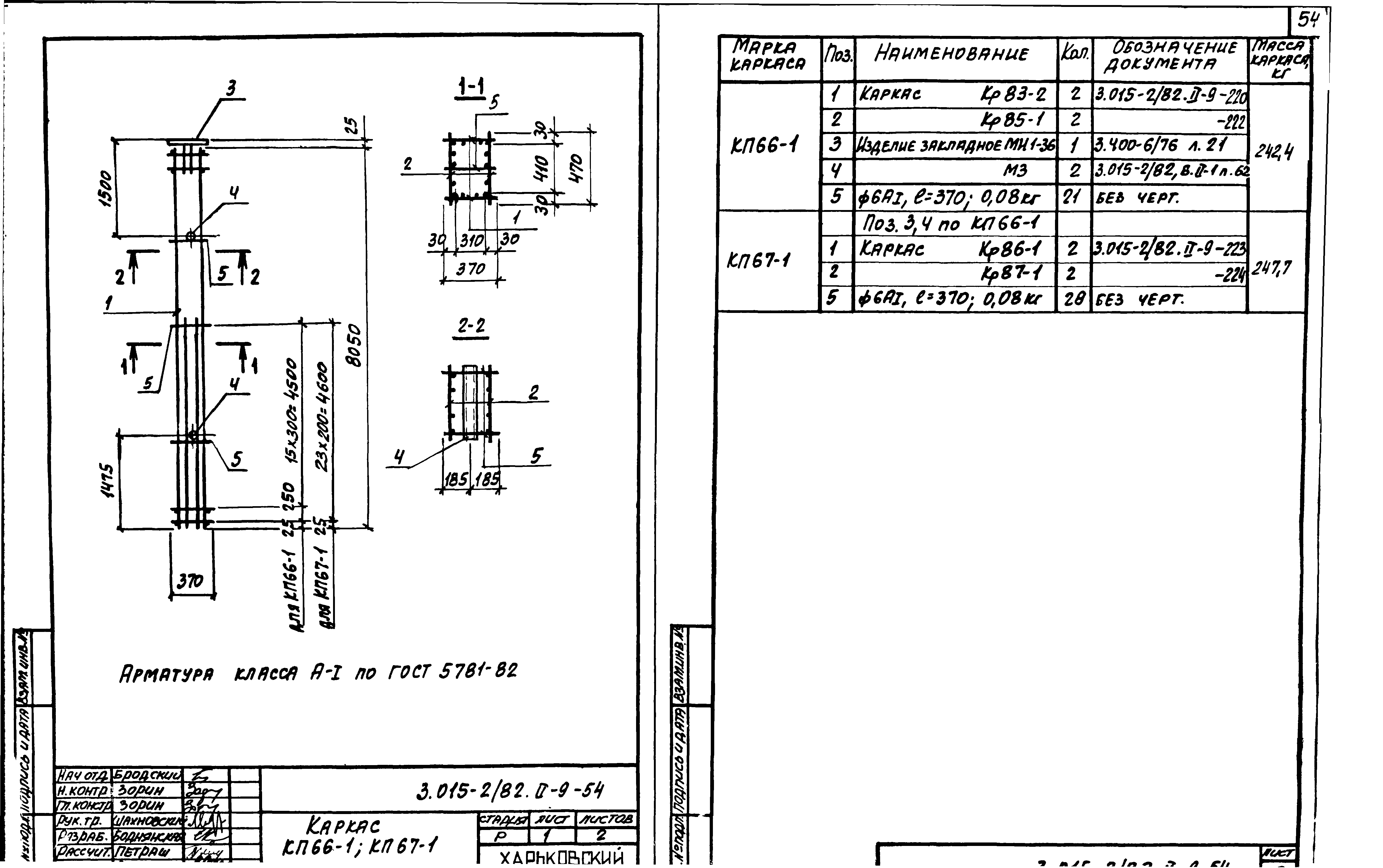
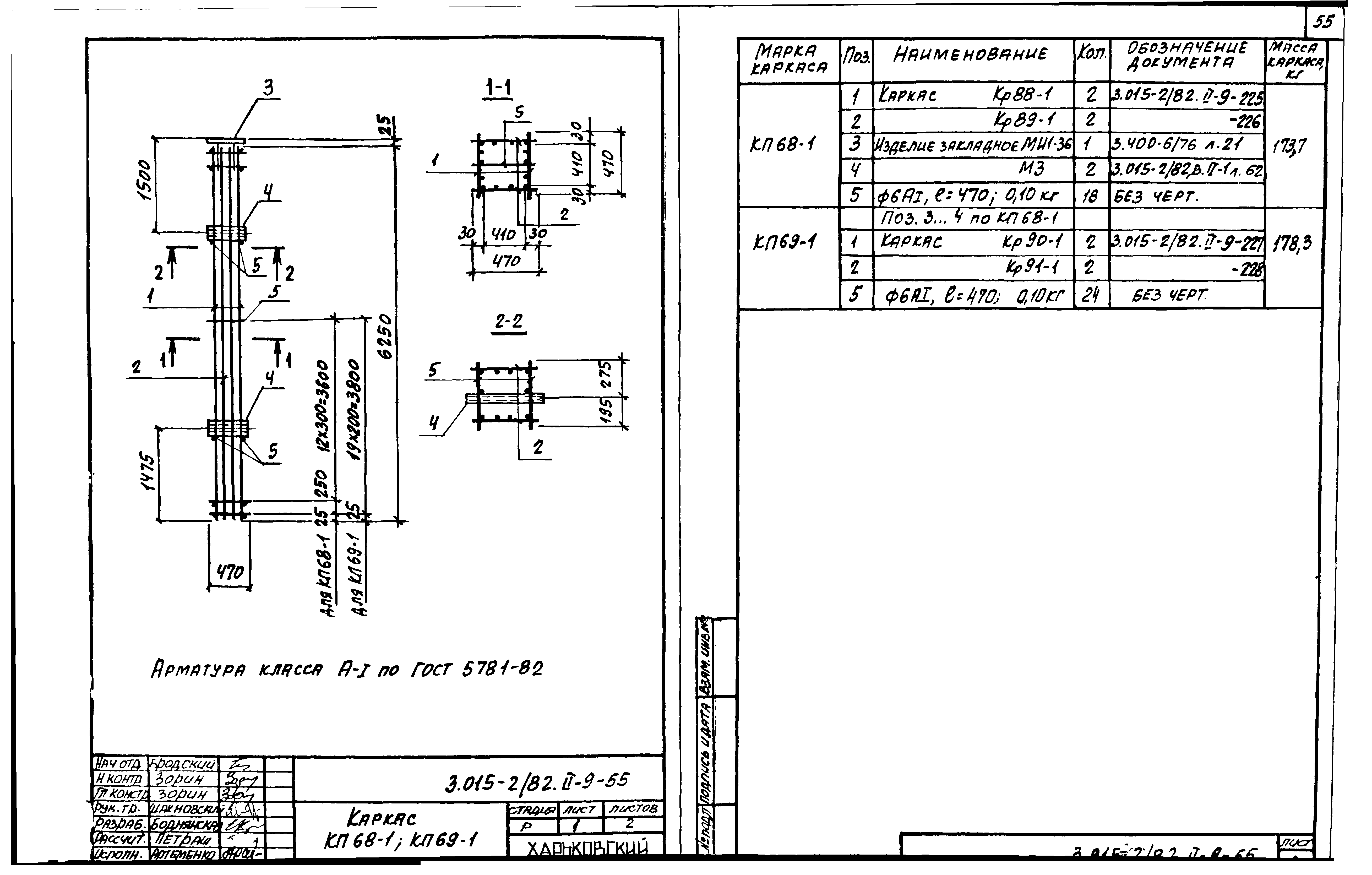
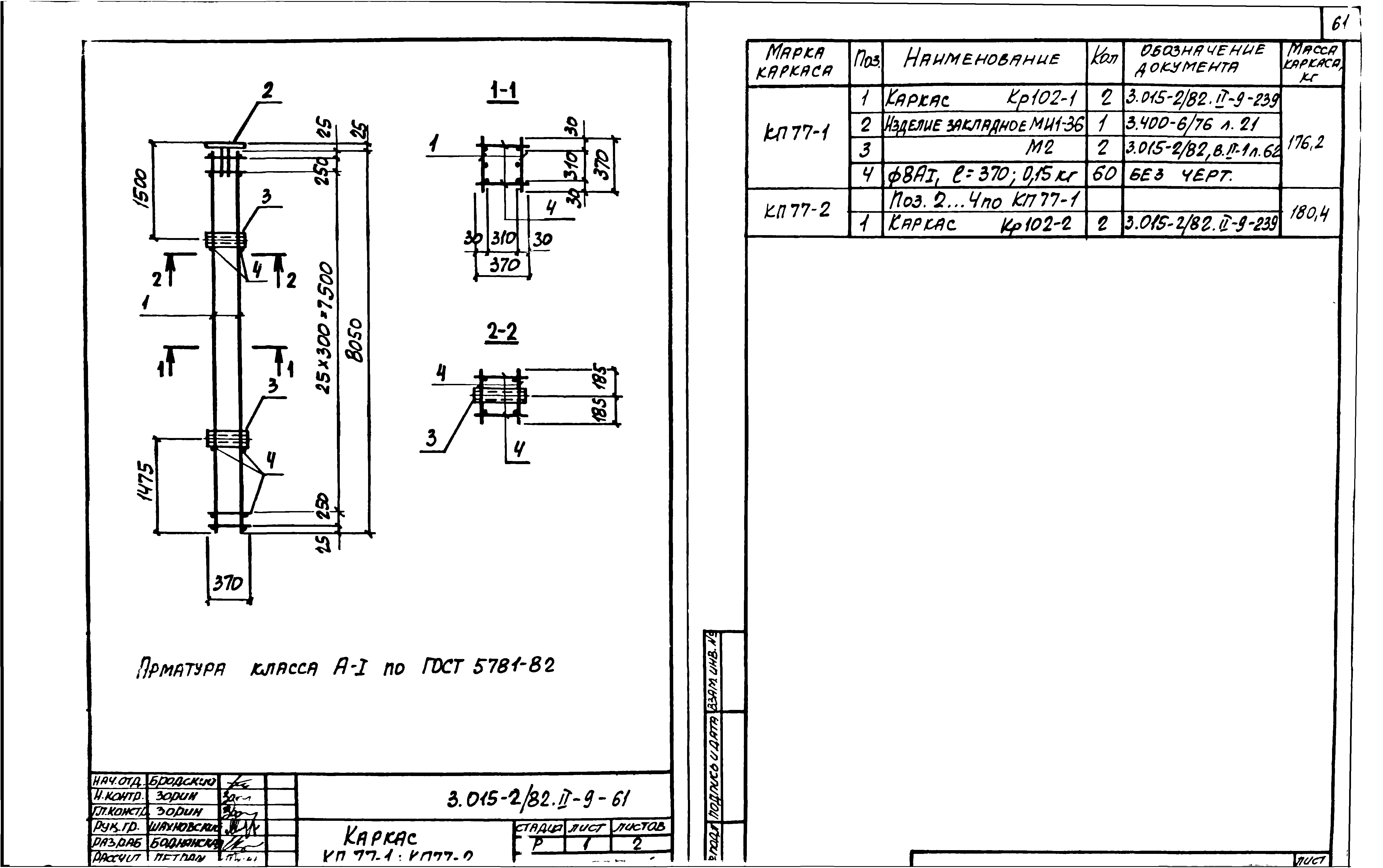
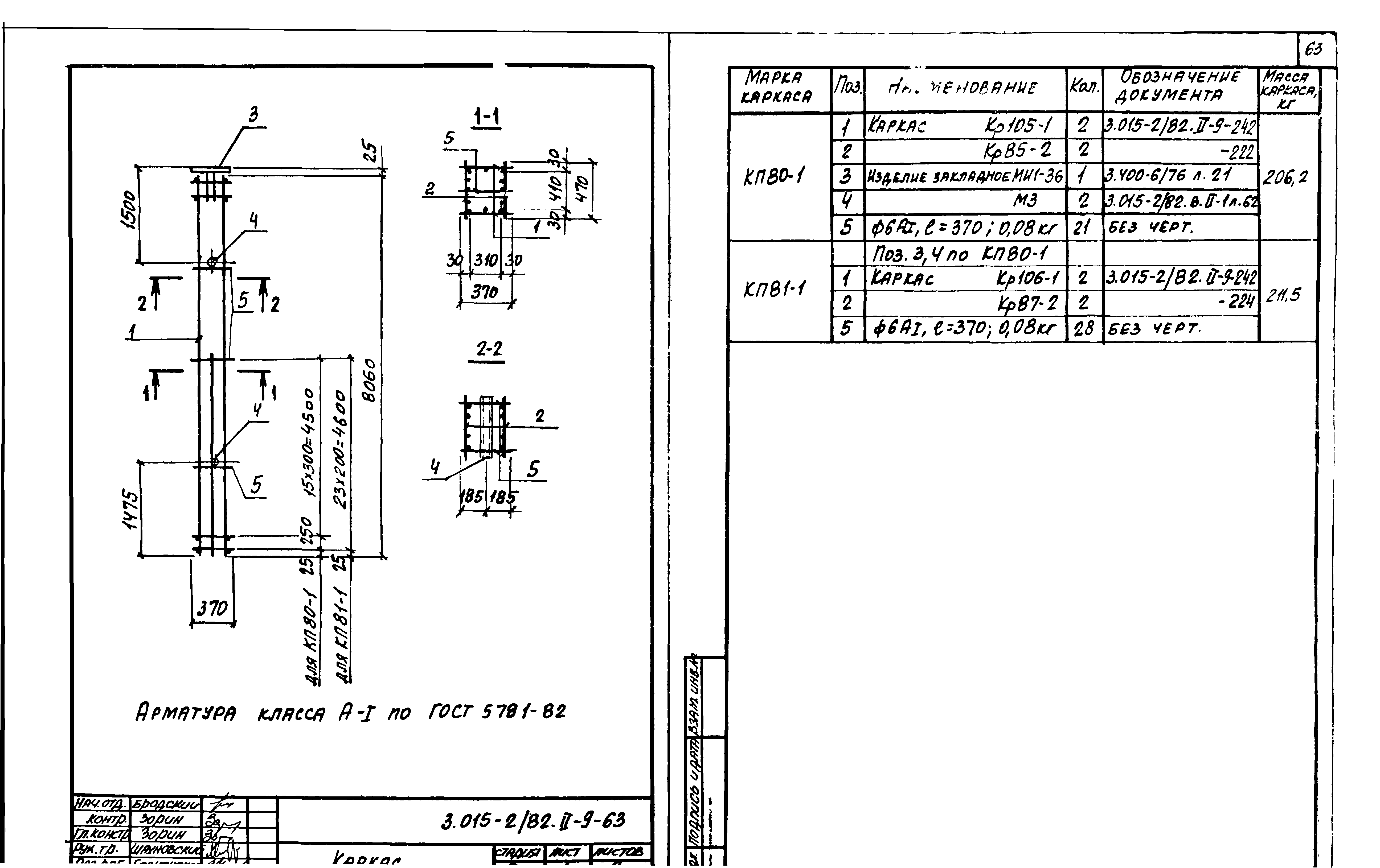
| Оглавление: | 3.015-2/82.II-9-1 Каркас КП1-1 3.015-2/82.II-9-2 Каркас КП2-1;КП2-2 3.015-2/82.II-9-3 Каркас КП3-1;КП3-2 3.015-2/82.II-9-4 Каркас КП4-1 3.015-2/82.II-9-5 Каркас КП5-1;КП5-2 3.015-2/82.II-9-6 Каркас КП5-3;КП5-4 3.015-2/82.II-9-7 Каркас КП6-1;КП6-2 3.015-2/82.II-9-8 Каркас КП6-3;КП6-4 3.015-2/82.II-9-9 Каркас КП6-5 3.015-2/82.II-9-10 Каркас КП6-6;КП6-7 3.015-2/82.II-9-11 Каркас КП7-1;КП7-2 3.015-2/82.II-9-12 Каркас КП7-3 3.015-2/82.II-9-13 Каркас КП8-1 3.015-2/82.II-9-14 Каркас КП9-1 3.015-2/82.II-9-15 Каркас КП10-1 3.015-2/82.II-9-16 Каркас КП11-1 3.015-2/82.II-9-17 Каркас КП12-1 3.015-2/82.II-9-18 Каркас КП13-1 3.015-2/82.II-9-19 Каркас КП14-1…КП14-3;КП15-1 3.015-2/82.II-9-20 Каркас КП16-1 3.015-2/82.II-9-21 Каркас КП17-1 3.015-2/82.II-9-22 Каркас КП18-1 3.015-2/82.II-9-23 Каркас КП19-1 3.015-2/82.II-9-24 Каркас КП20-1…КП20-3;КП21-1;КП21-2 3.015-2/82.II-9-25 Каркас КП22-1…КП22-3;КП23-1;КП23-2 3.015-2/82.II-9-26 Каркас КП24-1 3.015-2/82.II-9-27 Каркас КП25-1 3.015-2/82.II-9-28 Каркас КП26-1;КП27-1 3.015-2/82.II-9-29 Каркас КП28-1 3.015-2/82.II-9-30 Каркас КП29-1 3.015-2/82.II-9-31 Каркас КП30-1…КП30-5 3.015-2/82.II-9-32 Каркас КП31-1;КП31-2;КП32-1 3.015-2/82.II-9-33 Каркас КП33-1 3.015-2/82.II-9-34 Каркас КП34-1 3.015-2/82.II-9-35 Каркас КП35-1 3.015-2/82.II-9-36 Каркас КП36-1 3.015-2/82.II-9-37 Каркас КП37-1 3.015-2/82.II-9-38 Каркас КП38-1…КП38-3;КП39-1 3.015-2/82.II-9-39 Каркас КП40-1;КП40-2;КП41-1;КП42-1;КП42-2;КП43-1 3.015-2/82.II-9-40 Каркас КП44-1…КП44-4;КП43-1;КП43-2 3.015-2/82.II-9-41 Каркас КП46-1…КП46-4 3.015-2/82.II-9-42 Каркас КП47-1;КП48-1 3.015-2/82.II-9-43 Каркас КП49-1;КП50-1 3.015-2/82.II-9-44 Каркас КП51-1 3.015-2/82.II-9-45 Каркас КП52-1;КП52-2 3.015-2/82.II-9-46 Каркас КП53-1;КП53-2 3.015-2/82.II-9-47 Каркас КП54-1;КП55-1 3.015-2/82.II-9-48 Каркас КП56-1;КП57-1 3.015-2/82.II-9-49 Каркас КП58-1;КП59-1 3.015-2/82.II-9-50 Каркас КП60-1 3.015-2/82.II-9-51 Каркас КП61-1;КП62-2 3.015-2/82.II-9-52 Каркас КП63-1;КП64-1 3.015-2/82.II-9-53 Каркас КП65-1 3.015-2/82.II-9-54 Каркас КП66-1;КП67-1 3.015-2/82.II-9-55 Каркас КП68-1;КП69-1 3.015-2/82.II-9-56 Каркас КП70-1;КП71-1 3.015-2/82.II-9-57 Каркас КП72-1...КП72-3;КП73-1;КП73-2 3.015-2/82.II-9-58 Каркас КП74-1...КП74-3 3.015-2/82.II-9-59 Каркас КП75-1;КП75-2 3.015-2/82.II-9-60 Каркас КП76-1 3.015-2/82.II-9-61 Каркас КП77-1;КП77-2 3.015-2/82.II-9-62 Каркас КП78-1;КП79-2 3.015-2/82.II-9-63 Каркас КП80-1;КП81-1 3.015-2/82.II-9-64 Каркас КП82-1;КП83-1 |
| Разработан: | Харьковский Промстройниипроект |
| Утверждён: | 27.07.1988 Госстрой СССР (Государственный комитет Совета Министров СССР по делам строительства) (USSR Gosstroy 6/6-1511) |
| Издан: | ЦИТП Госстроя СССР (CITP, Gosstroy (USSR) 1989 г. ) |
| Чем заменён: |

































































