Скачать Типовой проект 902-1-179.91 Альбом 5. Подземная часть. Конструкции железобетонные. Конструкции металлические. ИзделияДата актуализации: 01.01.2021
|
| Обозначение: | Типовой проект 902-1-179.91 |
| Обозначение англ: | 902-1-179.91 |
| Статус: | не определен законодательством |
| Название рус.: | Альбом 5. Подземная часть. Конструкции железобетонные. Конструкции металлические. Изделия |
| Дата добавления в базу: | 01.09.2013 |
| Дата актуализации: | 01.01.2021 |
| Дата введения: | 15.05.1991 |
| Дата окончания срока действия: | 30.06.2003 |
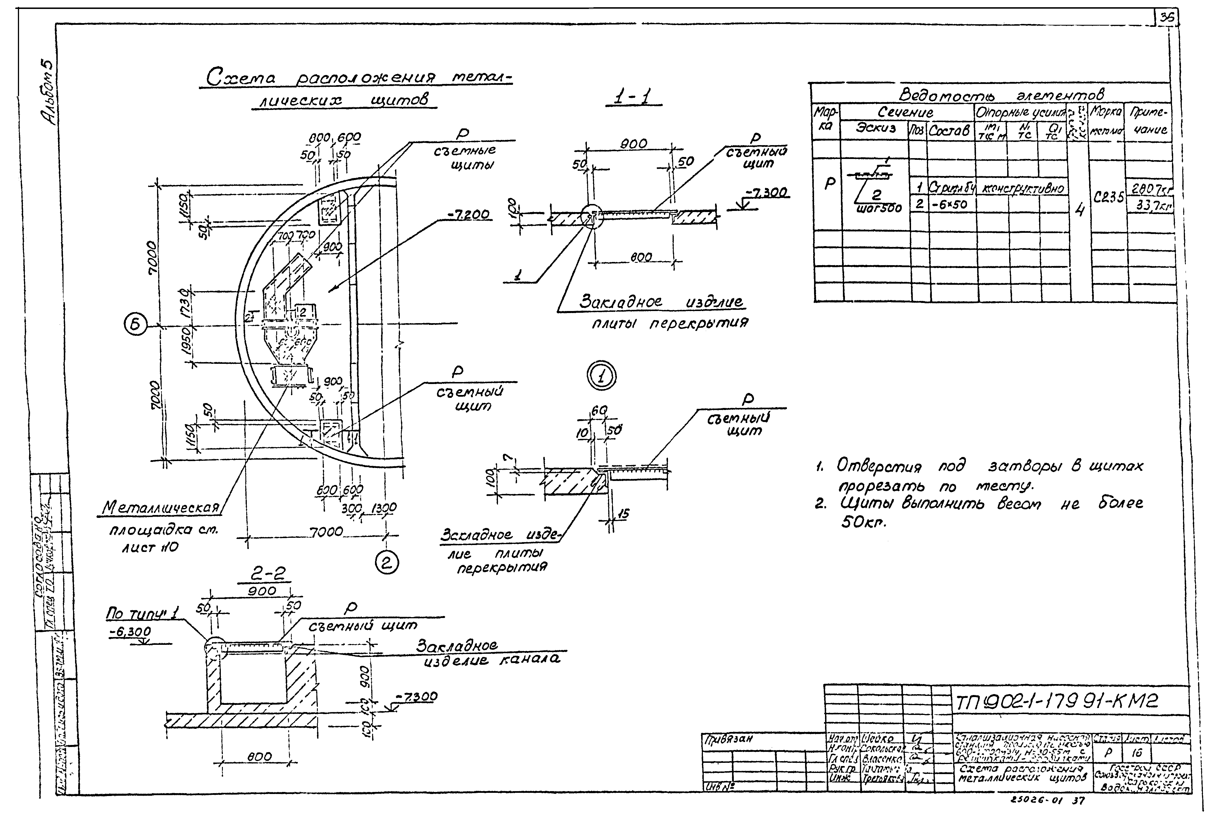
| Оглавление: | ТП 902-1-179.91-КЖ2 Основной комплект чертежей марки КЖ2 ТП 902-1-179.91-КЖ2 Общие данные (начало) ТП 902-1-179.91-КЖ2 Общие данные (окончание) ТП 902-1-179.91-КЖ2 Планы на отм.-9.730 и 7.270. Разрез 1-1 ТП 902-1-179.91-КЖ2 Схема расположения элементов подземной части ТП 902-1-179.91-КЖ2 Плита днища ПДм1. Общий вид и схема армирования (начало) ТП 902-1-179.91-КЖ2 Плита днища ПДм1. Общий вид и схема армирования (окончание) ТП 902-1-179.91-КЖ2 Плита днища ПДм1. Спецификация. Сухие грунты ТП 902-1-179.91-КЖ2 Плита днища ПДм1. Спецификация. Мокрые грунты ТП 902-1-179.91-КЖ2 Плита днища ПДм1. Раскрой сеток ТП 902-1-179.91-КЖ2 Схема расположения стен подземной части ТП 902-1-179.91-КЖ2 Стена СТм1. Общий вид ТП 902-1-179.91-КЖ2 Стена СТм1. Схема армирования (начало) ТП 902-1-179.91-КЖ2 Стена СТм1. Схема армирования (окончание) ТП 902-1-179.91-КЖ2 Стена СТм2. Схема армирования ТП 902-1-179.91-КЖ2 Стены СТм1, СТм2. Спецификация ТП 902-1-179.91-КЖ2 Схема расположения опорных блоков и форшахты ФШм1 ТП 902-1-179.91-КЖ2 Схема армирования форшахты ФШм1 ТП 902-1-179.91-КЖ2 Схема расположения воротника ВРм1 ТП 902-1-179.91-КМ2 Основной комплект чертежей марки КМ2 ТП 902-1-179.91-КМ2 Общие данные (начало) ТП 902-1-179.91-КМ2 Общие данные (продолжение) ТП 902-1-179.91-КМ2 Общие данные (окончание) ТП 902-1-179.91-КМ2 Схемы расположения металлических площадок на отм. - 7.200; -6.500 (начало) ТП 902-1-179.91-КМ2 Схемы расположения металлических площадок на отм. - 7.200; -6.500 (продолжение) ТП 902-1-179.91-КМ2 Схемы расположения металлических площадок на отм. - 7.200; -6.500 (окончание) ТП 902-1-179.91-КМ2 Схемы расположения металлических лестниц и площадок на отм. - 3.000; -4.200;-6.000 (начало) ТП 902-1-179.91-КМ2 Схемы расположения металлических лестниц и площадок на отм. - 3.000; -4.200;-6.000 (продолжение) ТП 902-1-179.91-КМ2 Схемы расположения металлических лестниц и площадок на отм. - 3.000; -4.200;-6.000 (окончание) ТП 902-1-179.91-КМ2 Схема расположения съемной площадки П1 ТП 902-1-179.91-КМ2 Схема расположения металлических щитов ТП 902-1-179.91-КЖ2.И Изделия КЖ2.И ТП 902-1-179.91-КЖ2.И.ТТ Технические требования ТП 902-1-179.91-КЖ2.И.О1 Блок опорный БО1 ТП 902-1-179.91-КЖ2.И.РС Ведомость расхода стали ТП 902-1-179.91-КЖ2.И.О2 Каркас плоский КР1,КР3 ТП 902-1-179.91-КЖ2.И.О3 Каркас плоский КР2,КР4 ТП 902-1-179.91-КЖ2.И.О4 Каркас плоский КР5 ТП 902-1-179.91-КЖ2.И.О5 Сетка С1 ТП 902-1-179.91-КЖ2.И.О6 Изделие закладное МН1 ТП 902-1-179.91-КЖ2.И.О7 Изделие соединительное МС1 |
| Разработан: | Харьковский Водоканалпроект |
| Утверждён: | 15.05.1991 СоюзводоканалНИИпроект (SoyuzvodokanalNIIproject 9) |






































