Скачать ГОСТ Р 52898-2007 Бутылки стеклянные для пищевой уксусной кислоты и пищевых уксусов. Технические условия

Дата актуализации: 01.01.2021

ГОСТ Р 52898-2007

Бутылки стеклянные для пищевой уксусной кислоты и пищевых уксусов. Технические условия

Обозначение: ГОСТ Р 52898-2007
Обозначение англ: GOST R 52898-2007
Статус:не действует
Название рус.:Бутылки стеклянные для пищевой уксусной кислоты и пищевых уксусов. Технические условия
Название англ.:Glass bottles for food acetic acid and food vinegars. Specifications
Дата добавления в базу:01.09.2013
Дата актуализации:01.01.2021
Дата введения:01.09.2008
Дата окончания срока действия:01.07.2020
Область применения:Стандарт распространяется на стеклянные бутылки, используемые для розлива, транспортирования, хранения и реализации через розничную торговлю пищевой уксусной кислоты, уксусов из пищевого сырья, столового и ароматизированных уксусов.
Оглавление:1 Область применения
2 Нормативные ссылки
3 Термины и определения
4 Основные параметры и размеры
5 Технические требования
   5.1 Характеристики
   5.2 Маркировка
   5.3 Упаковка
6 Правила приемки
7 Методы контроля
   7.4 Контроль загрязнений
   7.7 Контроль овальности венчика горловины и корпуса бутылок
      7.7.1 Средства контроля
      7.7.2 Проведение контроля
   7.13 Контроль бутылок и кислотостойкость
      7.13.1 Аппаратура и реактивы
      7.13.2 Проведение контроля
   7.15 Контроль угла наклона при соскальзывании бутылок
8 Транспортирование и хранение
9 Условия эксплуатации
Приложение А (обязательное) Бутылки для пищевой уксусной кислоты
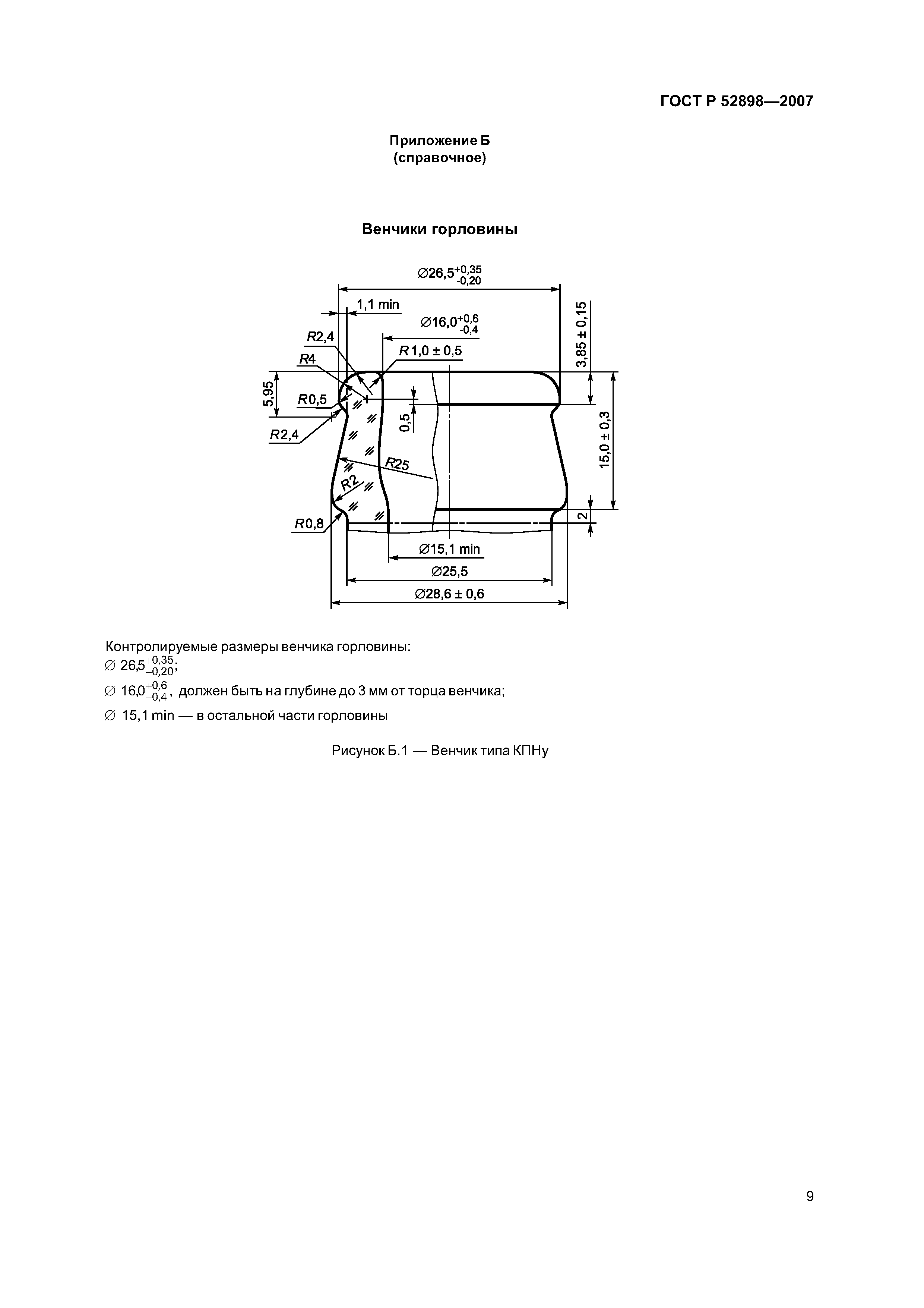
Приложение Б (справочное) Венчики горловины
Разработан: АНО ЦСИ Хрусталь
Утверждён:27.12.2007 Федеральное агентство по техническому регулированию и метрологии (600-ст)
Издан: Стандартинформ (2008 г. )
Нормативные ссылки:
ГОСТ Р 52898-2007ГОСТ Р 52898-2007ГОСТ Р 52898-2007ГОСТ Р 52898-2007ГОСТ Р 52898-2007ГОСТ Р 52898-2007ГОСТ Р 52898-2007ГОСТ Р 52898-2007ГОСТ Р 52898-2007ГОСТ Р 52898-2007ГОСТ Р 52898-2007ГОСТ Р 52898-2007