Скачать ОСТ 153-34.0-976-99А Сборочные единицы и детали опор станционных трубопроводов атомных станций Ру <= 2,5 МПа (25 кгс/см2). Корпусы опор сварных скользящих, направляющих и неподвижных. Конструкция и размерыДата актуализации: 01.01.2021
|
| Обозначение: | ОСТ 153-34.0-976-99А |
| Обозначение англ: | OST 153-34.0-976-99А |
| Статус: | отменен |
| Название рус.: | Сборочные единицы и детали опор станционных трубопроводов атомных станций Ру <= 2,5 МПа (25 кгс/см2). Корпусы опор сварных скользящих, направляющих и неподвижных. Конструкция и размеры |
| Дата добавления в базу: | 01.09.2013 |
| Дата актуализации: | 01.01.2021 |
| Дата введения: | 01.02.2001 |
| Дата окончания срока действия: | 25.08.2004 |
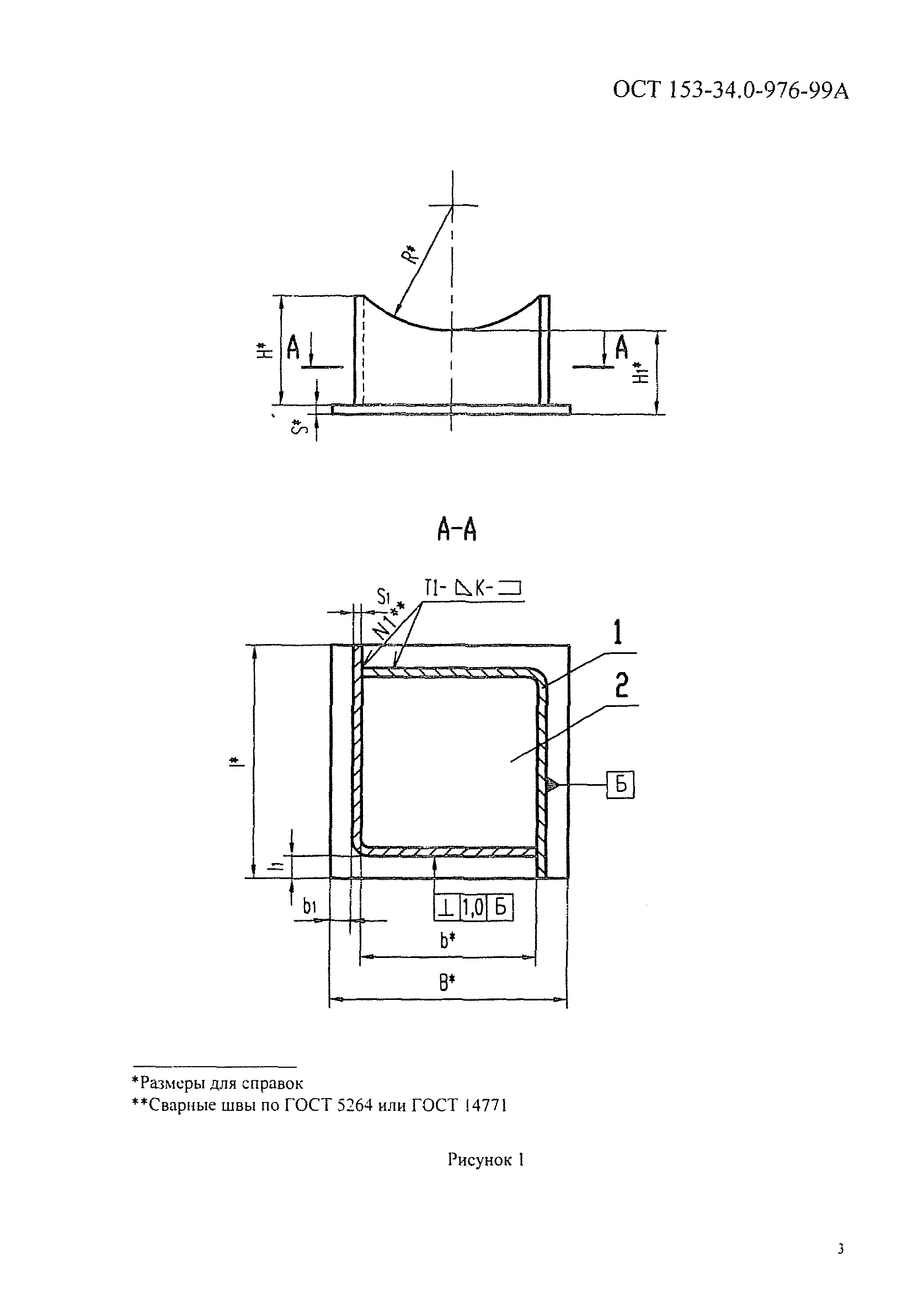
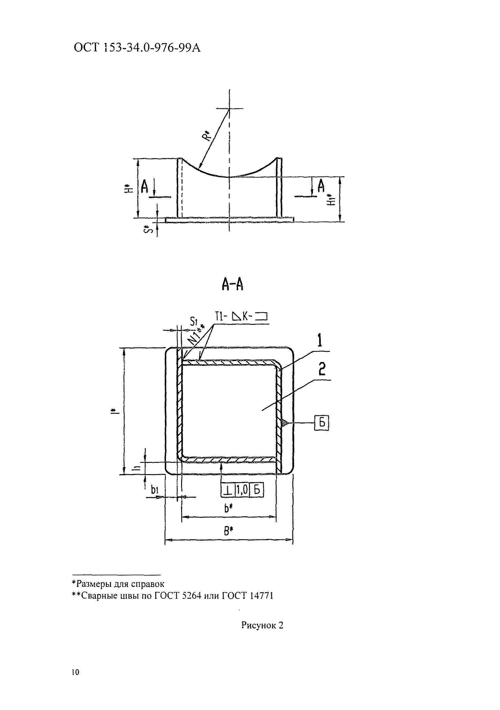
| Область применения: | Стандарт распространяется на корпусы опор сварных скользящих, направляющих и неподвижных, предназначенных для станционных трубопроводов низкого давления групп В и С атомных станций по ПН АЭ Г-7-008-89 "Правила устройства и безопасной эксплуатации оборудования и трубопроводов атомных энергетических установок", с рабочей температурой среды не более 250 °C и Dн от 57 до 1620 мм. Допускается применение сборочных единиц деталей и опор по настоящему стандарту для станционных трубопроводов атомных станций, на которые распространяются РД-03-93 "Правила устройства и безопасной эксплуатации пара и горячей воды" и СНиП 3.05.05-84 "Технологическое оборудование и технологические трубопроводы". |
| Оглавление: | 1. Область применения 2. Нормативные ссылки 3. Конструкция и размеры 4. Требования Приложение А. Библиография |
| Разработан: | ОАО Энергомонтажпроект ОАО Севзапэнергомонтажпроект |
| Утверждён: | 23.01.2001 Министерство энергетики РФ (Russian Federation Ministry of Energy 19) |
| Нормативные ссылки: |
|























