Скачать Методические указания по обеспечению защиты и нормальных условий пуска электродвигателей в сельскохозяйственном производстве

Дата актуализации: 01.01.2021

Методические указания по обеспечению защиты и нормальных условий пуска электродвигателей в сельскохозяйственном производстве

Статус:действует
Название рус.:Методические указания по обеспечению защиты и нормальных условий пуска электродвигателей в сельскохозяйственном производстве
Дата добавления в базу:01.09.2013
Дата актуализации:01.01.2021
Область применения:Указания предназначены для специалистов предприятий Агропромэнерго, а также работников энергетических служб хозяйств и предприятий Агропромышленного комплекса
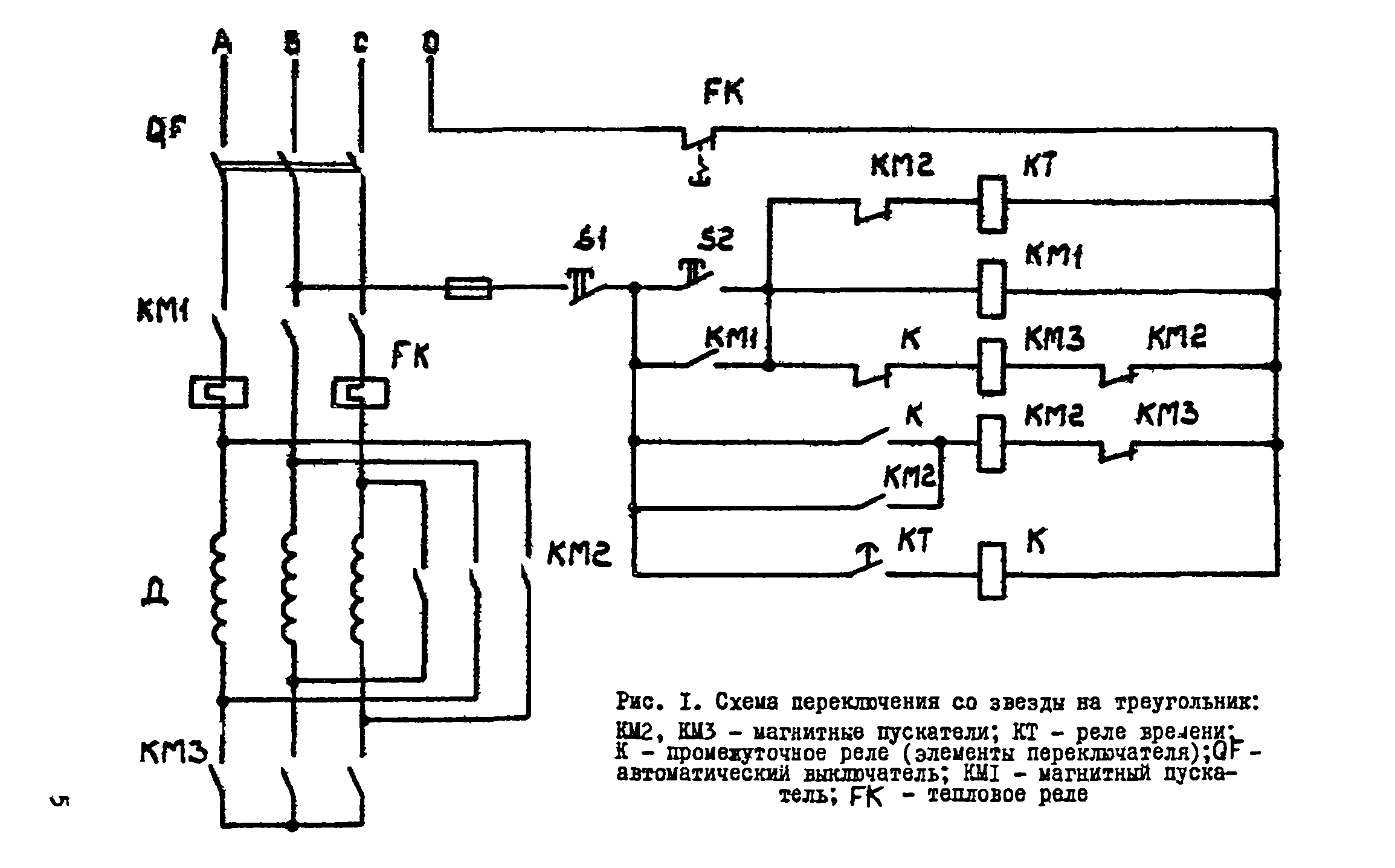
Оглавление:1. Определение возможности прямого пуска мощных асинхронных двигателей
2. Выбор устройств защиты электродвигателей
   2.1. Общие положения
   2.2. Характеристика аварийных режимов электродвигателей в сельском хозяйстве
   2.3. Типы защит электродвигателей
   2.4. Выбор типа защит электродвигателей
   2.5. Особенности применения устройств защиты
Список литературы
Разработан: ВИЭСХ
Росагропромэнерго Госагропрома РСФСР
Утверждён:31.12.1987 Главагромехэлектро
Нормативные ссылки: