Скачать Методические рекомендации по выбору резервных электростанций животноводческих ферм и комплексов молочного направления

Дата актуализации: 01.01.2021

Методические рекомендации по выбору резервных электростанций животноводческих ферм и комплексов молочного направления

Статус:действует
Название рус.:Методические рекомендации по выбору резервных электростанций животноводческих ферм и комплексов молочного направления
Дата добавления в базу:01.09.2013
Дата актуализации:01.01.2021
Область применения:Методика предназначена для выбора резервной электростанции животноводческих ферм и комплексов молочного направления с учетом неопределенного характера информации о перерывах электроснабжения
Оглавление:Введение
Основные положения и их обоснование
Приложения:
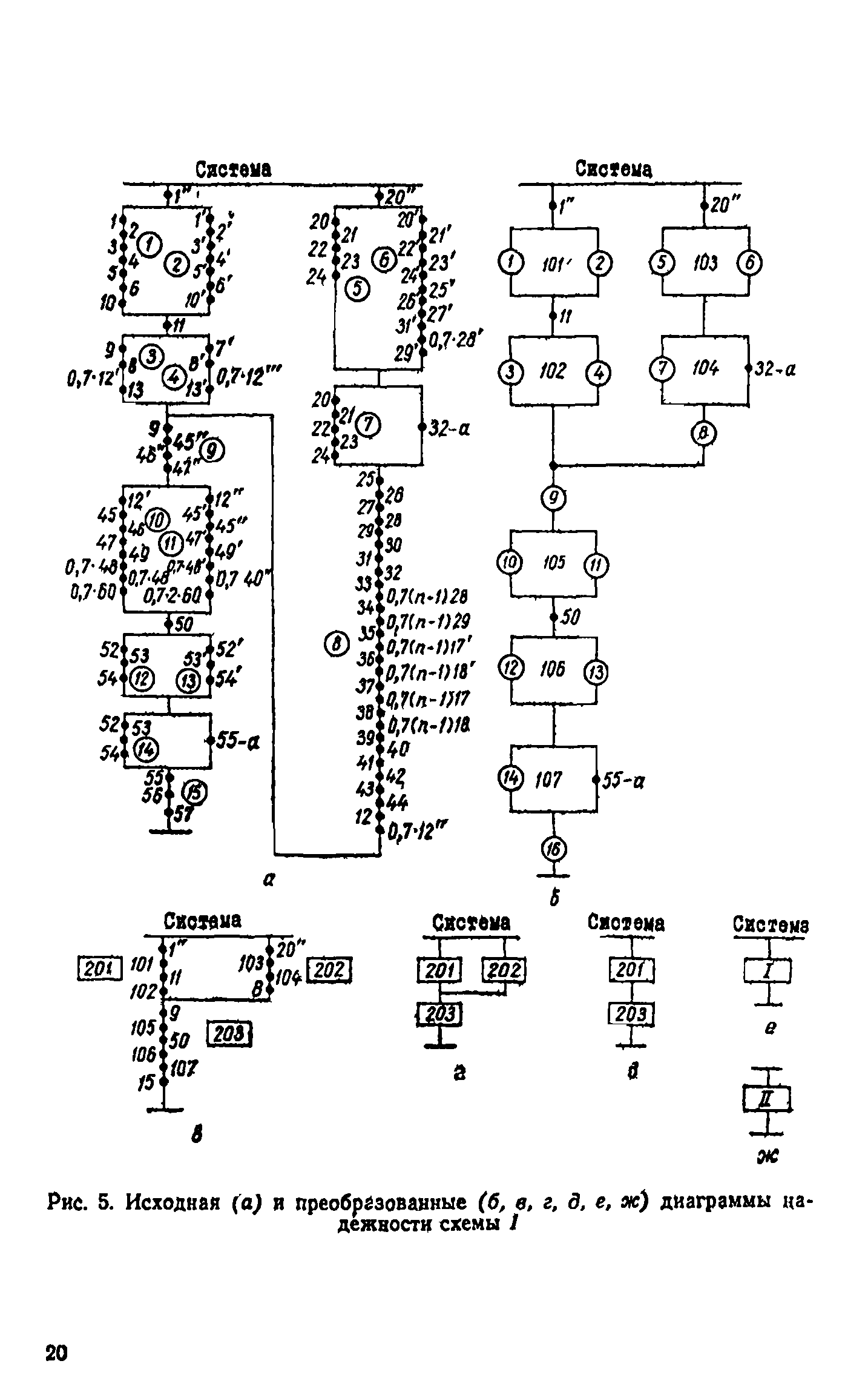
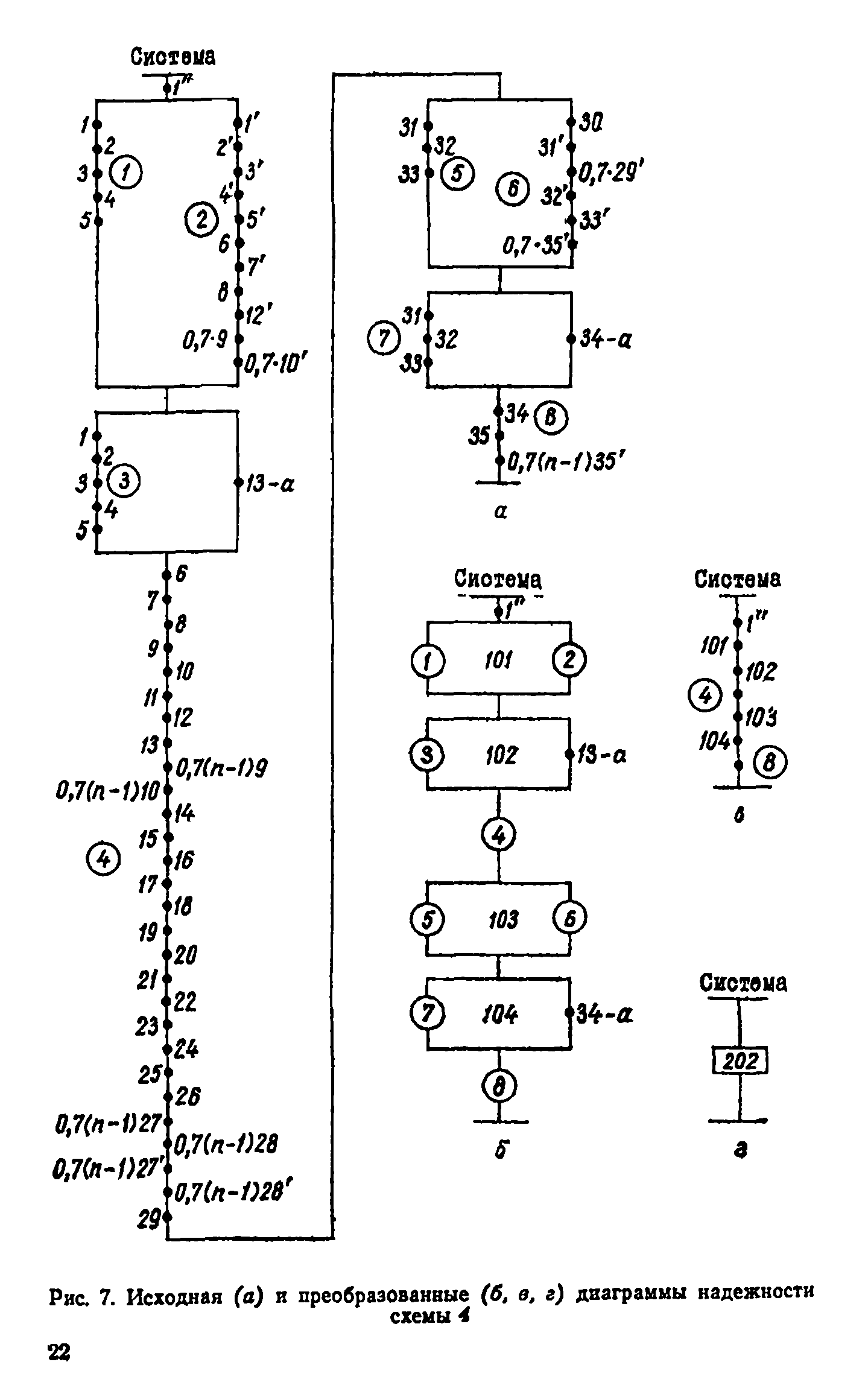
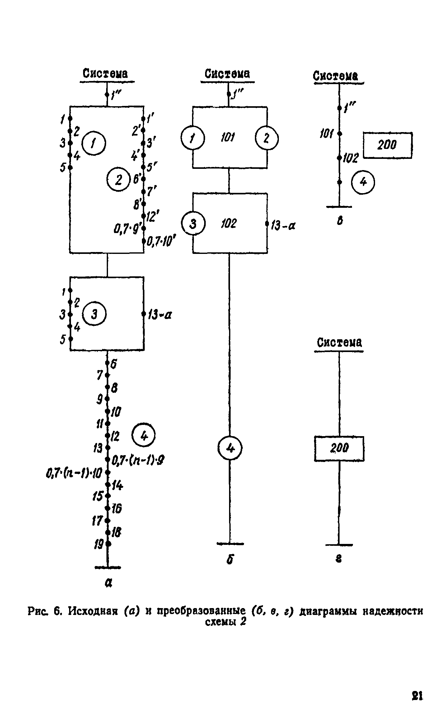
   1. Определение области изменения показателей надежности схем централизованного электроснабжения и ущербов при отсутствии резервных автономных источников
   2. Алгоритм и программа расчета надежности методом блок-схем
   3. Алгоритм и программа определения оптимальной мощности резервной электростанции методом районирования
   4. Расчет статической устойчивости электроприводов
Литература
Разработан: ВИЭСХ
МИИСП
Утверждён:12.07.1979 Министерство сельского хозяйства СССР (USSR Ministry of Agriculture )