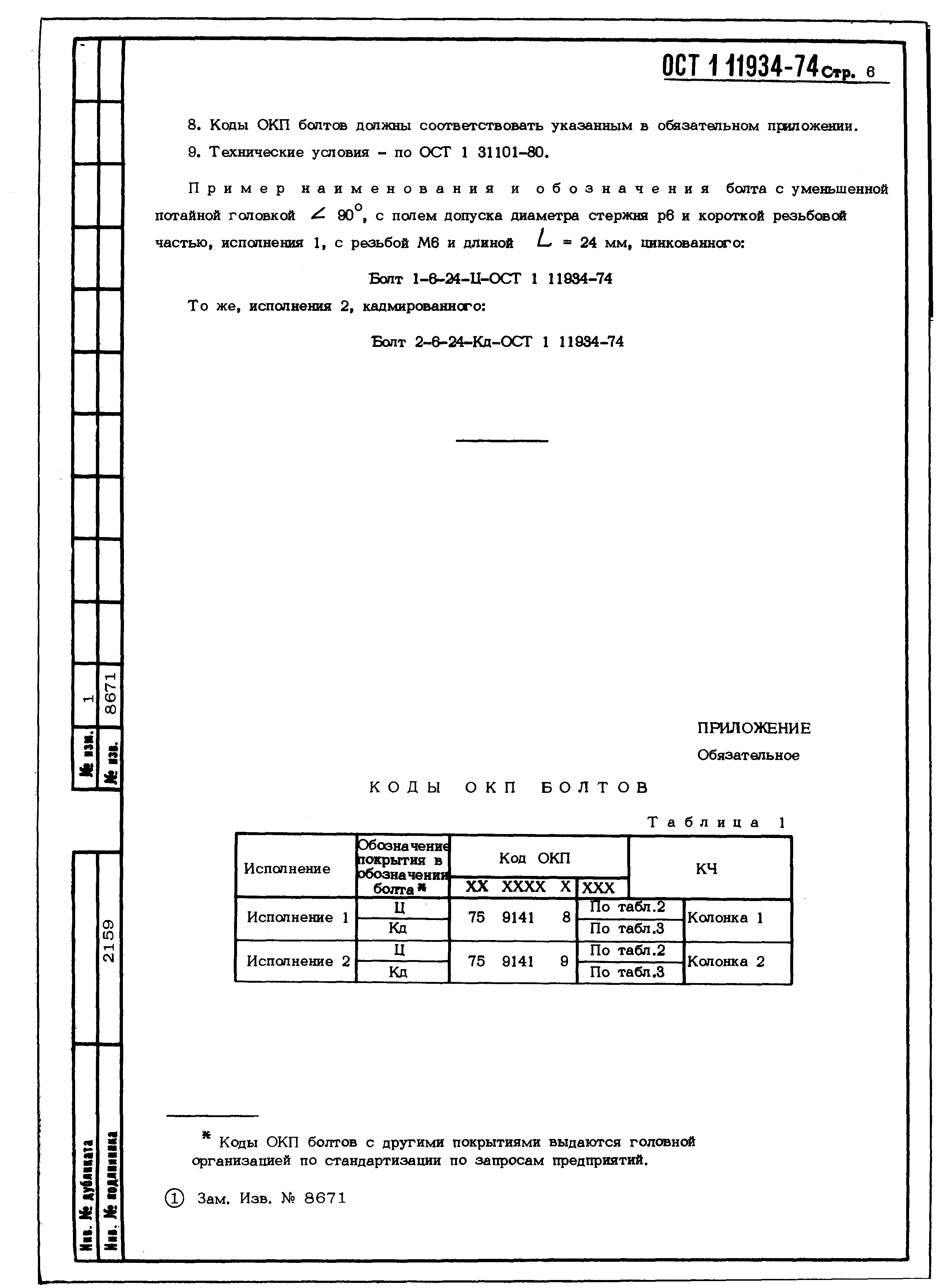
Скачать ОСТ 1 11934-74 Болты с уменьшенной потайной головкой углом 90 градусов, с полем допуска диаметра стержня p6 и короткой резьбовой частью. Конструкция и размерыДата актуализации: 01.01.2021 ОСТ 1 11934-74
Болты с уменьшенной потайной головкой углом 90 градусов, с полем допуска диаметра стержня p6 и короткой резьбовой частью. Конструкция и размеры| Обозначение: | ОСТ 1 11934-74 | | Обозначение англ: | 11934-74 | | Статус: | введен впервые | | Название рус.: | Болты с уменьшенной потайной головкой углом 90 градусов, с полем допуска диаметра стержня p6 и короткой резьбовой частью. Конструкция и размеры | | Дата добавления в базу: | 01.09.2013 | | Дата актуализации: | 01.01.2021 | | Дата введения: | 01.07.1975 | | Оглавление: | Приложение Коды ОКП болтов | | Утверждён: | 18.12.1974 Министерство (Ministry 087-16)
| | Нормативные ссылки: | |
         
|