Скачать ОСТ 1 12110-75 Хомут стяжной. Конструкция и размерыДата актуализации: 01.01.2021 ОСТ 1 12110-75
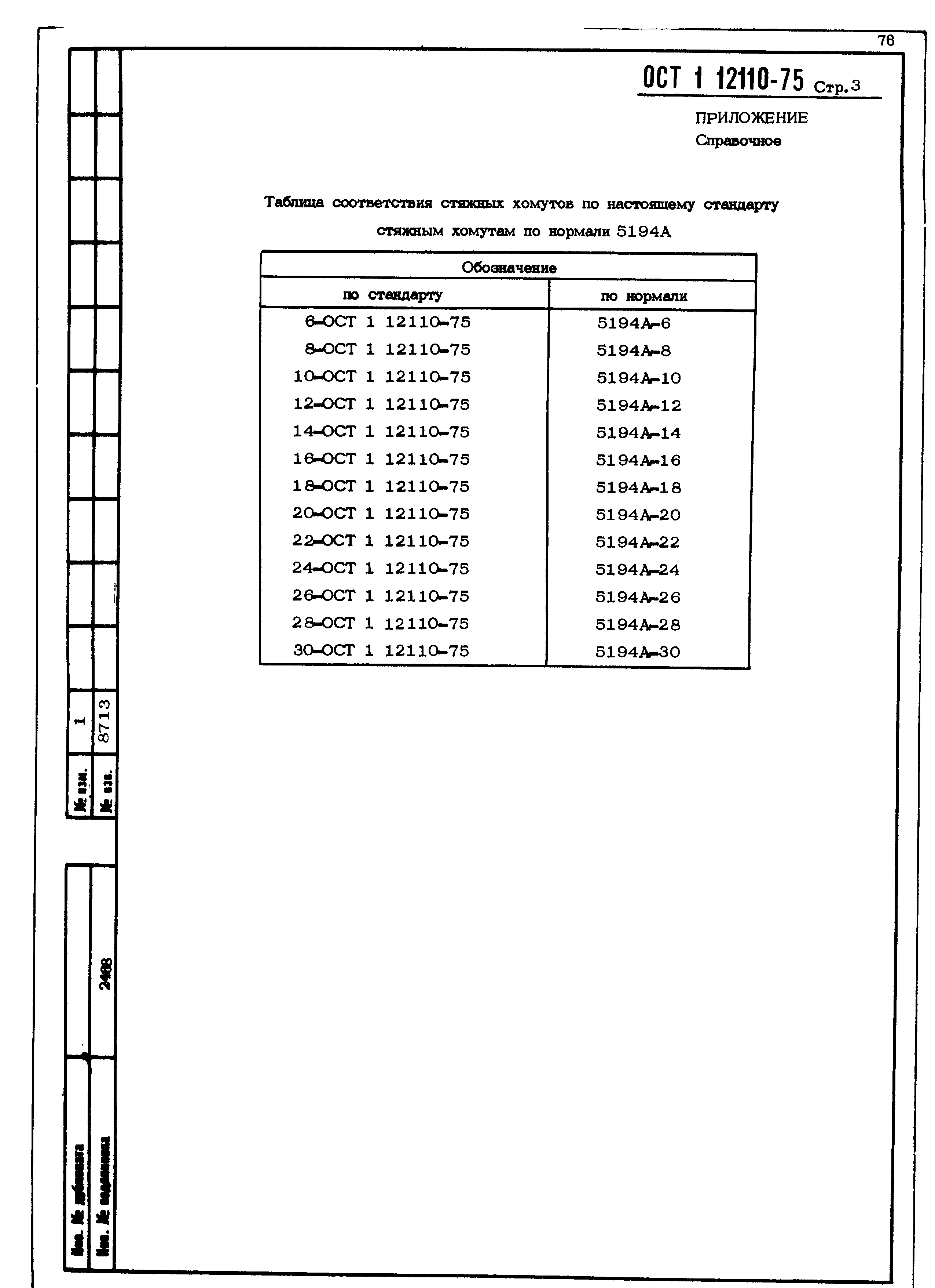
Хомут стяжной. Конструкция и размеры| Обозначение: | ОСТ 1 12110-75 | | Обозначение англ: | 12110-75 | | Статус: | действует | | Название рус.: | Хомут стяжной. Конструкция и размеры | | Дата добавления в базу: | 01.09.2013 | | Дата актуализации: | 01.01.2021 | | Дата введения: | 01.01.1976 | | Область применения: | Стандарт распространяется на стяжные хомуты для крепления трубопроводов, электропроводов и жгутов, работающих при температуре от минус 60 °С до плюс 250 °С, среда - воздух. | | Оглавление: | Приложение Таблица соответствия стяжных хомутов по настоящему стандарту стяжным хомутам по нормали 5194А | | Утверждён: | 30.05.1975 Министерство (Ministry 087-16)
| | Заменяет собой: | |
  
|