Скачать ОСТ 1 12276-77 Наконечники для бортового электропровода марки БСА. Конструкция и размерыДата актуализации: 01.01.2021 ОСТ 1 12276-77
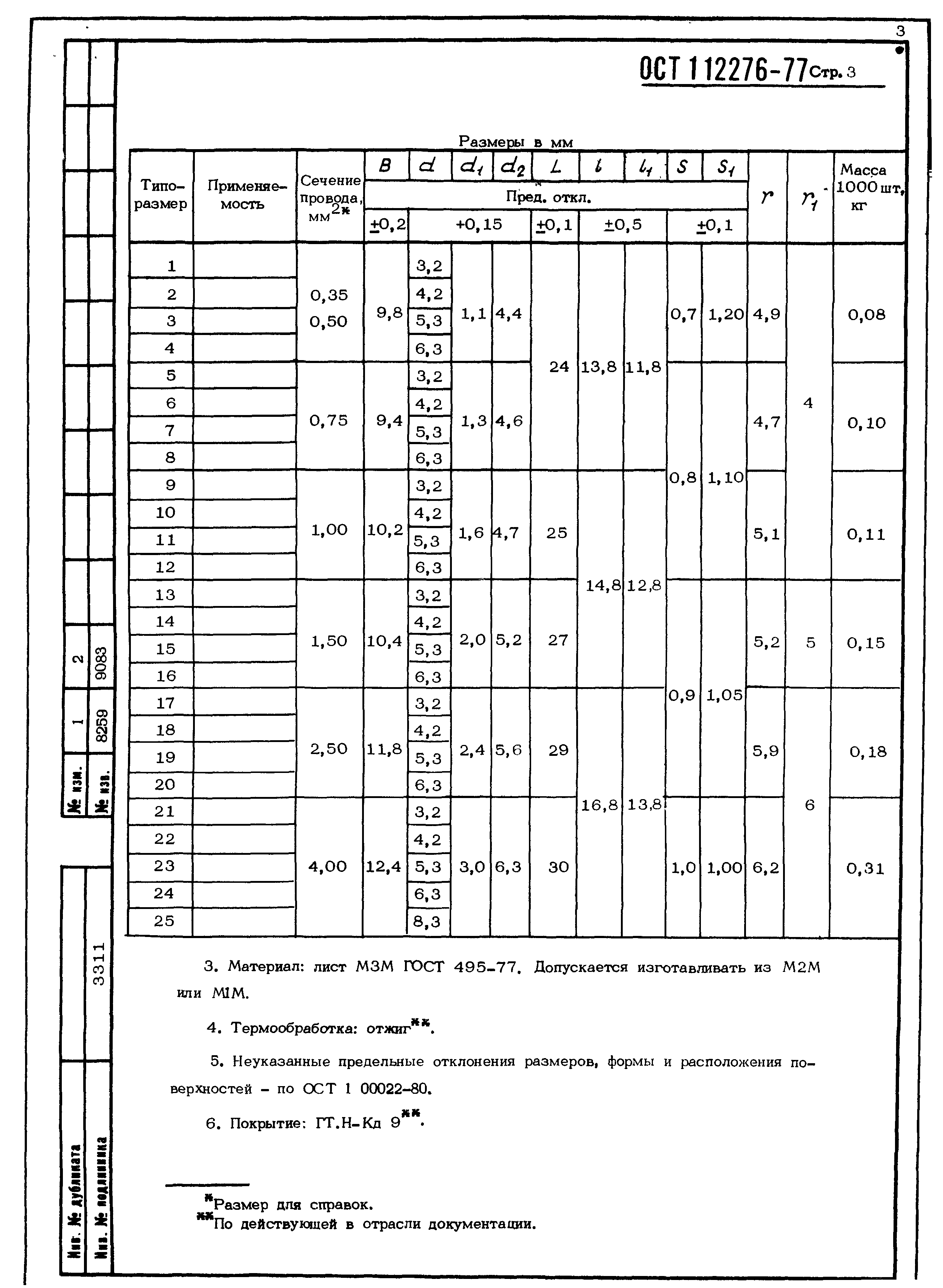
Наконечники для бортового электропровода марки БСА. Конструкция и размеры| Обозначение: | ОСТ 1 12276-77 | | Обозначение англ: | 12276-77 | | Статус: | введен впервые | | Название рус.: | Наконечники для бортового электропровода марки БСА. Конструкция и размеры | | Дата добавления в базу: | 01.09.2013 | | Дата актуализации: | 01.01.2021 | | Дата введения: | 01.07.1978 | | Область применения: | Стандарт распространяется на наконечники для бортового электропровода марки БСА, применяемые в бортовой электрической сети. | | Утверждён: | 15.09.1977 Министерство (Ministry 087-16)
| | Нормативные ссылки: | |
   
|