Скачать Серия 3.407-103 Выпуск 2. Фундаменты под трансформаторы 110 кВДата актуализации: 01.01.2021
|
| Обозначение: | Серия 3.407-103 |
| Обозначение англ: | Series 3.407-103 |
| Статус: | заменен |
| Название рус.: | Выпуск 2. Фундаменты под трансформаторы 110 кВ |
| Дата добавления в базу: | 01.09.2013 |
| Дата актуализации: | 01.01.2021 |
| Дата введения: | 01.09.1975 |
| Дата окончания срока действия: | 01.06.1988 |
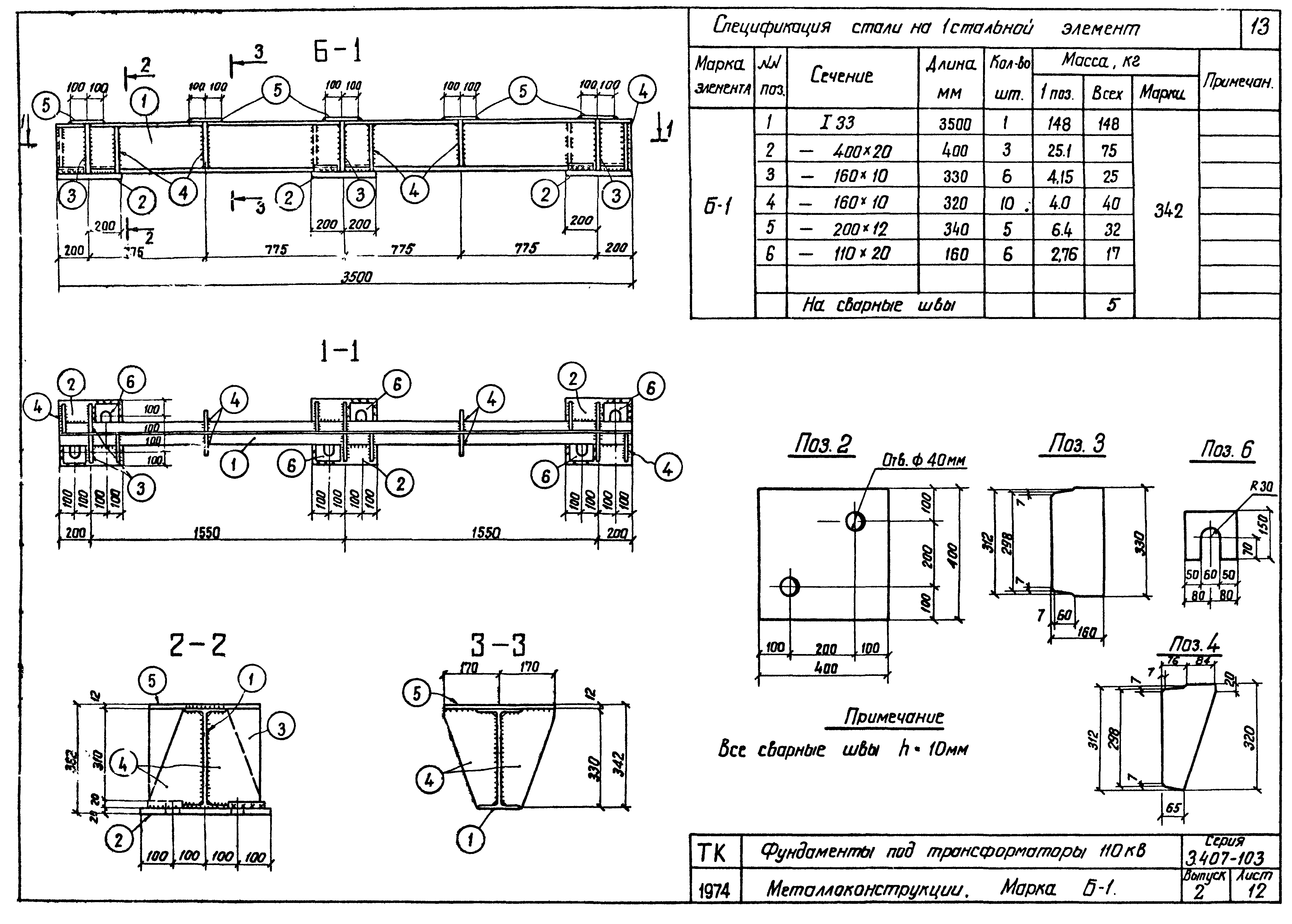
| Оглавление: | Титульный лист Перечень листов и примененных типовых проектов Фундаменты типа ФТН-1 - ФТН-4 Фундаменты типа ФТН-1 - ФТН-4. Разрез 1-1 Фундаменты типа ФТН-1 - ФТН-4. Крепление рельса к плитам типа НСП Фундаменты типа ФТС-1 - ФТС-6 Фундаменты типа ФТС-1 - ФТС-6. Разрез 1-1 Фундаменты типа ФТП-1 - ФТП-4 Фундаменты типа ФТП-1 - ФТП-4. Разрез 1-1 Фундаменты типа ФТЦ-1 - ФТЦ-6 Фундаменты типа ФТЦ-1 - ФТЦ-6. Разрезы 1-1 - 3-3 Крепление рельса к балке Б-1 Металлоконструкции. Марка Б-1 Металлоконструкции. Марки П-1; П-2; С-1 - С-4; К-1; К-2 Анкера из подножников. Типы АП-1-1; АП-2-1; АП-1-2; АП-1-2; АП-2-2 Анкера из подножников. Типы АП-3-1; АП-4-1; АП-3-2; АП-4-2 Анкера из цилиндрических фундаментов стоек УСО. Типы АЦ56-1,2 ; АЦ65-1,2; АЦ80-1,2; АЦ100-1,2; АУ65-1; АУ80-1 Анкера из свай. Марки АС-1 - АС-7 Металлоконструкции. Марки АМ-1; АМ-2 Установка креплений для полиспастов. Узлы А, Б Маслосборник МСЛ-1 Маслосборник МСЛ-2 Приямок маслосборника Установка трансформатора типа ТДТН-80000/110. План фундаментов Установка трансформатора типа ТРДЦН-63000/110-70. План фундаментов |
| Разработан: | Северо-западное отделение института Энергосетьпроект |
| Утверждён: | 11.11.1974 Минэнерго СССР (USSR Minenergo 229) |
| Издан: | ЦИТП Госстроя СССР (CITP, Gosstroy (USSR) 1976 г. ) |
| Чем заменён: |

























