Скачать СН 81-80 Инструкция по проектированию электрического освещения строительных площадокДата актуализации: 01.01.2021
|
| Обозначение: | СН 81-80 |
| Обозначение англ: | SN 81-80 |
| Статус: | отменен |
| Название рус.: | Инструкция по проектированию электрического освещения строительных площадок |
| Дата добавления в базу: | 01.09.2013 |
| Дата актуализации: | 01.01.2021 |
| Дата введения: | 01.01.1981 |
| Дата окончания срока действия: | 01.01.1986 |
| Область применения: | Требования инструкции должны соблюдаться при проектировании электрического освещения строительных площадок, а также мест производства строительных и монтажных работ внутри зданий. |
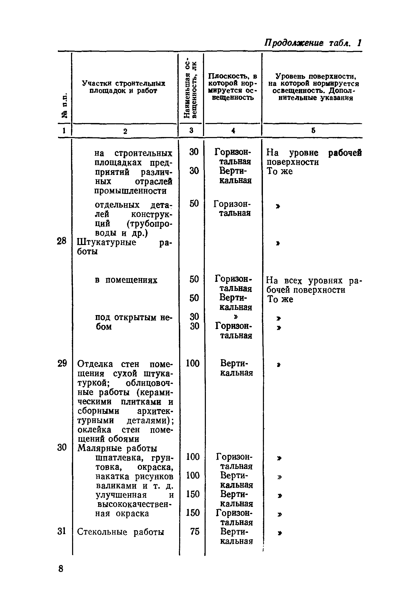
| Оглавление: | 1. Общие указания 2. Системы и виды освещения 3. Осветительные приборы и источники света 4. Нормы освещенности и коэффициент запаса 5. Качество освещения 6. Основные требования к электротехнической части Приложение 1. Методы расчета количества прожекторов Приложение 2. Рекомендуемые схемы расположения осветительных приборов |
| Разработан: | Госстрой СССР НИИСФ |
| Утверждён: | 28.03.1980 Госстрой СССР (Государственный комитет Совета Министров СССР по делам строительства) (USSR Gosstroy 42) |
| Издан: | Стройиздат (1980 г. ) |
| Заменяет собой: |
|
| Нормативные ссылки: |


























