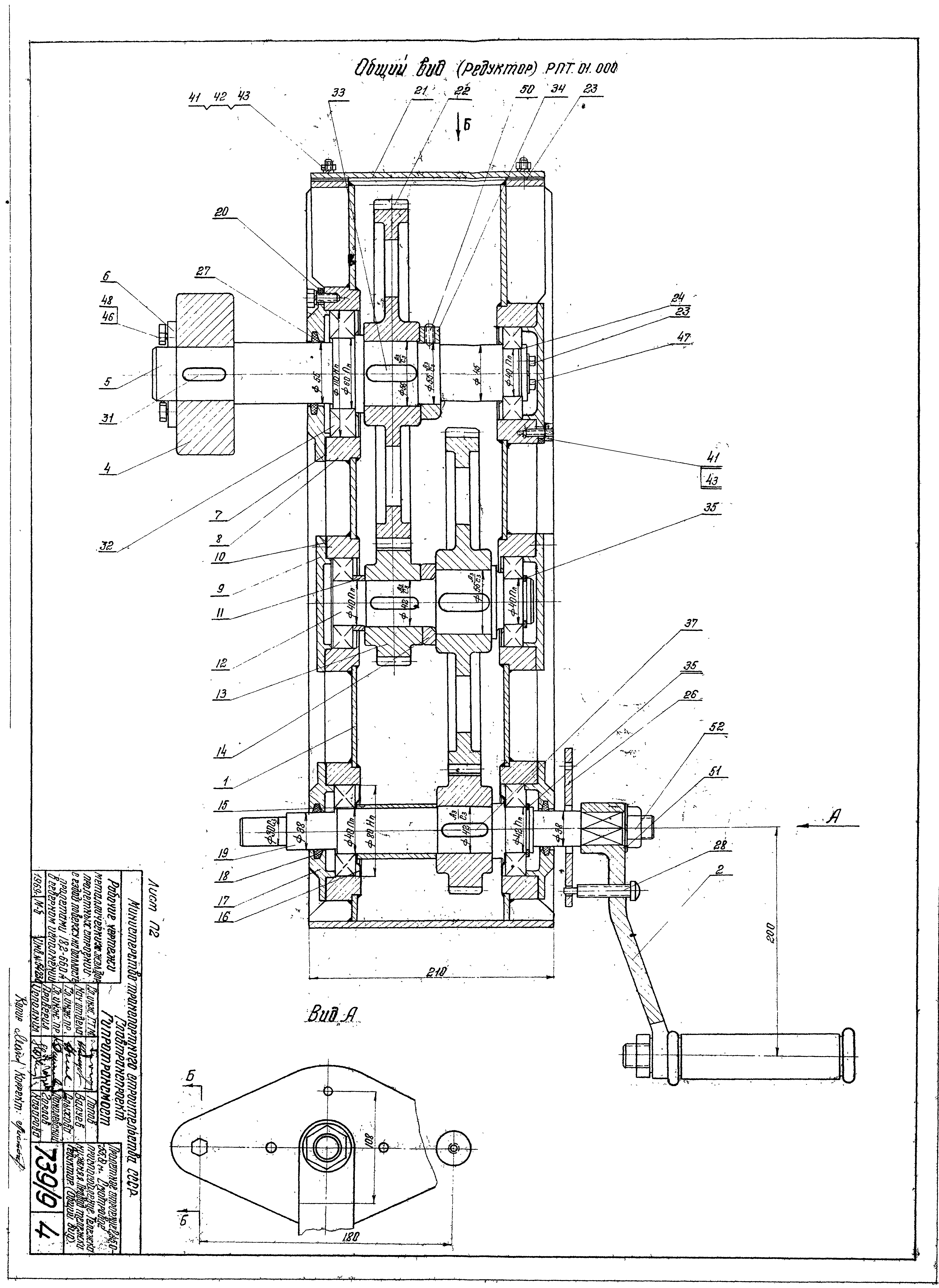
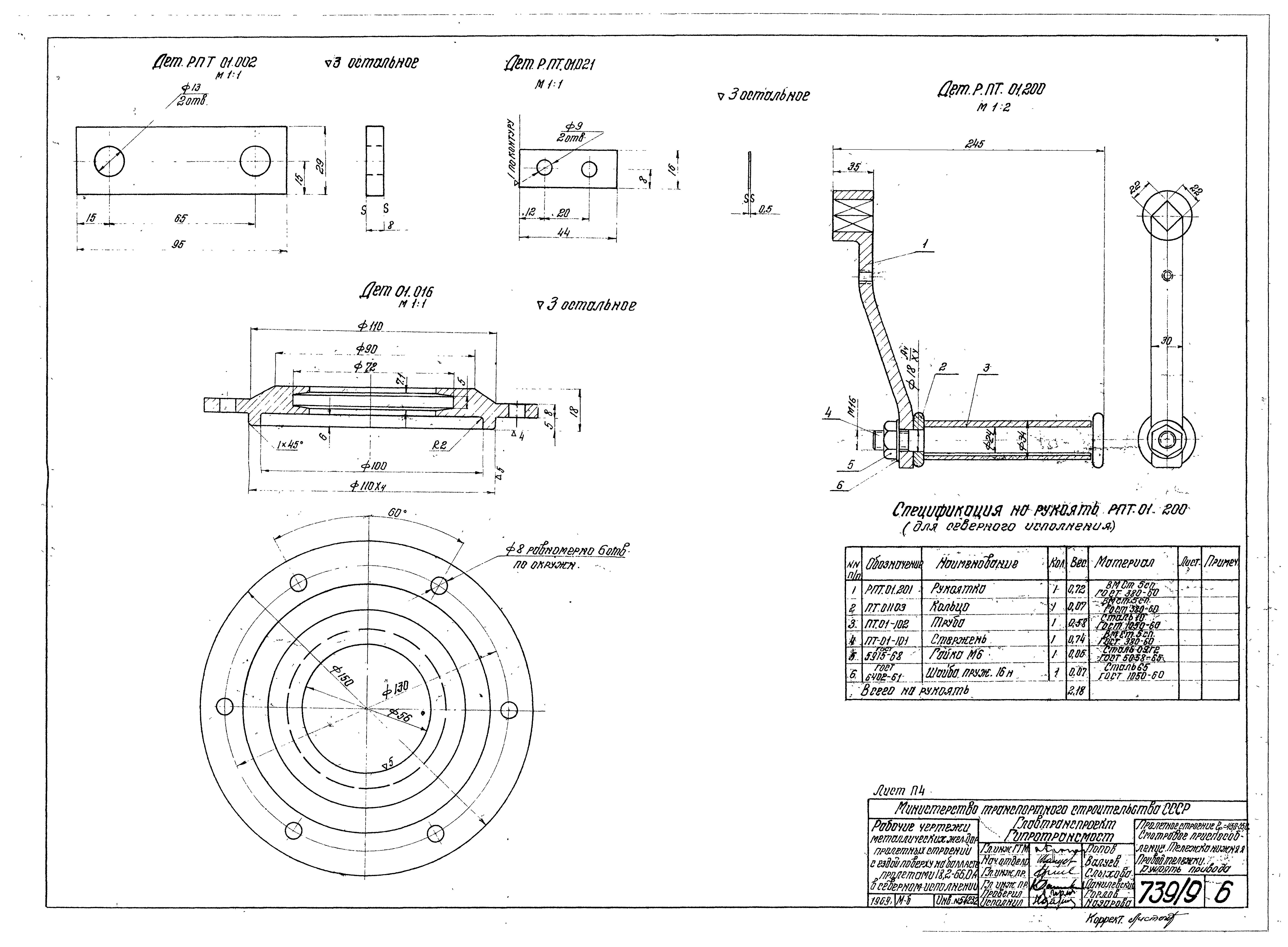
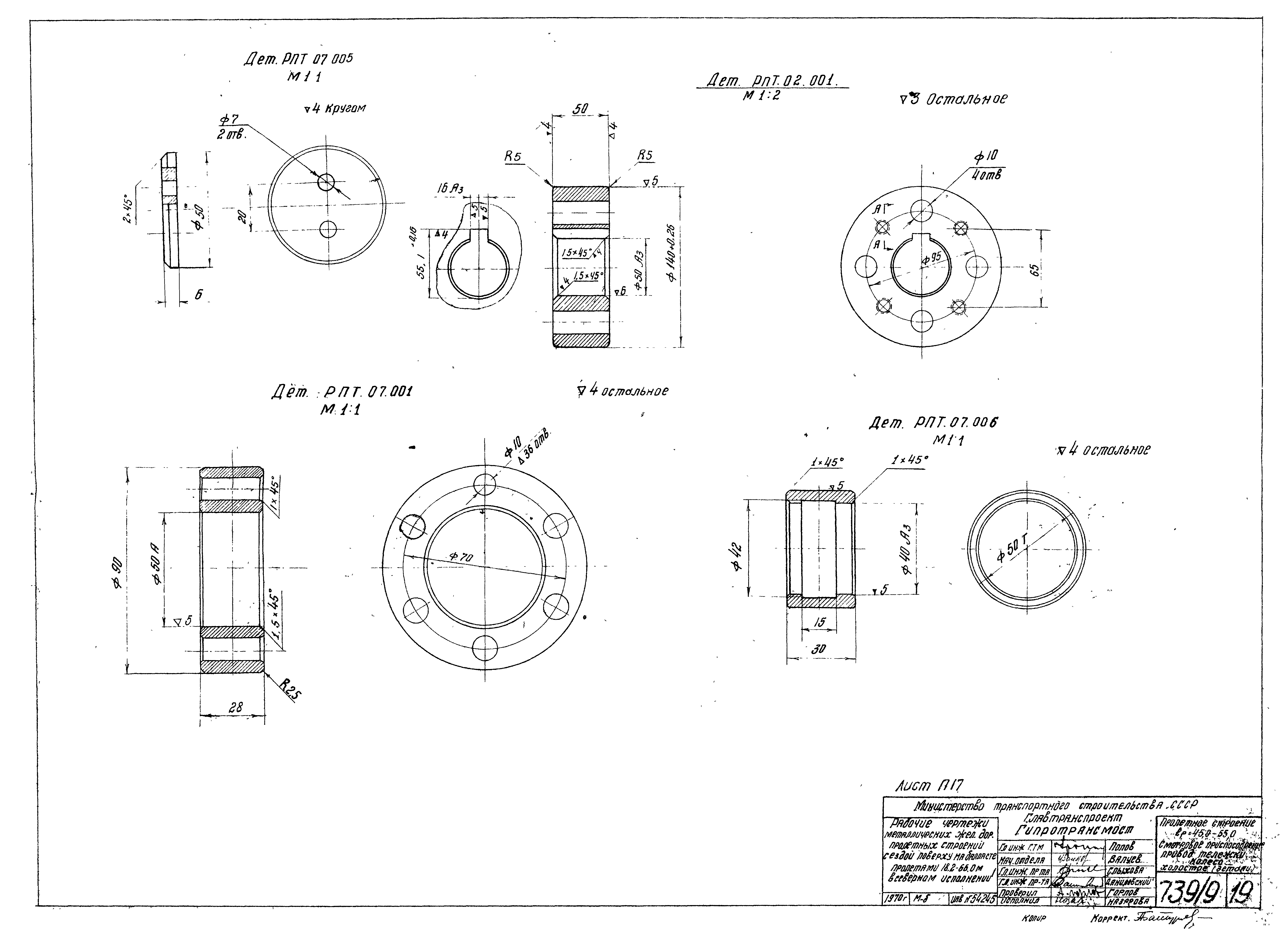
Скачать Серия 3.501-49 Выпуск 9. Металлические железнодорожные пролетные строения с ездой поверху на балласте пролетами 45,0 м; 55,0 м в северном исполнении. Привод нижней смотровой тележкиДата актуализации: 01.01.2021 Серия 3.501-49
Выпуск 9. Металлические железнодорожные пролетные строения с ездой поверху на балласте пролетами 45,0 м; 55,0 м в северном исполнении. Привод нижней смотровой тележки| Обозначение: | Серия 3.501-49 | | Обозначение англ: | Series 3.501-49 | | Статус: | не определен законодательством | | Название рус.: | Выпуск 9. Металлические железнодорожные пролетные строения с ездой поверху на балласте пролетами 45,0 м; 55,0 м в северном исполнении. Привод нижней смотровой тележки | | Дата добавления в базу: | 01.09.2013 | | Дата актуализации: | 01.01.2021 | | Дата введения: | 01.03.1971 | | Дата окончания срока действия: | 30.06.2003 | | Разработан: | Гипротрансмост
| | Утверждён: | 05.06.1970 МПС (Ministry of Railroads П-15741)
|
                         
|