Скачать ОСТ 1 31564-80 Винты с полупотайной головкой с углом 120°. Конструкция и размерыДата актуализации: 01.01.2021 ОСТ 1 31564-80
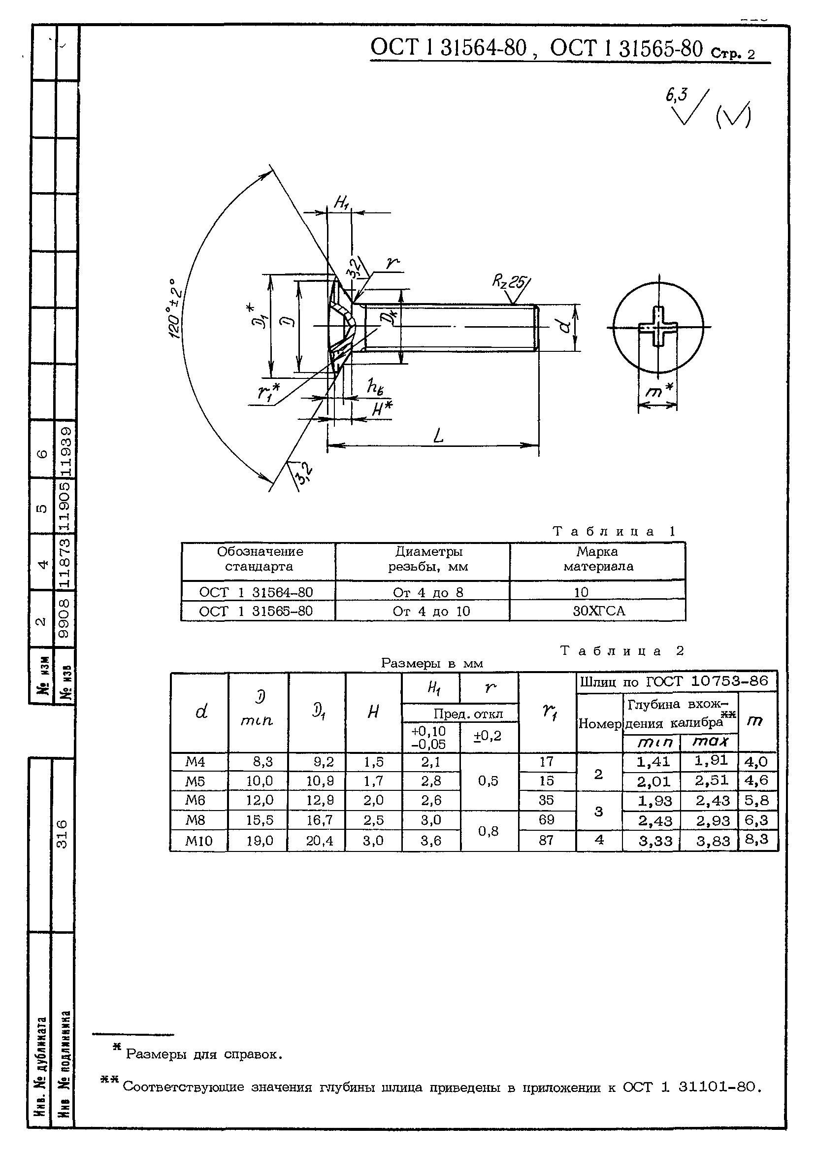
Винты с полупотайной головкой с углом 120°. Конструкция и размеры| Обозначение: | ОСТ 1 31564-80 | | Обозначение англ: | 31564-80 | | Статус: | действует | | Название рус.: | Винты с полупотайной головкой с углом 120°. Конструкция и размеры | | Дата добавления в базу: | 01.09.2013 | | Дата актуализации: | 01.01.2021 | | Дата введения: | 01.01.1982 | | Оглавление: | Приложение Коды ОКП винтов | | Утверждён: | 30.10.1980 Министерство (Ministry 087-16)
| | Заменяет собой: | - Нормаль 3188А
- Нормаль 3189А
|
     
|