Скачать Типовой проект 902-2-425.86 Альбом 2. ИзделияДата актуализации: 01.01.2021
|
| Обозначение: | Типовой проект 902-2-425.86 |
| Обозначение англ: | 902-2-425.86 |
| Статус: | не определен законодательством |
| Название рус.: | Альбом 2. Изделия |
| Дата добавления в базу: | 01.09.2013 |
| Дата актуализации: | 01.01.2021 |
| Дата введения: | 14.07.1986 |
| Дата окончания срока действия: | 30.06.2003 |
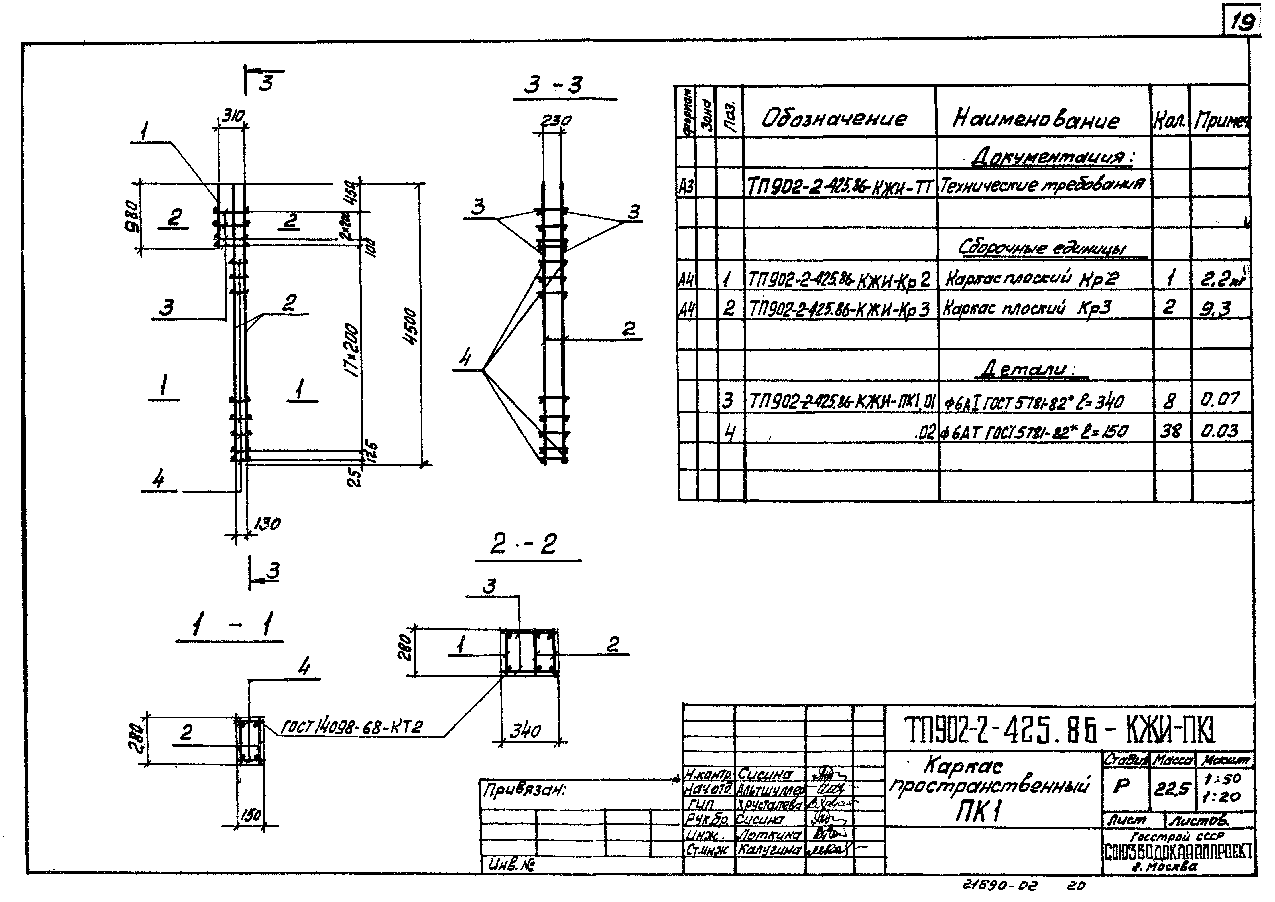
| Оглавление: | Содержание альбома 902-2-425.86-КЖИ-ТТ Технические требования Отстойник КЖИ-ПСЦ2-36-1А Панель ПСЦ2-36-1А (I вариант) КЖИ-ПСЦ2-36-1А/1 Панель ПСЦ2-36-1А (I вариант) КЖИ-ПСЦ2-36-1А/2 Панель ПСЦ2-36-1А (I вариант) КЖИ-ПСЦ2-36-1Б Панель ПСЦ2-36-1Б (II, III варианты) КЖИ-ПСЦ2-36-1Б/1 Панель ПСЦ2-36-1Б (II, III варианты) КЖИ-ПСЦ2-36-1Б/2 Панель ПСЦ2-36-1Б/2 (II, III варианты) КЖИ-ЛТ3-4-4А Лоток ЛТ3-4-4А (I вариант) КЖИ-ЛТ3-6-6А Лоток ЛТ3-6-6А (II, III варианты) КЖИ-МН-1 Изделие закладное МН1 КЖИ-МС-1 Монтажный столик МС1 КЖИ-ПСО-1 Подкос ПСО1 КЖИ-МН-2 Изделие закладное МН2 КЖИ-МН-3 Изделие закладное МН3 КЖИ-М-1 Соединительное изделие М1 (I вариант) КЖИ-М-2 Соединительное изделие М2 (II, III варианты) КЖИ-М-3 Соединительное изделие М3 (I вариант) КЖИ-М-4 Соединительное изделие М4 (II, III варианты) КЖИ-МН-4 Изделие закладное МН4 КЖИ-МН-5 Изделие закладное МН5 КЖИ-Кр-1 Каркас плоский Кр1 КЖИ-КМ2-ПК1 Каркас пространственный ПК1 КЖИ-Кр-2 Каркас плоский Кр2 КЖИ-Кр-3 Каркас плоский Кр3 Распределительная чаша КЖИ-МН-6 Изделие закладное МН6 КЖИ-МН-7 Изделие закладное МН7 Нефтесборный колодец КЖИ-КС-1 Кожух стальной КС-1 КЖИ-П11g-8а-1 Плита перекрытия П11g-8а-1 Колодец выпуска КЖИ-КПЦ1-20-1 Плита перекрытия КПЦ1-20-1 |
| Разработан: | Союзводоканалпроект |
| Утверждён: | 14.07.1986 Госстрой СССР (Государственный комитет Совета Министров СССР по делам строительства) (USSR Gosstroy 21) |
























