Скачать Типовой проект 902-2-421.86 Альбом 3. Строительные изделияДата актуализации: 01.01.2021
|
| Обозначение: | Типовой проект 902-2-421.86 |
| Обозначение англ: | 902-2-421.86 |
| Статус: | не определен законодательством |
| Название рус.: | Альбом 3. Строительные изделия |
| Дата добавления в базу: | 01.09.2013 |
| Дата актуализации: | 01.01.2021 |
| Дата введения: | 01.12.1986 |
| Дата окончания срока действия: | 30.06.2003 |
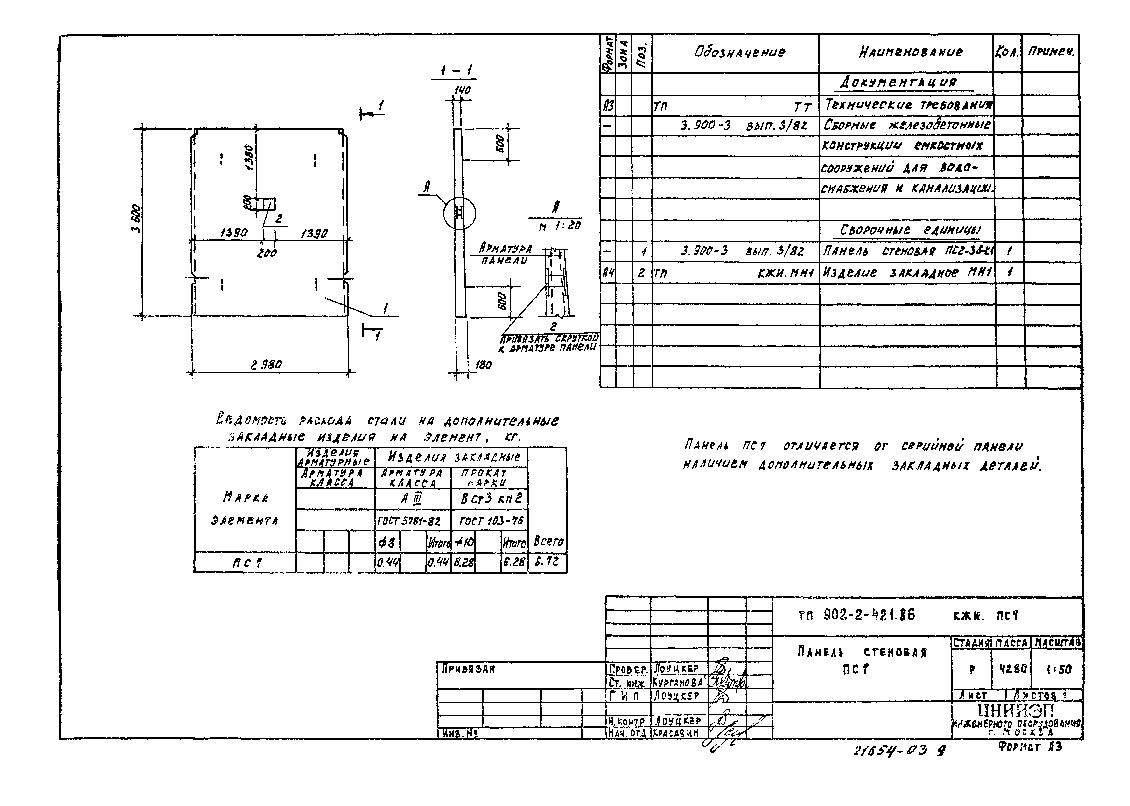
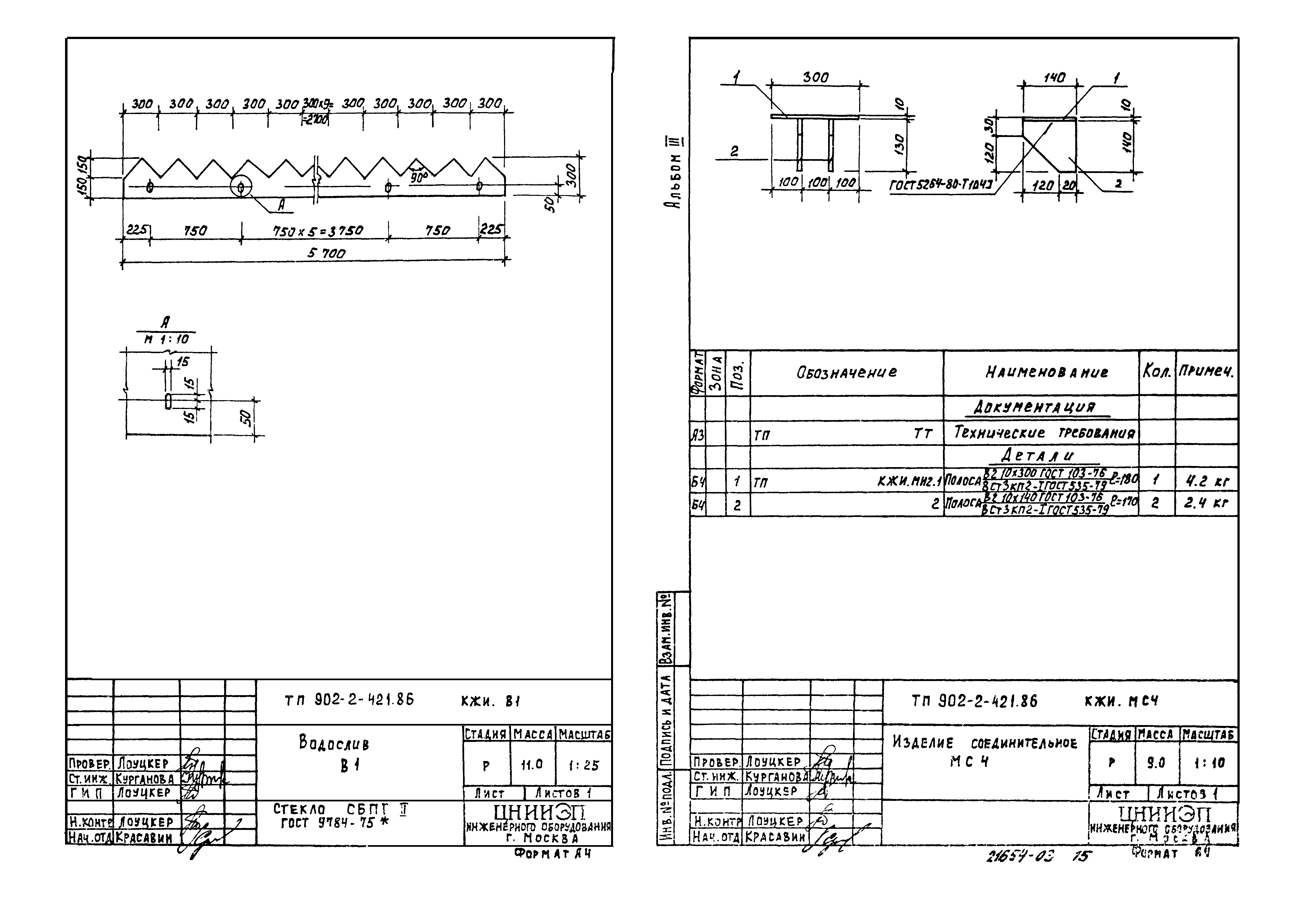
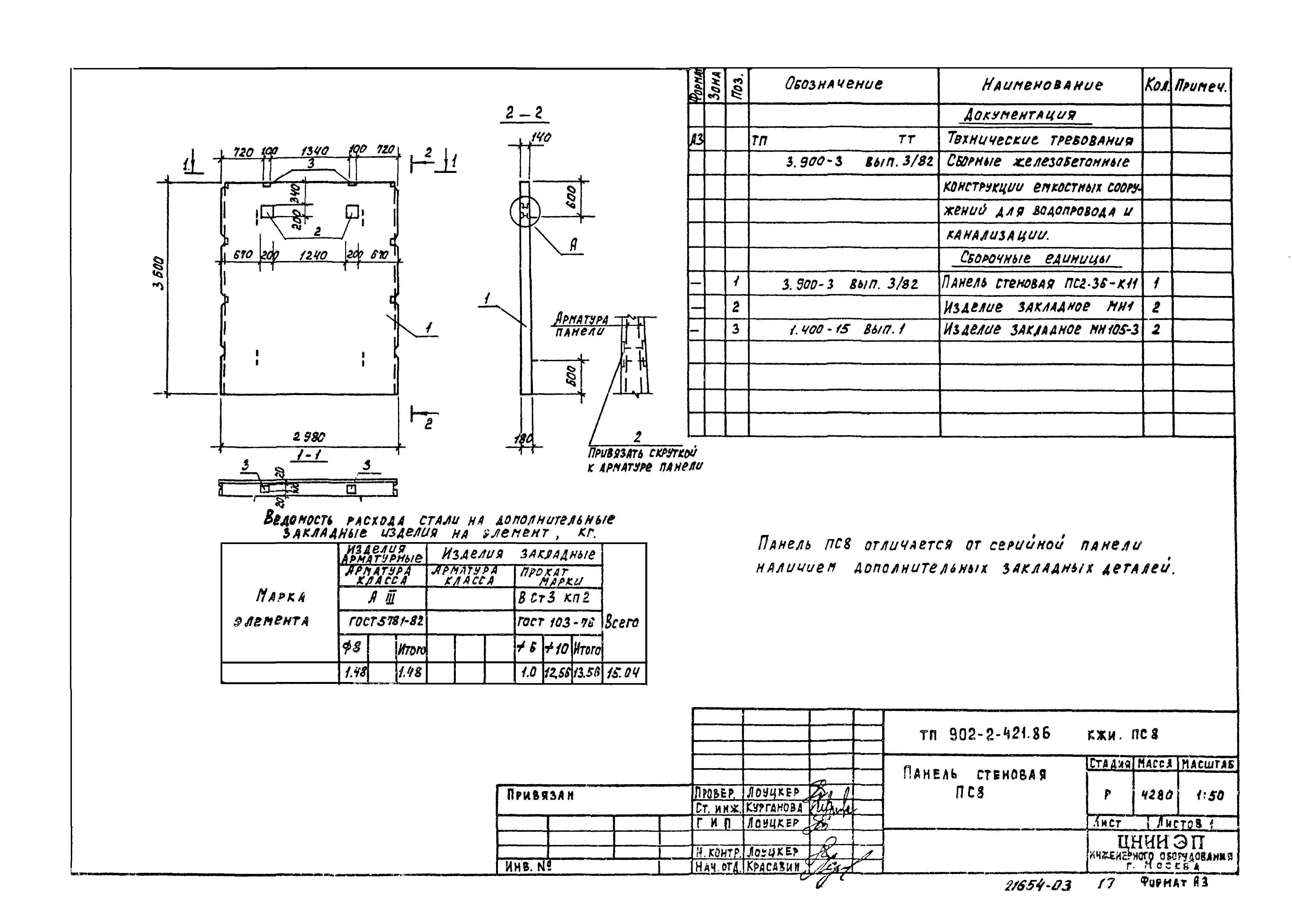
| Оглавление: | Технические требования Панель стеновая ПС3 Панель стеновая ПС4 Панель стеновая ПС5 Панель стеновая ПС6 Панель стеновая ПС7 Плита П1 Плита П3 Балка Б1 Щит струенаправляющий Щ1 Изделие закладное МН1 Изделие закладное МН2 Водослив В1 Изделие соединительное МС4 Каркас пространственный КП1 Каркас плоский Кр1 Панель стеновая ПС8 Лоток ЛТ1 |
| Разработан: | ЦНИИЭП |
| Утверждён: | 05.11.1984 Госгражданстрой (Gosgrazhdanstroy 320) |


















