Скачать Типовой проект 902-2-161 Альбом 1. Технологическая, электротехническая части, теплоснабжение, архитектурно-строительная частьДата актуализации: 01.01.2021
|
| Обозначение: | Типовой проект 902-2-161 |
| Обозначение англ: | 902-2-161 |
| Статус: | не определен законодательством |
| Название рус.: | Альбом 1. Технологическая, электротехническая части, теплоснабжение, архитектурно-строительная часть |
| Дата добавления в базу: | 01.09.2013 |
| Дата актуализации: | 01.01.2021 |
| Дата введения: | 30.08.1971 |
| Дата окончания срока действия: | 30.06.2003 |
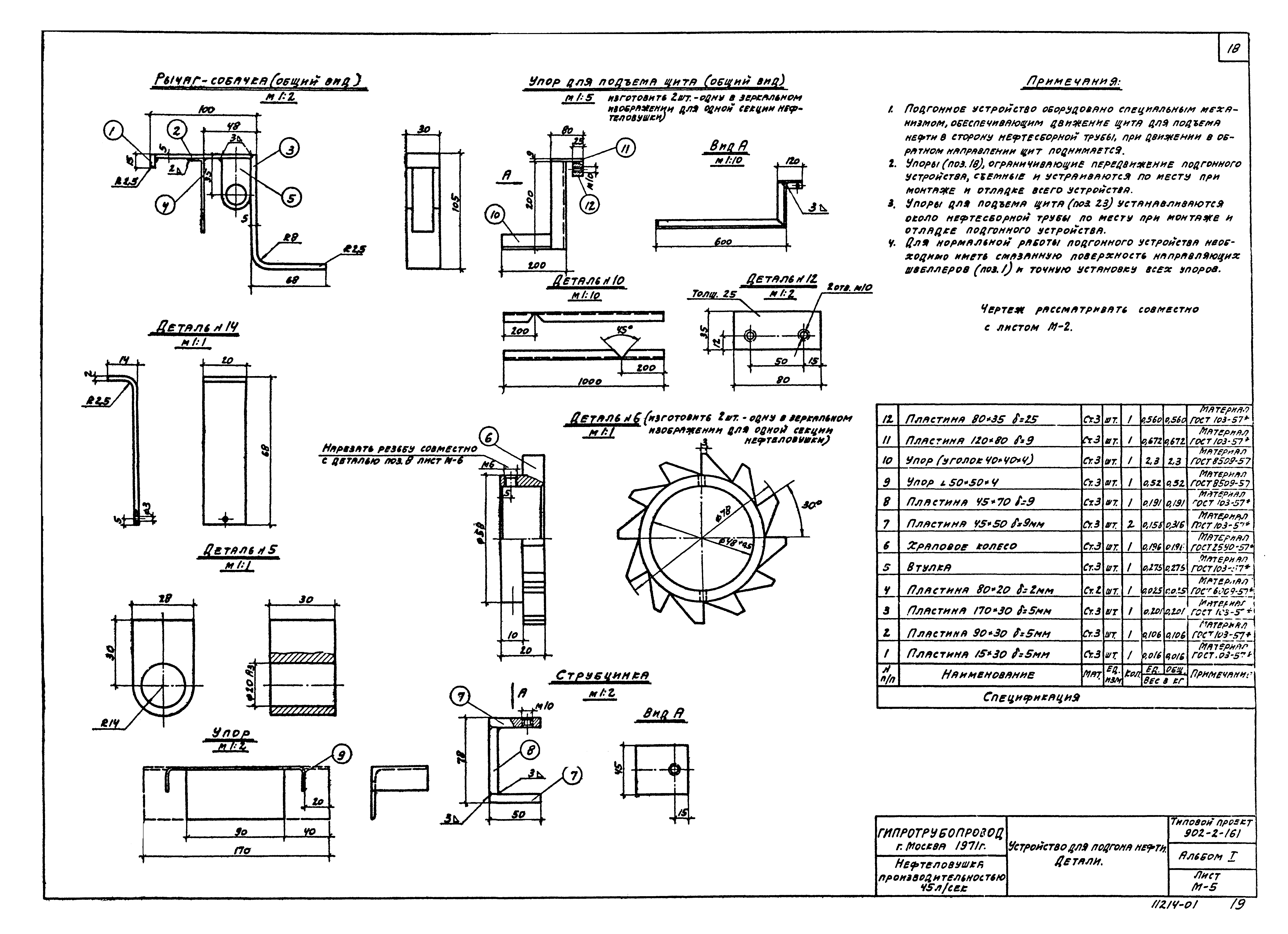
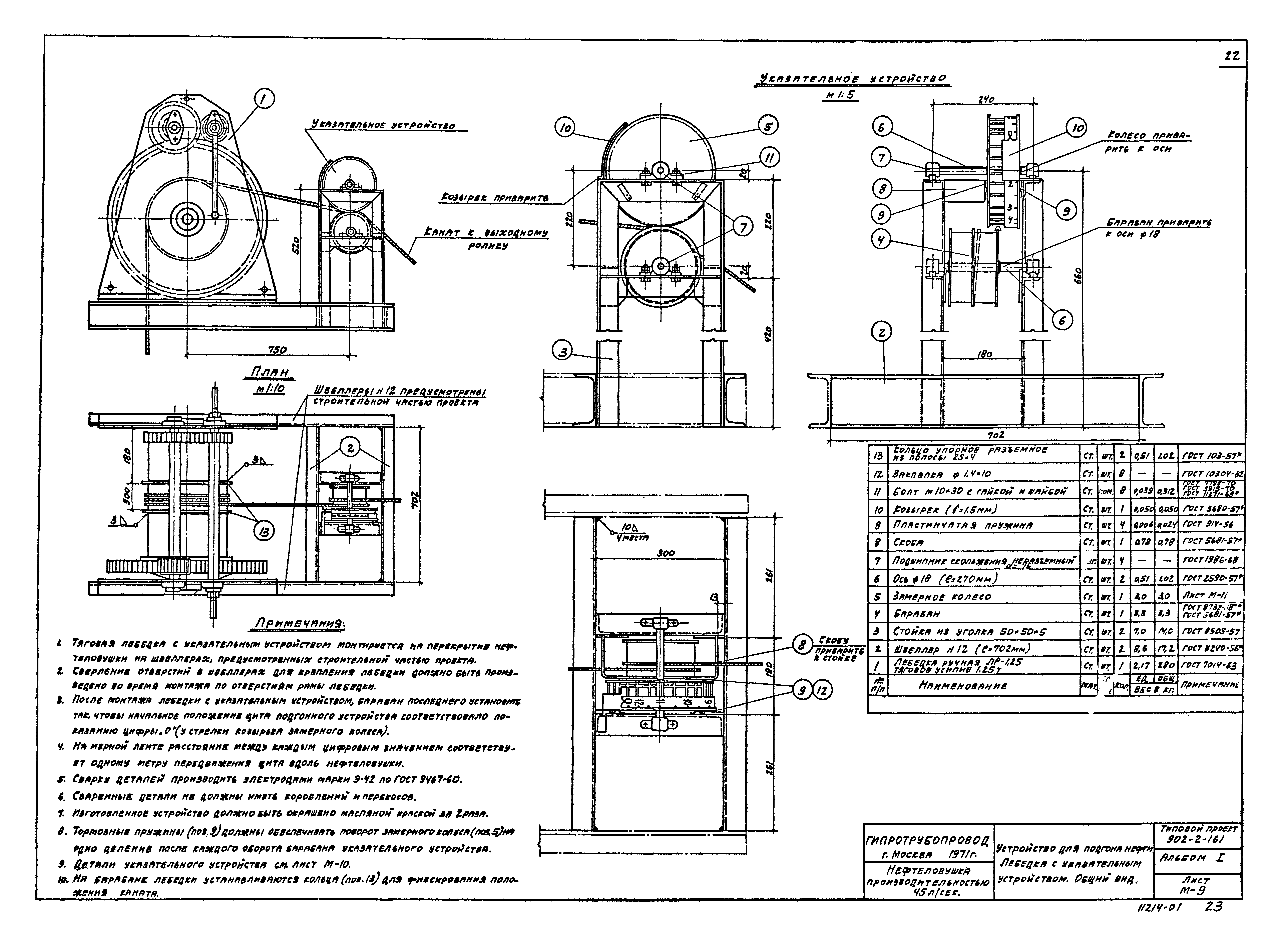
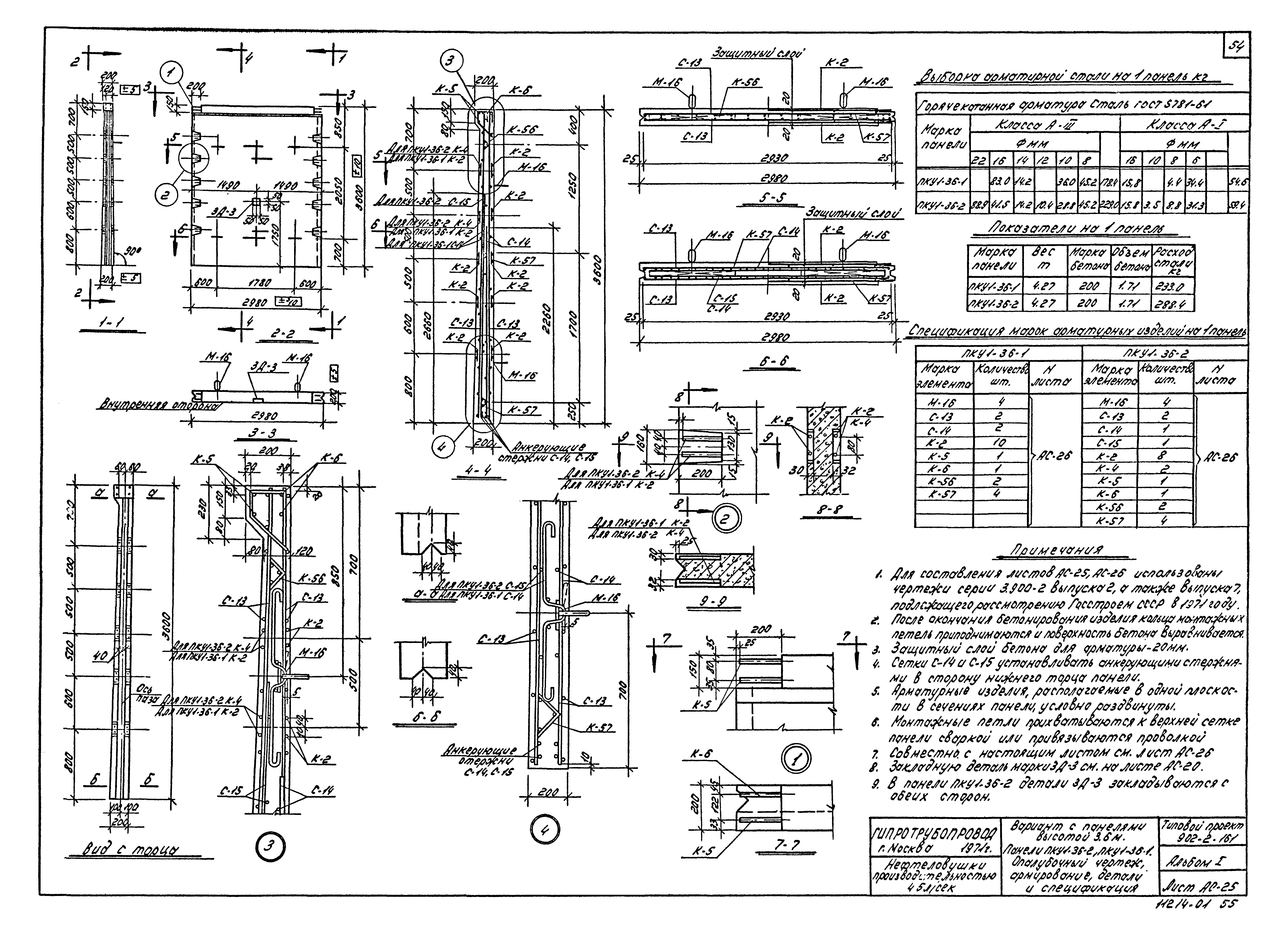
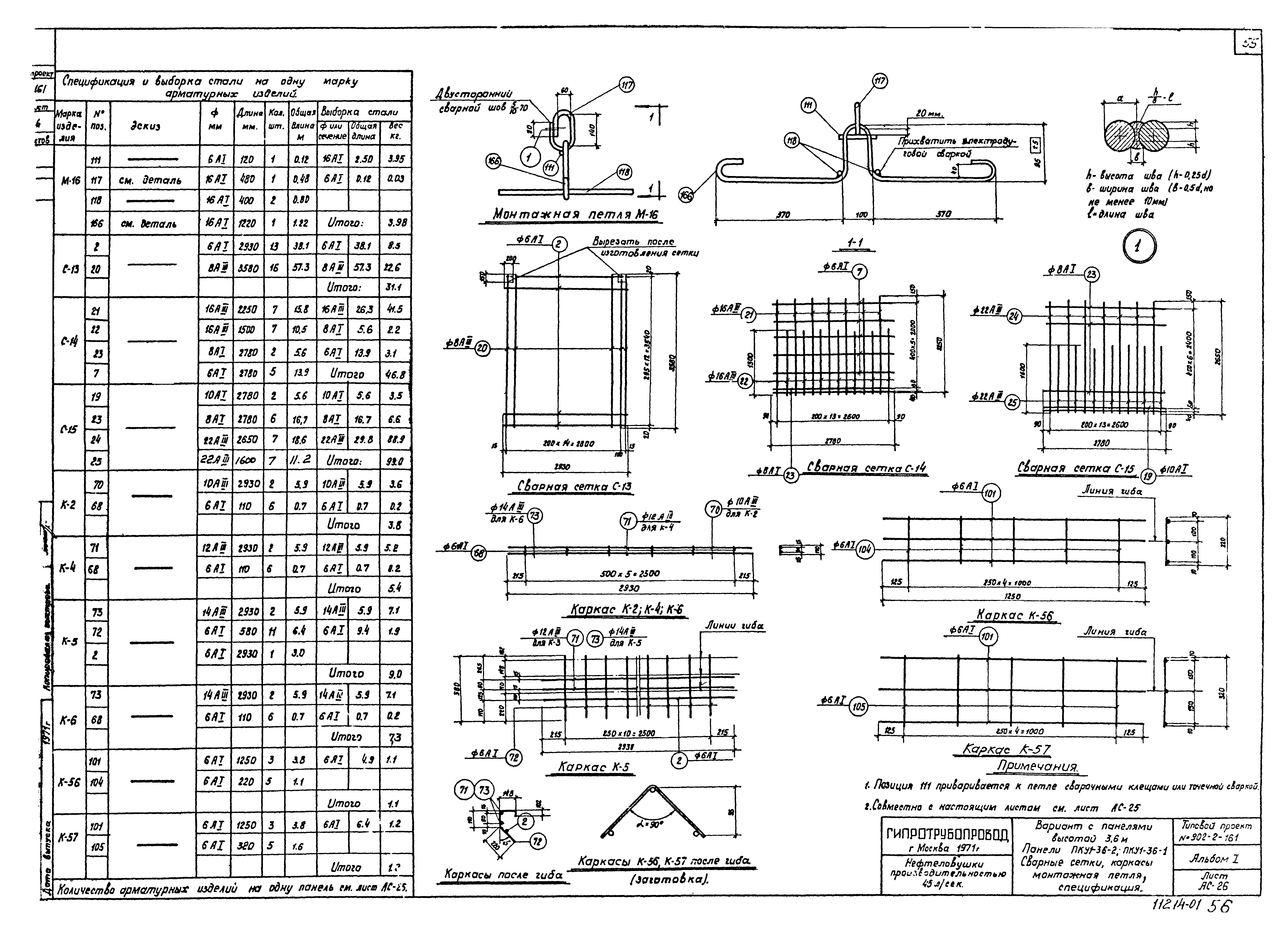
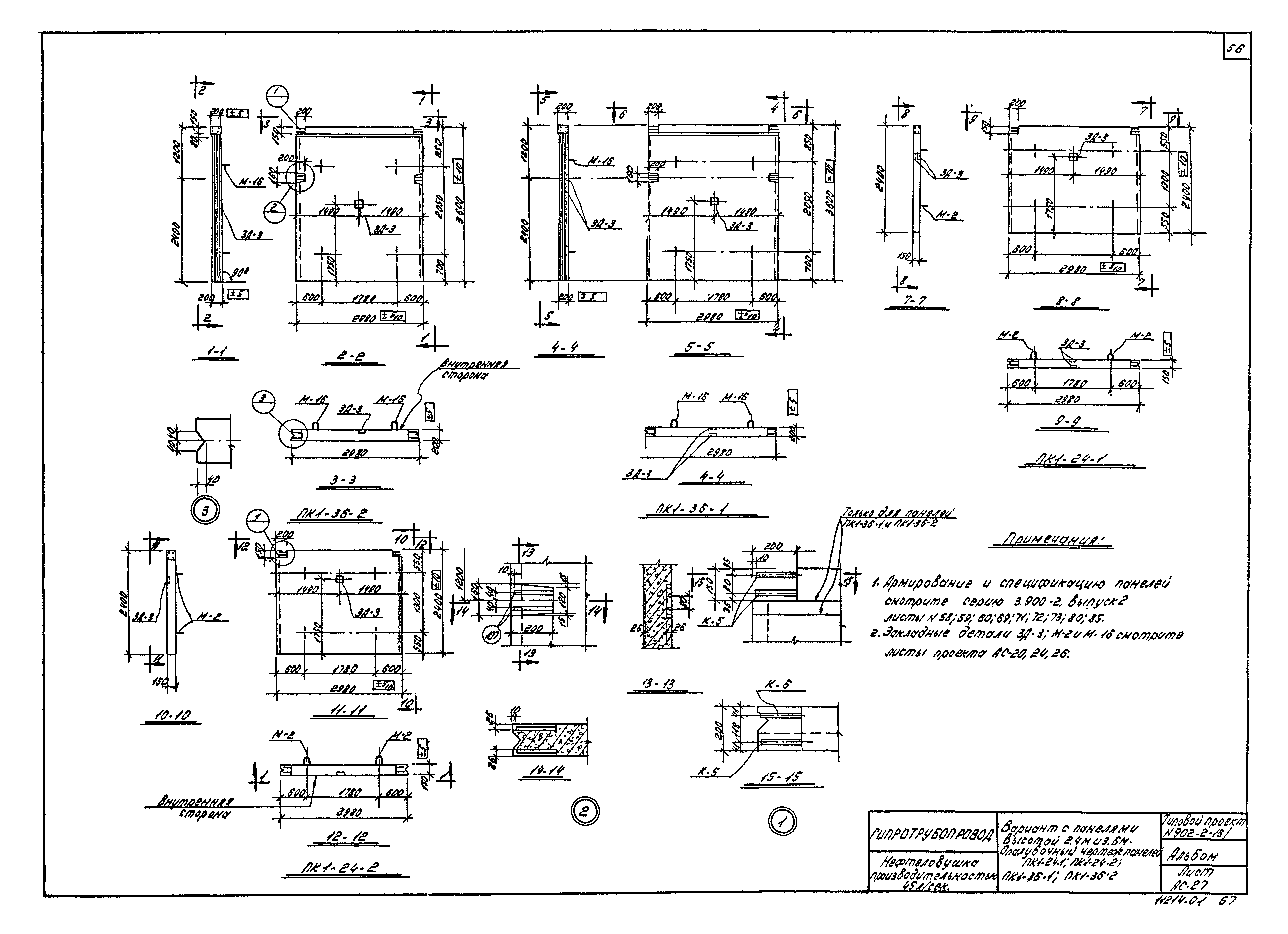
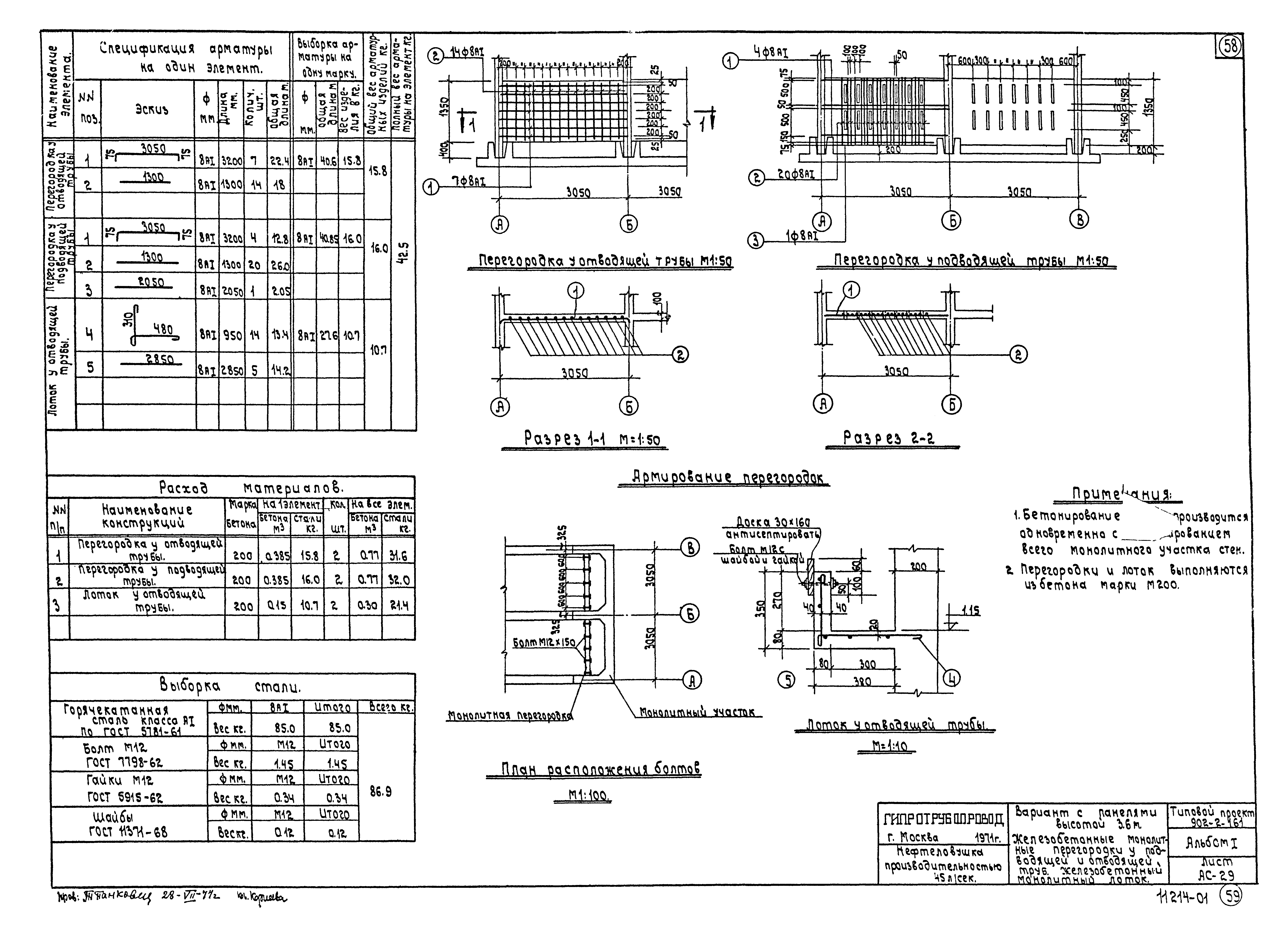
| Оглавление: | Содержание альбома Пояснительная записка Заказная спецификация на оборудование, арматуру и другие материалы по технологической и механической частям, теплоснабжения и электротехнической частям Общий вид оборудования нефтеловушки Распределительная труба. Размывающая головка. Детали Монтажный чертеж. Установка гидроэлеватора. Общий вид и узлы Оборудование нефтеловушки устройством для подгона нефти к нефтесборной трубе с поворотным устройством Устройство для подгона нефти. Общий вид Устройство для подгона нефти. Узлы. Разрезы Устройство для подгона нефти. Ползун. Щит для подгона нефти Устройство для подгона нефти. Детали Устройство для подгона нефти. Ролик боковой Устройство для подгона нефти. Ролик верхний Устройство для подгона нефти. Ролик выходной Устройство для подгона нефти. Лебедка с указательным устройством. Общий вид Устройство для подгона нефти. Лебедка с указательным устройством. Детали Устройство для подгона нефти. Лебедка с указательным устройством. Замерное колесо Устройство для подгона нефти. Стяжка Обогрев нефтеловушки. План, разрез, схема Обогрев нефтеловушки. Детали крепления трубопроводов Электрическое освещение и грозозащита Детали. Установка светильника ВЗГ-200М на стойке К-941. Защитный козырек Вариант с панелями высотой 2,4 м. Заглавный лист Вариант с панелями высотой 2,4 м. Заказ стали Вариант с панелями высотой 2,4 м. Общие виды Вариант с панелями высотой 2,4 м. Монолитный участок стены Вариант с панелями высотой 2,4 м. Армирование днища. Планы раскладки арматурных сеток, каркасов и пакетов Вариант с панелями высотой 2,4 м. Армирование днища. Разрезы. Выборка арматуры Вариант с панелями высотой 2,4 м. Армирование днища. Спецификация арматуры Вариант с панелями высотой 2,4 м. Армирование днища. Арматурные пакеты ПК-1, ПК-2 Вариант с панелями высотой 3,6 м. Заглавный лист Вариант с панелями высотой 3,6 м. Заказ стали Вариант с панелями высотой 3,6 м. Общие виды Вариант с панелями высотой 3,6 м. Монолитный участок стены Вариант с панелями высотой 3,6 м. Армирование днища. Планы раскладки арматурных сеток, каркасов и пакетов Вариант с панелями высотой 3,6 м. Армирование днища. Разрезы. Выборка арматуры Вариант с панелями высотой 3,6 м. Армирование днища. Спецификация арматуры Вариант с панелями высотой 3,6 м. Армирование днища. Арматурные пакеты ПК-3, ПК-4 Варианты с панелями высотой 2,4 и 3,6 м. Маркировочные планы закладных и накладных деталей Варианты с панелями высотой 2,4 и 3,6 м. Закладные и накладные детали Варианты с панелями высотой 2,4 и 3,6 м. Узлы и детали Вариант с панелями высотой 2,4 м. Железобетонные монолитные перегородки у подводящей и отводящей труб. Железобетонный монолитный лоток Вариант с панелями высотой 2,4 м. Панели ПКУ1-24-1 и ПКУ1-24-2. Опалубочный чертеж, армирование, детали и спецификация Вариант с панелями высотой 2,4 м. Панели ПКУ1-24-1 и ПКУ1-24-2. Сварные сетки, каркасы, монтажная петля, спецификация Вариант с панелями высотой 3,6 м. Панели ПКУ1-36-1 и ПКУ1-36-2. Опалубочный чертеж, армирование, детали и спецификация Вариант с панелями высотой 3,6 м. Панели ПКУ1-36-1 и ПКУ1-36-2. Сварные сетки, каркасы, монтажная петля, спецификация Варианты с панелями высотой 2,4 и 3,6 м. Опалубочный чертеж панелей ПК1-24-1, ПК1-24-2, ПК1-36-1, ПК1-36-2 Варианты с панелями высотой 2,4 и 3,6 м. Ограждение 0-1 и 0-2 Вариант с панелями высотой 3,6 м. Железобетонные монолитные перегородки у подводящей и отводящей труб. Железобетонный монолитный лоток |
| Разработан: | Гипротрубопровод Миннефтепрома (Giprotruboprovod, Minnefteprom ) |
| Утверждён: | 13.08.1971 Миннефтепром (Minnefteprom ) |


























































