Скачать Серия 1.465.1-17 Выпуск 4. Арматурные и закладные изделия. Рабочие чертежиДата актуализации: 01.01.2021
|
| Обозначение: | Серия 1.465.1-17 |
| Обозначение англ: | Series 1.465.1-17 |
| Статус: | заменен |
| Название рус.: | Выпуск 4. Арматурные и закладные изделия. Рабочие чертежи |
| Дата добавления в базу: | 01.10.2014 |
| Дата актуализации: | 01.01.2021 |
| Дата введения: | 01.01.1991 |
| Дата окончания срока действия: | 01.12.1994 |
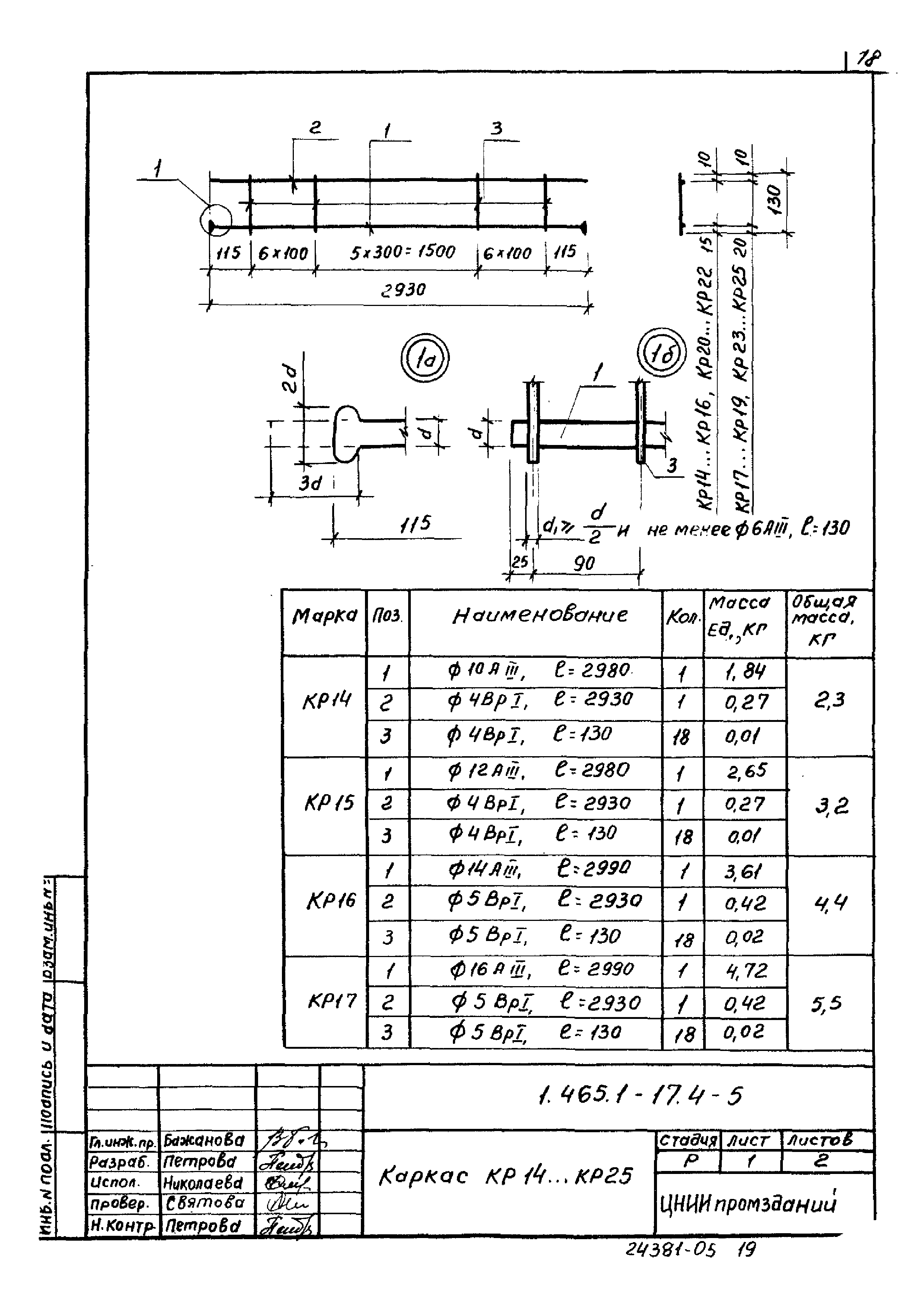
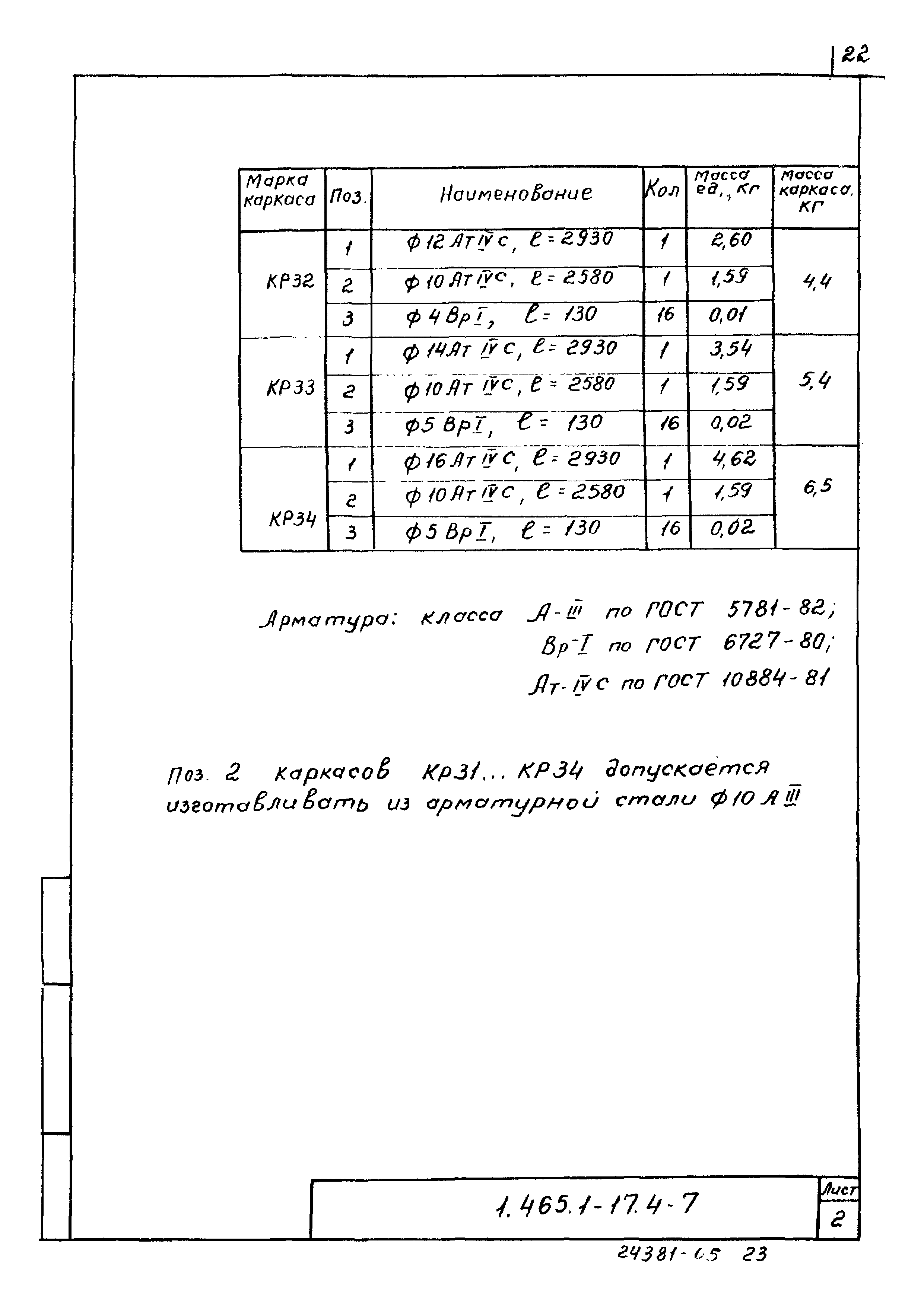
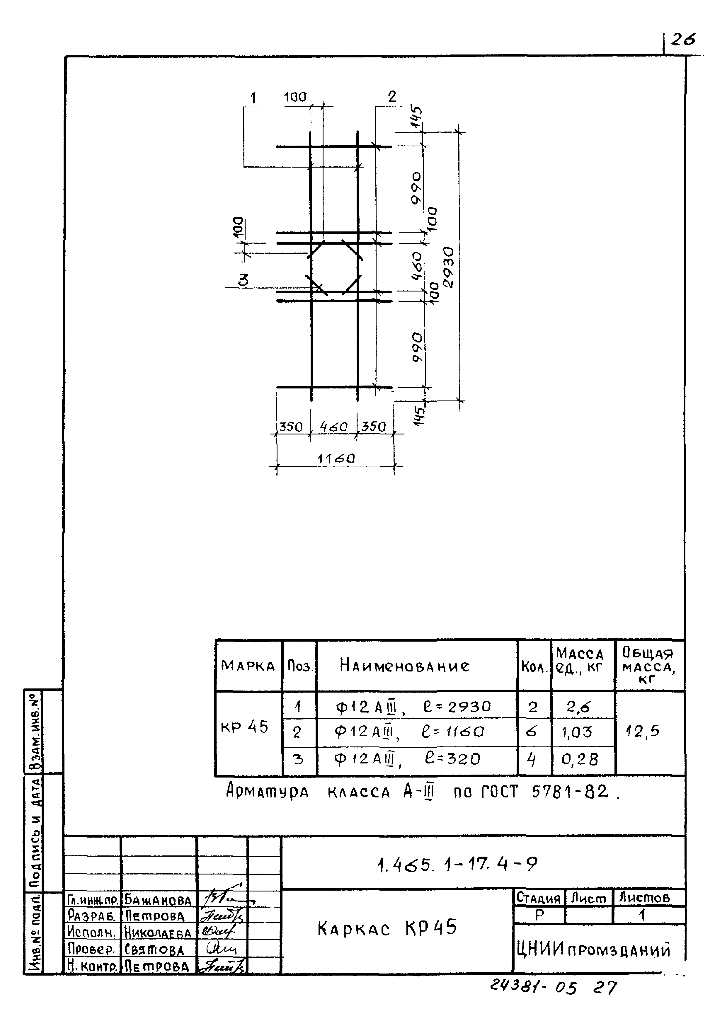
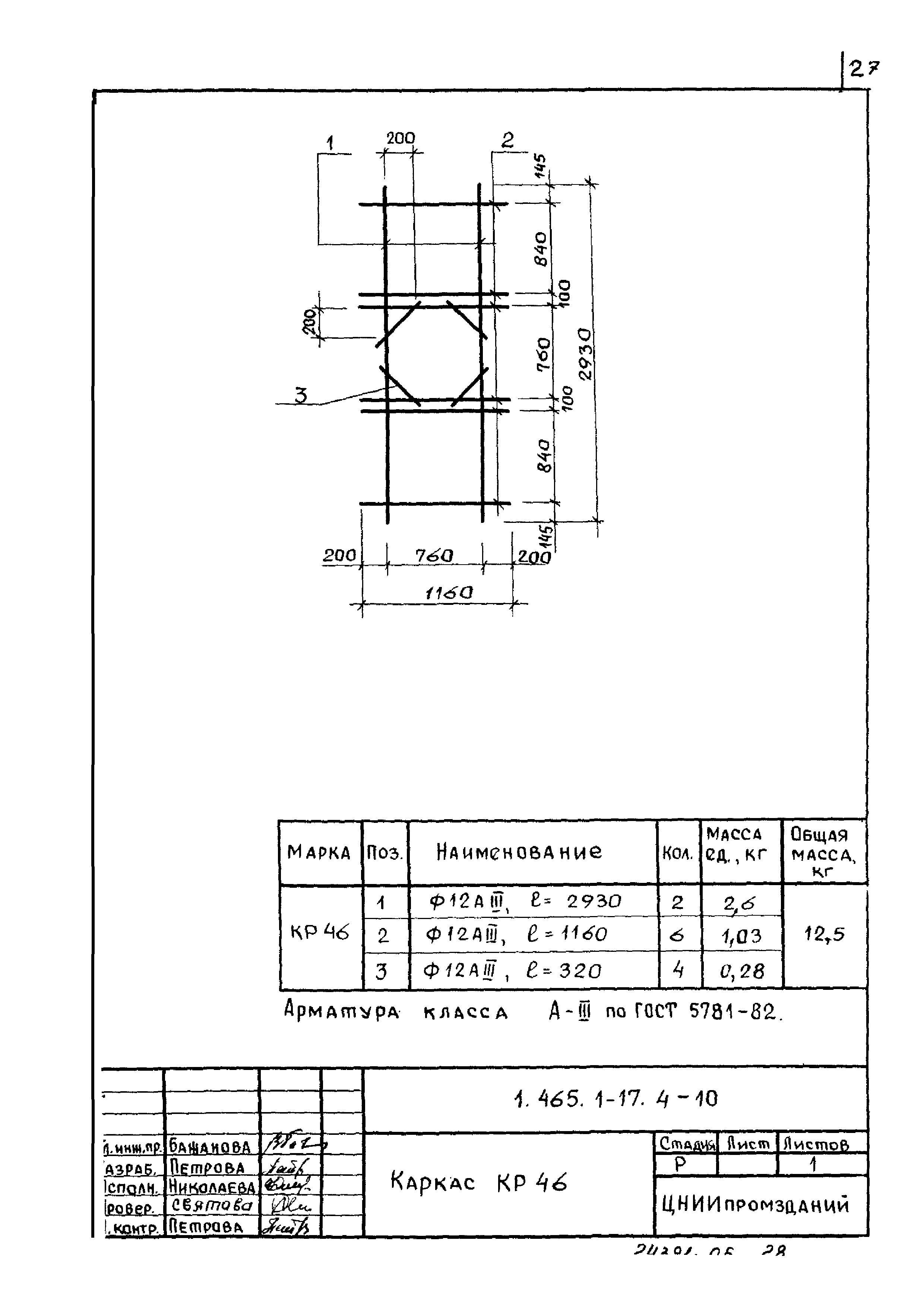
| Оглавление: | 1.465.1-17.4-ТТ Технические требования 1.465.1-17.4-1 Каркас КР1…КР4 1.465.1-17.4-2 Каркас КР5…КР7 1.465.1-17.4-3 Каркас КР8…КР11 1.465.1-17.4-4 Каркас КР12, КР13 1.465.1-17.4-5 Каркас КР14…КР25 1.465.1-17.4-6 Каркас КР26 1.465.1-17.4-7 Каркас КР27…КР34 1.465.1-17.4-8 Каркас КР35…КР44 1.465.1-17.4-9 Каркас КР45 1.465.1-17.4-10 Каркас КР46 1.465.1-17.4-11 Каркас КР47 1.465.1-17.4-12 Каркас КР48 1.465.1-17.4-13 Каркас КР49 1.465.1-17.4-14 Каркас КР50 1.465.1-17.4-15 Каркас КР51 1.465.1-17.4-16 Каркас КР52 1.465.1-17.4-17 Каркас КР53, КР54 1.465.1-17.4-18 Каркас КП1…КП4 1.465.1-17.4-19 Сетка С1…С3 1.465.1-17.4-20 Сетка С4…С6 1.465.1-17.4-21 Сетка С7…С9 1.465.1-17.4-22 Сетка С10, С11 1.465.1-17.4-23 Сетка С12 1.465.1-17.4-24 Сетка С13, С14 1.465.1-17.4-25 Сетка С15 1.465.1-17.4-26 Сетка С16, С17 1.465.1-17.4-27 Сетка С18…С21 1.465.1-17.4-28 Сетка С22, С23 1.465.1-17.4-29 Сетка С24 1.465.1-17.4-30 Изделие закладное МН1-1, МН1-2, МН2-1, МН2-2 1.465.1-17.4-31 Изделие закладное МН3-1, МН3-2 1.465.1-17.4-32 Изделие закладное МН4 1.465.1-17.4-33 Изделие закладное МН5 1.465.1-17.4-34 Изделие закладное МН6 1.465.1-17.4-35 Изделие закладное МН7 1.465.1-17.4-36 Изделие закладное МН8, МН9 1.465.1-17.4-37 Изделие закладное МН10, МН11 1.465.1-17.4-38 Стержень напрягаемый СТН1…СТН29 1.465.1-17.4-39 Изделие соединительное МС1, МС4, МС5 |
| Разработан: | НИИЖБ Госстроя СССР НИИСК Госстроя СССР ЦНИИпромзданий |
| Утверждён: | 23.02.1989 Госстрой СССР (Государственный комитет Совета Министров СССР по делам строительства) (USSR Gosstroy ) |
| Чем заменён: |



























































