Скачать Серия 2.429-1 Выпуск 2. Монтажные узлы. Рабочие чертежиДата актуализации: 01.01.2021
|
| Обозначение: | Серия 2.429-1 |
| Обозначение англ: | Series 2.429-1 |
| Статус: | не действует |
| Название рус.: | Выпуск 2. Монтажные узлы. Рабочие чертежи |
| Дата добавления в базу: | 01.09.2013 |
| Дата актуализации: | 01.01.2021 |
| Дата введения: | 01.05.1982 |
| Дата окончания срока действия: | 01.05.1999 |
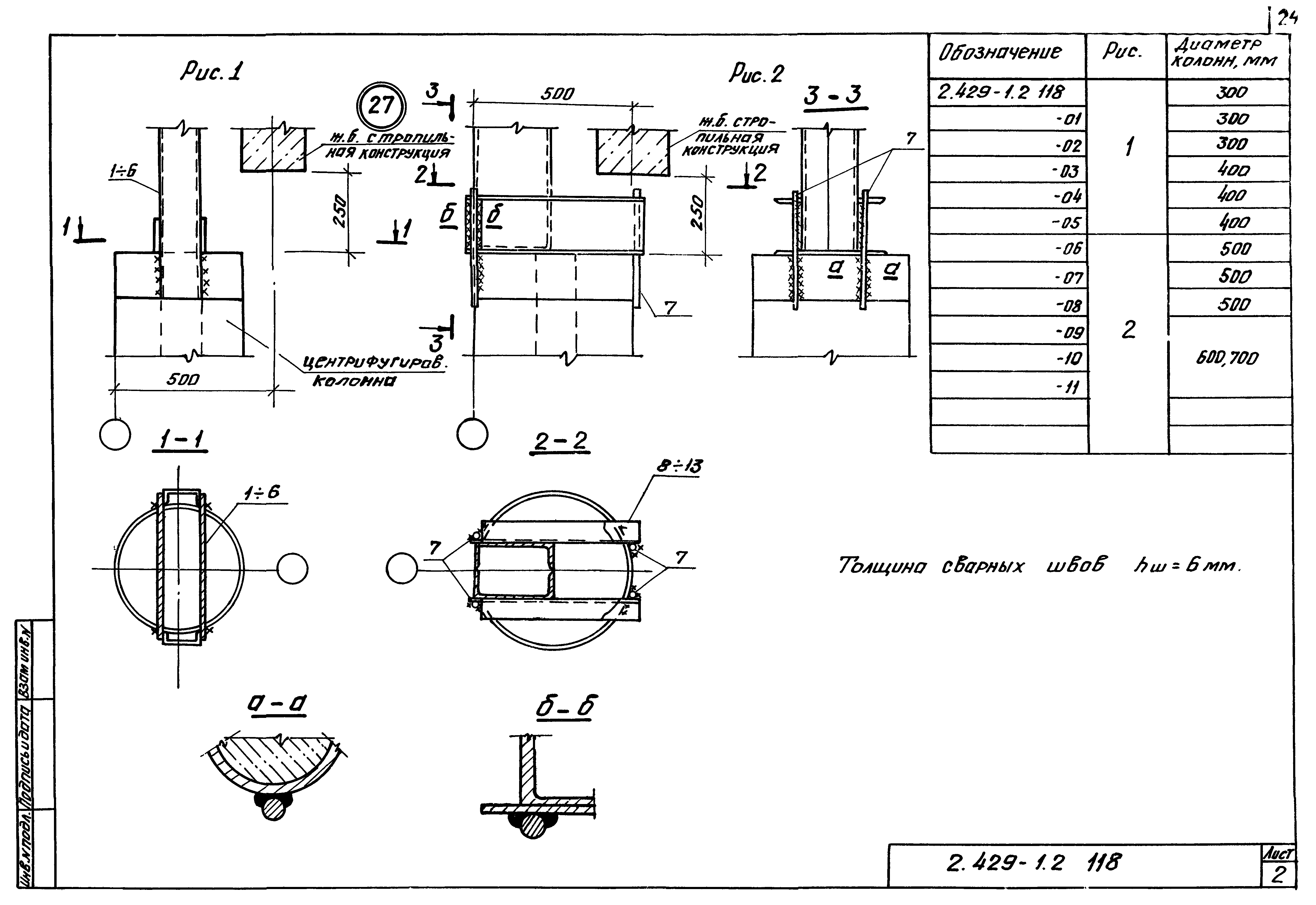
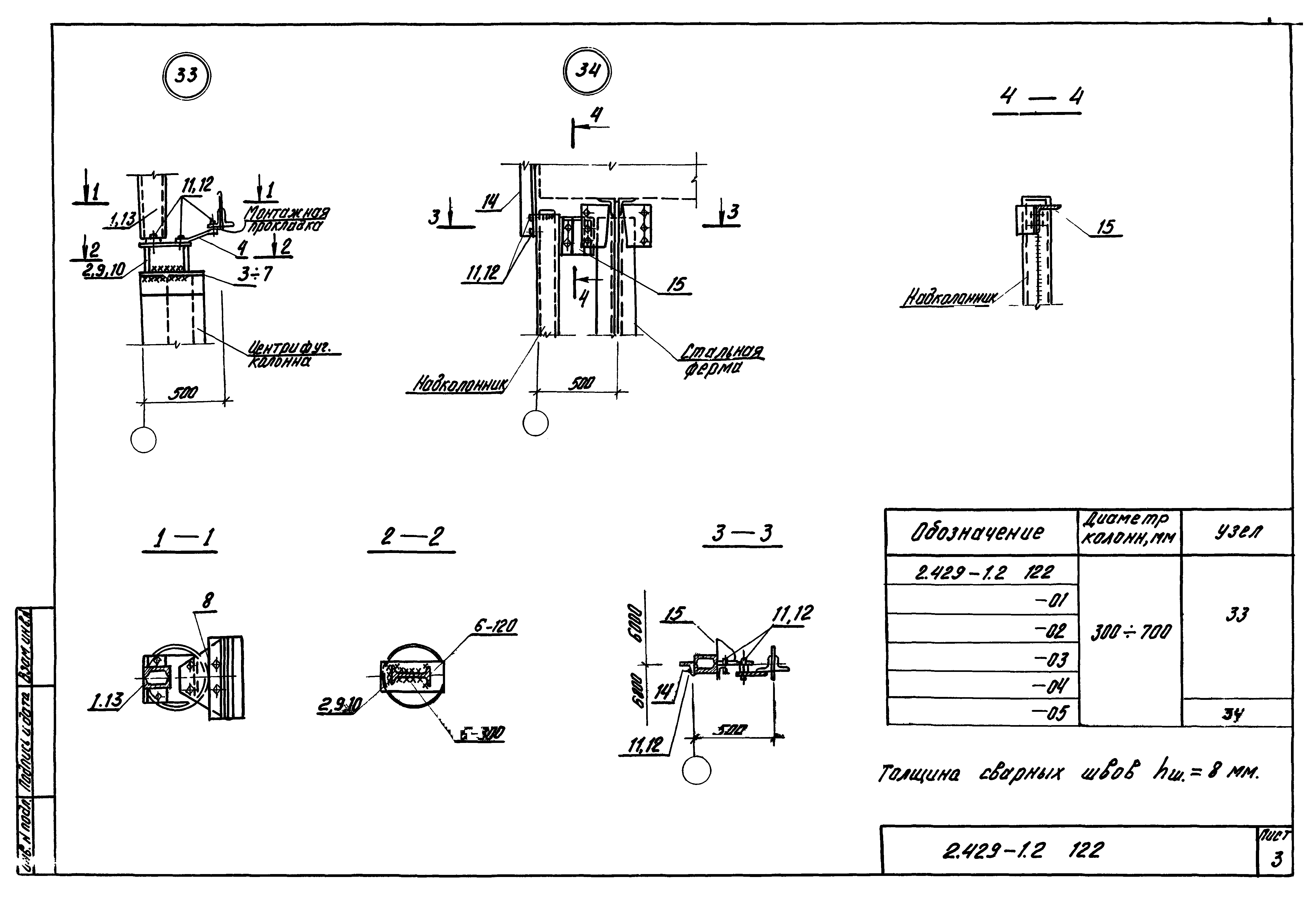
| Оглавление: | Пояснительная записка Сопряжение колонн с фундаментом. Узел 1,21. Сопряжение стропильных конструкций с колонной. Узел 2, 3 Сопряжение стропильных конструкций с колонной. Узел 4, 5 Сопряжение стропильных конструкций с колонной. Узел 6, 7 Сопряжение стропильных конструкций с колонной. Узел 8, 9 Сопряжение стропильных конструкций с колонной. Узел 10, 11, 12 Сопряжение контурных ферм-оболочек с колоннами. Узел 13 Сопряжение контурных ферм-оболочек с колоннами. Узел 14 Сопряжение контурных ферм-оболочек с колоннами. Узел 15 Сопряжение контурных ферм-оболочек с колоннами. Узел 16 Сопряжение структурных конструкций покрытия с колоннами. Узел 17 Сопряжение структурных конструкций покрытия с колоннами. Узел 18 Сопряжение структурных конструкций покрытия с колоннами. Узел 19 Сопряжение структурных конструкций покрытия с колоннами. Узел 20 Сопряжение надколонника с насадкой и балкой. Узел 22 Сопряжение надколонника с колонной. Узел 23 Сопряжение насадки с колонной и стропильной конструкцией. Узел 24, 25 Сопряжение насадки с колонной. Узел 26 Сопряжение надколонника с колонной. Узел 27 Сопряжение надколонника с насадкой и стропильной конструкцией. Узел 28 Сопряжение насадок с надопорными стойками при железобетонных фермах. Узел 29, 30 Сопряжение насадок с опорными стойками при металлических фермах. Узел 31, 32 Крепление насадок торцевого фахверка. Узел 33, 34 Крепление стеновых панелей. Узел 36 Крепление стеновых панелей. Узел 37, 38, 39 Крепление стеновых панелей. Узел 40 Крепление стеновых панелей. Узел 41 Крепление стеновых панелей. Узел 42, 43 Крепление стеновых панелей. Узел 44 Крепление стеновых панелей. Узел 45, 46 Крепление стеновых панелей. Узел 47 Крепление стеновых панелей. Узел 48, 49 Крепление стеновых панелей. Узел 50, 51 Крепление стеновых панелей. Узел 52, 53 Крепление стеновых панелей. Узел 54, 55, 56 Крепление стеновых панелей. Узел 57 Узел опирания стеновых панелей на опорный металлический столик (пример) Заполнение швов между стеновыми панелями в т.ч. для районов с расчетной сейсмичностью 7, 8, 9 баллов и в обычных условиях |
| Разработан: | НИИЖБ Белорусский политехнический институт Проектный институт № 1 Госстроя СССР |
| Утверждён: | 25.06.1981 Госстрой СССР (Государственный комитет Совета Министров СССР по делам строительства) (USSR Gosstroy 2/3-301) |














































