Скачать Типовой проект 902-1-54 Альбом 5. Архитектурно-строительные решения (глубина заложения подводящего коллектора 7,0 м). Подземная часть (вариант из монолитного железобетона)Дата актуализации: 01.01.2021
|
| Обозначение: | Типовой проект 902-1-54 |
| Обозначение англ: | 902-1-54 |
| Статус: | не определен законодательством |
| Название рус.: | Альбом 5. Архитектурно-строительные решения (глубина заложения подводящего коллектора 7,0 м). Подземная часть (вариант из монолитного железобетона) |
| Дата добавления в базу: | 01.09.2013 |
| Дата актуализации: | 01.01.2021 |
| Дата введения: | 01.12.1980 |
| Дата окончания срока действия: | 30.06.2003 |
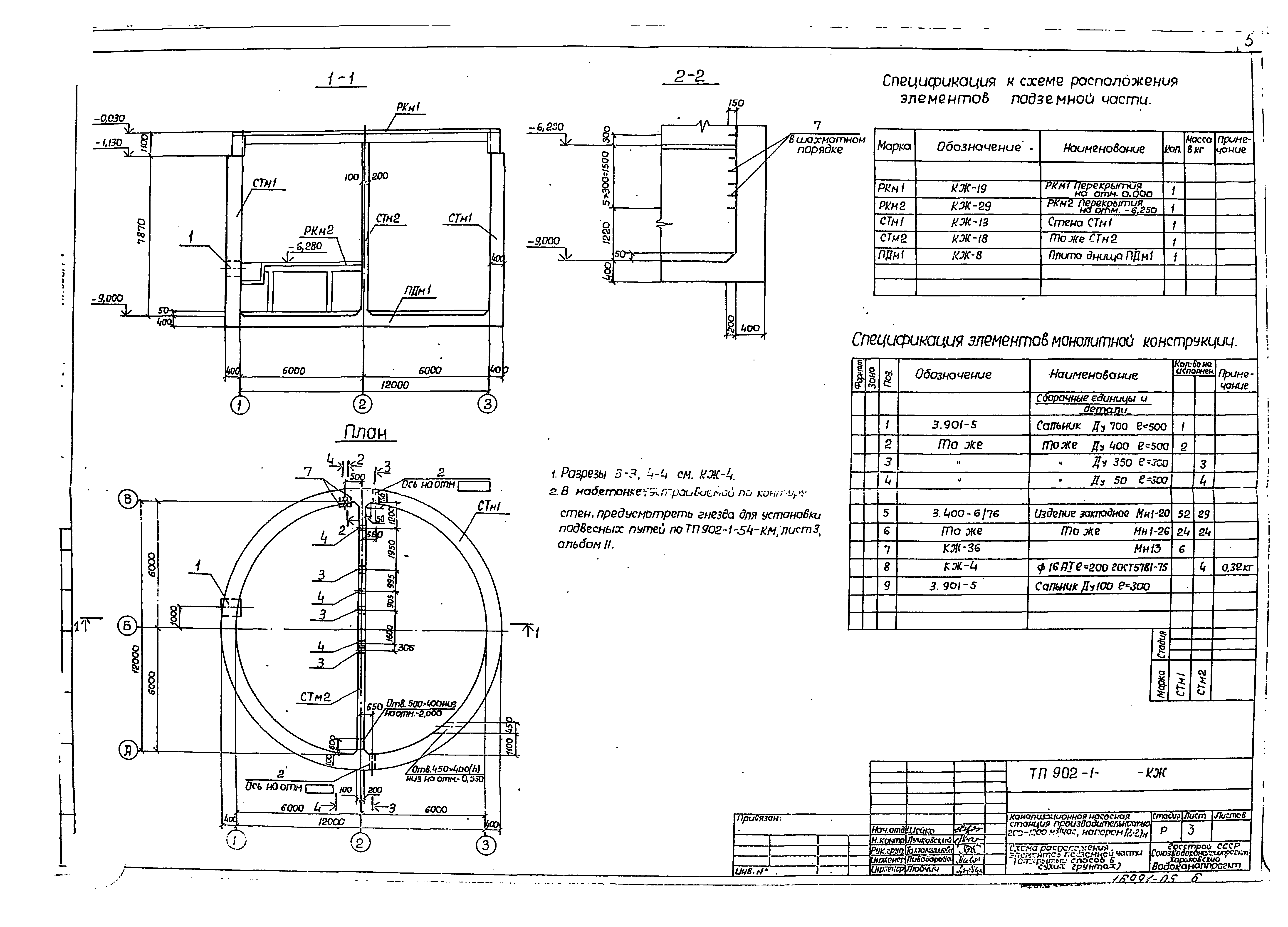
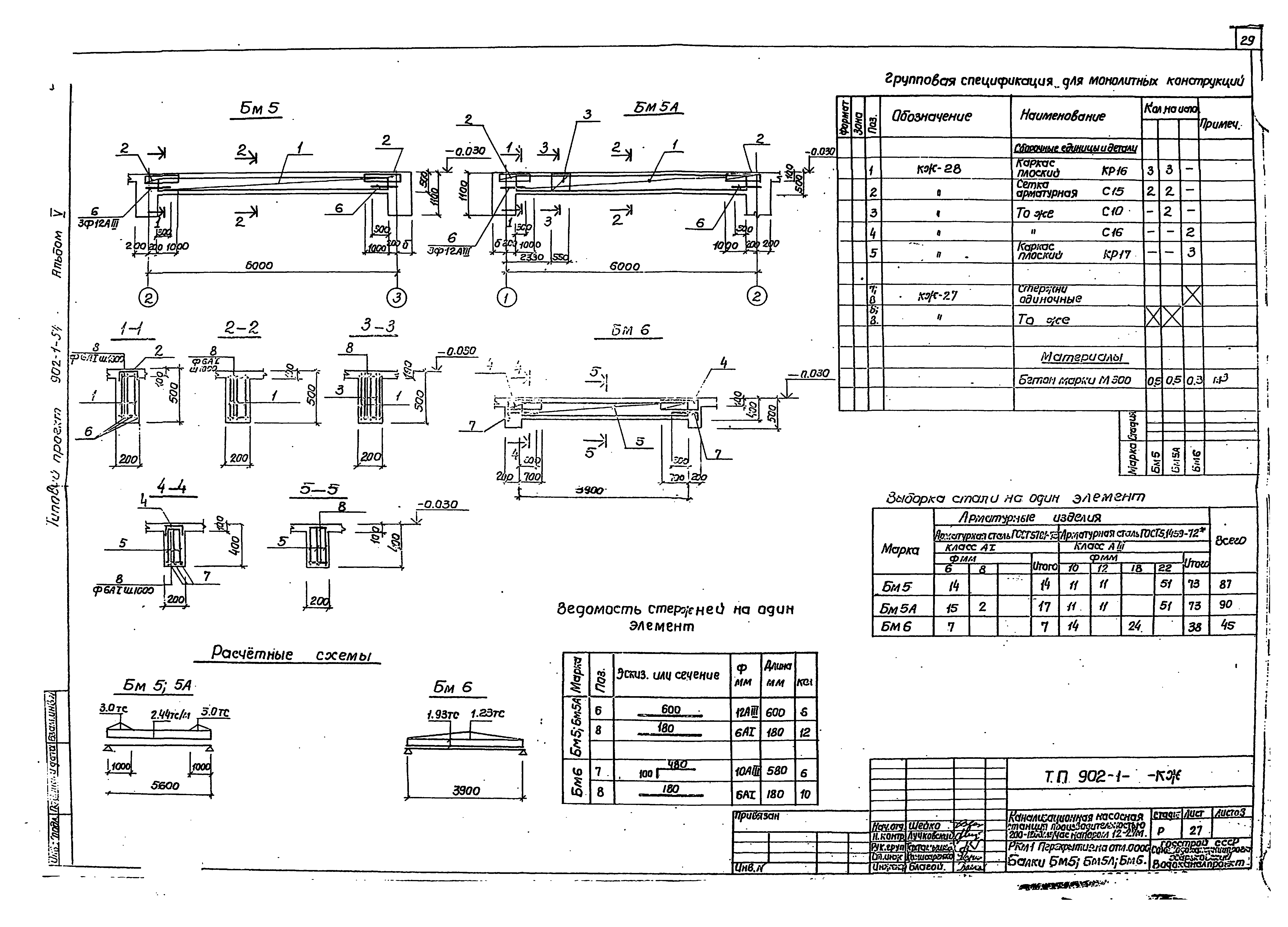
| Оглавление: | Содержание Общие данные Планы на отм. - 6.250 и - 8.105. Разрез 1-1 Схема расположения элементов подземной части (открытый способ в сухих грунтах) СТм1. Развертка. Разрезы 3-3, 4-4 (открытый способ в сухих грунтах) Схема расположения элементов подземной части (опускной способ с сухих и мокрых грунтах) СТм1. Развертка. Разрез 3-3 (опускной способ с сухих и мокрых грунтах) Разрез 4-4 (опускной способ с сухих и мокрых грунтах) Плита днища ПДм1. Общий вид и схема армирования (открытый способ в сухих грунтах) Плита днища ПДм1. Схема армирования. Раскрой сеток (открытый способ в сухих грунтах) Плита днища ПДм1. Общий вид и схема армирования (опускной способ с сухих грунтах и в мокрых с водоотливом) Плита днища ПДм1. Общий вид и схема армирования (погружение колодца в тиксотропной рубашке в сухих и мокрых грунтах) ПДм1. Армирование. Каркас Кр3. Сетки. Ведомость стержней на один элемент СТм1. Схема армирования (открытый способ в сухих грунтах) СТм1. Схема армирования. Схема расположения выпусков. Сетки. Каркас Кр4 (открытый способ в сухих грунтах) СТм1. Схема армирования (опускной способ с сухих грунтах и в мокрых с водоотливом) СТм1. Схема армирования (погружение колодца в тиксотропной рубашке в сухих и мокрых грунтах) СТм1. Схема армирования. Сетки. Каркас Кр5 (опускной способ с сухих и мокрых грунтах) СТм2. Схема армирования РКм1. Перекрытия на отм. 0.00. Общий вид РКм1. Перекрытия на отм. 0.00. Пм1. Схема армирования Пм1. Схема армирования. Разрезы 4-4 - 8-8. Узел 1 РКм1. Перекрытия на отм. 0.00. Балка Бм1, Бм1А (t = - 20; t = - 30 градусов Цельсия) РКм1. Перекрытия на отм. 0.00. Балка Бм1, Бм1А (t = - 40 градусов Цельсия) РКм1. Перекрытия на отм. 0.00. Балка Бм2 (t = - 20; t = - 30 градусов Цельсия) РКм1. Перекрытия на отм. 0.00. Балка Бм2 (t = - 40 градусов Цельсия) РКм1. Перекрытия на отм. 0.00. Балки Бм3, Бм3А, Бм4, Бм4А РКм1. Перекрытия на отм. 0.00. Балки Бм5, Бм5А, Бм6 РКм1. Перекрытия на отм. 0.00. Сетки С8 - С16. Каркасы Кр15 - Кр17 РКм2. Перекрытия на отм. - 6.25. Общий вид РКм2. Перекрытия на отм. - 6.25. Пм1. Схема армирования. Балки Бм1 - Бм3 РКм2. Перекрытия на отм. - 6.25. Балки Бм4 - Бм6 РКм2. Перекрытия на отм. - 6.25. Балки Бм7, Бм8. Колонна Км1 РКм2. Перекрытия на отм. - 6.25. Лтм1. Схема армирования РКм2. Перекрытия на отм. - 6.25. Каркасы Кр18 - Кр26. Сетка С17 РКм2. Перекрытия на отм. - 6.25. Ведомость стержней Закладные изделия Мн11 - Мн18 |
| Разработан: | Харьковский Водоканалпроект |
| Утверждён: | 19.06.1980 Союзводоканалпроект (Soyuzvodokanalproject 43) |
| Заменяет собой: |
|





































