Скачать Типовой проект 902-2-428.87 Альбом 4. ИзделияДата актуализации: 01.01.2021
|
| Обозначение: | Типовой проект 902-2-428.87 |
| Обозначение англ: | 902-2-428.87 |
| Статус: | не определен законодательством |
| Название рус.: | Альбом 4. Изделия |
| Дата добавления в базу: | 01.09.2013 |
| Дата актуализации: | 01.01.2021 |
| Дата введения: | 01.05.1987 |
| Дата окончания срока действия: | 30.06.2003 |
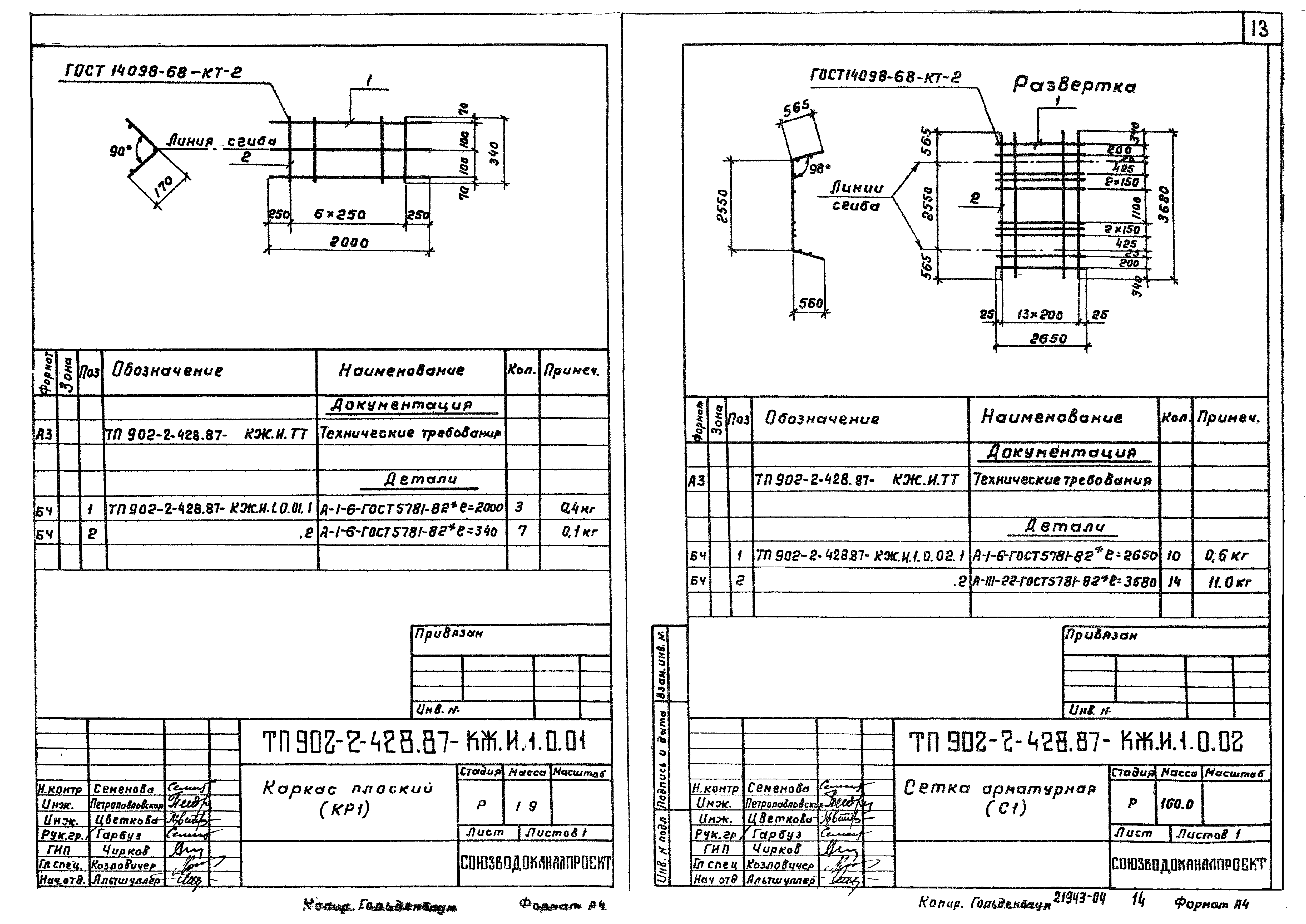
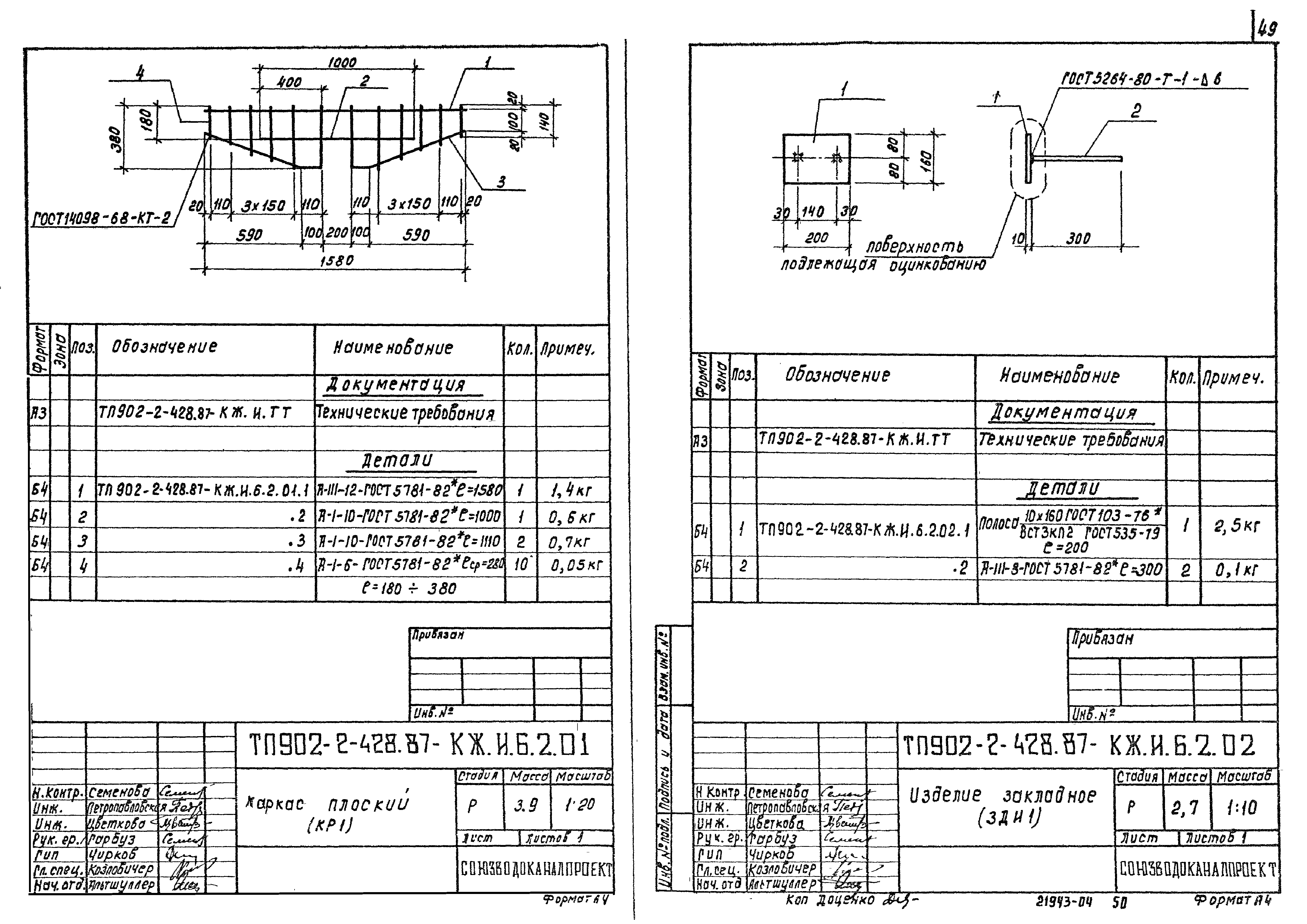
| Оглавление: | Содержание альбома Технические требования Каркас пространственный (Кп1, Кп2, Кп5, Кп13, Кп14) Сетка арматурная (С1, С3, С7, С21, С23) Сетка арматурная (С2, С4, С8, С22, С24) Каркас пространственный (Кп3, Кп6, Кп7, Кп8, Кп12) Сетка арматурная (С5, С9, С10, С11, С12, С13, С19, С20) Каркас пространственный (Кп4, Кп9, Кп10, Кп11) Сетка арматурная (С6, С14) Сетка арматурная (С15, С17, С16, С18) Каркас плоский (Кр1). Сетка арматурная (С1) Сетка арматурная (С2, С3) Сетка арматурная (С4, С5) Сетка арматурная (С6, С7) Сетка арматурная (С8). Изделие закладное (ЗДИ-7) Панель стеновая (ПС2-48-К2а; ПС2-48-К12а; ПС2-48-К2б; ПС2-48-К12г; ПС2-48-К2б; ПС2-54-К2а; ПС2-54-К12а) Панель стеновая (ПС2-48-К12е; ПС2-48-К12ж; ПС2-48-К12и; ПС2-48-К12к; ПС2-48-К2б; ПС2-48-К12л; ПС2-48-К12м) Панель стеновая (ПС2-48-К12в) Панель стеновая (ПС2-48-К12д) Панель перегородочная (ПГ42-2а, ПГ42-2б, ПГ42-2в) Сетка арматурная (С1, С2) Изделие закладное (ЗДИ-1, ЗДИ-2) Изделие закладное (ЗДИ-3, ЗДИ-4, ЗДИ-5) Изделие закладное (ЗДИ-6, ЗДИ-7) Изделие закладное (ЗДИ-8, ЗДИ-9) Изделие закладное (ЗДИ-10). Каркас плоский КР1 Сетка арматурная (С9, С10). Изделие закладное (М7) Изделие закладное (М1, М2, М4) Изделие закладное (М3, М5, М6) Изделие закладное (Мн1, Мн2, Мн5, Мн6, Мн7, Мн8) Изделие закладное (Мн3, Мн4) Лоток (ЛТ1-9-6а; ЛТ1-9-6б; ЛТ1-9-6в; ЛТ1-9-6г; ЛТ1-9-6д; ЛТ1-9-6е) Лоток (ЛТ1-6-3а; ЛТ1-6-3б) Лоток (ЛТ1-4,5-3в; ЛТ1-4,5-3д) Лоток (ЛТ1-4,5-3а; ЛТ1-4,5-3б; ЛТ1-4,5-3г)) Изделие закладное (ЗДИ-1, ЗДИ-2) Изделие закладное (ЗДИ-3, ЗДИ-4) Изделие закладное (ЗДИ-5, ЗДИ-6) Балка (Б1) Каркас плоский (КР, КР2) Изделие закладное (ЗДИ-1, ЗДИ-2) Плита (П4, П5) Каркас плоский (Кр1). Изделие закладное (ЗДИ-1) Изделие закладное (ЗДИ-2). Плита (ПТ12-6а) Фильтросный лоток (Фл1, Фл2) Сетка арматурная (С1, С2). Изделие закладное (ЗДИ-4) Площадка (Пм1, Пм2) Плита (ПТ-6-6а). Изделие закладное (ЗДИ-1) Сетка арматурная (С1, С3, С5) Сетка арматурная (С2, С4, С6, С8) Сетка арматурная (С7, С11, С9, С10) Изделие закладное (ЗДИ-1, ЗДИ-2, ЗДИ-3) |
| Разработан: | Союзводоканалпроект |
| Утверждён: | 18.07.1986 Госстрой СССР (Государственный комитет Совета Министров СССР по делам строительства) (USSR Gosstroy АЧ-42) |



























































