Скачать ОСТ 26-04-0391-72 Воздухоразделительные установки. Опоры для крепления внутриблочной арматуры. Конструкция и размеры

Дата актуализации: 01.01.2021

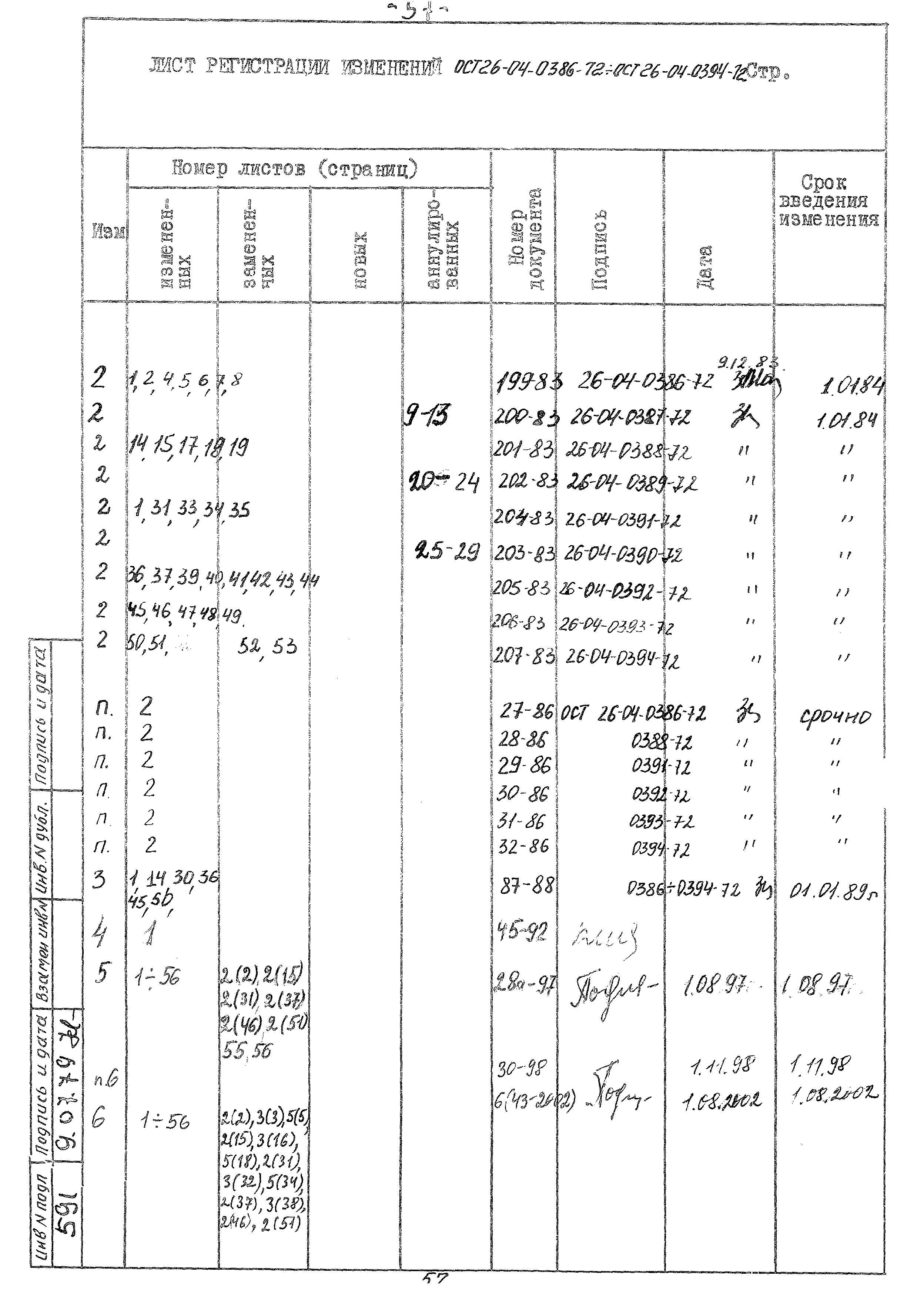
ОСТ 26-04-0391-72

Воздухоразделительные установки. Опоры для крепления внутриблочной арматуры. Конструкция и размеры

Обозначение: ОСТ 26-04-0391-72
Обозначение англ: OST 26-04-0391-72
Статус:не действует
Название рус.:Воздухоразделительные установки. Опоры для крепления внутриблочной арматуры. Конструкция и размеры
Дата добавления в базу:01.09.2013
Дата актуализации:01.01.2021
Дата введения:01.07.1972
Дата окончания срока действия:01.11.2008
Область применения:Стандарт распространяется на крепления арматуры внутри кожуха воздухоразделительных установок, поставляемых для условий умеренного и тропического климата.
Оглавление:1. Конструкция и размеры опор
2. Конструкция и размеры кронштейнов
Утверждён:18.04.1972 Главное управление
ОСТ 26-04-0391-72ОСТ 26-04-0391-72ОСТ 26-04-0391-72ОСТ 26-04-0391-72ОСТ 26-04-0391-72ОСТ 26-04-0391-72ОСТ 26-04-0391-72