Скачать Типовые проектные решения 903-3-03с.91 Альбом 2. Рабочие чертежиДата актуализации: 01.01.2021
|
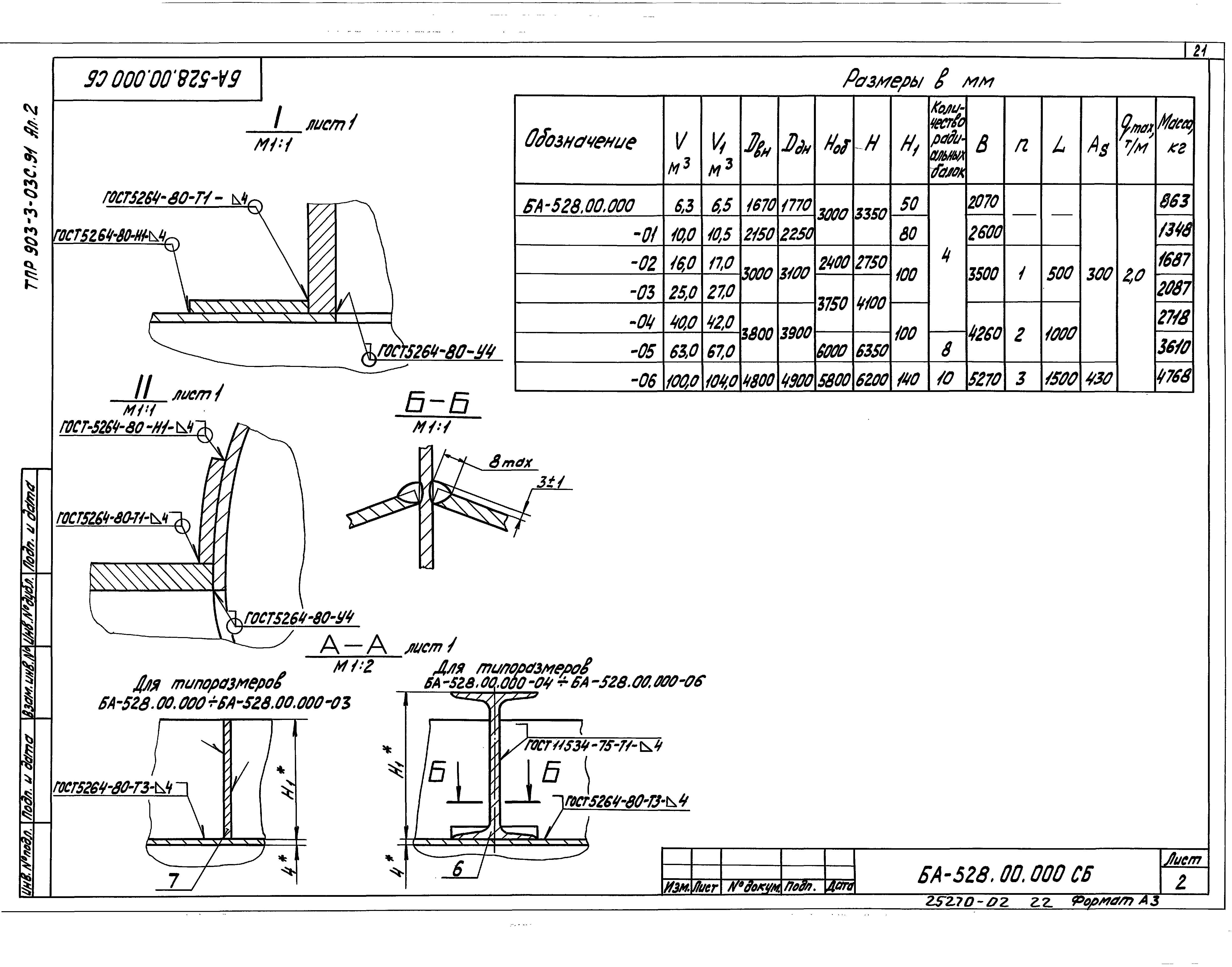
| Обозначение: | Типовые проектные решения 903-3-03с.91 |
| Обозначение англ: | 903-3-03с.91 |
| Статус: | справочные материалы, мп, тпр |
| Название рус.: | Альбом 2. Рабочие чертежи |
| Дата добавления в базу: | 01.09.2013 |
| Дата актуализации: | 01.01.2021 |
| Дата введения: | 17.12.1991 |
| Разработан: | Ленэнергомонтажпроект |
| Утверждён: | 17.12.1991 Союзэнергомонтаж (81) |






































