Скачать Типовой проект 902-2-480.90 Альбом 3. ИзделияДата актуализации: 01.01.2021
|
| Обозначение: | Типовой проект 902-2-480.90 |
| Обозначение англ: | 902-2-480.90 |
| Статус: | не определен законодательством |
| Название рус.: | Альбом 3. Изделия |
| Дата добавления в базу: | 01.09.2013 |
| Дата актуализации: | 01.01.2021 |
| Дата введения: | 03.01.1991 |
| Дата окончания срока действия: | 30.06.2003 |
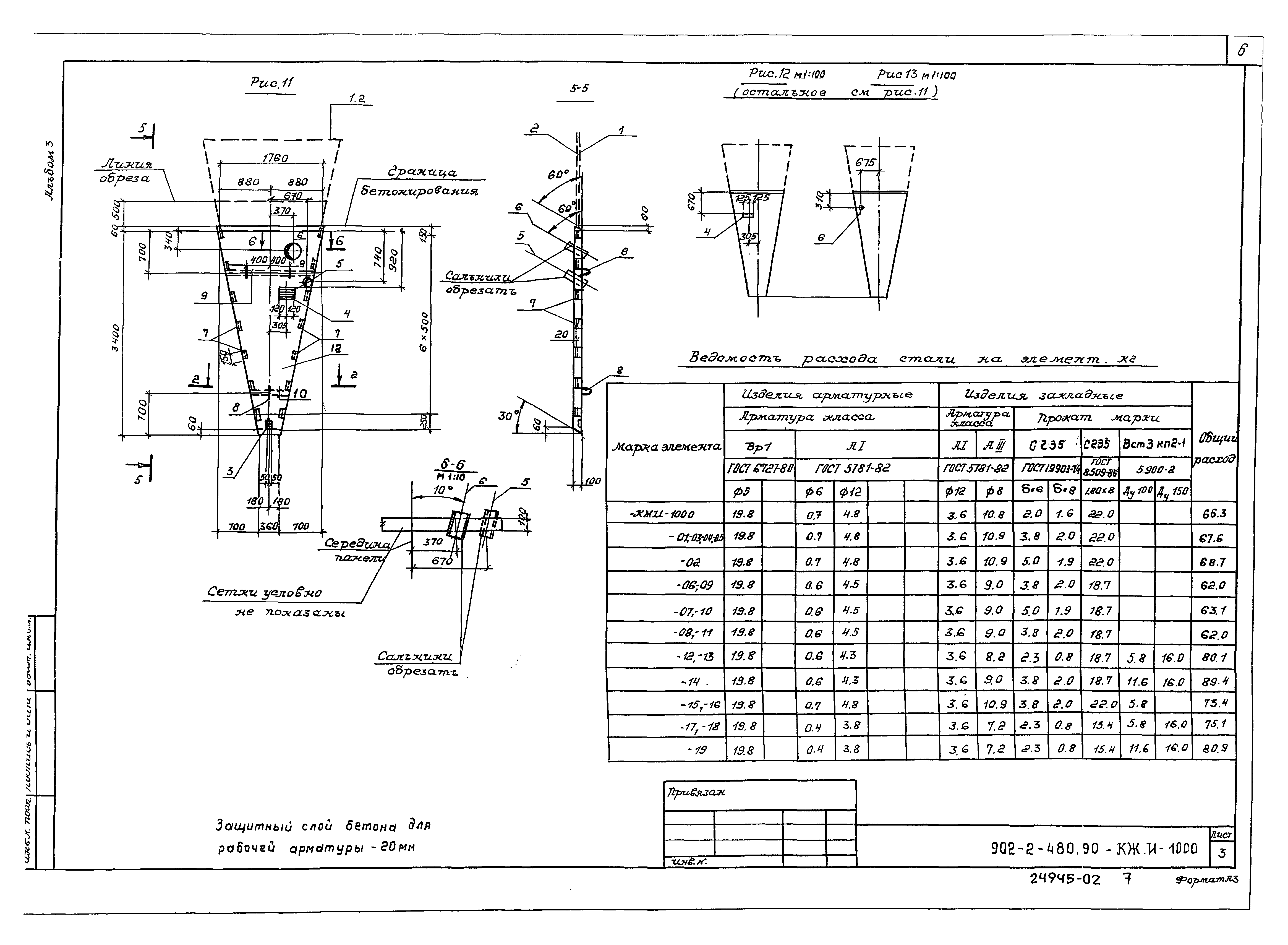
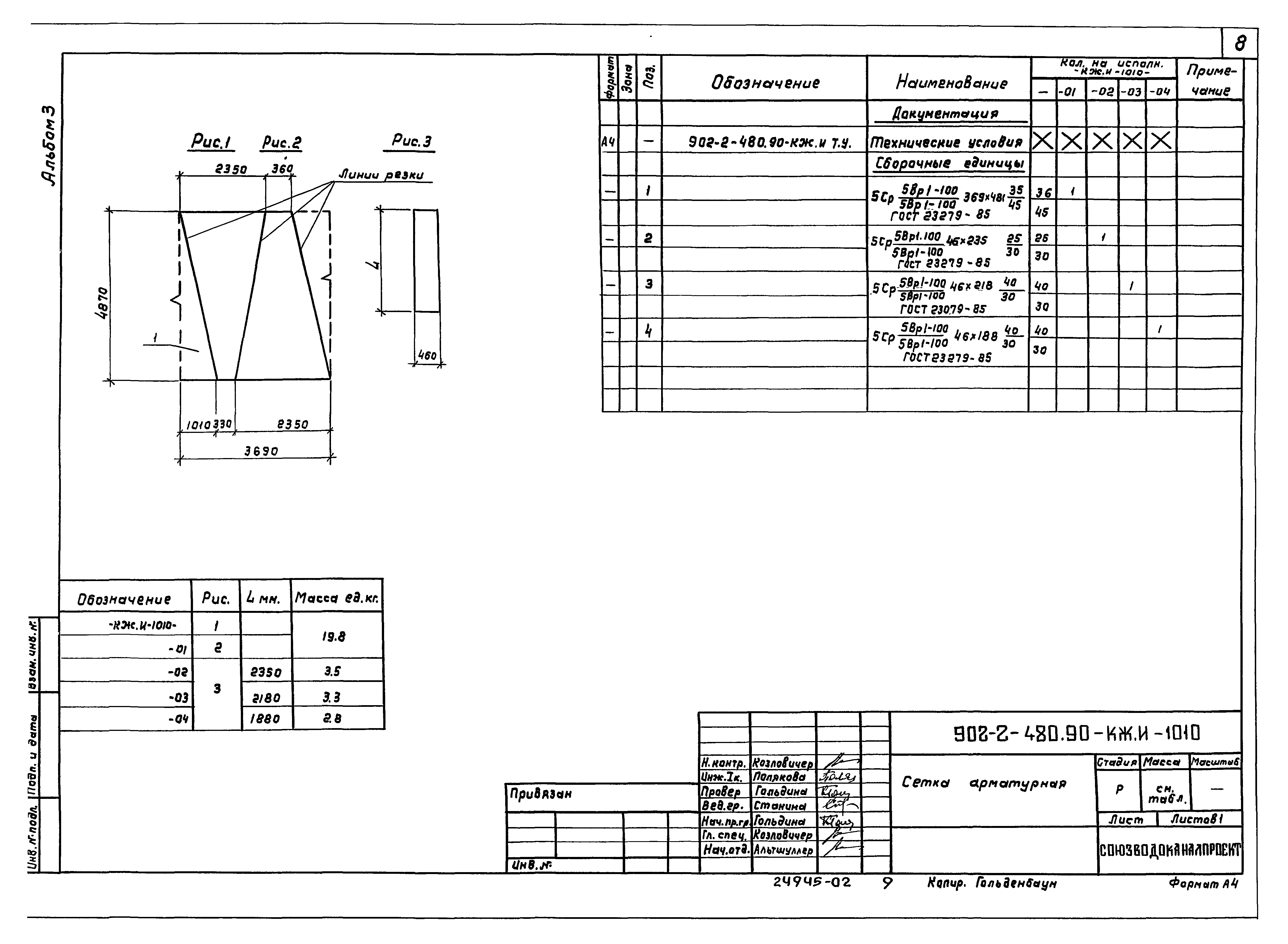
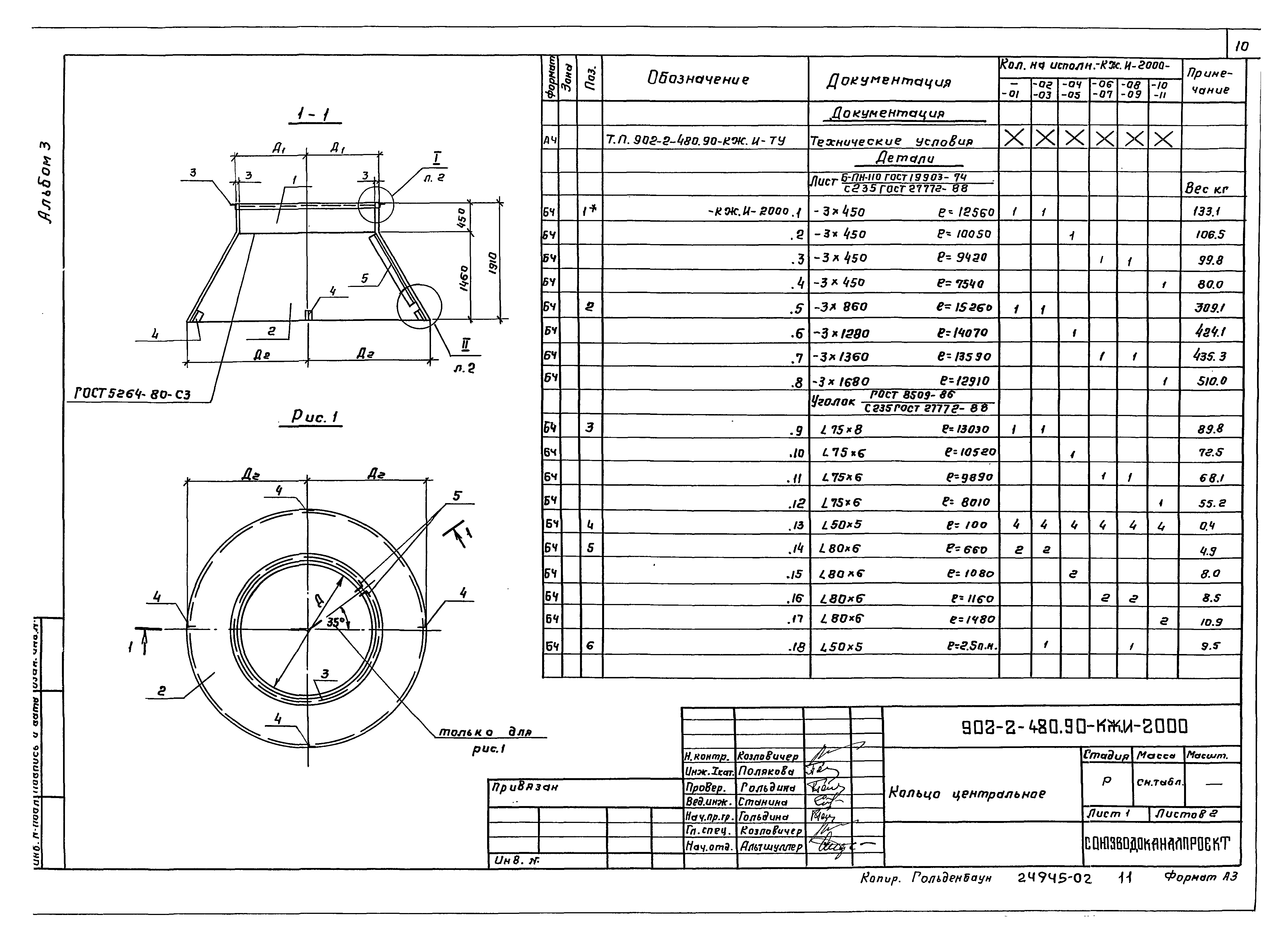
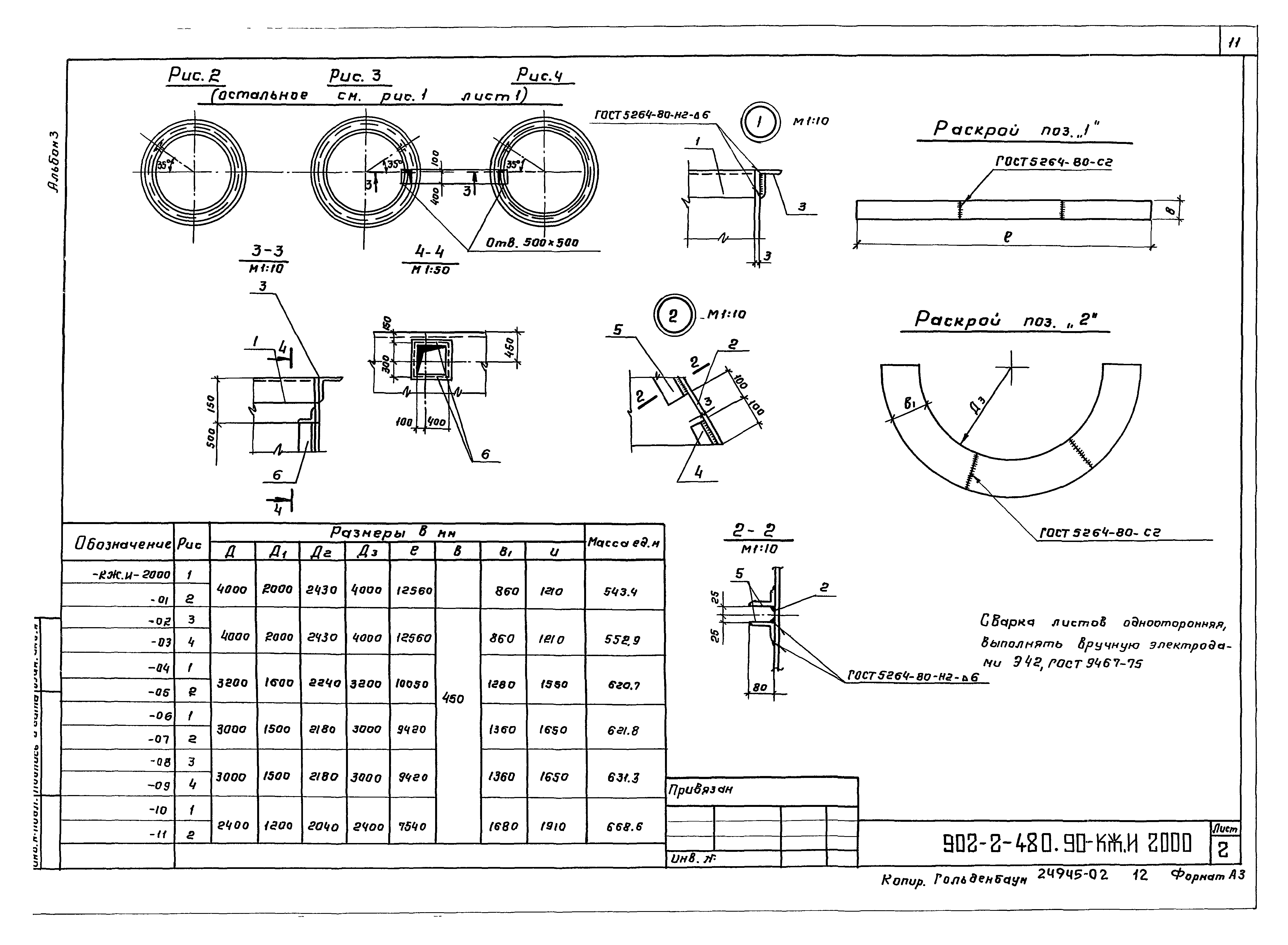
| Оглавление: | ТП 902-2-480.90-КЖ.И Содержание альбома ТП 902-2-480.90-КЖ.И-ТУ Технические условия ТП 902-2-480.90-КЖ.И-1000 Панель стеновая ТП 902-2-480.90-КЖ.И-1100 Панель стеновая ТП 902-2-480.90-КЖ.И-1010 Сетка арматурная ТП 902-2-480.90-КЖ.И-1020 Изделие закладное ТП 902-2-480.90-КЖ.И-1200 Изделие закладное ТП 902-2-480.90-КЖ.И-2000 Кольцо центральное ТП 902-2-480.90-КЖ.И-3000 Щит разделительный ТП 902-2-480.90-КЖ.И-4000 Щит полупогружной ТП 902-2-480.90-КЖ.И-5000 Щит деревянный ТП 902-2-480.90-КЖ.И-8000 Изделие соединительное ТП 902-2-480.90-КЖ.И-6000 Щит деревянный ТП 902-2-480.90-КЖ.И-7000 Ограждение ТП 902-2-480.90-КЖ.И-9000 Сетка арматурная ТП 902-2-480.90-КЖ.И-10000 Кольцо стеновое КЦ20-9-1 ТП 902-2-480.90-КЖ.И-11000 Плита покрытия КЦП1-20-1-1 ТП 902-2-480.90-КЖ.И-13000 Сетка арматурная С1 |
| Разработан: | Союзводоканалпроект |
| Утверждён: | 03.01.1991 СоюзводоканалНИИпроект (SoyuzvodokanalNIIproject 1) |



















