Скачать Типовой проект 902-9-40.86 Альбом III. Строительные изделияДата актуализации: 01.01.2021
|
| Обозначение: | Типовой проект 902-9-40.86 |
| Обозначение англ: | 902-9-40.86 |
| Статус: | не определен законодательством |
| Название рус.: | Альбом III. Строительные изделия |
| Дата добавления в базу: | 01.09.2013 |
| Дата актуализации: | 01.01.2021 |
| Дата введения: | 12.12.1985 |
| Дата окончания срока действия: | 30.06.2003 |
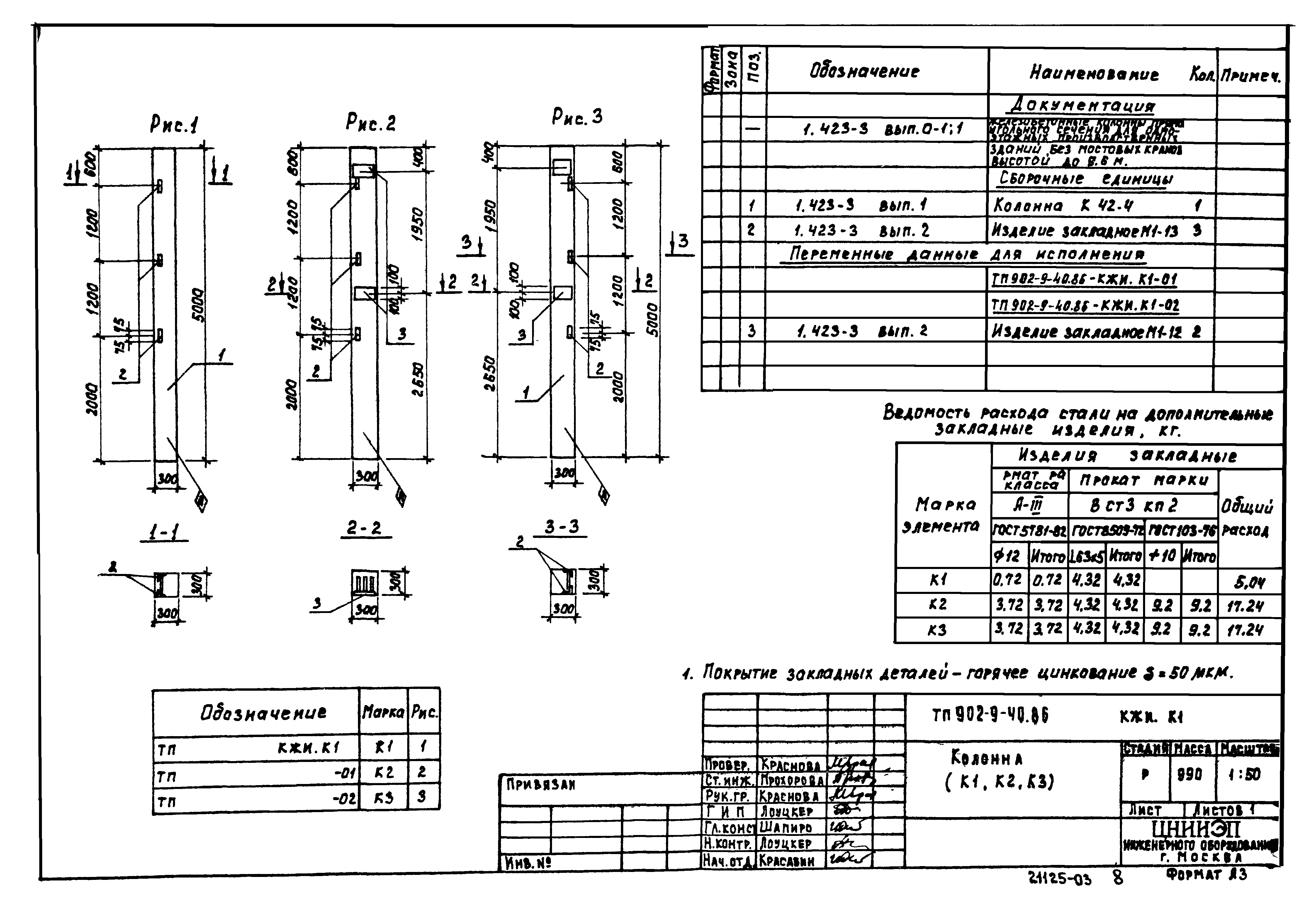
| Оглавление: | ТП 902-9-40.86-КЖИ.Б1 Балка Б1 ТП 902-9-40.86-КЖИ.Б1 Балка Б2 ТП 902-9-40.86-КЖИ.Б1 Балка Б3 ТП 902-9-40.86-КЖИ.Б1 Балка Б4 ТП 902-9-40.86-КЖИ.К1 Колонна (К1,К2,К3) ТП 902-9-40.86-КЖИ.К4 Колонна К4 ТП 902-9-40.86-КЖИ.Пз Плита покрытия (П9,П10,П11) ТП 902-9-40.86-КЖИ.П12 Плита покрытия П12 ТП 902-9-40.86-КЖИ.ПС2 Панель стеновая (ПС2,ПС3) ТП 902-9-40.86-КЖИ.ПС4 Панель стеновая (ПС4,ПС5) ТП 902-9-40.86-КЖИ.ПС6Панель стеновая ПС6 ТП 902-9-40.86-КЖИ.ПС7 Панель стеновая (ПС7,ПС8) ТП 902-9-40.86-КЖИ.П19 Плита перекрытия П19 ТП 902-9-40.86-КЖИ.МИ2 Изделие закладное МИ2 ТП 902-9-40.86-КЖИ.БТ1 Балка БТ1 ТП 902-9-40.86-КЖИ.Мр2 Рамка металлическая Мр2 ТП 902-9-40.86-КЖИ.Мр1 Рамка металлическая Мр1 ТП 902-9-40.86-КЖИ.МС1 Изделие соединительное МС1 ТП 902-9-40.86-КЖИ.ЩМ1 Щит металлический ЩМ1 ТП 902-9-40.86-КЖИ.ЩМ3 Щит металлический ЩМ3 ТП 902-9-40.86-КЖИ.ЩМ2 Щит металлический ЩМ2 ТП 902-9-40.86-КЖИ.ЩМ3 Щит металлический ЩМ4 ТП 902-9-40.86-КЖИ.ЩМ4 Щит металлический ЩМ5 ТП 902-9-40.86-КЖИ.МН3 Щит закладное МН3 ТП 902-9-40.86-КЖИ.МН4 Щит закладное МН4 ТП 902-9-40.86-КЖИ.КП1 Каркас пространственный КП1 ТП 902-9-40.86-КЖИ.КП1-Кр1 Каркас плоский Кр1 ТП 902-9-40.86-КЖИ.С1 Сетка арматурная С1 ТП 902-9-40.86-КЖИ.С2 Сетка арматурная С2 |
| Разработан: | ЦНИИЭП |
| Утверждён: | 05.11.1984 Госгражданстрой (Gosgrazhdanstroy 320) |
























