Скачать Типовой проект 902-2-394.86 Альбом III. Конструкции железобетонныеДата актуализации: 01.01.2021
|
| Обозначение: | Типовой проект 902-2-394.86 |
| Обозначение англ: | 902-2-394.86 |
| Статус: | не определен законодательством |
| Название рус.: | Альбом III. Конструкции железобетонные |
| Дата добавления в базу: | 01.09.2013 |
| Дата актуализации: | 01.01.2021 |
| Дата введения: | 09.01.1986 |
| Дата окончания срока действия: | 30.06.2003 |
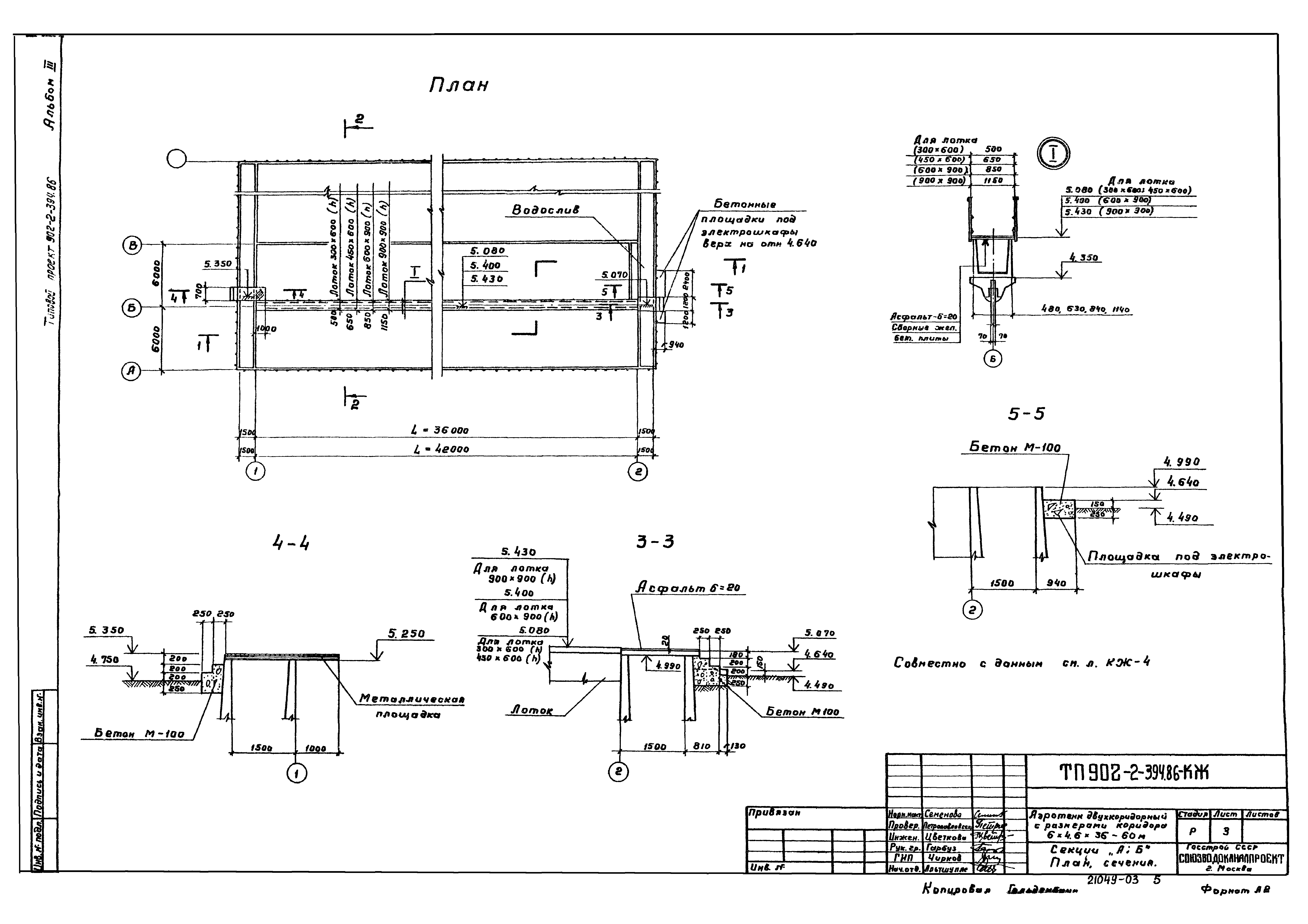
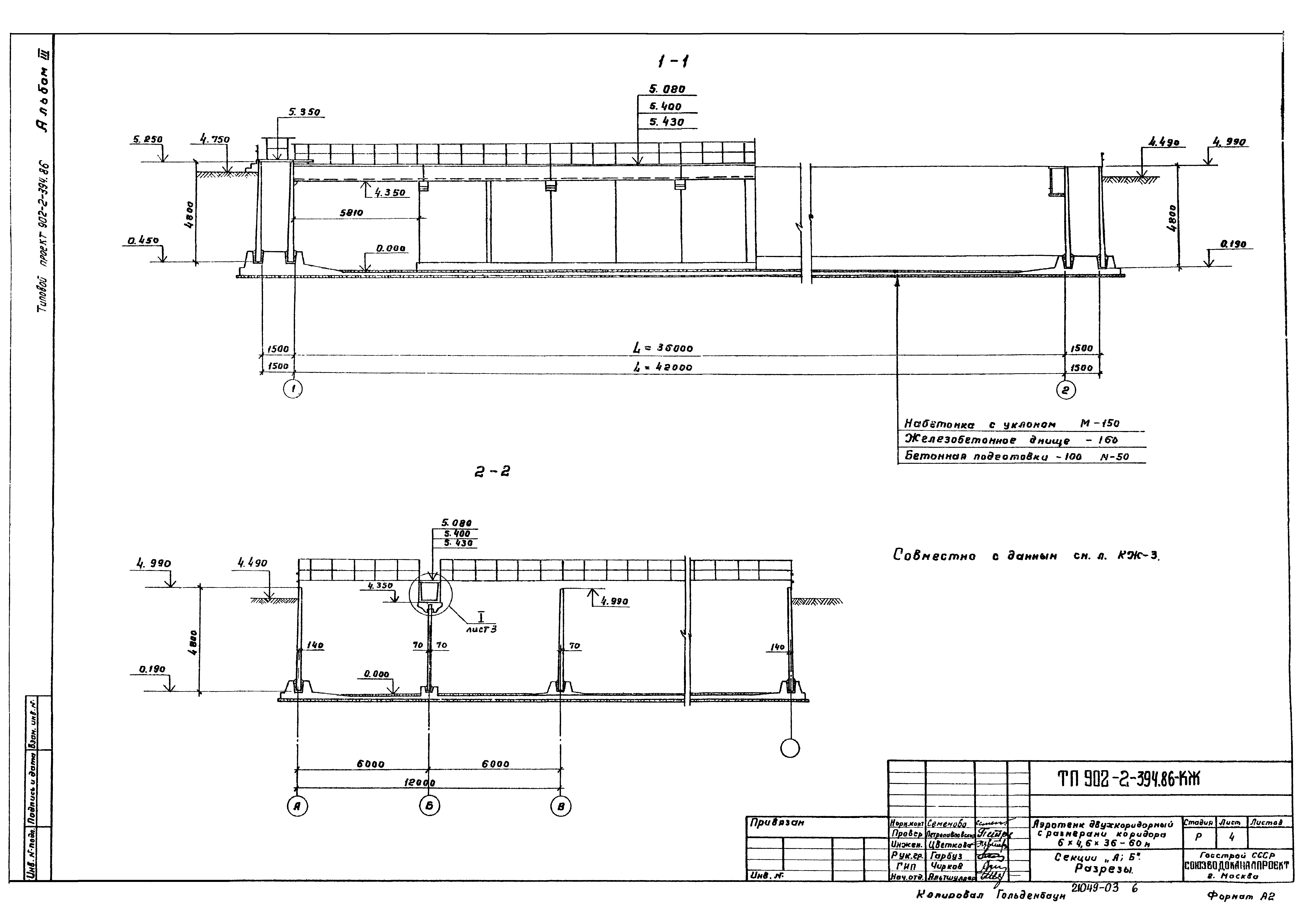
| Оглавление: | ТП 902-2-394.86-КЖ-1 Секции "А,Б". Общие данные ТП 902-2-394.86-КЖ-2 Секции "А,Б". Компоновочный чертеж на 2,3 секции ТП 902-2-394.86-КЖ-3 Секции "А,Б". План, сечения ТП 902-2-394.86-КЖ-4 Секции "А,Б". Разрезы ТП 902-2-394.86-КЖ-5 Секция "А". Днище. Опалубочный чертеж. План, разрезы ТП 902-2-394.86-КЖ-6 Секция "А". Днище. Спецификация элементов ТП 902-2-394.86-КЖ-7 Секция "А". Днище. Арматурный чертеж ТП 902-2-394.86-КЖ-8 Секция "Б". Днище. Опалубочный чертеж. План, разрезы ТП 902-2-394.86-КЖ-9 Секция "Б". Днище. Спецификация элементов ТП 902-2-394.86-КЖ-10 Секция "Б". Днище. Арматурный чертеж. Раскладка нижней арматуры ТП 902-2-394.86-КЖ-11 Секция "Б". Днище. Арматурный чертеж. Раскладка верхней арматуры ТП 902-2-394.86-КЖ-12 Секция "А". Схема расположения элементов стен. План ТП 902-2-394.86-КЖ-13 Секция "Б". Схема расположения элементов стен. План ТП 902-2-394.86-КЖ-14 Секции "А;Б". Схема расположения элементов стен. Виды 1-1÷6-6 ТП 902-2-394.86-КЖ-15 Секции "А;Б". Схема расположения элементов стен. Виды 7-7÷12-12 ТП 902-2-394.86-КЖ-16 Секции "А,Б". Схема расположения балок, лотков, плит на одну технологическую секцию (Lаэротенка=36м) ТП 902-2-394.86-КЖ-17 Секции "А,Б" Схема расположения балок, лотков, плит на одну технологическую секцию (Lаэротенка=42м) |
| Разработан: | Союзводоканалпроект |
| Утверждён: | 20.09.1984 Союзводоканалпроект (Soyuzvodokanalproject 46) |
| Заменяет собой: |
|



















