Скачать Типовой проект 903-1-211.84 Альбом V. Индустриальные строительные конструкции и изделияДата актуализации: 01.01.2021
|
| Обозначение: | Типовой проект 903-1-211.84 |
| Обозначение англ: | 903-1-211.84 |
| Статус: | заменен |
| Название рус.: | Альбом V. Индустриальные строительные конструкции и изделия |
| Дата добавления в базу: | 01.09.2013 |
| Дата актуализации: | 01.01.2021 |
| Дата введения: | 11.03.1984 |
| Дата окончания срока действия: | 01.01.1990 |
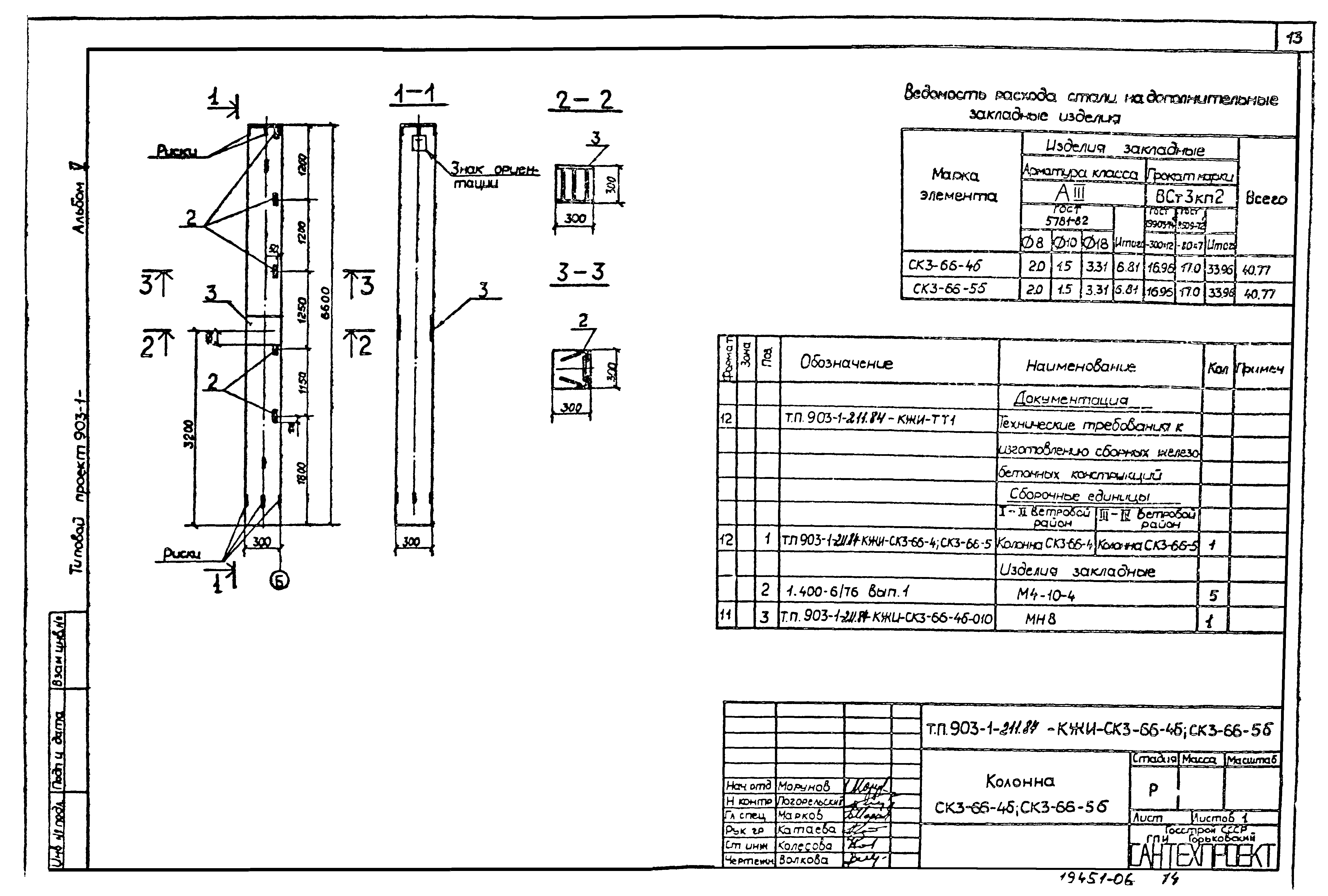
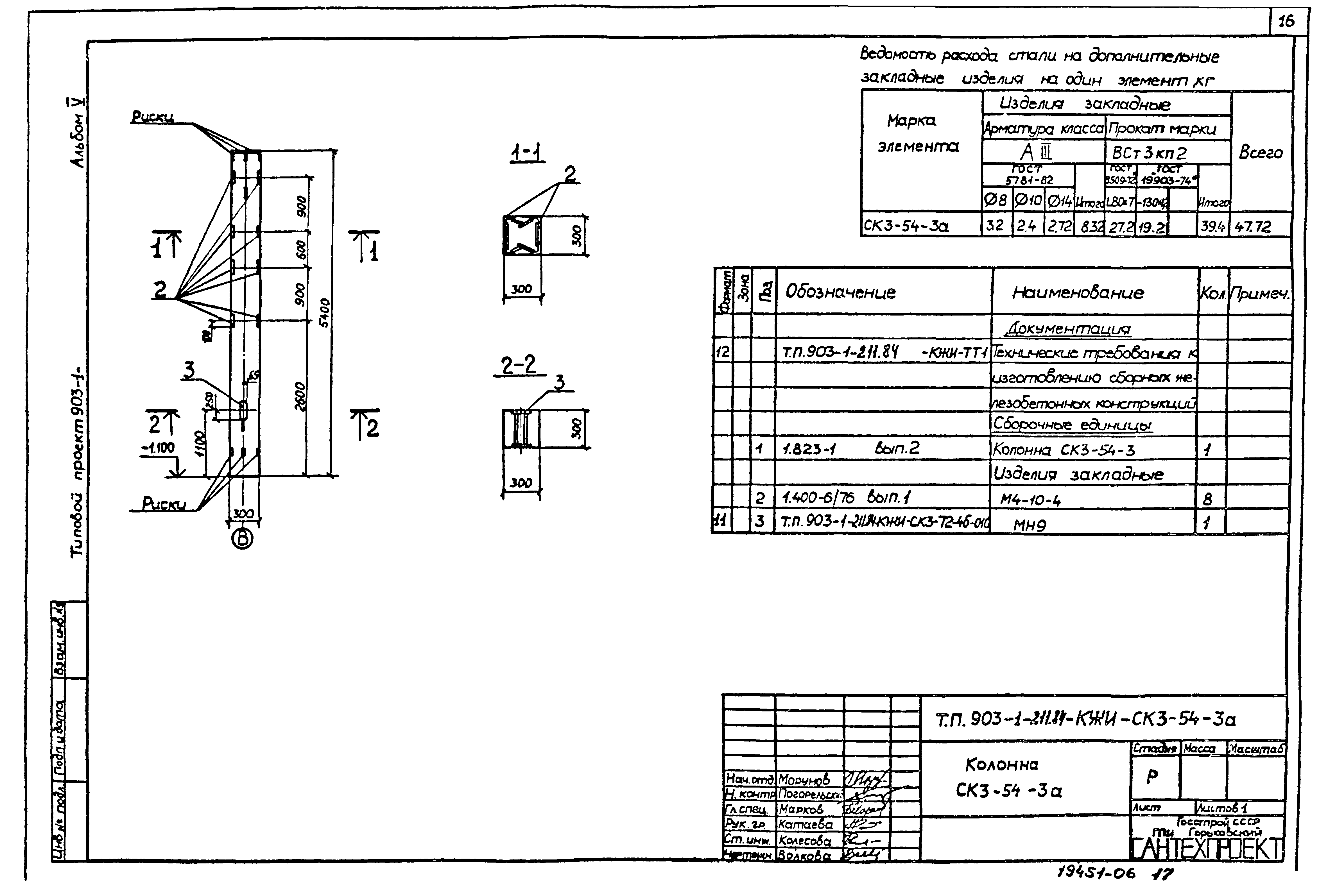
| Оглавление: | ТП 903-1-211.84 Содержание альбома (начало) ТП 903-1-211.84 Содержание альбома (окончание) ТП 903-1-211.84-КЖИ-ТТ1 Технические требования к изготовлению сборных железобетонных конструкций ТП 903-1-211.84-КЖИ-ТТ2 Технические требования к изготовлению арматурных и закладных изделий ТП 903-1-211.84-КЖИ-СКЗ-72-4;СКЗ-72-5 Колонна СКЗ-72-4;СКЗ-72-5 ТП 903-1-211.84-КЖИ-СКЗ-66-4;СКЗ-66-6 Колонна СКЗ-66-4;СКЗ-66-6 ТП 903-1-211.84-КЖИ-СКЗ-72-4а;СКЗ-72-5а Колонна СКЗ-72-4а;СКЗ-72-5а ТП 903-1-211.84-КЖИ-СКЗ-72-4б;СКЗ-72-5б Колонна СКЗ-72-4б;СКЗ-72-5б ТП 903-1-211.84-КЖИ-СКЗ-72-4в;СКЗ-72-5в Колонна СКЗ-72-4в;СКЗ-72-5в ТП 903-1-211.84-КЖИ-СКЗ-72-4г;СКЗ-72-5г Колонна СКЗ-72-4г;СКЗ-72-5г ТП 903-1-211.84-КЖИ-СКЗ-66-4а;СКЗ-66-5а Колонна СКЗ-66-4а;СКЗ-66-5а ТП 903-1-211.84-КЖИ-СКЗ-66-4б;СКЗ-66-5б Колонна СКЗ-66-4б;СКЗ-66-5б ТП 903-1-211.84-КЖИ-СКЗ-66-4в;СКЗ-66-5в Колонна СКЗ-66-4в;СКЗ-66-5в ТП 903-1-211.84-КЖИ-СКЗ-66-4а;СКЗ-66-5б Колонна СКЗ-66-4а;СКЗ-66-5б ТП 903-1-211.84-КЖИ-СКЗ-54-3а Колонна СКЗ-54-3а ТП 903-1-211.84-КЖИ-2БО12-38-а/2БО12-4В-а Балки покрытия 2БО12-38-а;2БО12-4В-а ТП 903-1-211.84-КЖИ-ПСД60.12.30-П-У-2,ПСД60.12.40-П-У-2 Стеновая панель ПСД60.12.30-П-У-2,ПСД60.12.40-П-У-2 ТП 903-1-211.84-КЖИ-ПСД60.12.20-П-У-1,ПСД60.12.25-П-У-1; ПСД60.12.30-П-У-1 Стеновая панель ПСД60.12.20-П-У-1,ПСД60.12.25-П-У-1; ПСД60.12.30-П-У-1 ТП 903-1-211.84-КЖИ-ПСД60.12.20-П-У-1,ПСД60.12.25-П-У-1; ПСД60.12.30-П-У-2; ПСД60.12.40-П-1 Стеновая панель ПСД60.12.20-П-У-1,ПСД60.12.25-П-У-1; ПСД60.12.30-П-У-2; ПСД60.12.40-П-1 ТП 903-1-211.84-КЖИ-ПСД60.12.30-П-4,ПСД60.12.40-П-4 Стеновая панель ПСД60.12.30-П-4,ПСД60.12.40-П-4 ТП 903-1-211.84-КЖИ-ПСД60.12.30-П-УП-1,ПСД60.12.40-П-УП-1 Стеновая панель ПСД60.12.30-П-УП-1,ПСД60.12.40-П-УП-1 ТП 903-1-211.84-КЖИ-ПСД60.9.30-П-1,ПСД60.9.25-П-1;ПСД60.9.30-П-1 Стеновая панель ПСД60.9.30-П-1,ПСД60.9.25-П-1;ПСД60.9.30-П-1 ТП 903-1-211.84-КЖИ-ПСД60.6.20-П-1,ПСД60.6.25-П-1;ПСД60.6.30-П-1 Стеновая панель ПСД60.6.20-П-1,ПСД60.6.25-П-1;ПСД60.6.30-П-1 ТП 903-1-211.84-КЖИ-ПСД60.12.20-П-3,ПСД60.12.25-П-3;ПСД60.12.30-П-3;ПСД60.12.40-П-3 Стеновая панель ПСД60.12.20-П-3,ПСД60.12.25-П-3;ПСД60.12.30-П-3;ПСД60.12.40-П-3 ТП 903-1-211.84-КЖИ-ПСД30.12.20-П-1,ПСД30.12.25-П-1;ПСД30.12.30-П-1 Стеновая панель ПСД30.12.20-П-1,ПСД30.12.25-П-1;ПСД30.12.30-П-1 ТП 903-1-211.84-КЖИ-ПСД12.12.20-П-1,ПСД12.12.25-П-1;ПСД12.12.30-П-1; ПСД12.12.40-П-1 Стеновая панель ПСД12.12.20-П-1,ПСД12.12.25-П-1;ПСД12.12.30-П-1; ПСД12.12.40-П-1 ТП 903-1-211.84-КЖИ-ПСД6.12.20-П-1,ПСД6.12.25-П-1;ПСД6.12.30-П-1; ПСД6.12.40-П-1 Стеновая панель ПСД6.12.20-П-1,ПСД6.12.25-П-1;ПСД6.12.30-П-1; ПСД6.12.40-П-1 ТП 903-1-211.84-КЖИ-ПСД60.12.20-П-2,ПСД60.12.25-П-2;ПСД60.12.30-П-2 Стеновая панель ПСД60.12.20-П-2,ПСД60.12.25-П-2;ПСД60.12.30-П-2 ТП 903-1-211.84-КЖИ-ПСД60.12.20-П-1а,ПСД60.12.25-П-1а;ПСД60.12.30-П-1а Стеновая панель ПСД60.12.20-П-1а,ПСД60.12.25-П-1а;ПСД60.12.30-П-1а ТП 903-1-211.84-КЖИ-ПСД60.12.20-П-1б,ПСД60.12.25-П-1б;ПСД60.12.30-П-1б Стеновая панель ПСД60.12.20-П-1б,ПСД60.12.25-П-1б;ПСД60.12.30-П-1б ТП 903-1-211.84-КЖИ-ПСД60.12.30-П-Упа;ПСД60.12.40-П-Упа Стеновая панель ПСД60.12.30-П-Упа;ПСД60.12.40-П-Упа ТП 903-1-211.84-КЖИ-ПСД60.12.20-П-1в;ПСД60.12.25-А-1в;ПСД60.12.30-П-1в Стеновая панель ПСД60.12.20-П-1в;ПСД60.12.25-А-1в;ПСД60.12.30-П-1в ТП 903-1-211.84-КЖИ-1ПГ-4АIVТ-а/1ПГ-5АIVТ-а Плита 1ПГ-4АIVТ-а;1ПГ-5АIVТ-а ТП 903-1-211.84-КЖИ-1ПГЧ-4АIVТ-а/1ПВЧ-5АIVТ-а Плита 1ПГЧ-4АIVТ-а;1ПВЧ-5АIVТ-а ТП 903-1-211.84-КЖИ-1ПГ-4АIVТ-б/1ПГ-5АIVТ-б Плита 1ПГ-4АIVТ-б;1ПГ-5АIVТ-б ТП 903-1-211.84-КЖИ-1ПГ-4АIVТ-в/1ПГ-5АIVТ-в Плита 1ПГ-4АIVТ-в;1ПГ-5АIVТ-в ТП 903-1-211.84-КЖИ-(ПГБ-1/1.5х6)-2 Панель перегородки (ПГБ-1/1.5х6)-2 ТП 903-1-211.84-КЖИ-(ПГП-1/1.5х6)-1; (ПГБ-2/1.5х6)-1 Панель перегородки (ПГП-1/1.5х6)-1; (ПГБ-2/1.5х6)-1 ТП 903-1-211.84-КЖИ-(ПГБ-2/1.5х3)-1 Панель перегородки (ПГБ-2/1.5х3)-1 ТП 903-1-211.84-КЖИ-Л5д-8а, Л7д-8а Лотки Л5д-8а, Л7д-8а ТП 903-1-211.84-КЖИ-ЛТ1а-9-12а Лотки ЛТ1а-9-12а ТП 903-1-211.84-КЖИ-СКЗ-66-4-100 Каркас пространственный КП-1 ТП 903-1-211.84-КЖИ-СКЗ-66-5-100 Каркас пространственный КП-2 ТП 903-1-211.84-КЖИ-СКЗ-72-4-100 Каркас пространственный КП-3 ТП 903-1-211.84-КЖИ-СКЗ-72-5-100 Каркас пространственный КП-4 ТП 903-1-211.84-КЖИ-СКЗ-66-4-110 Каркас плоский КР1 ТП 903-1-211.84-КЖИ-СКЗ-66-5-110 Каркас плоский КР2 ТП 903-1-211.84-КЖИ-СКЗ-72-4-110 Каркас плоский КР3 ТП 903-1-211.84-КЖИ-СКЗ-72-5-110 Каркас плоский КР4 ТП 903-1-211.84-КЖИ-ФОМ4-020 Каркас плоский КР5 ТП 903-1-211.84-КЖИ-РКМ1-010 Каркас плоский КР6 ТП 903-1-211.84-КЖИ-РКМ1-010-01 Каркас плоский КР7 ТП 903-1-211.84-КЖИ-РКМ1-020 Каркас плоский КР8 ТП 903-1-211.84-КЖИ-РКМ1-020 Каркас плоский КР9,КР10 ТП 903-1-211.84-КЖИ-ФМ1-010 Сетка арматурная С1 ТП 903-1-211.84-КЖИ-ФМ2-010 Сетка арматурная С2 ТП 903-1-211.84-КЖИ-ФМ4-010 Сетка арматурная С3 ТП 903-1-211.84-КЖИ-РКМ1-030 Сетка арматурная С4 ТП 903-1-211.84-КЖИ-ОКМ1-040 Анкер А1 ТП 903-1-211.84-КЖИ-МН1 Изделие закладное МН1 ТП 903-1-211.84-КЖИ-МН2 Изделие закладное МН2 ТП 903-1-211.84-КЖИ-МН3 Изделие закладное МН3 ТП 903-1-211.84-КЖИ-МН4 Изделие закладное МН4 ТП 903-1-211.84-КЖИ-УМ1-010 Изделие закладное МН5 ТП 903-1-211.84-КЖИ-УМ2-010 Изделие закладное МН6 ТП 903-1-211.84-КЖИ-ПГБ-1/15х60-1-010 Изделие закладное МН7 ТП 903-1-211.84-КЖИ-СКЗ-66-4б-010 Изделие закладное МН8 ТП 903-1-211.84-КЖИ-СКЗ-72-4б-010 Изделие закладное МН9 ТП 903-1-211.84-КЖИ-МН10 Изделие закладное МН10 ТП 903-1-211.84-КЖИ-МН11 Изделие закладное МН11 ТП 903-1-211.84-КЖИ-ПСД60.12.40-П-3-010 Изделие закладное МН12 ТП 903-1-211.84-КЖИ-ЛБД-8а,Л7д-8а-010 Изделие закладное МН13 ТП 903-1-211.84-КЖИ-ЛТ1а-9-12а-010 Изделие закладное МН14 ТП 903-1-211.84-КЖИ-МН15 Изделие закладное МН15 ТП 903-1-211.84-КЖИ-ФОМ1-010 Рамка РМ1 ТП 903-1-211.84-КЖИ-Р1 Решетка Р1 ТП 903-1-211.84-КЖИ-Р2 Решетка Р2 ТП 903-1-211.84-КЖИ-Р3 Решетка Р3 ТП 903-1-211.84-КЖИ-СФ1 Стойка фахверка СФ1 ТП 903-1-211.84-КЖИ-СМ1 Стойка СМ1 ТП 903-1-211.84-КЖИ-МС6 Соединительный элемент МС6 ТП 903-1-211.84-КЖИ-Т1 Траверса Т1 ТП 903-1-211.84-КЖИ-КН1 Консоль КН1 ТП 903-1-211.84-КЖИ-ПСД9.30.20-П-1, ПСД9.30.25-П-1, ПСД9.30.30-П-1 Стеновая панель ПСД9.30.20-П-1, ПСД9.30.25-П-1, ПСД9.30.30-П-1 ТП 903-1-211.84-КЖИ-ПСД21.30.20-П-1, ПСД21.30.25-П-1, ПСД21.30.30-П-1 Стеновая панель ПСД21.30.20-П-1, ПСД21.30.25-П-1, ПСД21.30.30-П-1 |
| Разработан: | Горьковский Сантехпроект |
| Утверждён: | 11.03.1984 Министерство сельского хозяйства СССР (USSR Ministry of Agriculture 10-3Г) |
| Чем заменён: |
|

































































