Скачать Типовой проект 902-2-377.83 Альбом III. Строительные изделияДата актуализации: 01.01.2021
|
| Обозначение: | Типовой проект 902-2-377.83 |
| Обозначение англ: | 902-2-377.83 |
| Статус: | заменен |
| Название рус.: | Альбом III. Строительные изделия |
| Дата добавления в базу: | 01.09.2013 |
| Дата актуализации: | 01.01.2021 |
| Дата введения: | 27.07.1983 |
| Дата окончания срока действия: | 01.03.1990 |
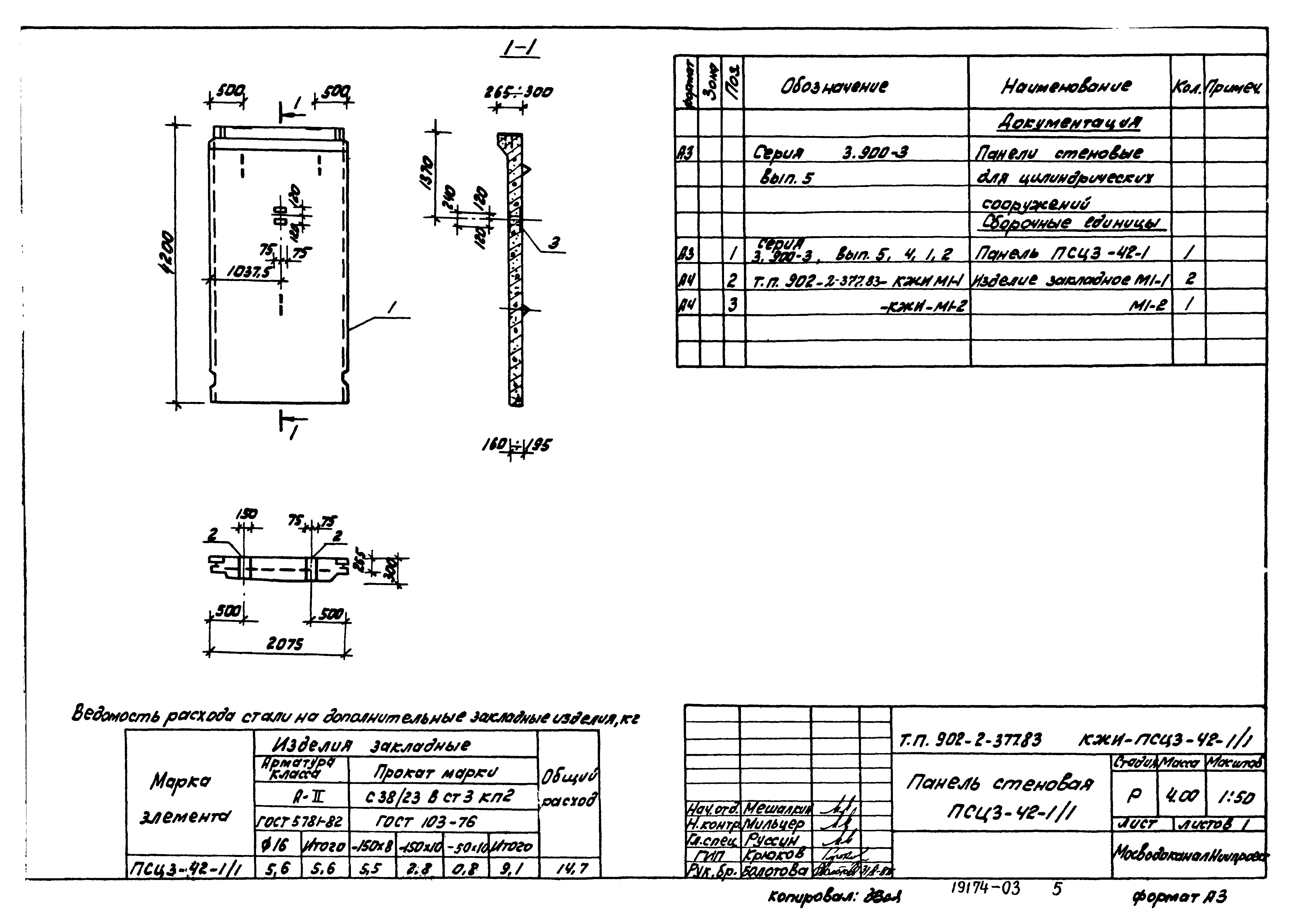
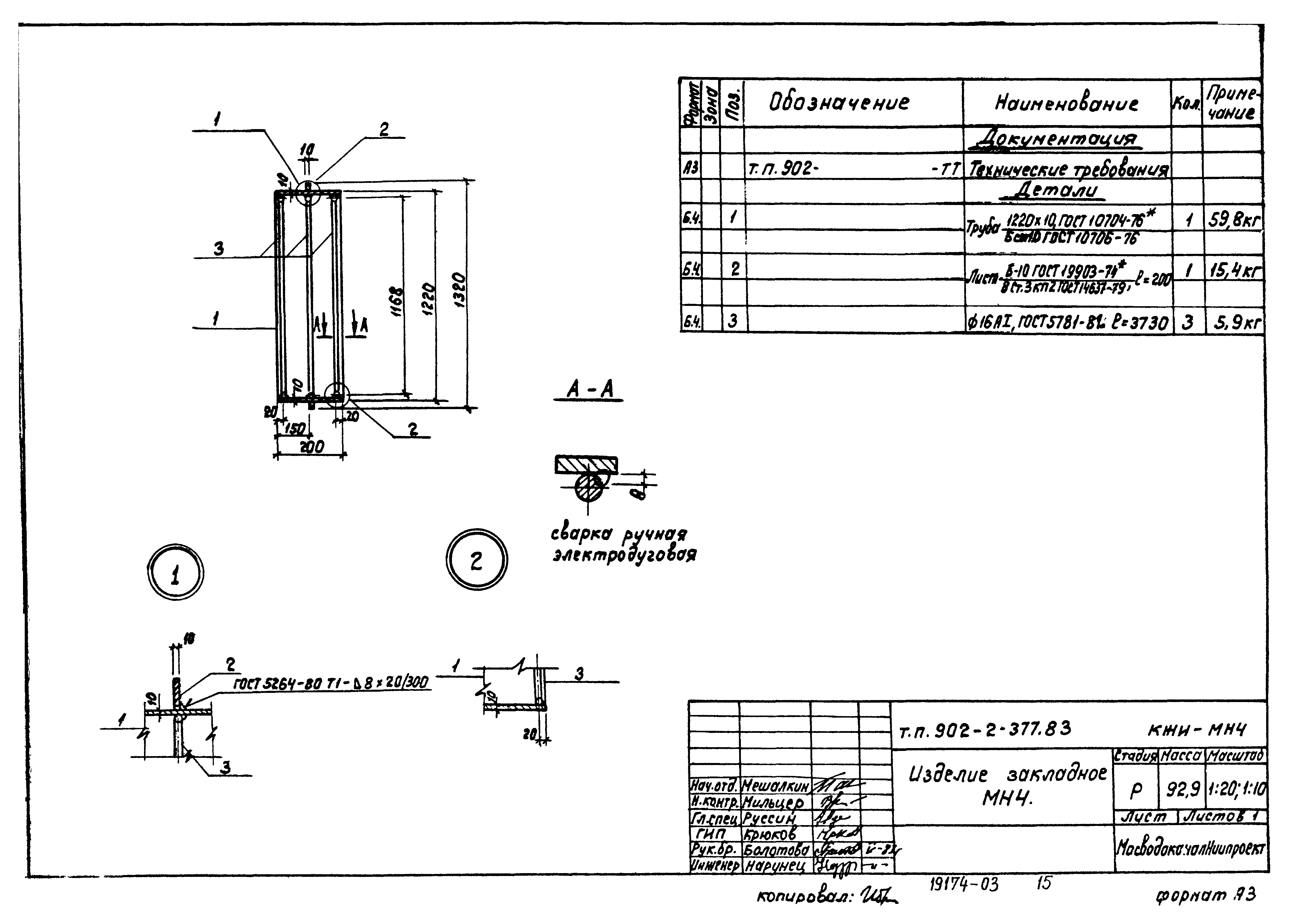
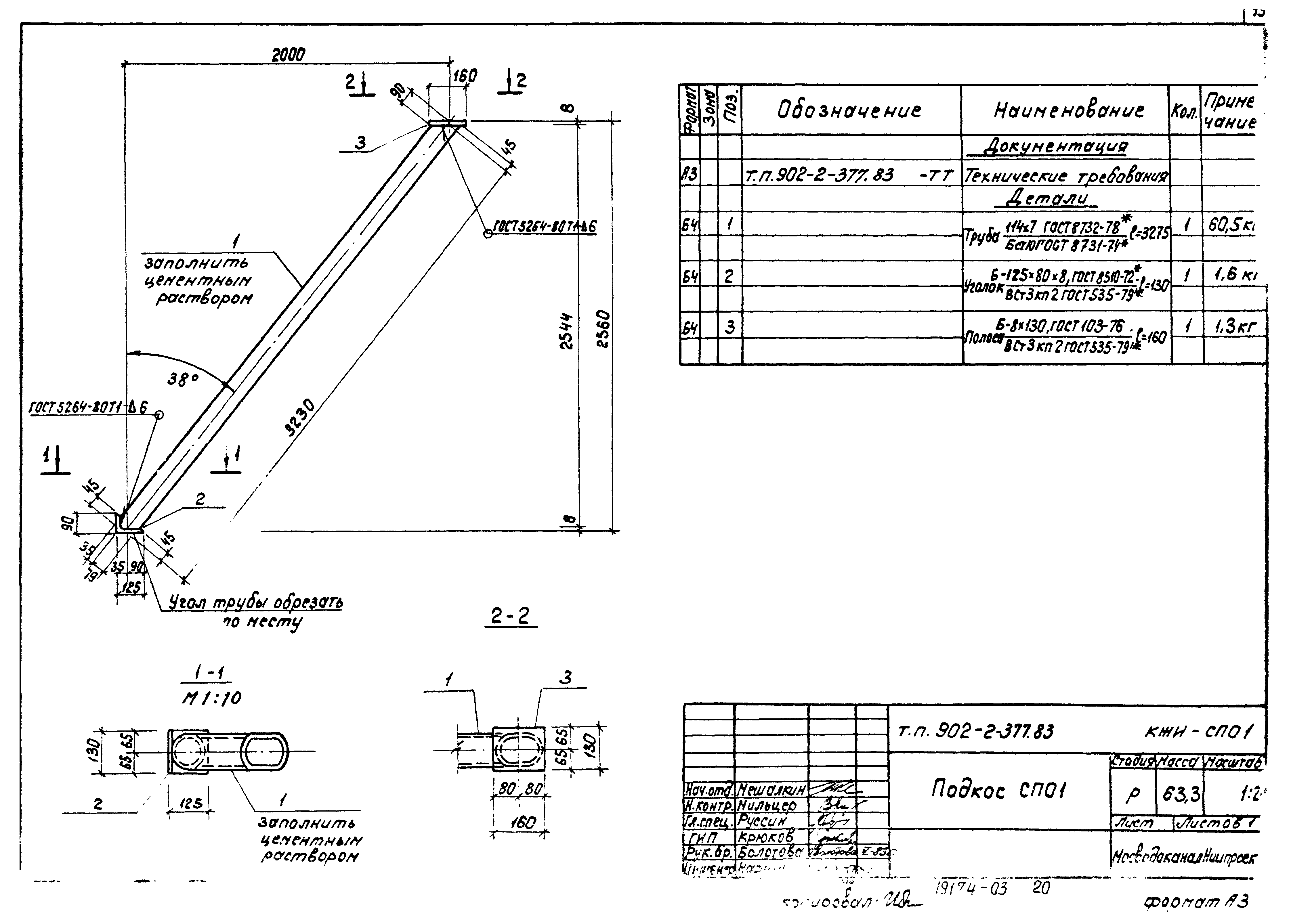
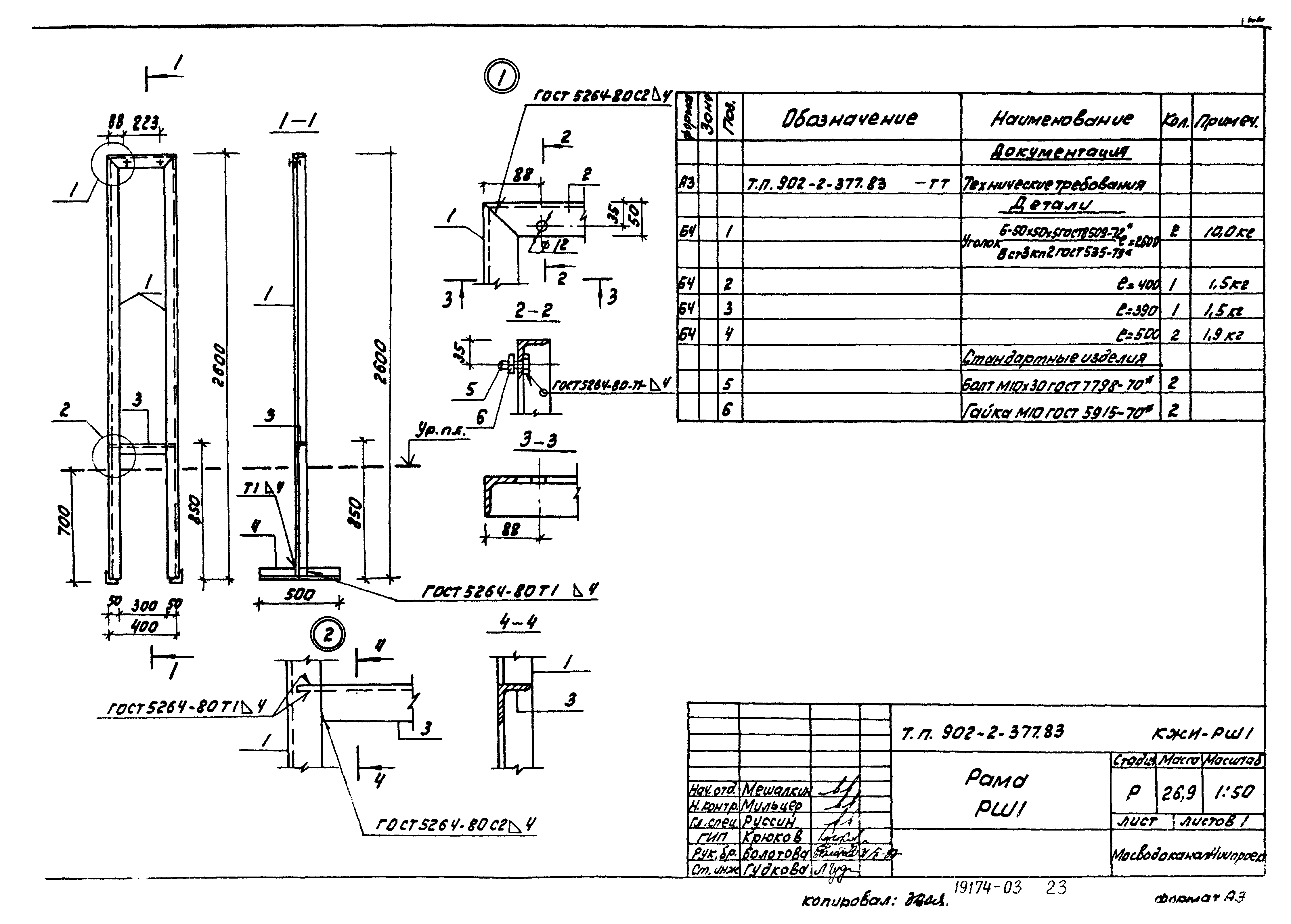
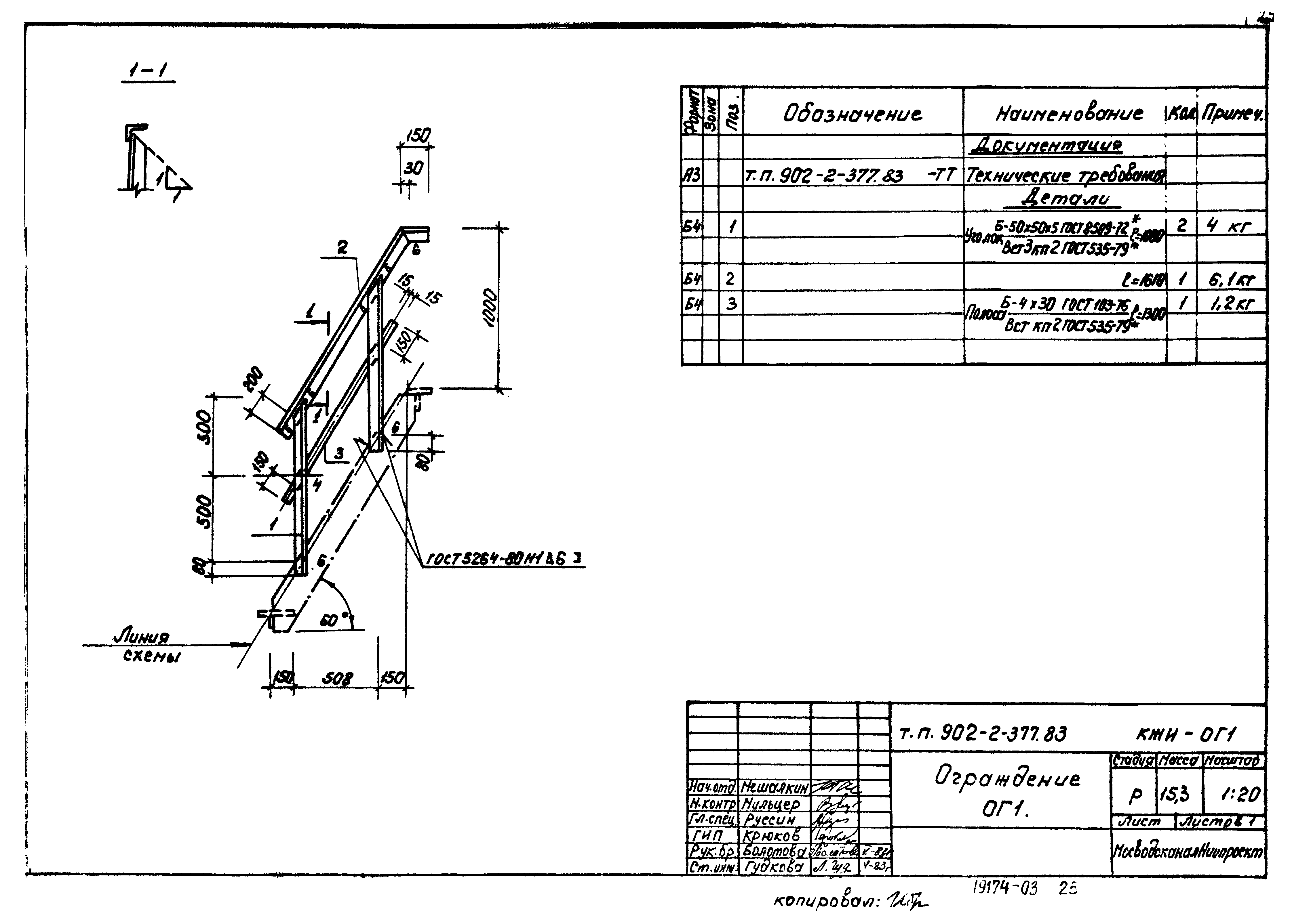
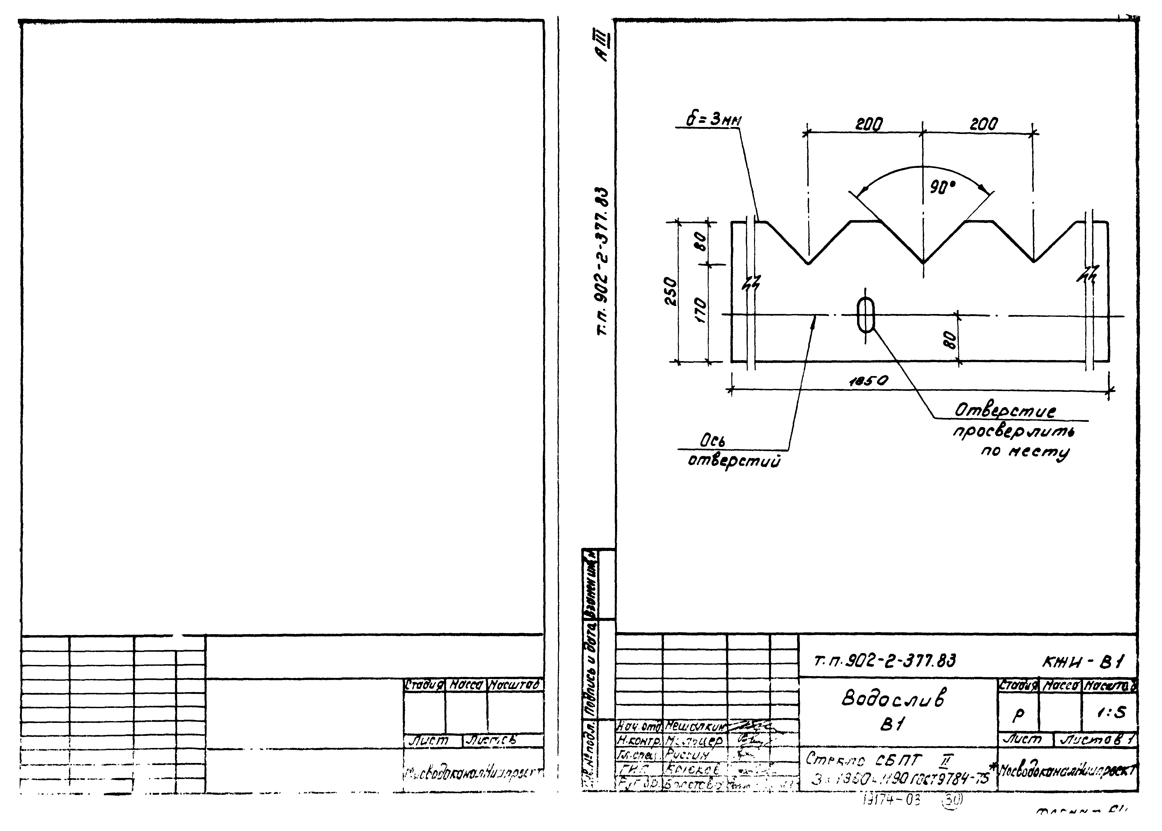
| Оглавление: | ТП 902-2-377.83-ТТ Технические требования ТП 902-2-377.83-КЖИ-ПСЦ3-42-1/1 Панель стеновая ПСЦ3-42-1/1 ТП 902-2-377.83-КЖИ-ЛТ1Б-9-9/2 Лоток ЛТ1Б-9-9/2 ТП 902-2-377.83-КЖИ-КР1 Каркас плоский КР1 ТП 902-2-377.83-КЖИ-С-36-а Сетка С-36-а ТП 902-2-377.83-КЖИ-С-36-б Сетка С-36-б ТП 902-2-377.83-КЖИ-С-37-а Сетка С-37-а ТП 902-2-377.83-КЖИ-С-38-а Сетка С-38-а ТП 902-2-377.83-КЖИ-М1-1 Изделие закладное М1-1 ТП 902-2-377.83-КЖИ-М1-2 Изделие закладное М1-2 ТП 902-2-377.83-КЖИ-М2-1 Изделие закладное М2-1 ТП 902-2-377.83-КЖИ-М2-2 Изделие закладное М2-2 ТП 902-2-377.83-КЖИ-М1 Изделие закладное М1 ТП 902-2-377.83-КЖИ-М2 Изделие закладное М2 ТП 902-2-377.83-КЖИ-М3 Изделие закладное М3 ТП 902-2-377.83-КЖИ-М4 Изделие закладное М4 ТП 902-2-377.83-КЖИ-М5 Изделие закладное М5 ТП 902-2-377.83-КЖИ-М6 Изделие закладное М6 ТП 902-2-377.83-КЖИ-М7 Изделие закладное М7 ТП 902-2-377.83-КЖИ-М9 Изделие закладное М9 ТП 902-2-377.83-КЖИ-М8 Изделие закладное М8 ТП 902-2-377.83-КЖИ-СП01 Подкос СП01 ТП 902-2-377.83-КЖИ-СП02 Подкос СП02 ТП 902-2-377.83-КЖИ-СРП01 Ригель СРП01 ТП 902-2-377.83-КЖИ-РШ1 Рама РШ1 ТП 902-2-377.83-КЖИ-ЛС1 Лестница ЛС1 ТП 902-2-377.83-КЖИ-ОГ1 Ограждение ОГ1 ТП 902-2-377.83-КЖИ-ОГ2 Ограждение ОГ2 ТП 902-2-377.83-КЖИ-ОГ3 Ограждение ОГ3 ТП 902-2-377.83-КЖИ-Л1 Люк-лаз Л1 ТП 902-2-377.83-КЖИ-Л1-10 Патрубок закладной ТП 902-2-377.83-КЖИ-Л1-11 Фланец ТП 902-2-377.83-КЖИ-Л1-01 Заглушка ТП 902-2-377.83-КЖИ-Л1-02 Прокладка К1 ТП 902-2-377.83-КЖИ-К1 Крышка К1 ТП 902-2-377.83-КЖИ-В1 Водослив В1 |
| Разработан: | МосводоканалНИИпроект |
| Утверждён: | 27.07.1983 МосводоканалНИИпроект (169) |
| Заменяет собой: |
|
| Чем заменён: |






























