Скачать Типовой проект 902-1-96.84 Альбом V. Подземная часть. ИзделияДата актуализации: 01.01.2021
|
| Обозначение: | Типовой проект 902-1-96.84 |
| Обозначение англ: | 902-1-96.84 |
| Статус: | заменен |
| Название рус.: | Альбом V. Подземная часть. Изделия |
| Дата добавления в базу: | 01.09.2013 |
| Дата актуализации: | 01.01.2021 |
| Дата введения: | 27.09.1984 |
| Дата окончания срока действия: | 01.02.1989 |
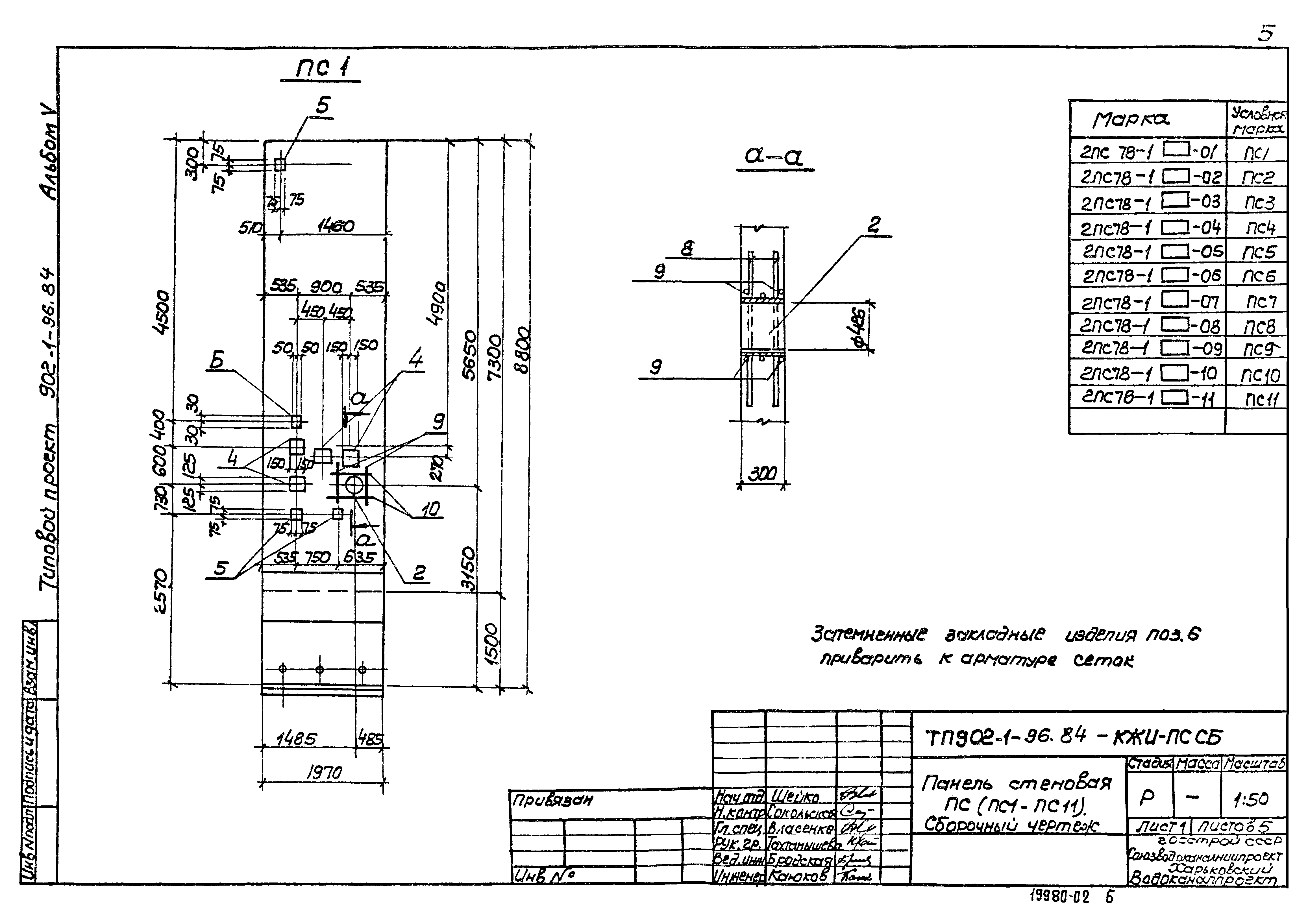
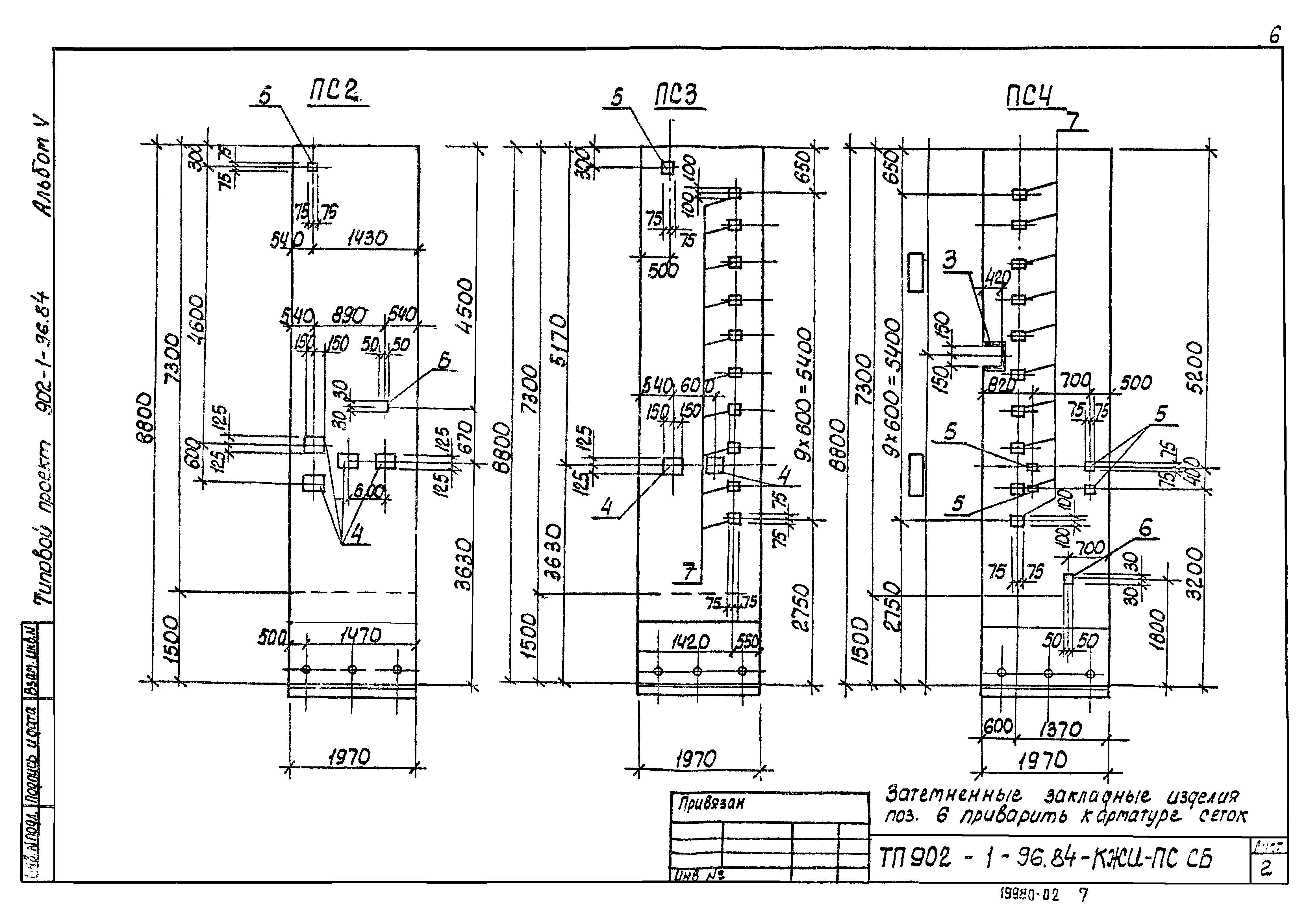
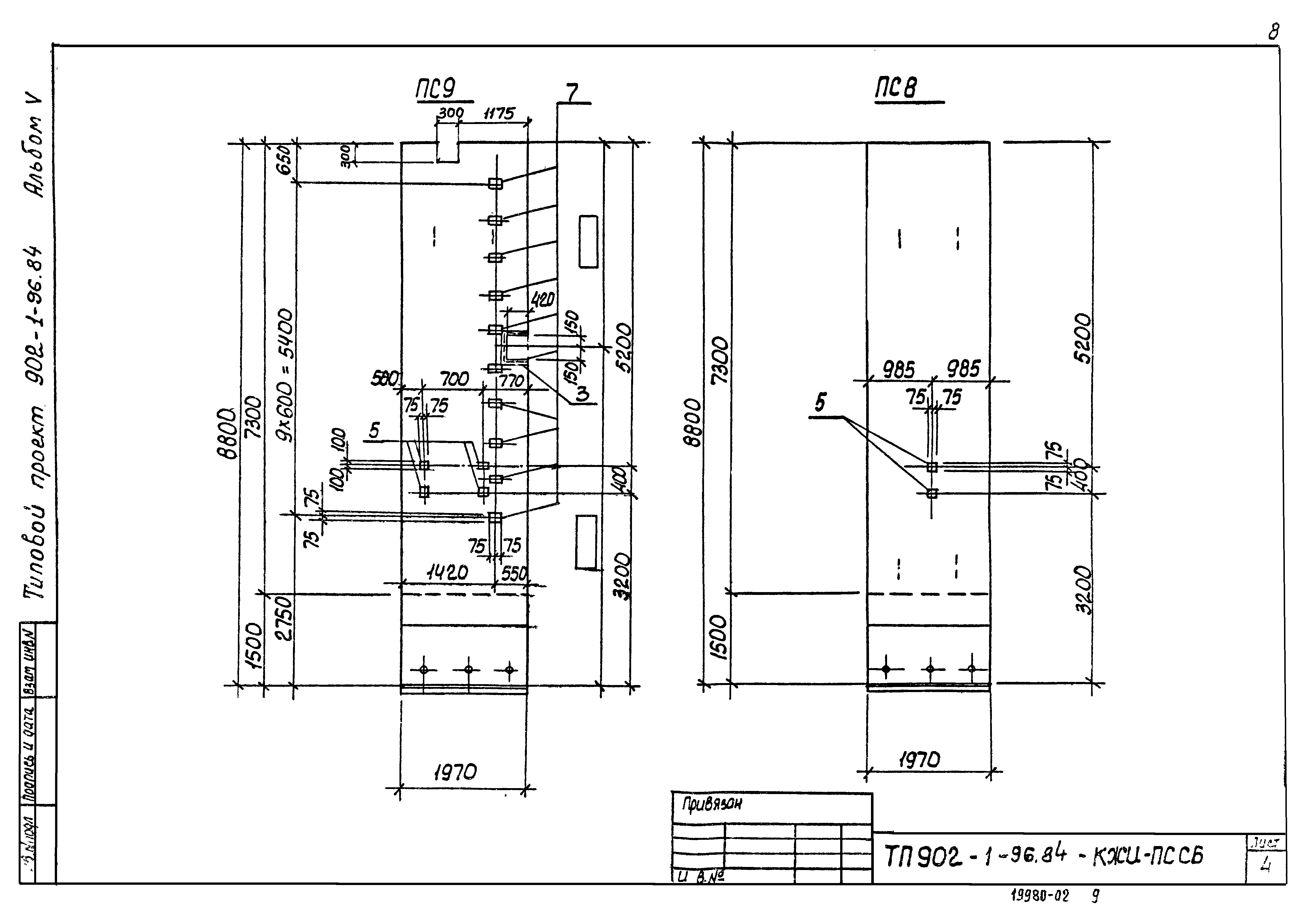
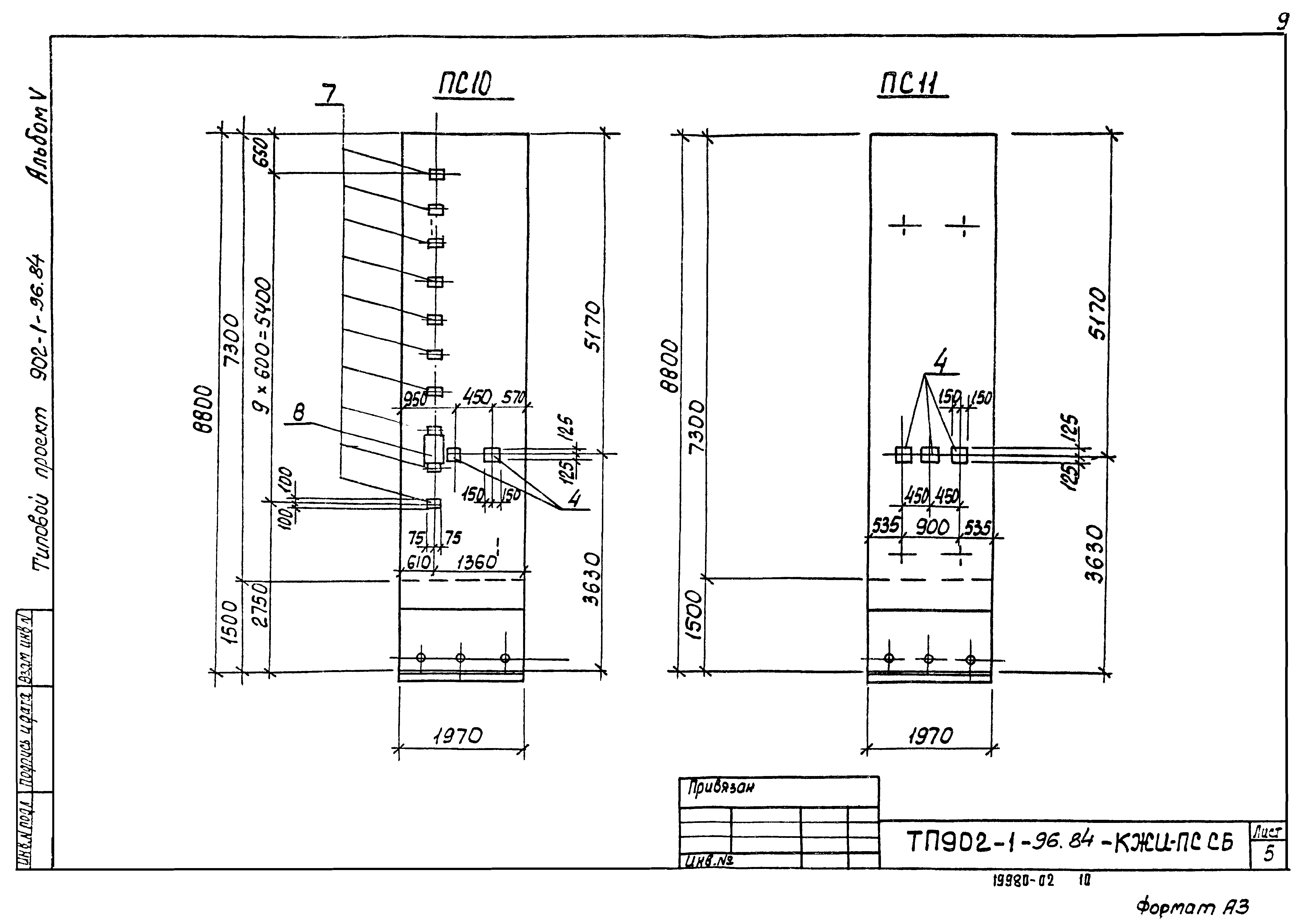
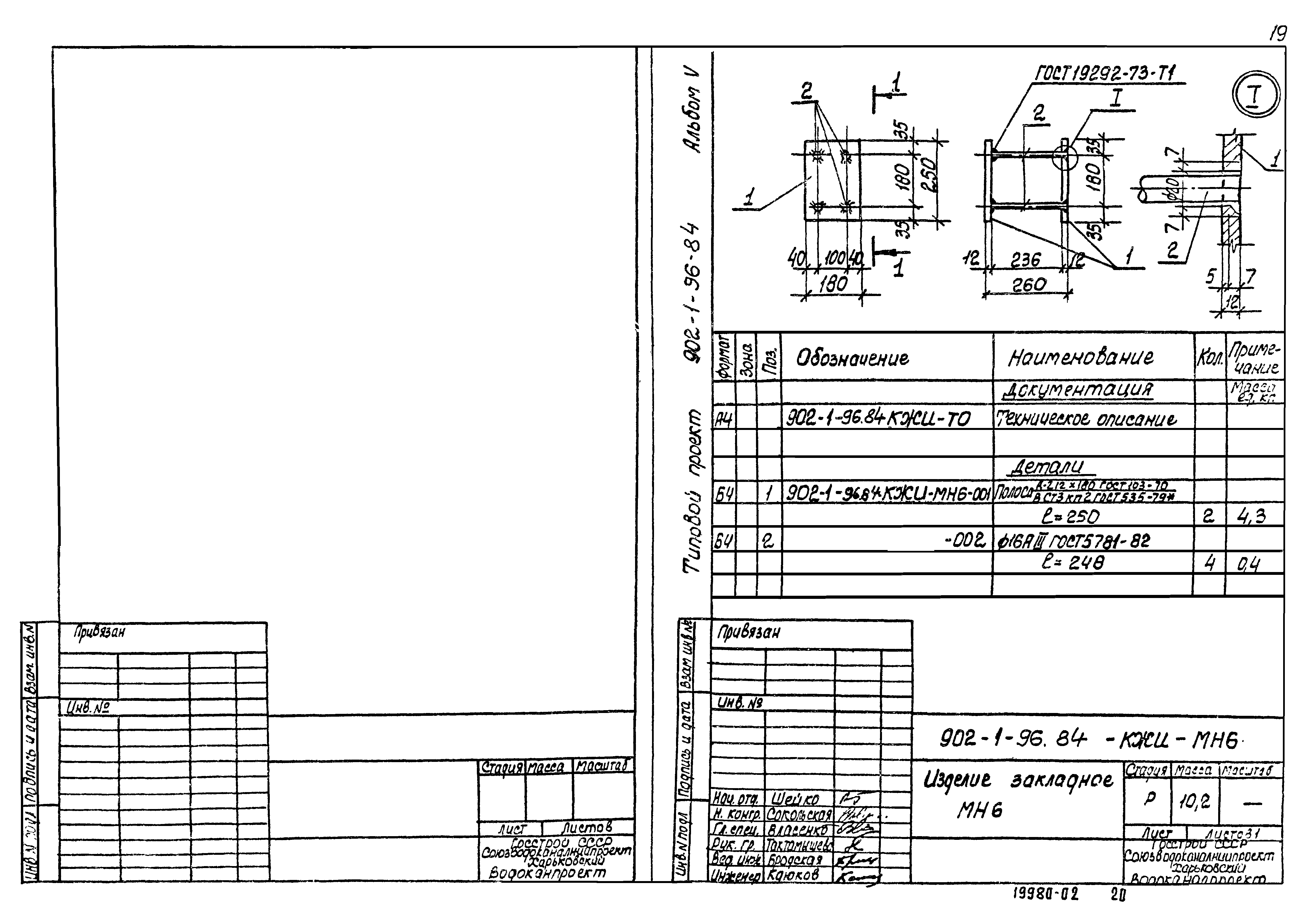
| Оглавление: | ТП 902-1-96.84-КЖ-ДО Опись документов ТП 902-1-96.84-КЖ-ТО Техническое описание ТП 902-1-96.84-КЖ-ПС Панель стеновая ПС(ПС1-ПС11) ТП 902-1-96.84-КЖ-ПС СБ Панель стеновая ПС(ПС1-ПС11). Сборочный чертеж ТП 902-1-96.84-КЖ-ВМС1 Ведомость расхода стали (ПС1-ПС11) ТП 902-1-96.84-КЖ-ПГ Панель перегородочная ПГ(ПГ1-ПГ4) ТП 902-1-96.84-КЖ-ПГ СБ Панель перегородочная ПГ(ПГ1-ПГ4). Сборочный чертеж ТП 902-1-96.84-КЖ-ВМС2 Ведомость расхода стали (ПГ1-ПГ4) ТП 902-1-96.84-КЖ-МН1 Изделие закладное МН1 ТП 902-1-96.84-КЖ-МН2 Изделие закладное МН2 ТП 902-1-96.84-КЖ-МН3 Изделие закладное МН3 ТП 902-1-96.84-КЖ-МН4 Изделие закладное МН4 ТП 902-1-96.84-КЖ-МН4 СБ Изделие закладное МН4. Сборочный чертеж ТП 902-1-96.84-КЖ-МН5 Изделие закладное МН5 ТП 902-1-96.84-КЖ-МН6 Изделие закладное МН6 ТП 902-1-96.84-КЖ-МН2 Изделие закладное МН2 ТП 902-1-96.84-КЖ-МН1 Изделие закладное МН1 ТП 902-1-96.84-КЖ-МН9 Изделие закладное МН9 ТП 902-1-96.84-КЖ-МН10 Изделие закладное МН10 ТП 902-1-96.84-КЖ-МС1 Изделие соединительное МС1 ТП 902-1-96.84-КЖ-МС3 Изделие соединительное МС3 ТП 902-1-96.84-КЖ-МС4 Изделие соединительное МС4 ТП 902-1-96.84-КЖ-МС5 Изделие соединительное МС5 |
| Разработан: | Харьковский Водоканалпроект |
| Утверждён: | 07.06.1984 СоюзводоканалНИИпроект (SoyuzvodokanalNIIproject 29) |
| Заменяет собой: | |
| Чем заменён: |






















