Скачать Типовой проект 902-1-99.85 Альбом VI. Подземная часть. ИзделияДата актуализации: 01.01.2021
|
| Обозначение: | Типовой проект 902-1-99.85 |
| Обозначение англ: | 902-1-99.85 |
| Статус: | действует |
| Название рус.: | Альбом VI. Подземная часть. Изделия |
| Дата добавления в базу: | 01.09.2013 |
| Дата актуализации: | 01.01.2021 |
| Дата введения: | 18.09.1985 |
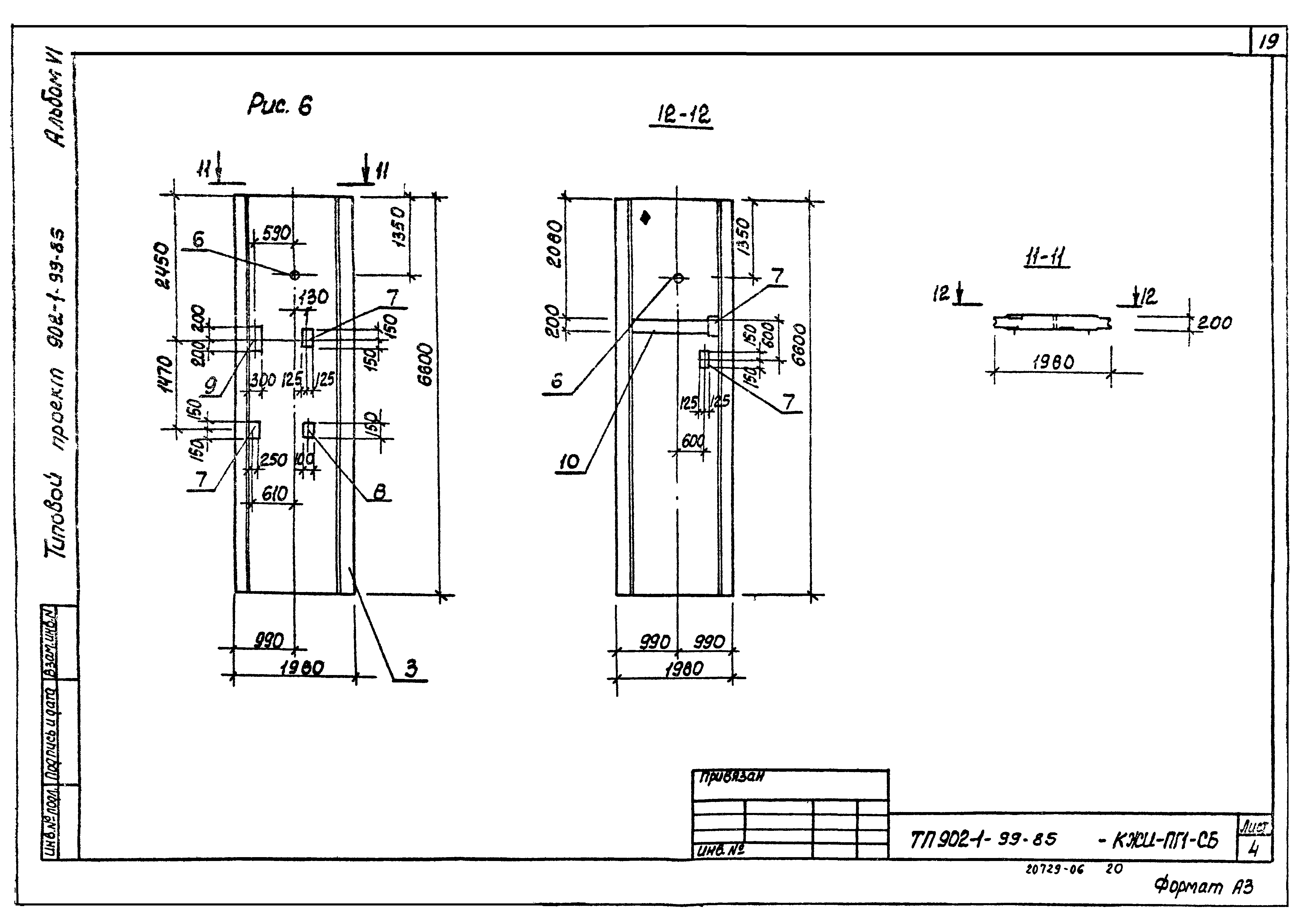
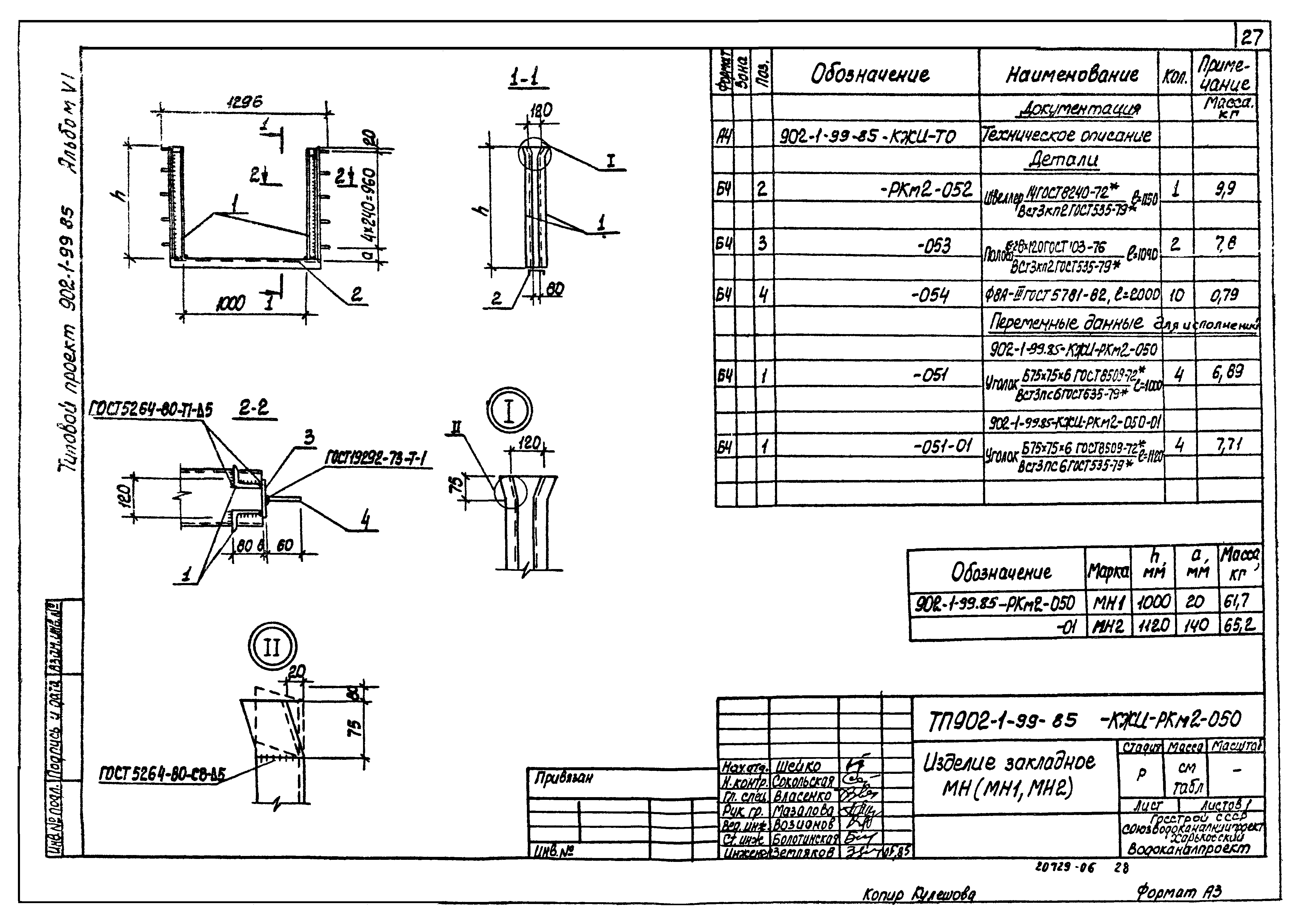
| Оглавление: | ТП 902-1-99.85-КЖИ-ДО Опись документов ТП 902-1-99.85-КЖИ-ТО Техническое описание ТП 902-1-99.85-КЖИ-ПС1 Панель стеновая ПС(ПС1-ПС20) ТП 902-1-99.85-КЖИ-ПС1 СБ Панель стеновая ПС(ПС1-ПС20). Сборочный чертеж ТП 902-1-99.85-КЖИ-ВМС1 Ведомость расхода стали ТП 902-1-99.85-КЖИ-ПГ1 Панель перегородочная ПГ(ПГ1-ПГ6) ТП 902-1-99.85-КЖИ-ПГ1 СБ Панель перегородочная ПГ(ПГ1-ПГ6). Сборочный чертеж ТП 902-1-99.85-КЖИ-ВМС2 Ведомость расхода стали ТП 902-1-99.85-КЖИ-ОП1 Опорный блок ОП1 ТП 902-1-99.85-КЖИ-ПДм1-010 Каркас плоский КР1 ТП 902-1-99.85-КЖИ-ПДм1-020 Каркас плоский КР2 ТП 902-1-99.85-КЖИ-ПДм1-030 Каркас плоский КР(КР3-КР6) ТП 902-1-99.85-КЖИ-ПДм1-030 СБ Каркас плоский КР(КР3-КР6). Сборочный чертеж ТП 902-1-99.85-КЖИ-РКм2-010 Каркас плоский КР(КР7-КР14) ТП 902-1-99.85-КЖИ-РКм2-010 СБ Каркас плоский КР(КР7-КР14). Сборочный чертеж ТП 902-1-99.85-КЖИ-РКм2-020 Каркас плоский КР15 ТП 902-1-99.85-КЖИ-РКм2-030 Изделие соединительное МС1 ТП 902-1-99.85-КЖИ-РКм2-040 Изделие соединительное МС2 ТП 902-1-99.85-КЖИ-РКм2-050 Изделие закладное МН(МН1,МН2) ТП 902-1-99.85-КЖИ-РКм2-060 Изделие закладное МН(МН3,МН4) ТП 902-1-99.85-КЖИ-ФШм1-010 Изделие соединительное МС3 ТП 902-1-99.85-КЖИ-ПДм1-040 Изделие закладное МН5 ТП 902-1-99.85-КЖИ-ПДм1-040 СБ Изделие закладное МН5. Сборочный чертеж |
| Разработан: | Харьковский Водоканалпроект |
| Утверждён: | 21.06.1985 Госстрой СССР (Государственный комитет Совета Министров СССР по делам строительства) (USSR Gosstroy А4-23) |































