Скачать Типовой проект 901-3-207.85 Альбом IV. Строительные изделияДата актуализации: 01.01.2021
|
| Обозначение: | Типовой проект 901-3-207.85 |
| Обозначение англ: | 901-3-207.85 |
| Статус: | не определен законодательством |
| Название рус.: | Альбом IV. Строительные изделия |
| Дата добавления в базу: | 01.09.2013 |
| Дата актуализации: | 01.01.2021 |
| Дата введения: | 21.12.1984 |
| Дата окончания срока действия: | 30.06.2003 |
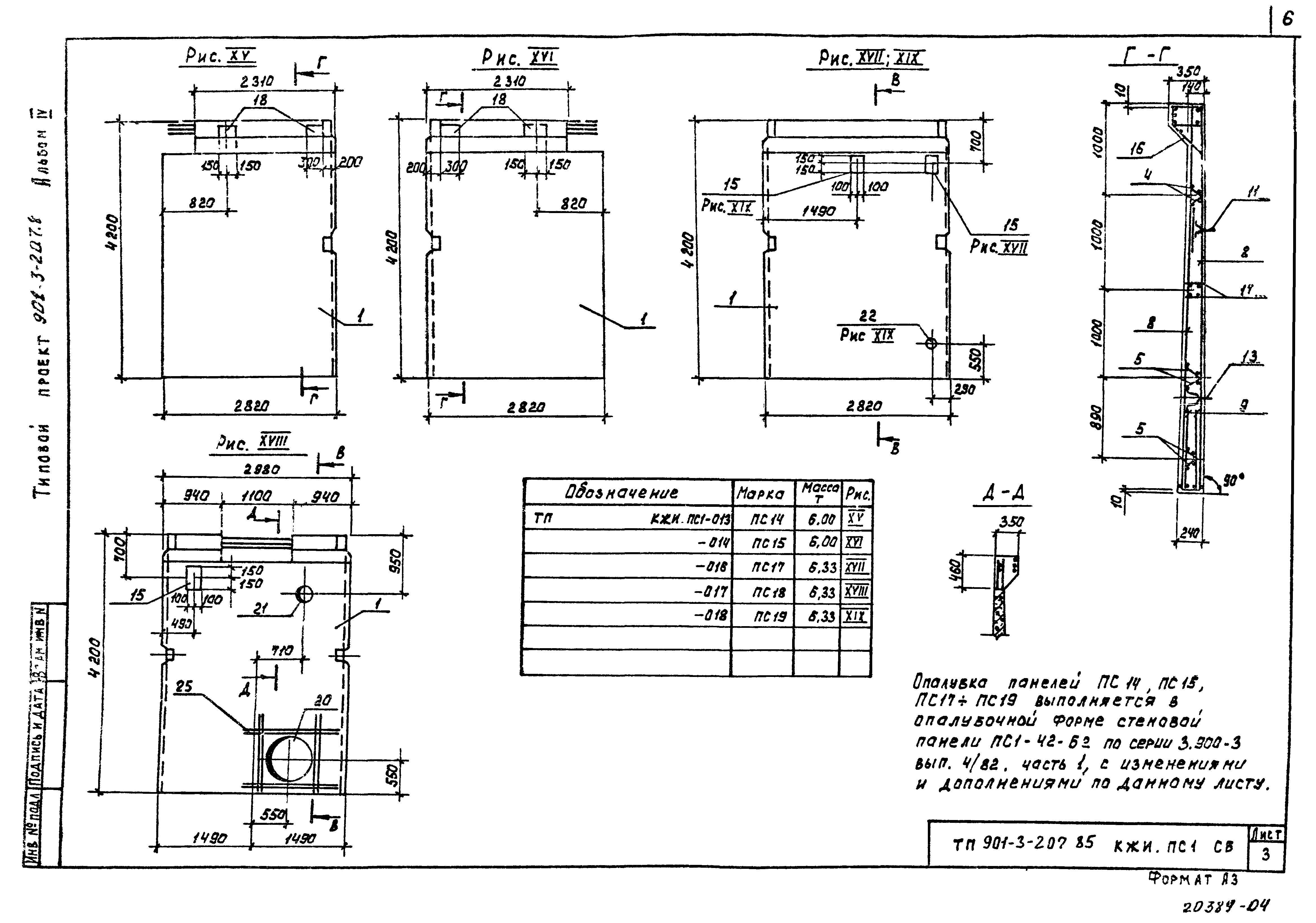
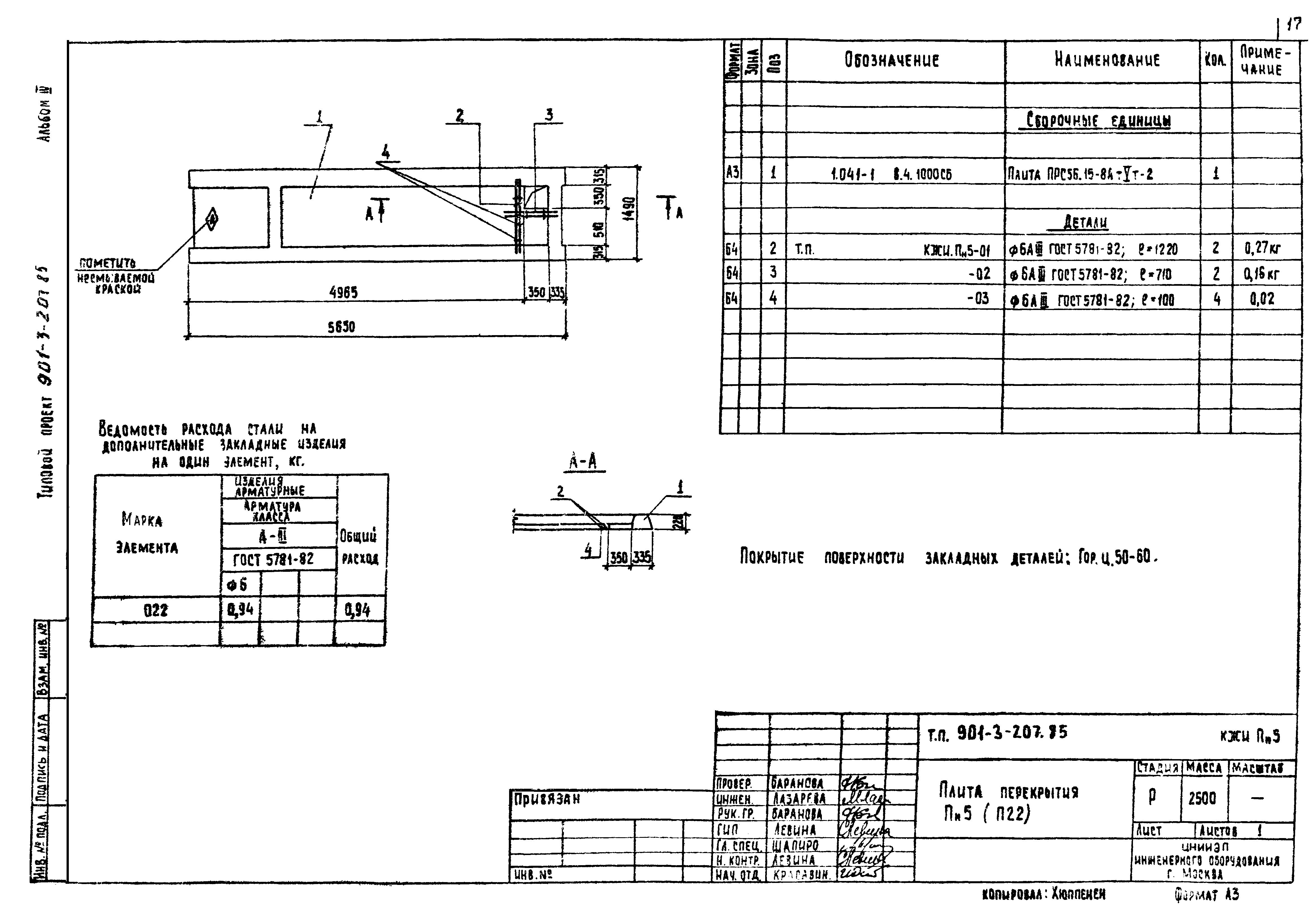
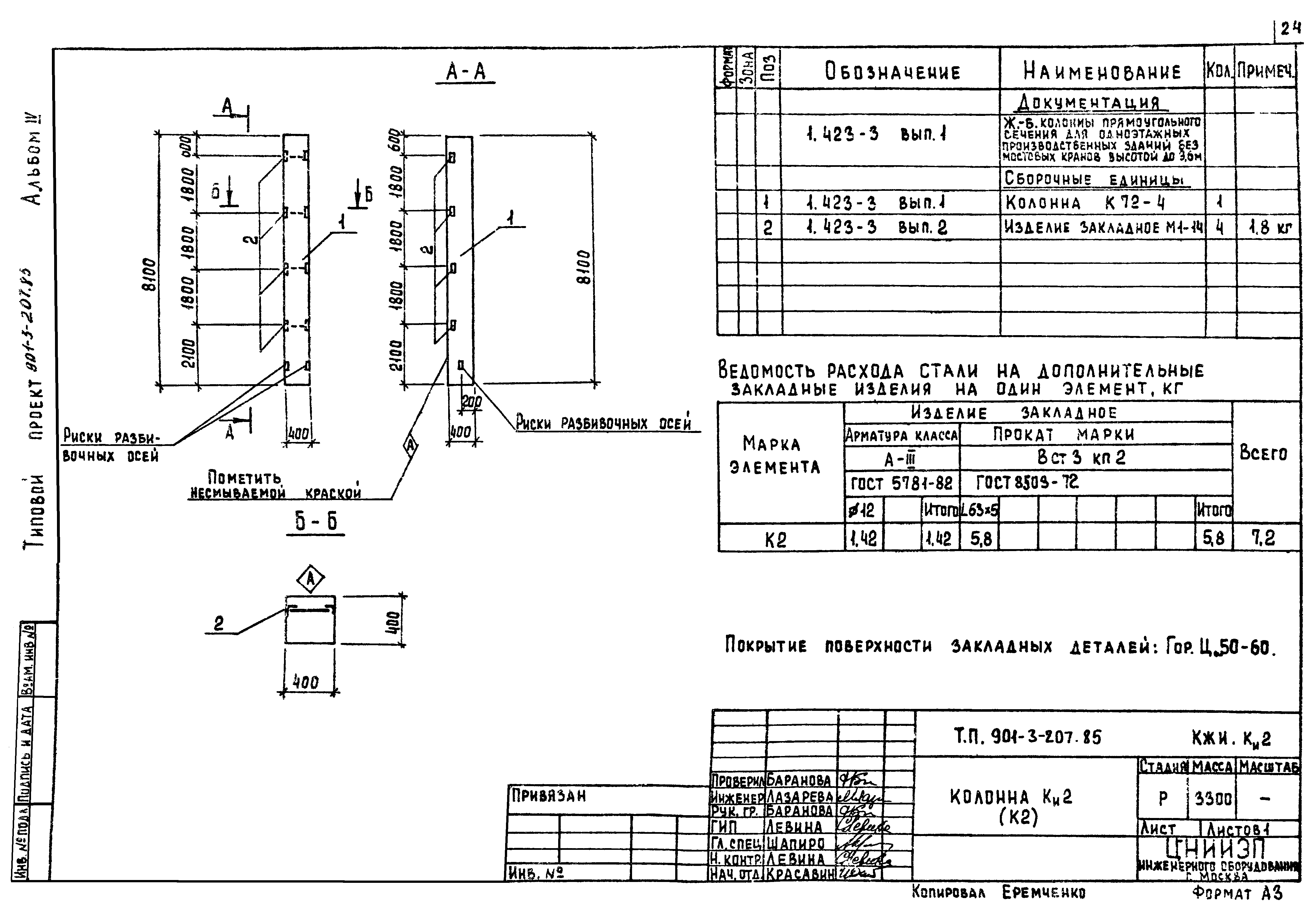
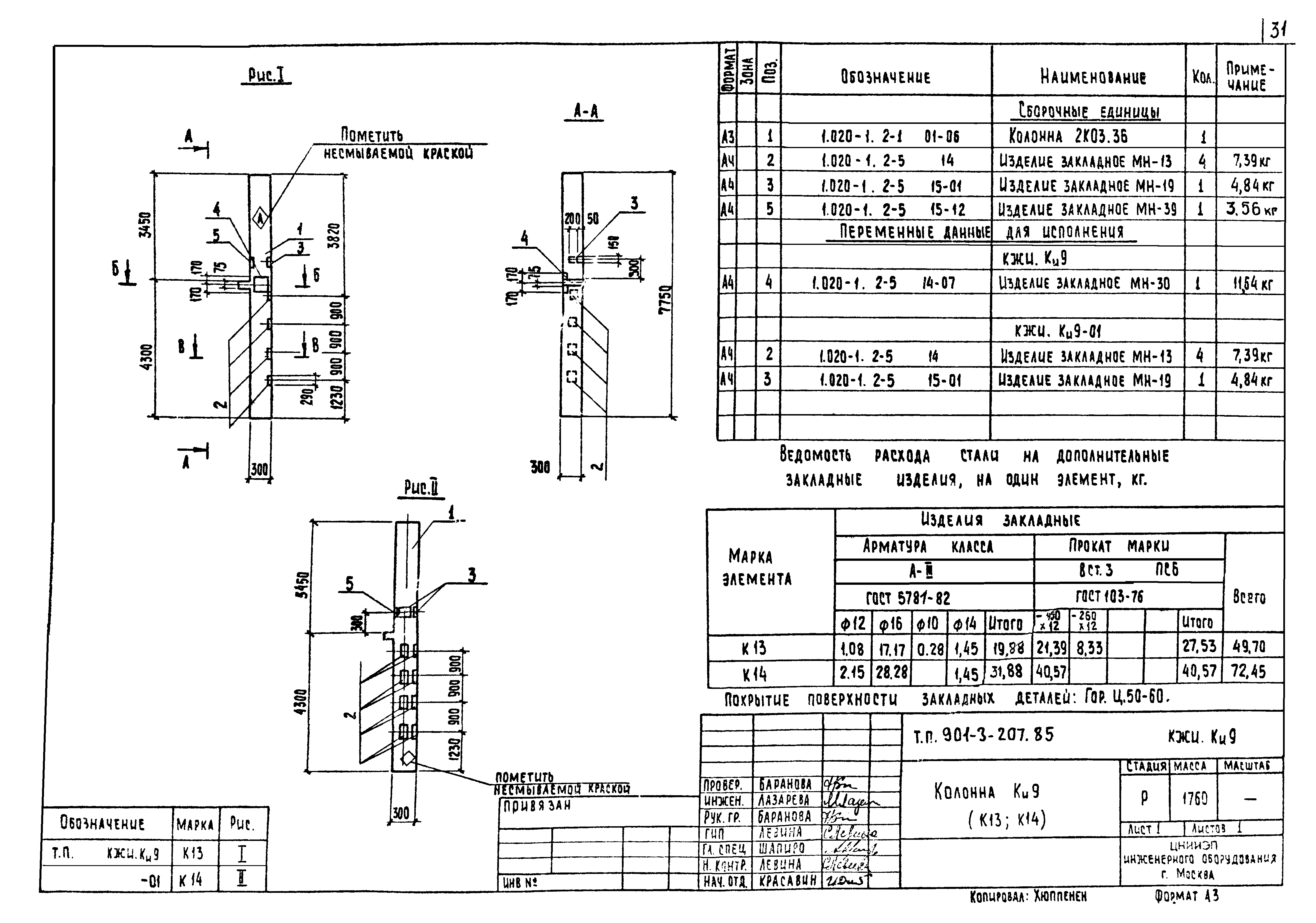
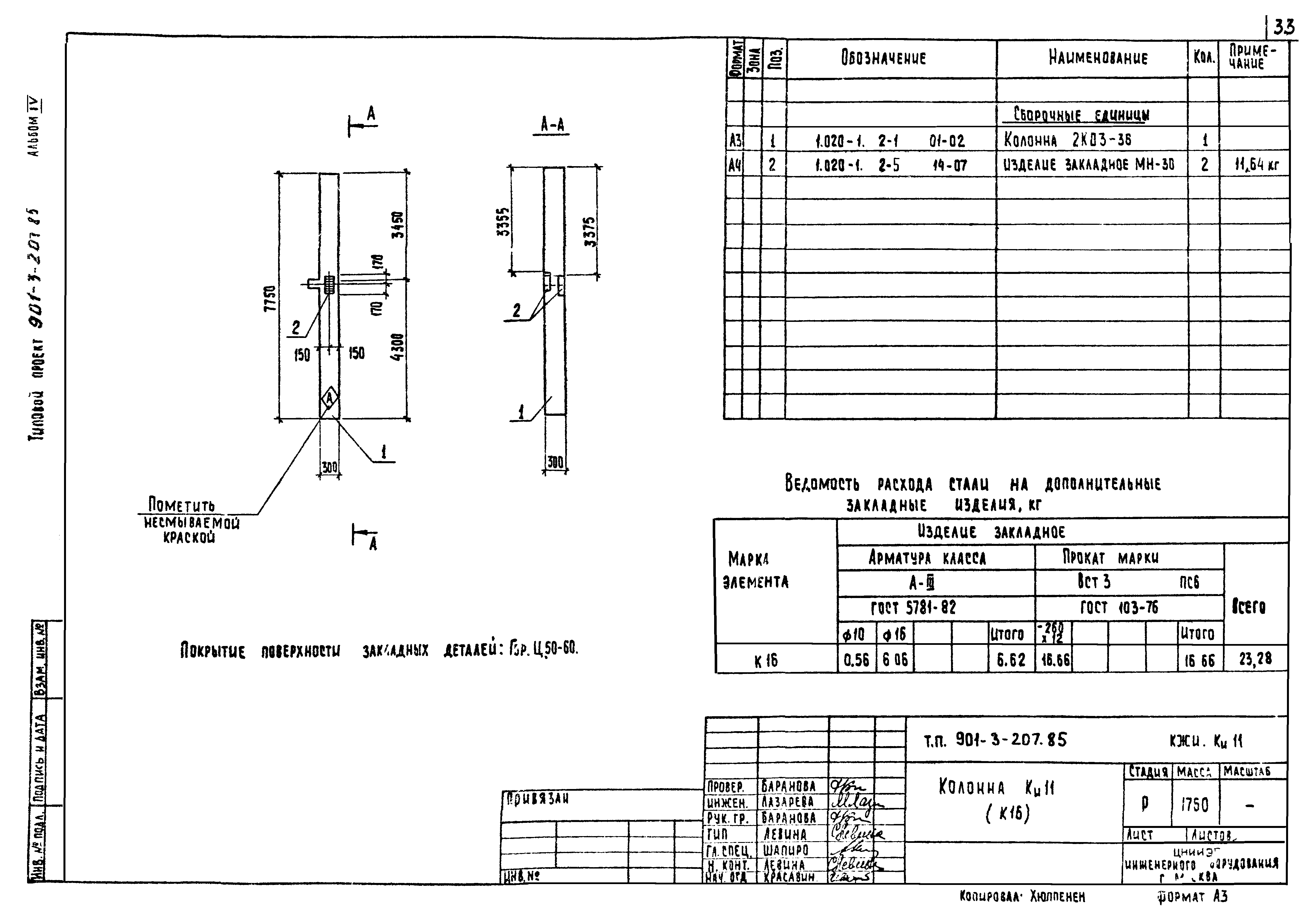
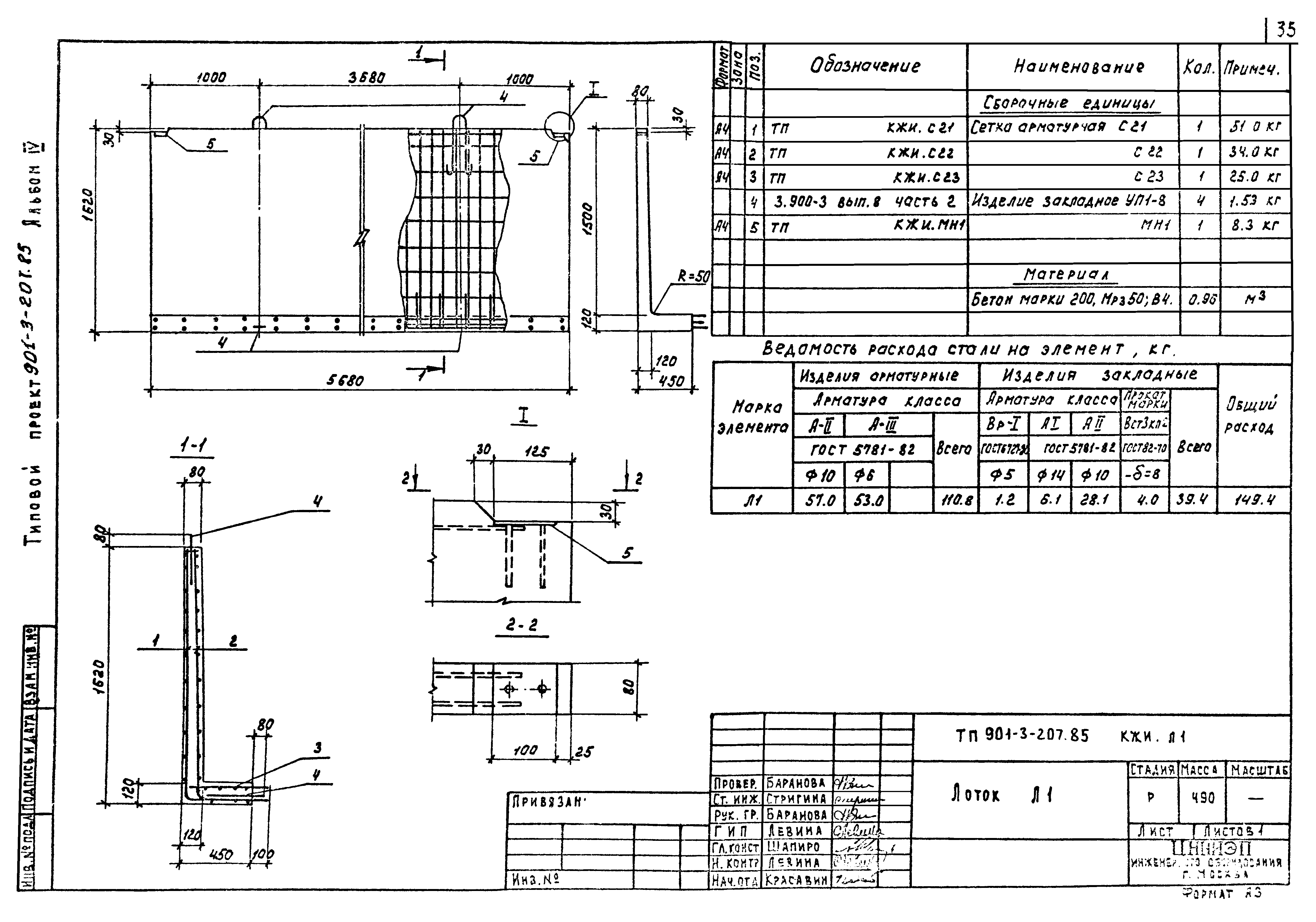
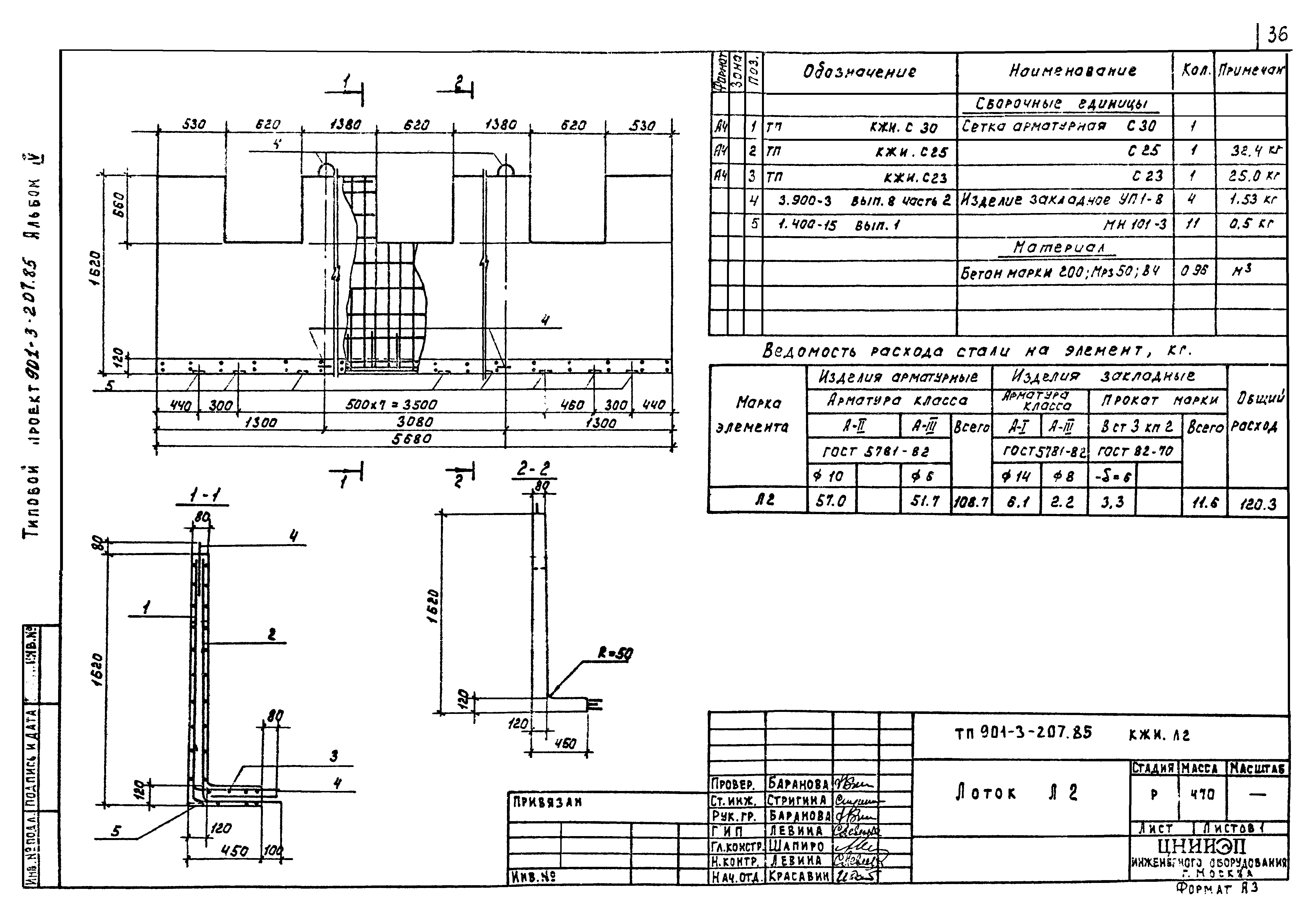
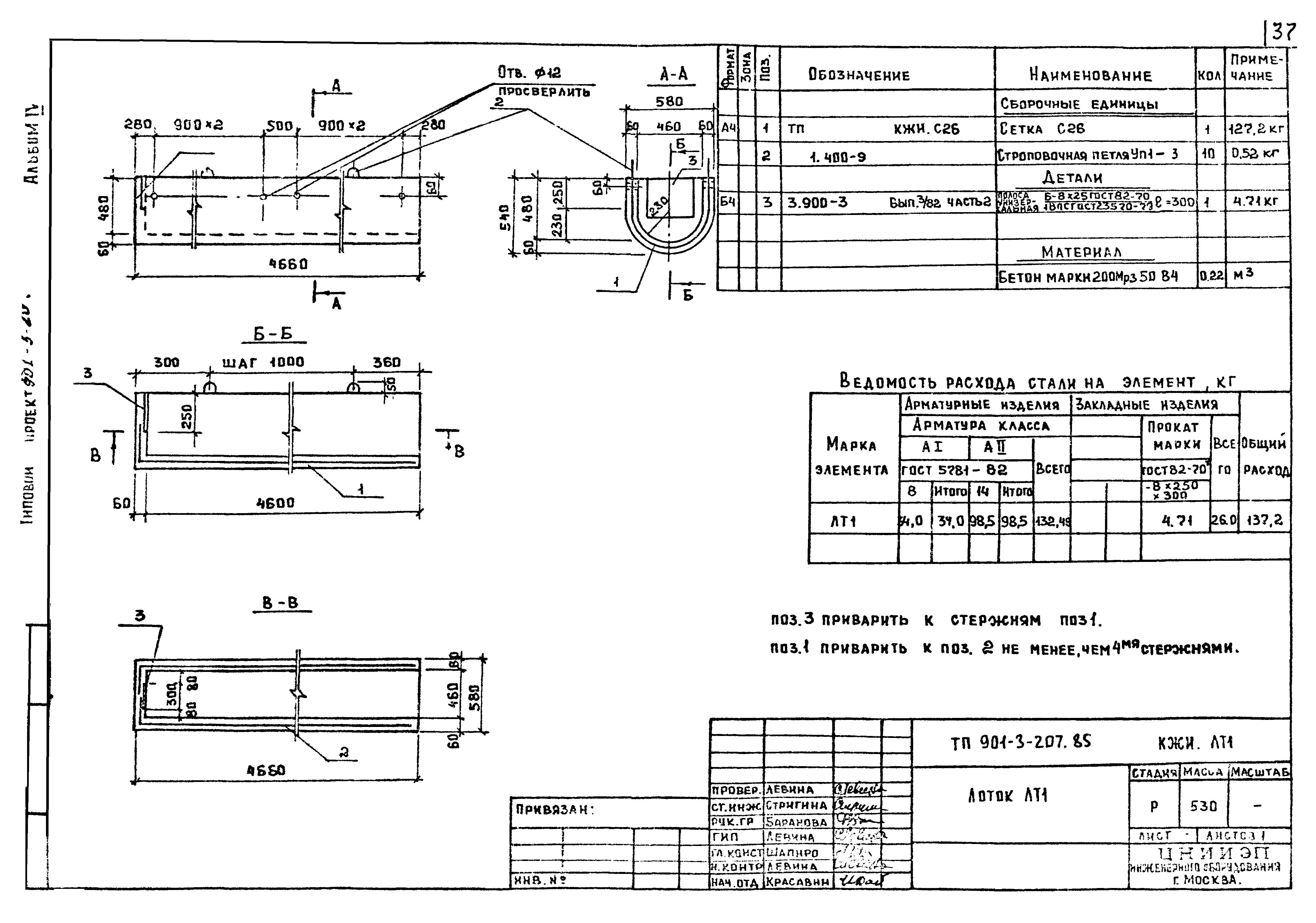
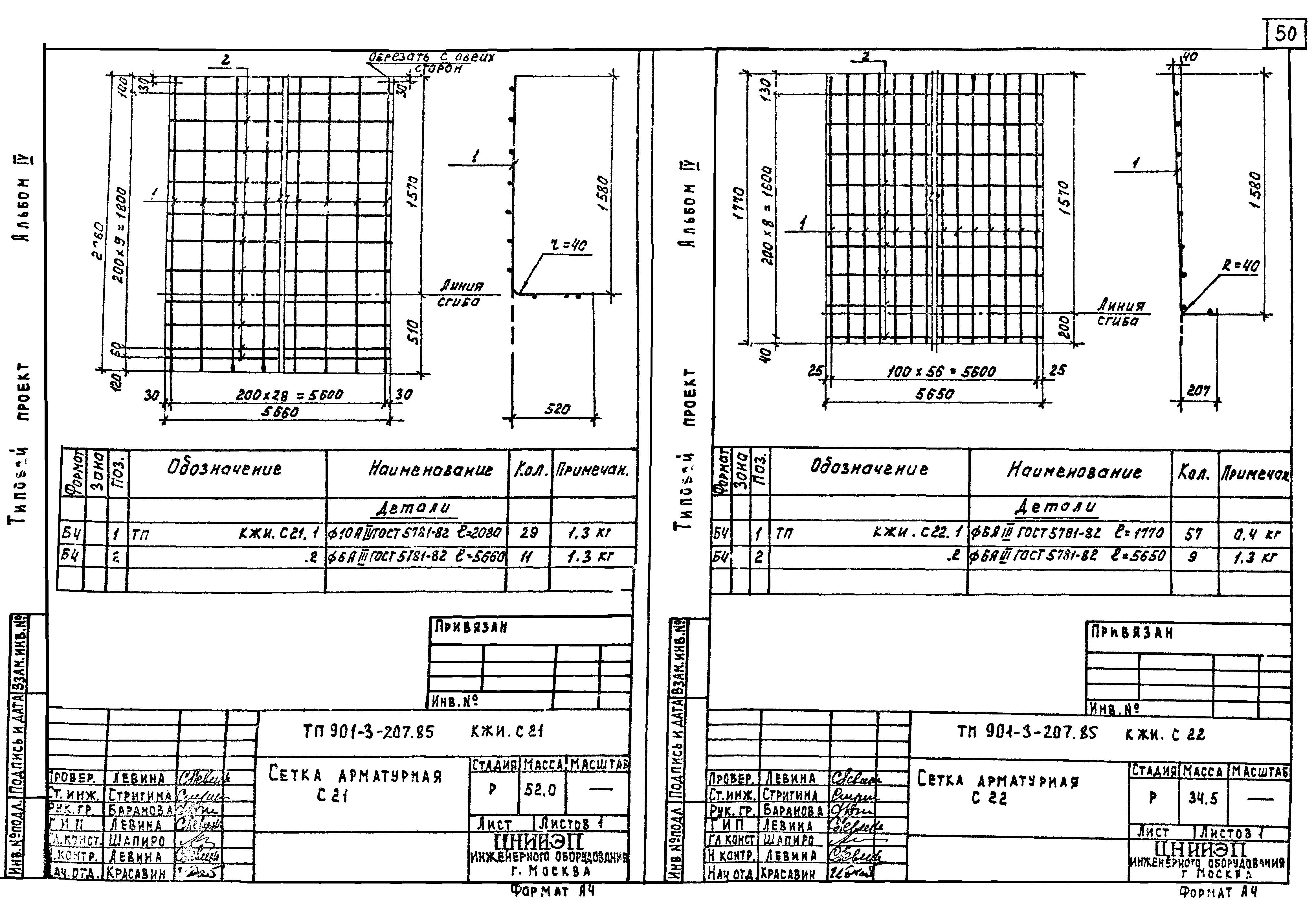
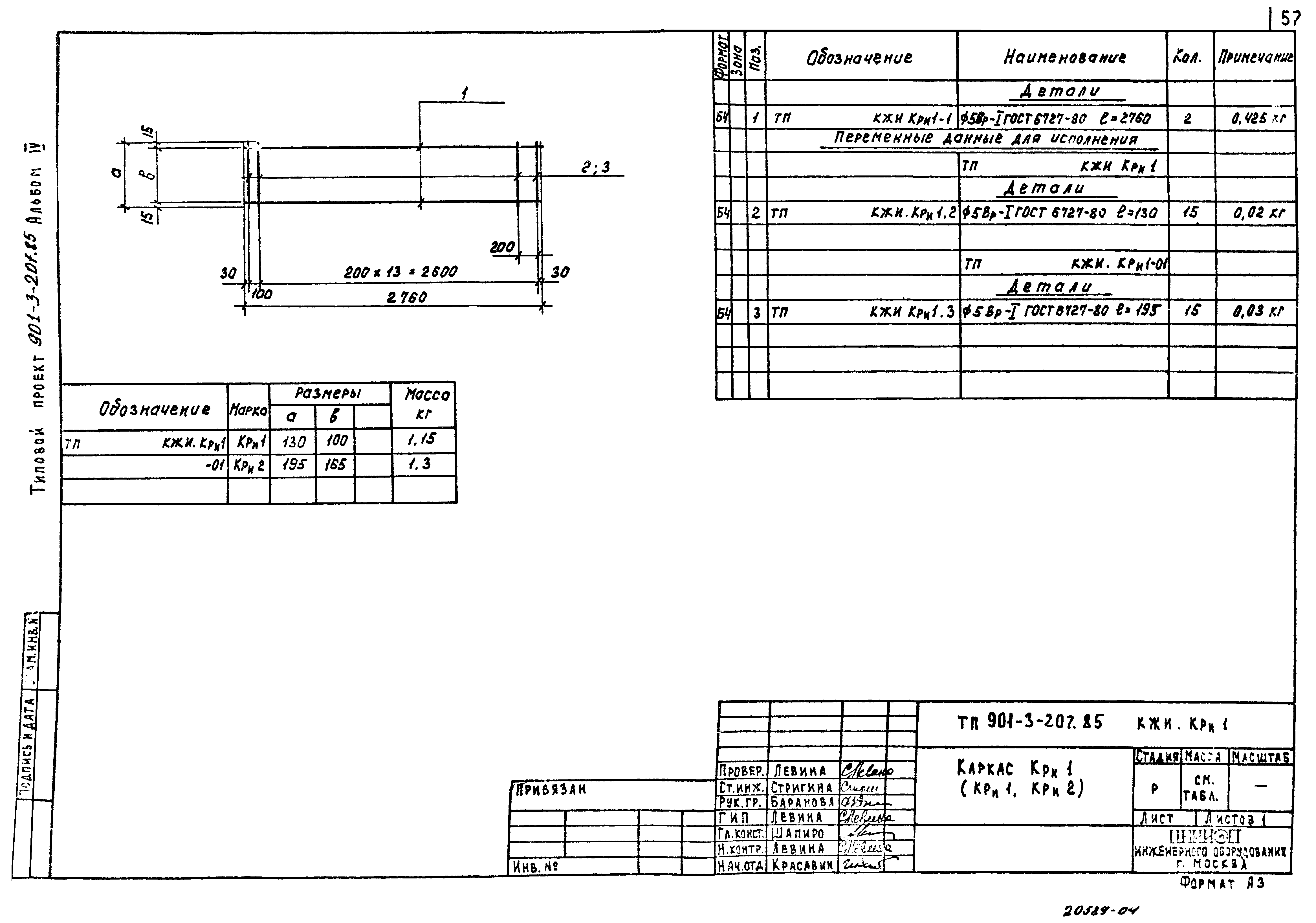
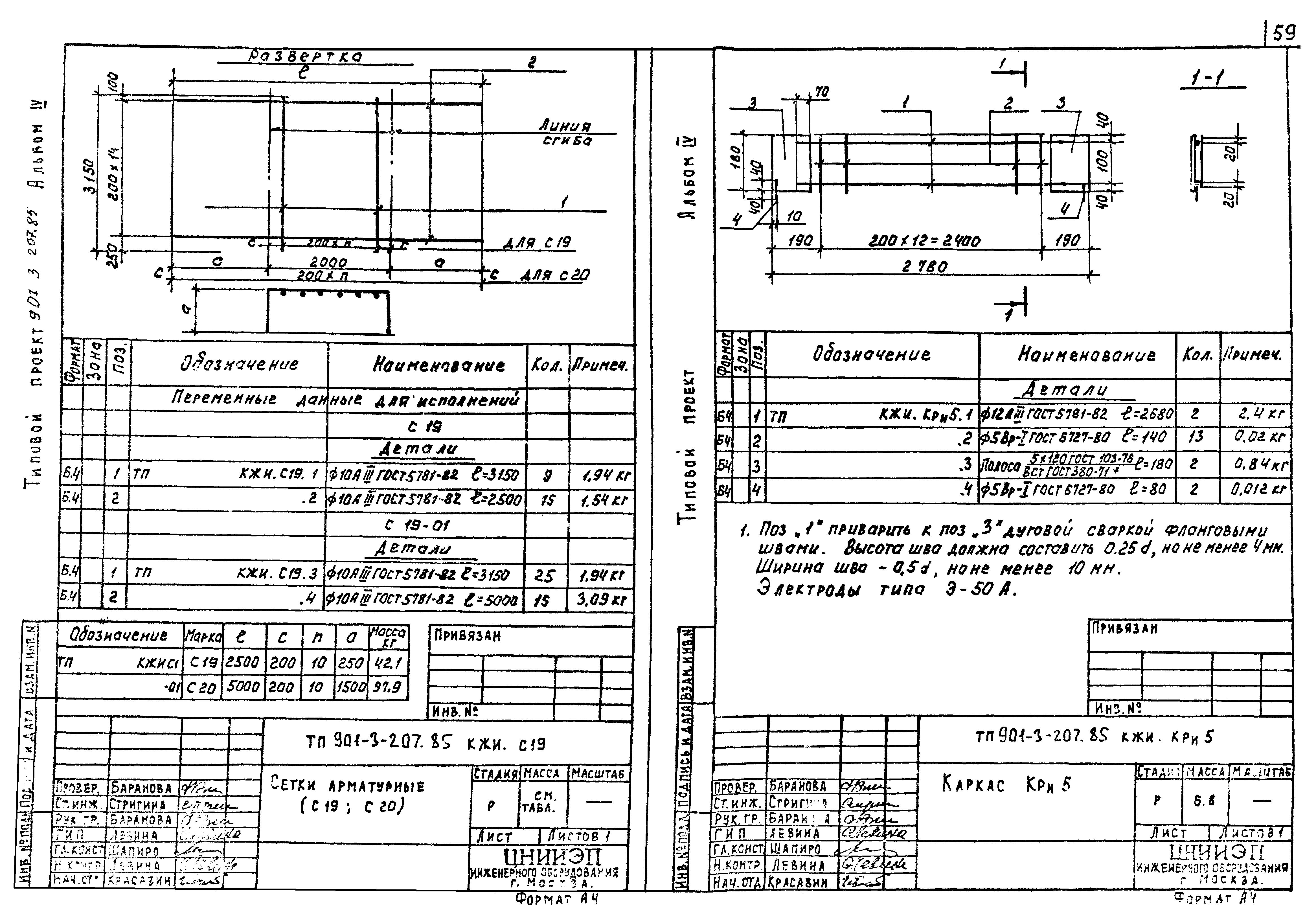
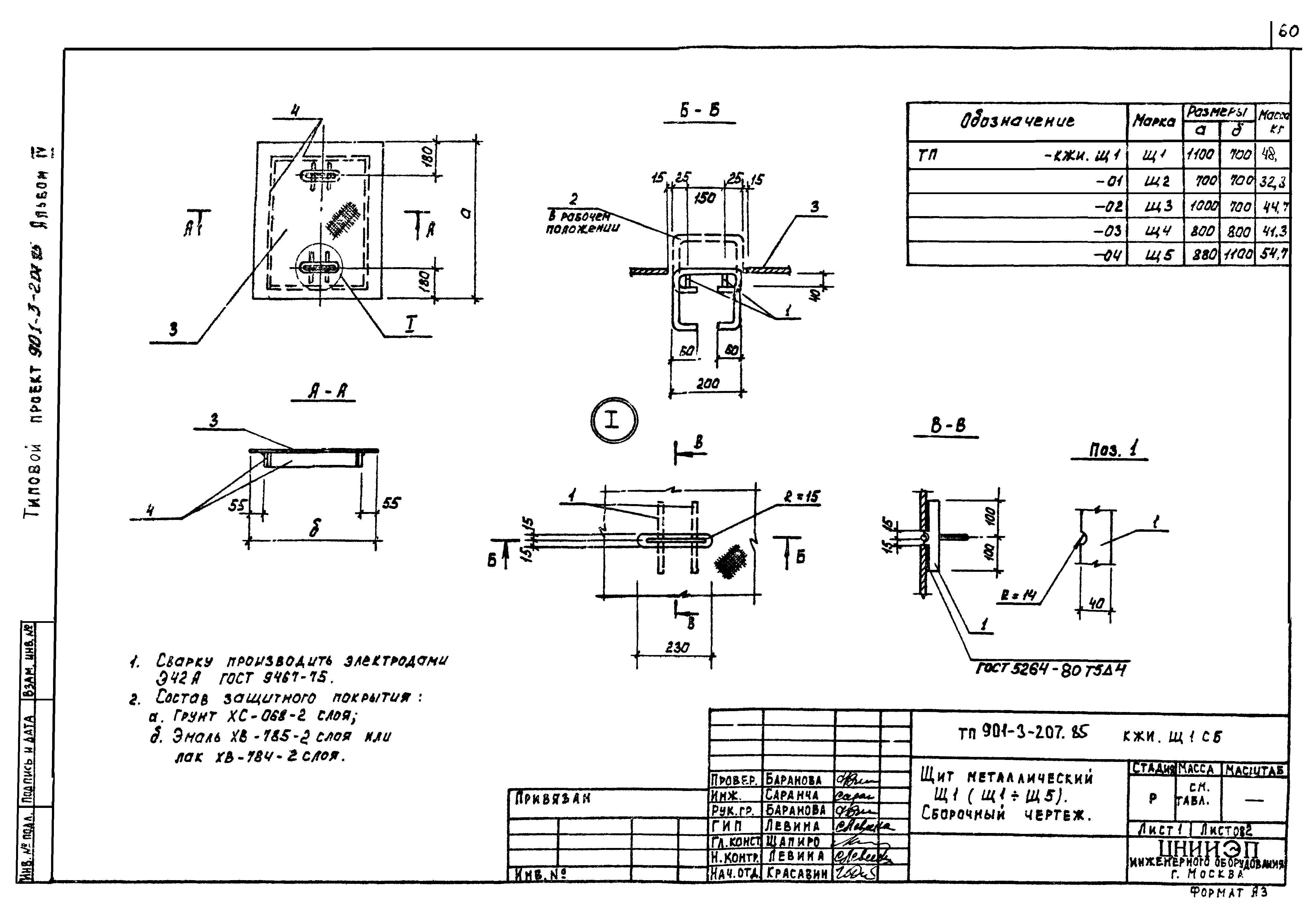
| Оглавление: | ТП 901-3-207.85 Содержание альбома ТП 901-3-207.85-КЖИ.ПС1 СБ Панель стеновая ПС1(ПС1-ПС6). Сборочный чертеж ТП 901-3-207.85-КЖИ.ПС1 Панель стеновая (ПС1-ПС19) ТП 901-3-207.85-КЖИ.ПСи1 Панель стеновая ПСи1(ПС2) ТП 901-3-207.85-КЖИ.ПСи2 Панель стеновая ПСи2(ПС3) ТП 901-3-207.85-КЖИ.Д1 Ведомость расхода стали на элемент, кг(ПС1-ПС19) ТП 901-3-207.85-КЖИ.Пи1 СБ Плита покрытия Пи1(П1,П2,П3). Сборочный чертеж ТП 901-3-207.85-КЖИ.Пи1 Плита покрытия П1(П1,П2,П3) ТП 901-3-207.85-КЖИ.Пи2 Плита покрытия П4 ТП 901-3-207.85-КЖИ.Пи3 Плита покрытия П14,П15,П21 ТП 901-3-207.85-КЖИ.Пи4 Плита покрытия П16 ТП 901-3-207.85-КЖИ.Пи5 Плита покрытия П22 ТП 901-3-207.85-КЖИ.Би1 Балка Би1(БС1;БС2) ТП 901-3-207.85-КЖИ.Би2 Балка Би2(БС3) ТП 901-3-207.85-КЖИ.Би3 Балка Би3(БС4,БС5) ТП 901-3-207.85-КЖИ.Би4 Балка Би4(БС6,БС7) ТП 901-3-207.85-КЖИ.Би5 Балка Би5(БС8,БС9) ТП 901-3-207.85-КЖИ.Ки1 Колонна Ки1(К1,К3) ТП 901-3-207.85-КЖИ.Ки2 Колонна Ки2 ТП 901-3-207.85-КЖИ.Ки3 Колонна Ки4 ТП 901-3-207.85-КЖИ.Ки4 Колонна Ки4(К5,К6) ТП 901-3-207.85-КЖИ.Ки5 Колонна Ки5(К7) ТП 901-3-207.85-КЖИ.Ки6 Колонна Ки6(К8,К9,К10) ТП 901-3-207.85-КЖИ.Ки7 Колонна Ки7(К11,К18) ТП 901-3-207.85-КЖИ.Ки8 Колонна Ки8(К12) ТП 901-3-207.85-КЖИ.Ки9 Колонна Ки9(К13,К14) ТП 901-3-207.85-КЖИ.Ки10 Колонна Ки10(К15) ТП 901-3-207.85-КЖИ.Ки11 Колонна Ки11(К16) ТП 901-3-207.85-КЖИ.Ки12 Колонна Ки12(К17) ТП 901-3-207.85-КЖИ.Л1 Лоток Л1 ТП 901-3-207.85-КЖИ.Л2 Лоток Л2 ТП 901-3-207.85-КЖИ.ЛТ1 Лоток ЛТ1 ТП 901-3-207.85-КЖИ.ПР1 Перегородка ПР1 ТП 901-3-207.85-КЖИ.ПР2 Перегородка ПР2 ТП 901-3-207.85-КЖИ.ПР3 Перегородка ПР3 ТП 901-3-207.85-КЖИ.ПС15-1 Панель стеновая ПС15-1 ТП 901-3-207.85-КЖИ.С1 Сетка арматурная С1 ТП 901-3-207.85-КЖИ.С2 Сетка арматурная С2 ТП 901-3-207.85-КЖИ.С3 Сетка арматурная С3 ТП 901-3-207.85-КЖИ.С4 Сетка арматурная С4 ТП 901-3-207.85-КЖИ.С5 Сетка арматурная (С5;С6) ТП 901-3-207.85-КЖИ.КП1 Каркас пространственный КП1 ТП 901-3-207.85-КЖИ.КП2 Каркас пространственный КП2 ТП 901-3-207.85-КЖИ.КП3 Каркас пространственный (КП3;КП4) ТП 901-3-207.85-КЖИ.КП5 Каркас пространственный КП5 ТП 901-3-207.85-КЖИ.С7 Сетка арматурная С7 ТП 901-3-207.85-КЖИ.КП6 Каркас пространственный КП6 ТП 901-3-207.85-КЖИ.С8 Сетка арматурная С8 ТП 901-3-207.85-КЖИ.КП7 Каркас пространственный КП7(КП7,КП8) ТП 901-3-207.85-КЖИ.С10 Сетка арматурная С10(С10;С11) ТП 901-3-207.85-КЖИ.С12 Сетка арматурная С10(С12;С13) ТП 901-3-207.85-КЖИ.С9 Сетка арматурная С9 ТП 901-3-207.85-КЖИ.С14 Сетка арматурная С14 ТП 901-3-207.85-КЖИ.С15 Сетка арматурная С15 ТП 901-3-207.85-КЖИ.С16 Сетка арматурная (С16;С17) ТП 901-3-207.85-КЖИ.С18 Сетка арматурная С18 ТП 901-3-207.85-КЖИ.С21 Сетка арматурная С21 ТП 901-3-207.85-КЖИ.С22 Сетка арматурная С22 ТП 901-3-207.85-КЖИ.С30 Сетка арматурная С30 ТП 901-3-207.85-КЖИ.С25 Сетка арматурная С25 ТП 901-3-207.85-КЖИ.С23 Сетка арматурная С23 ТП 901-3-207.85-КЖИ.С26 Сетка арматурная С26 ТП 901-3-207.85-КЖИ.С27 Сетка арматурная С27 ТП 901-3-207.85-КЖИ.МС1 Соединительный элемент МС1 ТП 901-3-207.85-КЖИ.С28 Сетка арматурная С28 ТП 901-3-207.85-КЖИ.С29 Сетка арматурная С29 ТП 901-3-207.85-КЖИ.МН1 Изделие закладное МН1 ТП 901-3-207.85-КЖИ.МН2 Изделие закладное МН2 ТП 901-3-207.85-КЖИ.МН3 Изделие закладное МН3 ТП 901-3-207.85-КЖИ.В1 Водоотлив В1 ТП 901-3-207.85-КЖИ.КРи1 Каркас КРи1(КРи1;КРи2) ТП 901-3-207.85-КЖИ.КРи3 Каркас КРи3 ТП 901-3-207.85-КЖИ.КРи4 Каркас КРи4 ТП 901-3-207.85-КЖИ.С19 Сетки арматурные (С19;С20) ТП 901-3-207.85-КЖИ.КРи5 Каркас КРи5 ТП 901-3-207.85-КЖИ.Щ1 СБ Щит металлический Щ1(Щ1-Щ3). Сборочный чертеж ТП 901-3-207.85-КЖИ.Щ1 Щит металлический Щ1(Щ1-Щ5) ТП 901-3-207.85-КЖИ.РМ1 Рама металлическая РМ1 ТП 901-3-207.85-КЖИ.РМ2 Рама металлическая РМ2 |
| Разработан: | ЦНИИЭП |
| Утверждён: | 22.07.1981 Госгражданстрой (Gosgrazhdanstroy 219) |
































































