Скачать Типовой проект 902-2-344 Альбом III. ИзделияДата актуализации: 01.01.2021
|
| Обозначение: | Типовой проект 902-2-344 |
| Обозначение англ: | 902-2-344 |
| Статус: | не определен законодательством |
| Название рус.: | Альбом III. Изделия |
| Дата добавления в базу: | 01.09.2013 |
| Дата актуализации: | 01.01.2021 |
| Дата введения: | 05.02.1981 |
| Дата окончания срока действия: | 30.06.2003 |
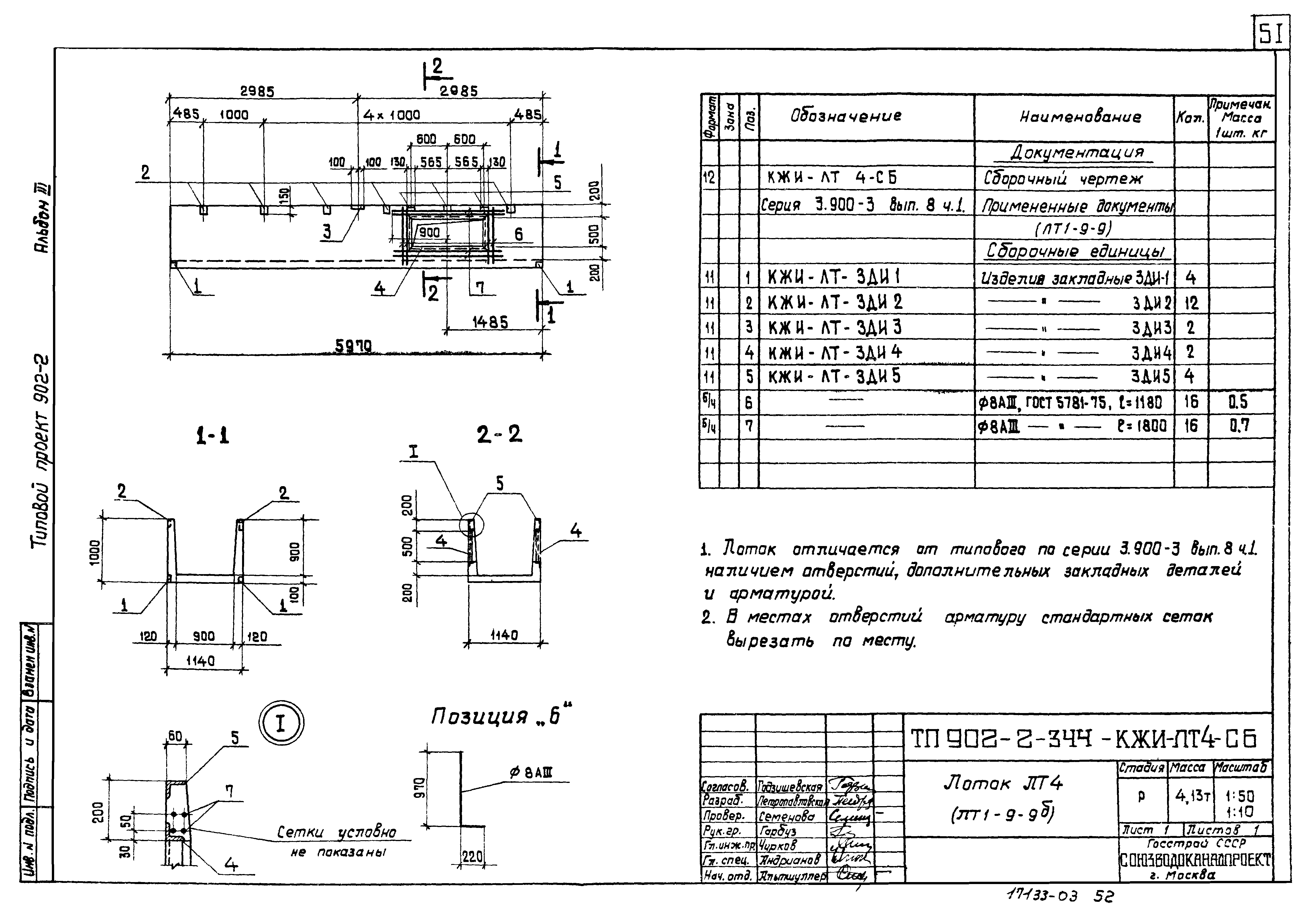
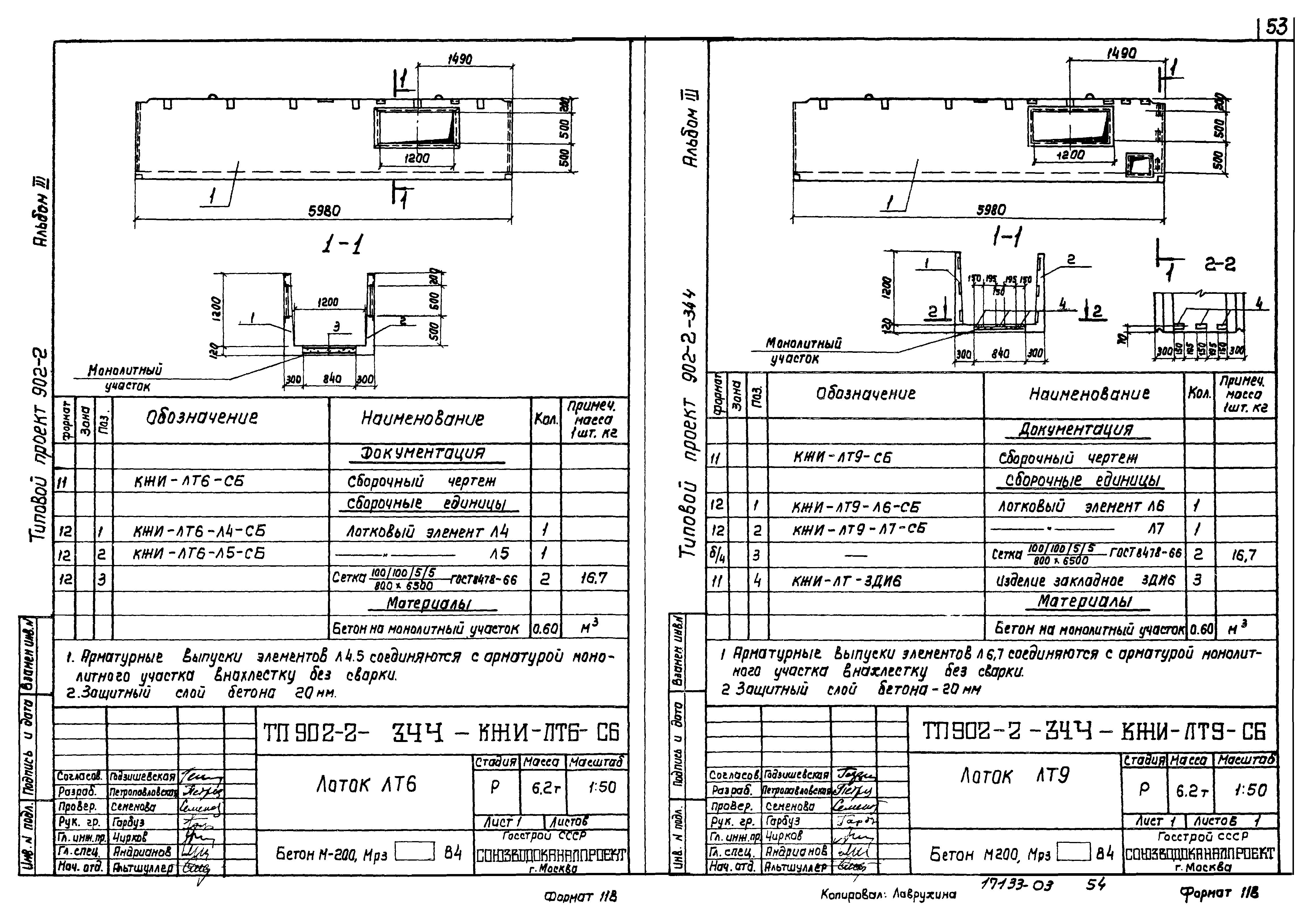
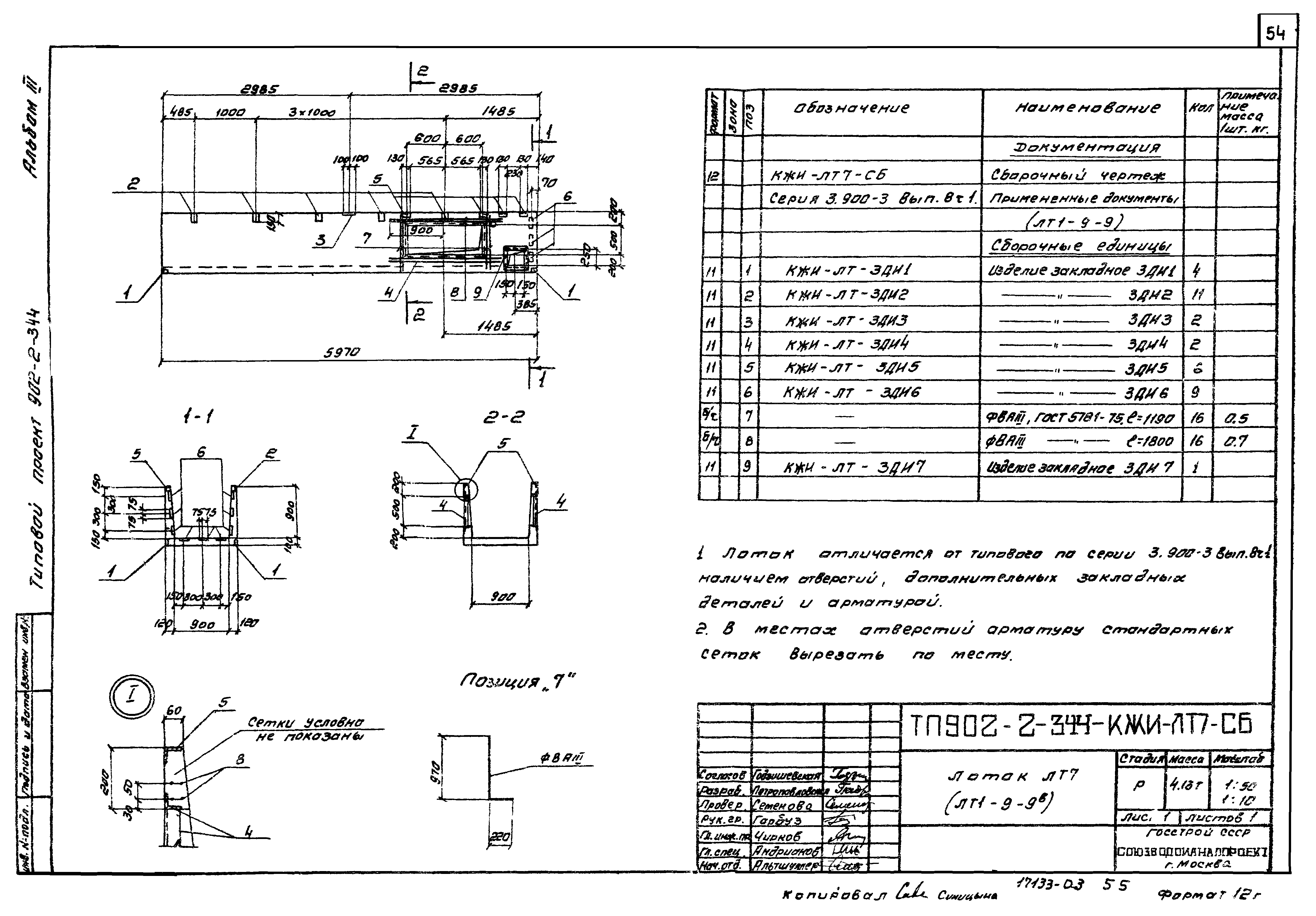
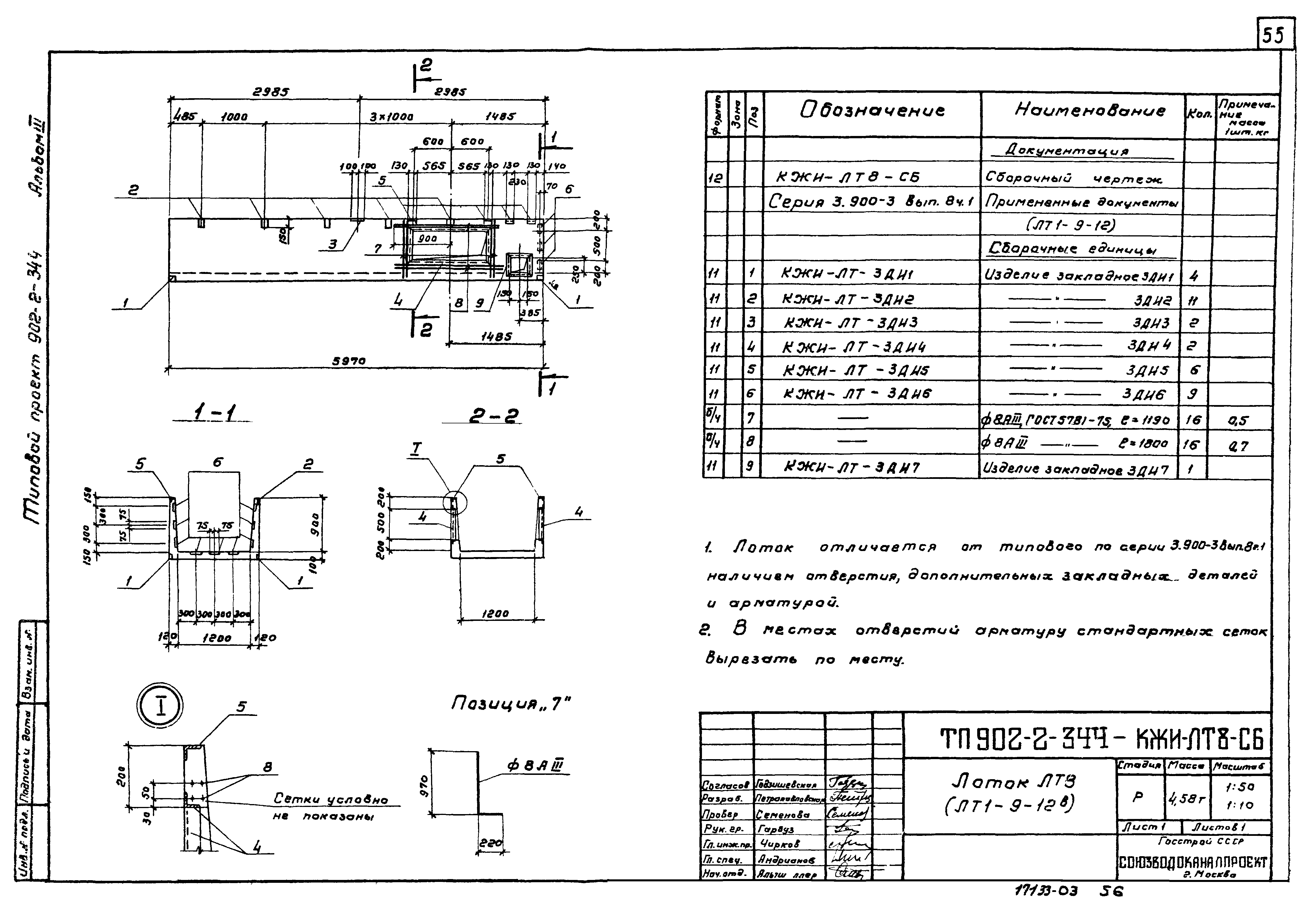
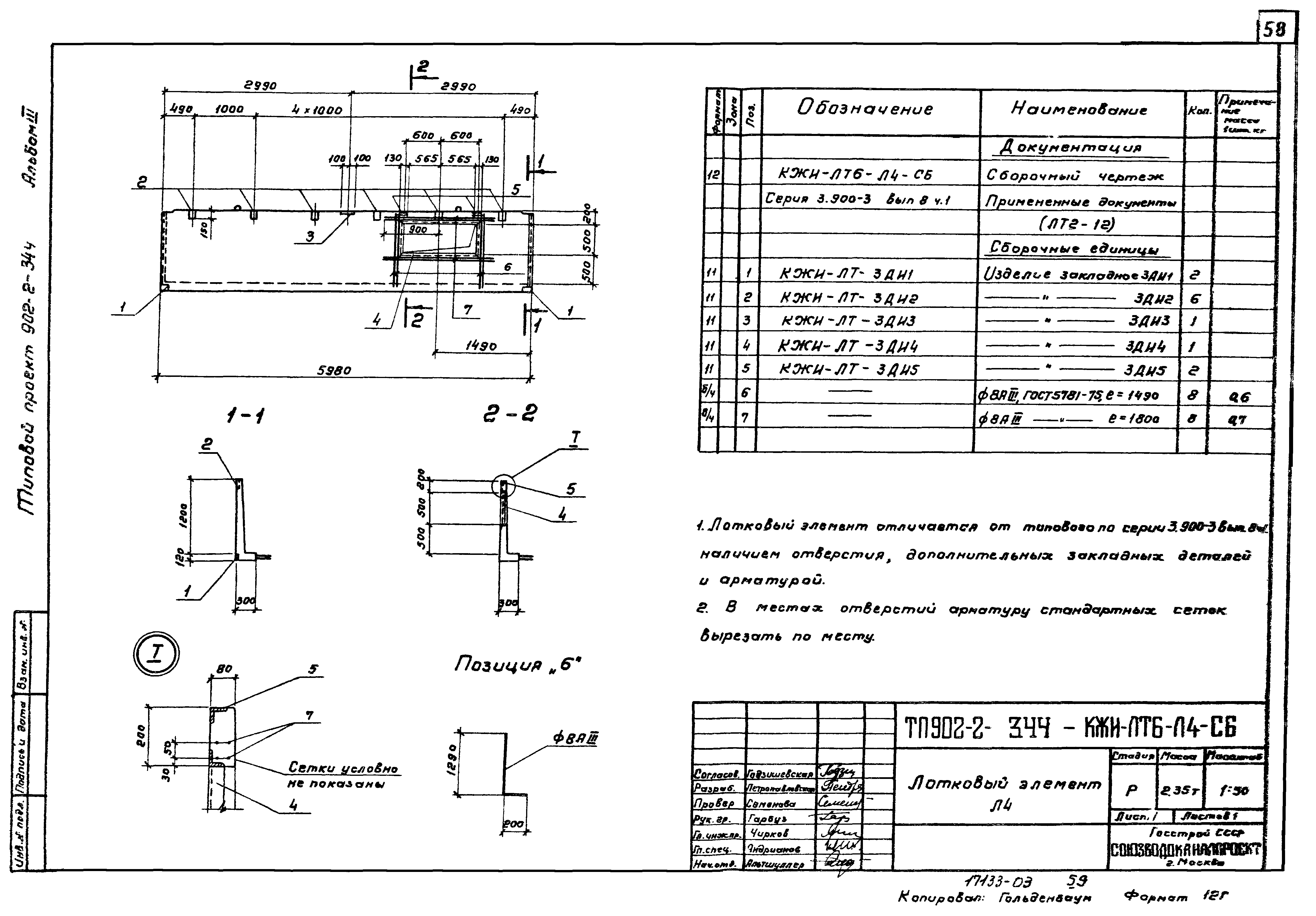
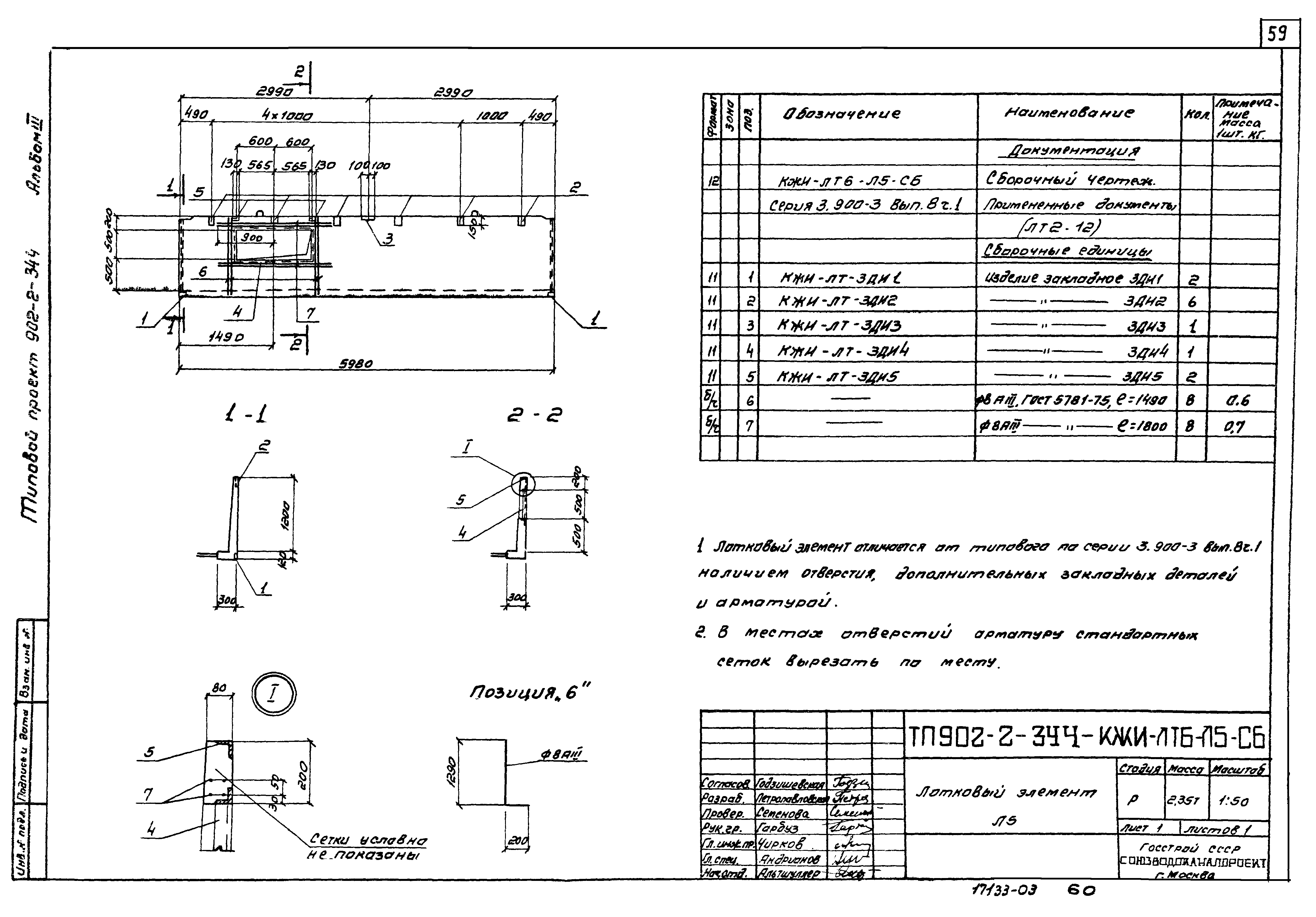
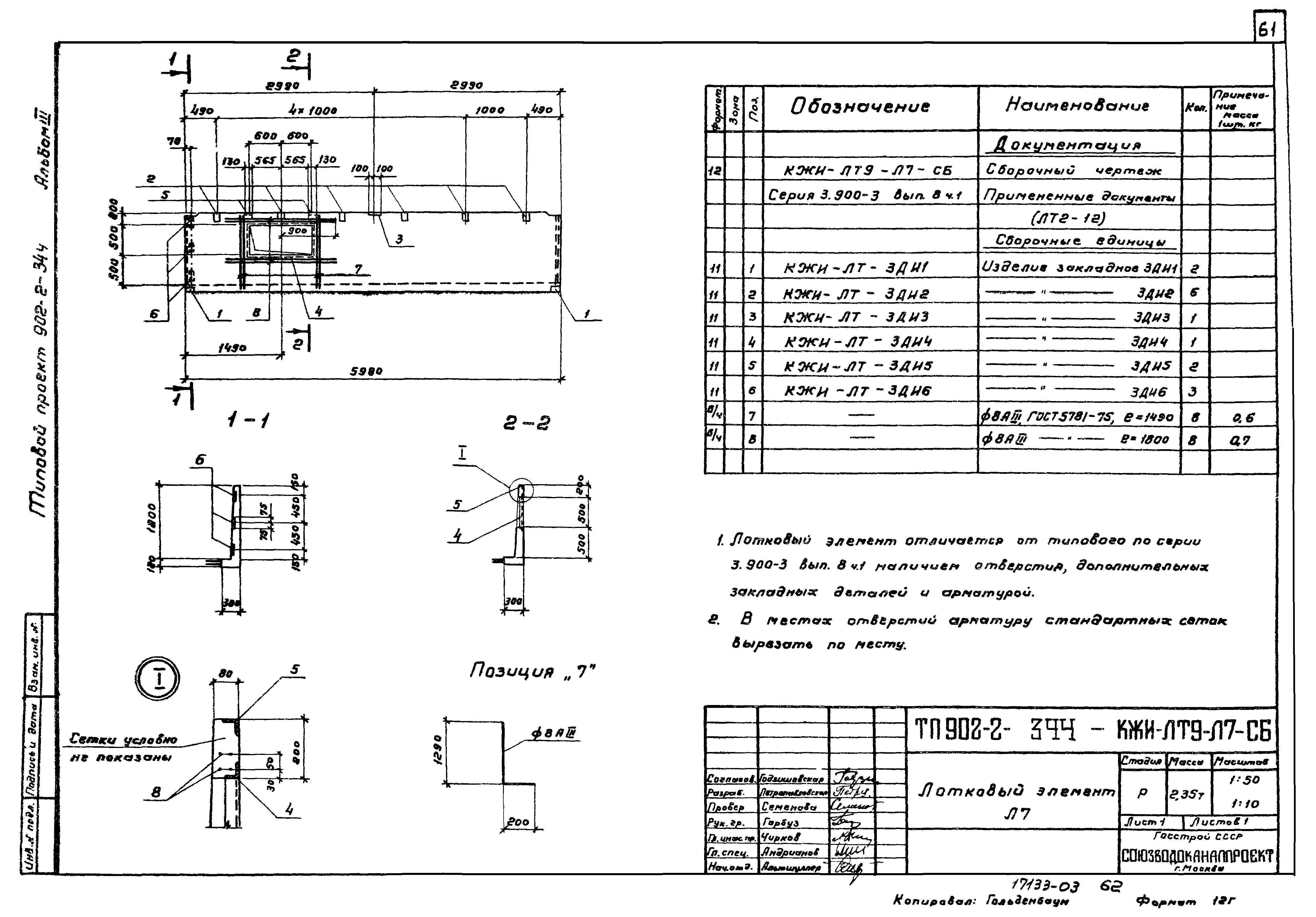
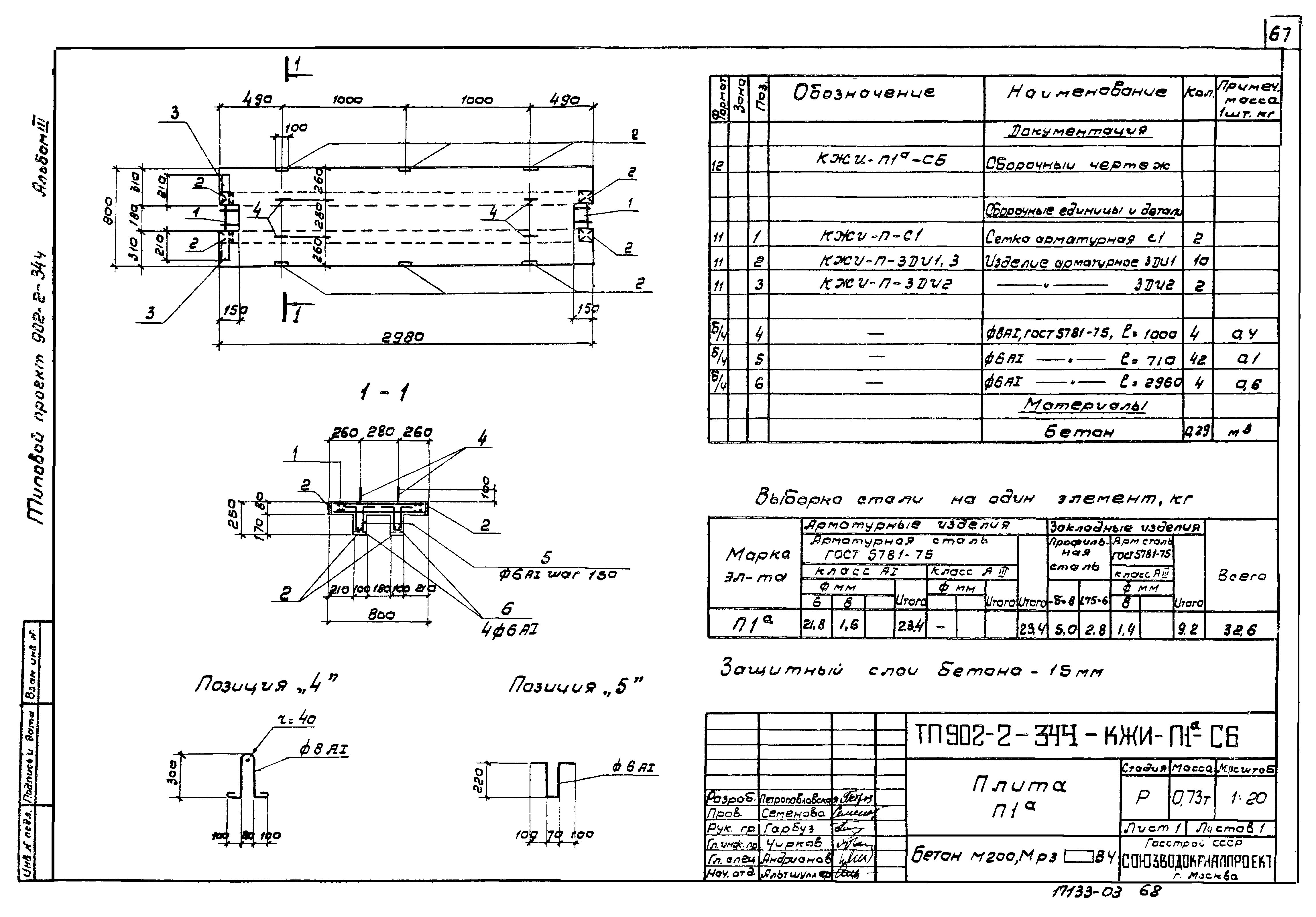
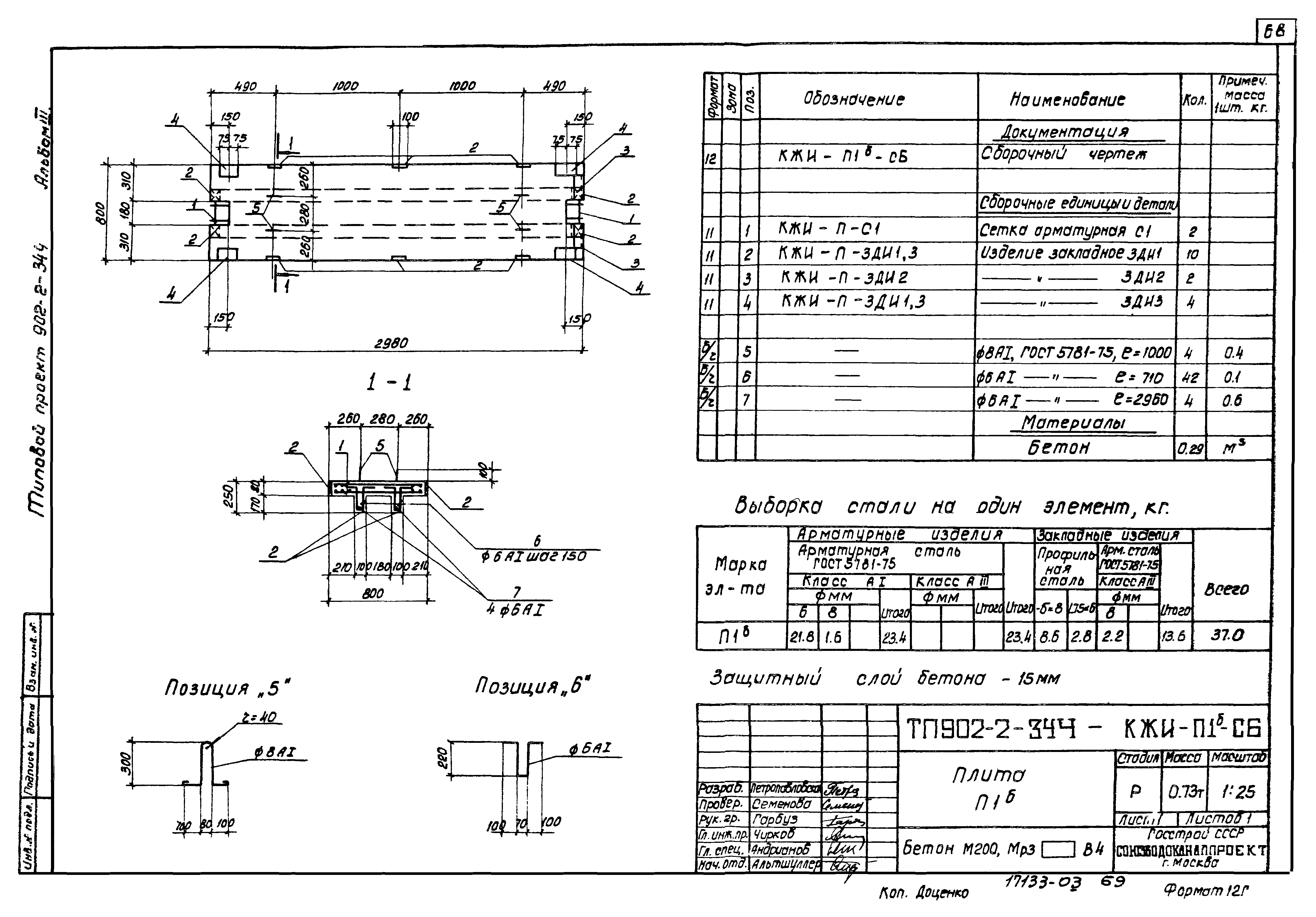
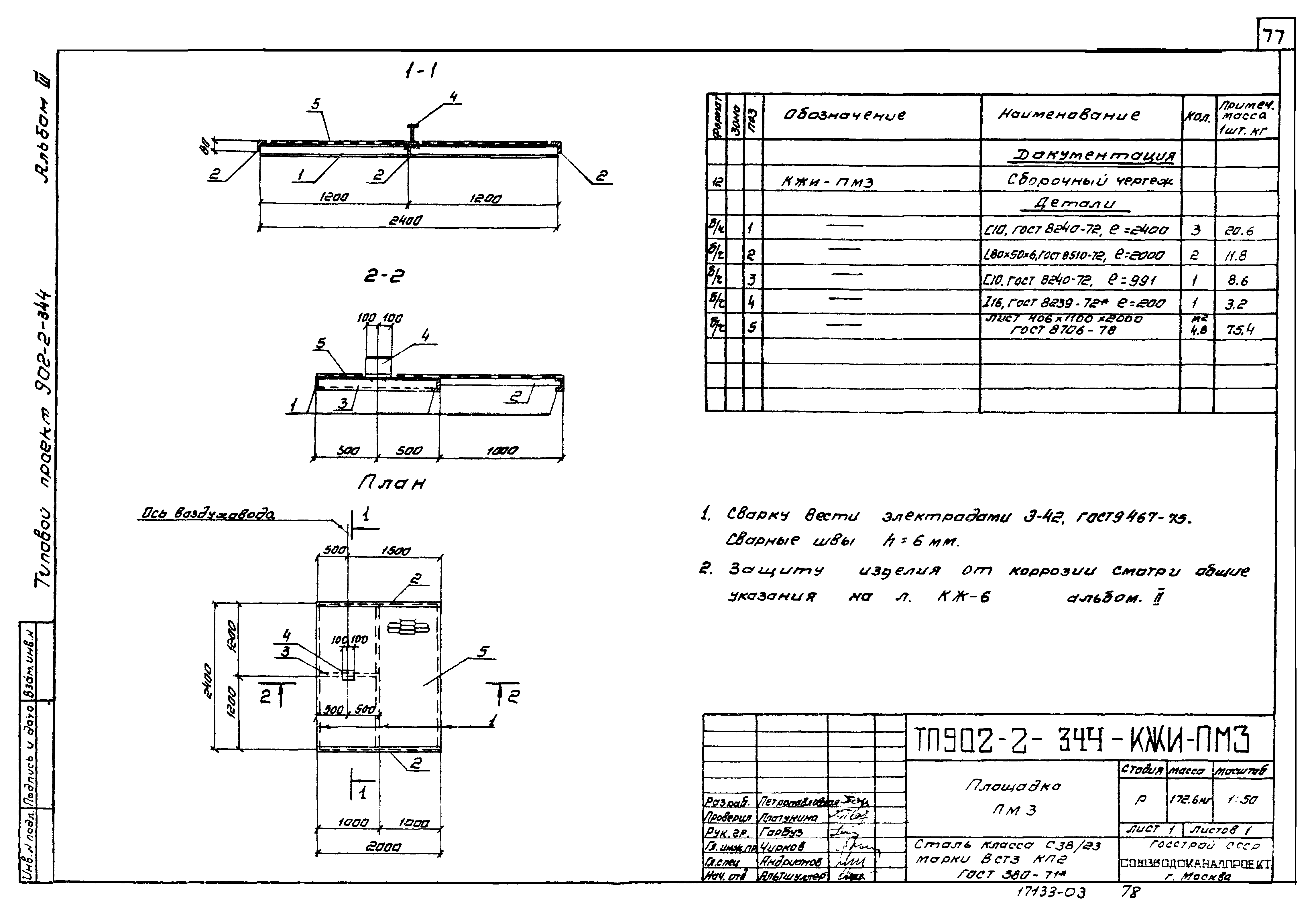
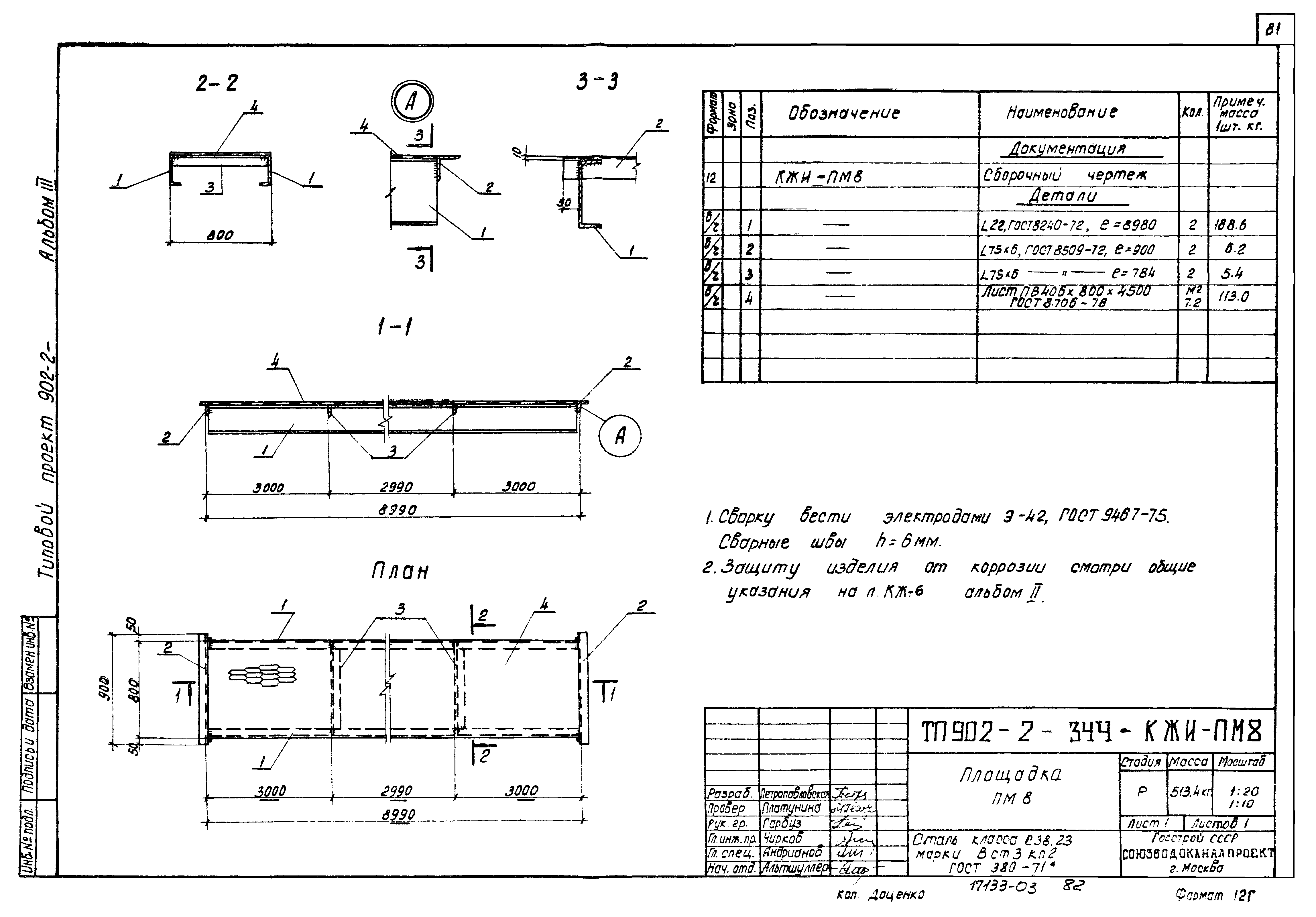
| Оглавление: | ТП 902-2-344-КЖИ Содержание альбома (начало) ТП 902-2-344-КЖИ Содержание альбома (продолжение) ТП 902-2-344-КЖИ Содержание альбома (окончание) ТП 902-2-344-КЖИ-С1 Днище. Сетка С1 ТП 902-2-344-КЖИ-С2 Днище. Сетка С2 ТП 902-2-344-КЖИ-С3 Днище. Сетка С3 ТП 902-2-344-КЖИ-С4 Днище. Сетка С4 ТП 902-2-344-КЖИ-С5 Днище. Сетка С5 ТП 902-2-344-КЖИ-С6 Днище. Сетка С6 ТП 902-2-344-КЖИ-С7,27 Днище. Сетка С7;С27 ТП 902-2-344-КЖИ-С8 Днище. Сетка С8 ТП 902-2-344-КЖИ-С9 Днище. Сетка С9 ТП 902-2-344-КЖИ-С10 Днище. Сетка С10 ТП 902-2-344-КЖИ-С11 Днище. Сетка С11 ТП 902-2-344-КЖИ-С12 Днище. Сетка С12 ТП 902-2-344-КЖИ-С13 Днище. Сетка С13 ТП 902-2-344-КЖИ-С14 Днище. Сетка С14 ТП 902-2-344-КЖИ-С15 Днище. Сетка С15 ТП 902-2-344-КЖИ-С16 Днище. Сетка С16 ТП 902-2-344-КЖИ-С17 Днище. Сетка С17 ТП 902-2-344-КЖИ-КР1 Днище. Каркас плоский КР1 ТП 902-2-344-КЖИ-С18 Днище. Сетка С18 ТП 902-2-344-КЖИ-С19 Днище. Сетка С19 ТП 902-2-344-КЖИ-С20 Днище. Сетка С20 ТП 902-2-344-КЖИ-С21 Днище. Сетка С21 ТП 902-2-344-КЖИ-С22,23 Днище. Сетка С22,23 ТП 902-2-344-КЖИ-С24 Днище. Сетка С24 ТП 902-2-344-КЖИ-С25 Днище. Сетка С25 ТП 902-2-344-КЖИ-С26 Днище. Сетка С26 ТП 902-2-344-КЖИ-КП1,2 Днище. Каркасы пространственные КП1;КП2 ТП 902-2-344-КЖИ-КП3,4,5 Днище. Каркасы пространственные КП3;КП4;КП5 ТП 902-2-344-КЖИ-КП6,7 Днище. Каркасы пространственные КП6;КП7 ТП 902-2-344-КЖИ-КП8,9 Днище. Каркасы пространственные КП8;КП9 ТП 902-2-344-КЖИ-КП10,11 Днище. Каркасы пространственные КП10;КП11 ТП 902-2-344-КЖИ-КП12 Днище. Каркас пространственный КП12 ТП 902-2-344-КЖИ-МН1,2,3,4,5 Днище. Набетонка днища . Изделия МН1;2;3;4;5 ТП 902-2-344-КЖИ-МН6,7 Днище. Изделия МН6,7 ТП 902-2-344-КЖИ-МН8 Днище. Изделие МН8 ТП 902-2-344-КЖИ-МН9,10,11,12,13 Днище. Изделия МН9;10;11;12;13 ТП 902-2-344-КЖИ-ПС3,10 СБ Панели стеновые ПС3;ПС10(ПС2-54-К2а;ПС2-54-К2а) ТП 902-2-344-КЖИ-ПС4 СБ Панель стеновая ПС4(ПС2-54-К12а) ТП 902-2-344-КЖИ-ПС5 СБ Панель стеновые ПС5(ПС2-54-К12б) ТП 902-2-344-КЖИ-ПС6 СБ Панель стеновые ПС6(ПС2-54-К2б) ТП 902-2-344-КЖИ-ПС7 СБ Панель стеновые ПС7(ПС2-54-К2б) ТП 902-2-344-КЖИ-ПС8 СБ Панель стеновые ПС8(ПС2-54-К2г) ТП 902-2-344-КЖИ-ПС9 СБ Панель стеновые ПС9(ПС2-54-К2д) ТП 902-2-344-КЖИ-ПГ2 СБ Панель перегородочная ПГ2(ПГ-45-2а) ТП 902-2-344-КЖИ-ПГ4 СБ Панель перегородочная ПГ4(ПГ-48-2а) ТП 902-2-344-КЖИ-ПГ3 СБ Панель перегородочная ПГ3(ПГ-45-2б) ТП 902-2-344-КЖИ-ПГ5 СБ Панель перегородочная ПГ5(ПГ-48-2б) ТП 902-2-344-КЖИ-ПГ6 СБ Панель перегородочная ПГ6(ПГ-54-2а) ТП 902-2-344-КЖИ-ЗДИ6,7 Изделия закладные ЗДИ6;ЗДИ7 ТП 902-2-344-КЖИ-ПС-ЗДИ1 Изделие закладное ЗДИ1 ТП 902-2-344-КЖИ-ПС-ЗДИ2 Изделие закладное ЗДИ2 ТП 902-2-344-КЖИ-ПС-ЗДИ3,4 Изделия закладные ЗДИ3;ЗДИ4 ТП 902-2-344-КЖИ-ПС-КРИ1,2 Каркасы плоские КРИ1;КРИ2 ТП 902-2-344-КЖИ-ПС-ЗДИ5 Изделие закладное ЗДИ5 ТП 902-2-344-КЖИ-ПС-КРИ3 Каркас плоский КРИ3 ТП 902-2-344-КЖИ-ПС-С2 Сетка арматурная С2 ТП 902-2-344-КЖИ-ПС-С3 Сетка арматурная С3 ТП 902-2-344-КЖИ-ПС-С4 Сетка арматурная С4 ТП 902-2-344-КЖИ-ПС-С5 Сетка арматурная С5 ТП 902-2-344-КЖИ-С28 Монолитные участки стен. Сетка арматурная С28 ТП 902-2-344-КЖИ-ПС-С1 Монолитные участки стен. Сетка арматурная С1 ТП 902-2-344-КЖИ-ЗДИ1 Монолитные участки стен. Изделие закладное ЗДИ1 ТП 902-2-344-КЖИ-ЗДИ2,3 Монолитные участки стен. Изделия закладные ЗДИ2;ЗДИ3 ТП 902-2-344-КЖИ-Б1 СБ Балка Б1 ТП 902-2-344-КЖИ-Б2 СБ Балка Б2 ТП 902-2-344-КЖИ-Б-ЗДИ1 Изделие закладное ЗДИ1 ТП 902-2-344-КЖИ-Б-ЗДИ2 Изделие закладное ЗДИ2 ТП 902-2-344-КЖИ-Б-КР1 Каркас плоский КР1 ТП 902-2-344-КЖИ-Б-КР3 Каркас плоский КР3 ТП 902-2-344-КЖИ-Б-КР2 Каркас плоский КР2 ТП 902-2-344-КЖИ-УМ-26-С3 Монолитные участки лотков. Сетка арматурная С3 ТП 902-2-344-КЖИ-УМ-24-С1 Монолитные участки лотков. Сетка арматурная С1 ТП 902-2-344-КЖИ-УМ-25-С2 Монолитные участки лотков. Сетка арматурная С2 ТП 902-2-344-КЖИ-ЛТ1 СБ Лоток ЛТ1(ЛТ1-9-9а) ТП 902-2-344-КЖИ-ЛТ2 СБ Лоток ЛТ2(ЛТ1-9-12а) ТП 902-2-344-КЖИ-ЛТ3 СБ Лоток ЛТ3 ТП 902-2-344-КЖИ-ЛТ12 СБ Лоток ЛТ12 ТП 902-2-344-КЖИ-ЛТ4 СБ Лоток ЛТ4(ЛТ1-9-9б) ТП 902-2-344-КЖИ-ЛТ5 СБ Лоток ЛТ5(ЛТ1-9-12б) ТП 902-2-344-КЖИ-ЛТ6 СБ Лоток ЛТ6 ТП 902-2-344-КЖИ-ЛТ9 СБ Лоток ЛТ9 ТП 902-2-344-КЖИ-ЛТ7 СБ Лоток ЛТ7(ЛТ1-9-9в) ТП 902-2-344-КЖИ-ЛТ8 СБ Лоток ЛТ8(ЛТ1-9-12в) ТП 902-2-344-КЖИ-ЛТ10 СБ Лоток ЛТ10(ЛТ1-9-9г) ТП 902-2-344-КЖИ-ЛТ11 СБ Лоток ЛТ11(ЛТ1-9-12г) ТП 902-2-344-КЖИ-ЛТ3-Л1 СБ Лотковый элемент Л1 ТП 902-2-344-КЖИ-ЛТ12-Л2,3 СБ Лотковый элемент Л2;Л3 ТП 902-2-344-КЖИ-ЛТ6-Л4 СБ Лотковый элемент Л4 ТП 902-2-344-КЖИ-ЛТ6-Л5 СБ Лотковый элемент Л5 ТП 902-2-344-КЖИ-ЛТ9-Л6 СБ Лотковый элемент Л6 ТП 902-2-344-КЖИ-ЛТ9-Л7 СБ Лотковый элемент Л7 ТП 902-2-344-КЖИ-ЛТ-ЗДИ1 Изделие закладное ЗДИ1 ТП 902-2-344-КЖИ-ЛТ-ЗДТ6 Изделие закладное ЗДИ6 ТП 902-2-344-КЖИ-ЛТ-ЗДИ2 Изделие закладное ЗДИ2 ТП 902-2-344-КЖИ-ЛТ-ЗДИ3 Изделие закладное ЗДИ3 ТП 902-2-344-КЖИ-ЛТ-ЗДИ4 Изделие закладное ЗДИ4 ТП 902-2-344-КЖИ-ЛТ-ЗДИ5 Изделие закладное ЗДИ5 ТП 902-2-344-КЖИ-ЛТ-ЗДИ7 Изделие закладное ЗДИ7 ТП 902-2-344-КЖИ-ЛТ-ЗДИ8 Изделие закладное ЗДИ8 ТП 902-2-344-КЖИ-П1 СБ Плита П1 ТП 902-2-344-КЖИ-П1а С, Плита П1а ТП 902-2-344-КЖИ-П1б СБ Плита П1б ТП 902-2-344-КЖИ-П4 СБ Плита П4(ПТ-15-6а) ТП 902-2-344-КЖИ-П5,6 СБ Плита П5(ПТ-9-6а),П6(ПТ-12-6а) ТП 902-2-344-КЖИ-П-С1 Сетка арматурная С1 ТП 902-2-344-КЖИ-П-ЗДИ2 Изделие закладное ЗДИ2 ТП 902-2-344-КЖИ-П-ЗДИ4 Изделие закладное ЗДИ4 ТП 902-2-344-КЖИ-П-ЗДИ1,3 Изделия закладные ЗДИ1,ЗДИ3 ТП 902-2-344-КЖИ-ФЛ1 СБ Фильтросные каналы. Лоток ФЛ1 ТП 902-2-344-КЖИ-ФЛ2 СБ Фильтросные каналы. Лоток ФЛ2 ТП 902-2-344-КЖИ-ФЛ1-С1 Фильтросные каналы. Сетка арматурная С1 ТП 902-2-344-КЖИ-ФЛ2-С1 Фильтросные каналы. Сетка арматурная С1 ТП 902-2-344-КЖИ-ПМ1 Площадка ПМ1 ТП 902-2-344-КЖИ-ПМ2 Площадка ПМ2 ТП 902-2-344-КЖИ-ПМ3 Площадка ПМ3 ТП 902-2-344-КЖИ-ПМ4 Площадка ПМ4 ТП 902-2-344-КЖИ-ПМ5 Площадка ПМ5 ТП 902-2-344-КЖИ-ПМ6,7 Площадка ПМ6;ПМ7 ТП 902-2-344-КЖИ-ПМ8 Площадка ПМ8 ТП 902-2-344-КЖИ-ПМ9 Площадка ПМ9 ТП 902-2-344-КЖИ-ПМ10 Площадка ПМ10 ТП 902-2-344-КЖИ-К-С1 Камеры распределения ила. Сетка арматурная С1 ТП 902-2-344-КЖИ-К-С2 Камеры распределения ила. Сетка арматурная С2 ТП 902-2-344-КЖИ-К-С3 Камеры распределения ила. Сетка арматурная С3 ТП 902-2-344-КЖИ-К-С4,5 Камеры распределения ила. Сетка арматурная С4;С5 ТП 902-2-344-КЖИ-К-С6,7 Камеры распределения ила. Сетка арматурная С6;С7 ТП 902-2-344-КЖИ-К-С8,9 Камеры распределения ила. Сетка арматурная С8;С9 ТП 902-2-344-КЖИ-К-С10,11 Камеры распределения ила. Сетка арматурная С10;С11 ТП 902-2-344-КЖИ-К-С12,13 Камеры распределения ила. Сетка арматурная С12;С13 ТП 902-2-344-КЖИ-К-С14,15 Камеры распределения ила. Сетка арматурная С14;С15 ТП 902-2-344-КЖИ-К-С16,17 Камеры распределения ила. Сетка арматурная С16;С17 ТП 902-2-344-КЖИ-К-С18,19 Камеры распределения ила. Сетка арматурная С18;С19 ТП 902-2-344-КЖИ-К-С20,21 Камеры распределения ила. Сетка арматурная С20;С21 ТП 902-2-344-КЖИ-К-С22,23 Камеры распределения ила. Сетка арматурная С22;С23 ТП 902-2-344-КЖИ-К-С24,25 Камеры распределения ила. Сетка арматурная С24;С25 ТП 902-2-344-КЖИ-К-С26,27 Камеры распределения ила. Сетка арматурная С26;С27 ТП 902-2-344-КЖИ-К-С28,32 Камеры распределения ила. Сетка арматурная С28;С32 ТП 902-2-344-КЖИ-К-С29 Камеры распределения ила. Сетка арматурная С29 ТП 902-2-344-КЖИ-К-С30,31 Камеры распределения ила. Сетка арматурная С30;С31 ТП 902-2-344-КЖИ-К-С33,34 Камеры распределения ила. Сетка арматурная С33;С34 ТП 902-2-344-КЖИ-К-С35 Камеры распределения ила. Сетка арматурная С35 ТП 902-2-344-КЖИ-К-ЗДИ1 Камеры распределения ила. Изделие закладное ЗДИ1 ТП 902-2-344-КЖИ-К-ЗДИ2 Камеры распределения ила. Изделие закладное ЗДИ2 ТП 902-2-344-КЖИ-К-ЗДИ3 Камеры распределения ила. Изделие закладное ЗДИ3 ТП 902-2-344-КЖИ-К-ЗДИ4 Камеры распределения ила. Изделие закладное ЗДИ4 ТП 902-2-344-КЖИ-К-П1,2 Сб Камеры распределения ила. Плиты П1;П2 ТП 902-2-344-КЖИ-К-П-ЗДИ1 Камеры распределения ила. Изделие закладное ЗДИ1 |
| Разработан: | Союзводоканалпроект |
| Утверждён: | 12.09.1980 Союзводоканалпроект (Soyuzvodokanalproject 57) |
































































































