Скачать Типовой проект 903-1-224.86 Альбом 10.3. Металлоконструкции топливоподачи. Конвейер ленточный №2Дата актуализации: 01.01.2021
|
| Обозначение: | Типовой проект 903-1-224.86 |
| Обозначение англ: | 903-1-224.86 |
| Статус: | действует |
| Название рус.: | Альбом 10.3. Металлоконструкции топливоподачи. Конвейер ленточный №2 |
| Дата добавления в базу: | 01.09.2013 |
| Дата актуализации: | 01.01.2021 |
| Дата введения: | 20.05.1986 |
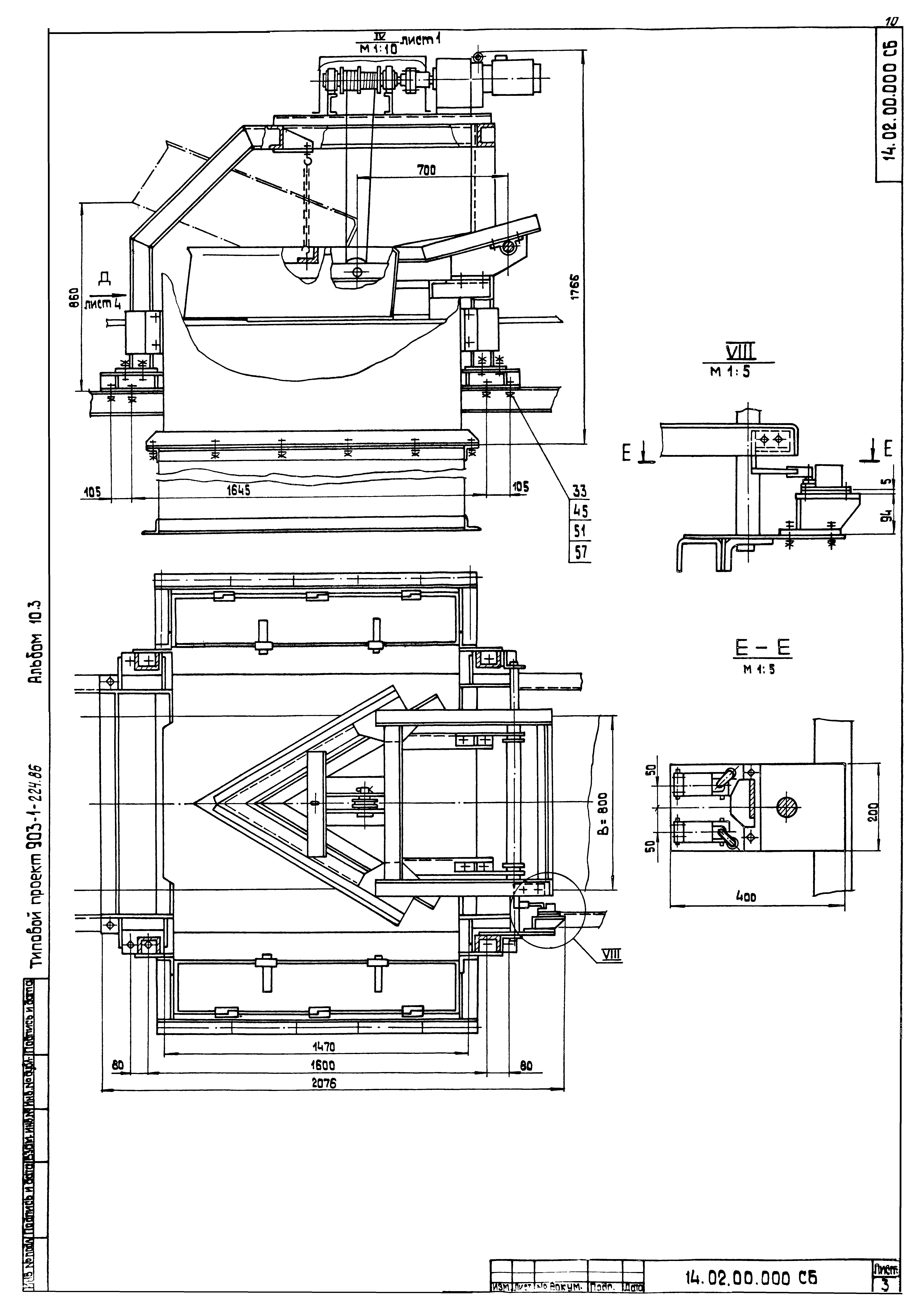
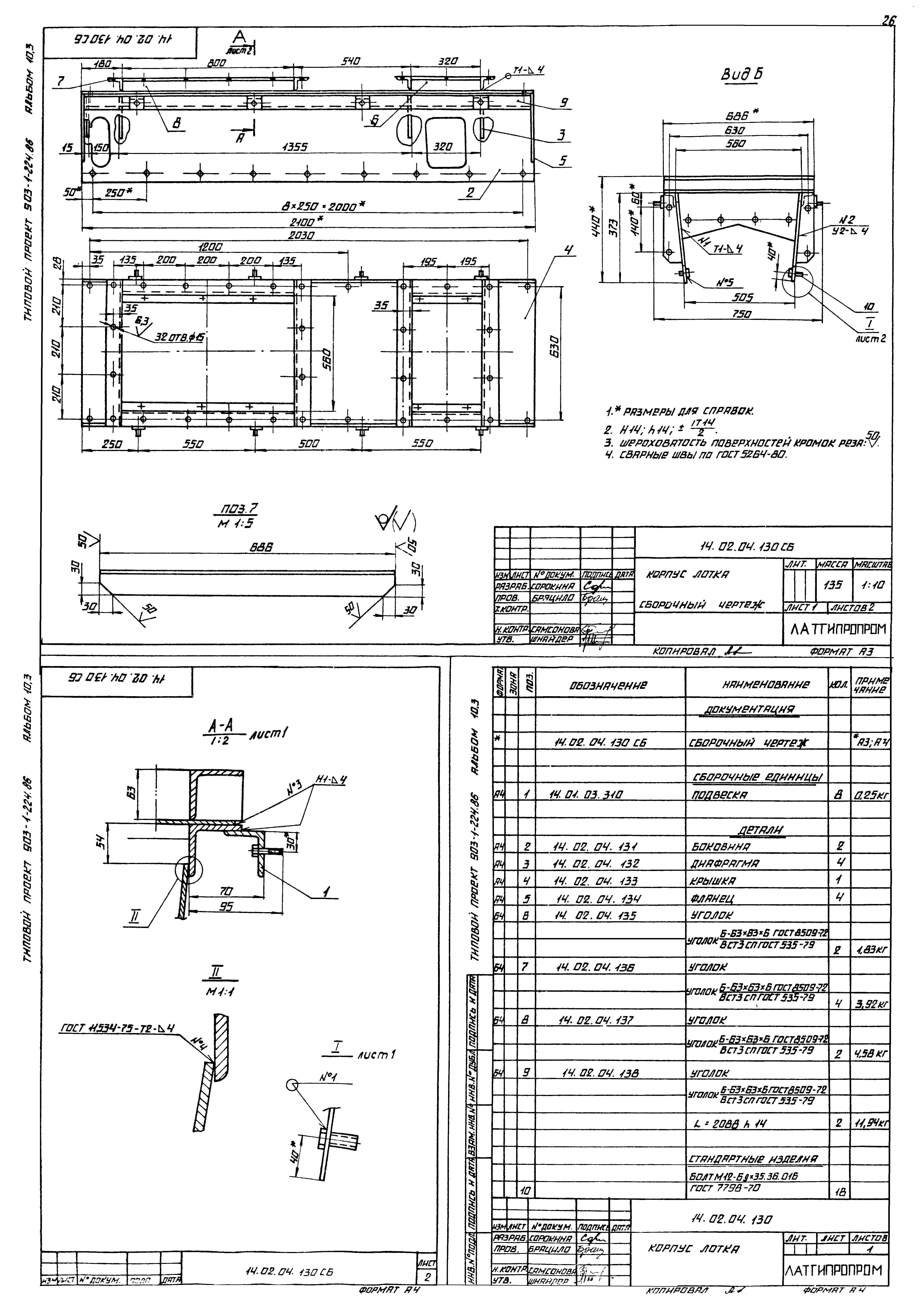
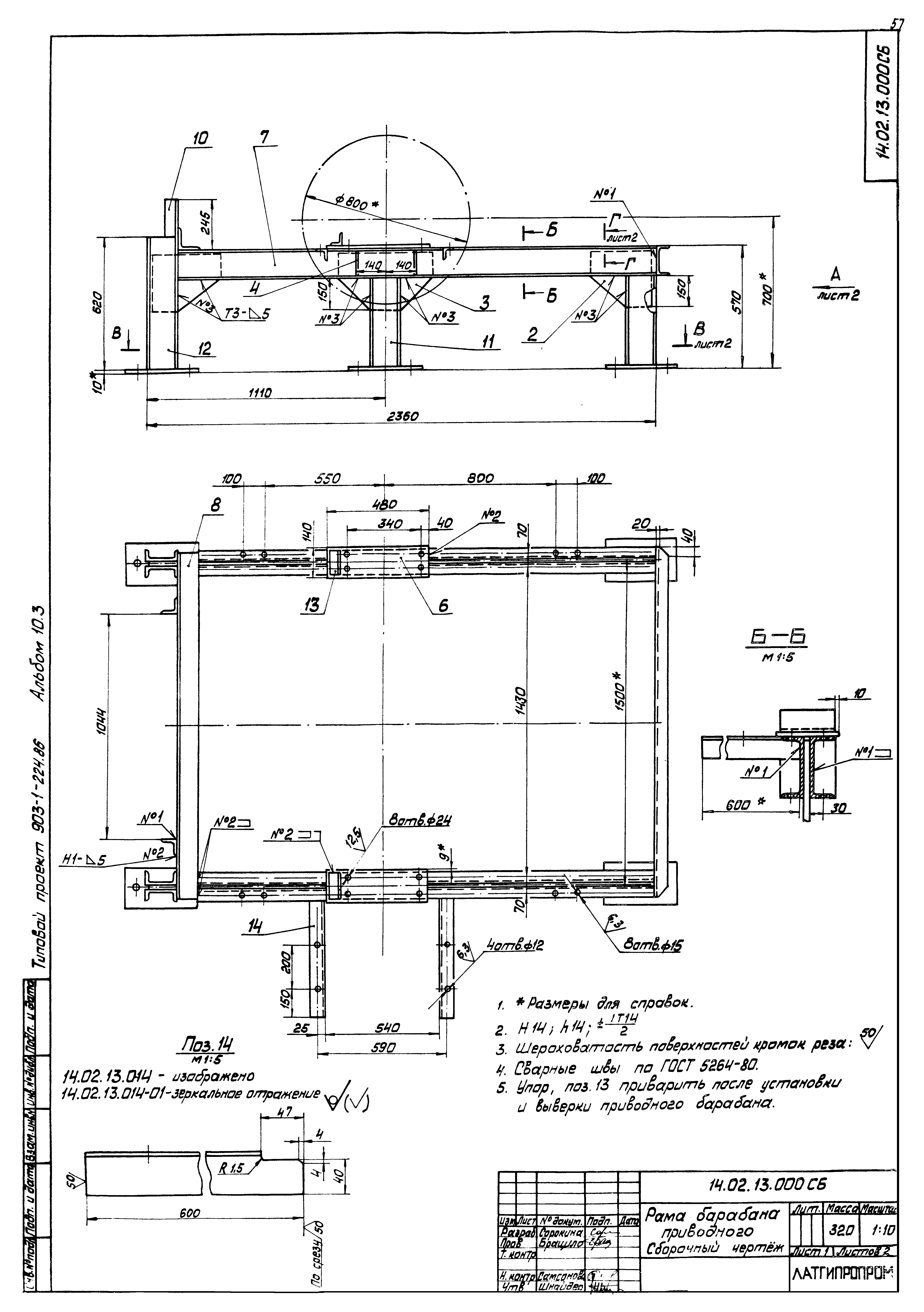
| Оглавление: | ТП 903-1-224.86 Содержание альбома ТП 903-1-224.86 14.02.00.000 Конвейер ленточный желобчатый наклонный 8080-100 L=121700№2 ТП 903-1-224.86 14.02.00.000 СБ Конвейер ленточный желобчатый наклонный 8080-100 L=121700№2. Сборочный чертеж ТП 903-1-224.86 14.02.01.000 Воронка головная ТП 903-1-224.86 14.02.01.001 Стенка ТП 903-1-224.86 14.02.01.002 Стенка ТП 903-1-224.86 14.02.01.000 СБ Воронка головная. Сборочный чертеж ТП 903-1-224.86 14.02.01.100 Лапа ТП 903-1-224.86 14.02.01.101 Косынка ТП 903-1-224.86 14.02.01.100 СБ Лапа. Сборочный чертеж ТП 903-1-224.86 14.02.02.000 Воронка для металловключений ТП 903-1-224.86 14.02.02.001 Стенка ТП 903-1-224.86 14.02.02.002 Стенка ТП 903-1-224.86 14.02.02.003 Стенка ТП 903-1-224.86 14.02.02.000 СБ Воронка для металловключений. Сборочный чертеж ТП 903-1-224.86 14.02.03.000 Воронка ТП 903-1-224.86 14.02.03.001 Стенка ТП 903-1-224.86 14.02.03.000 СБ Воронка. Сборочный чертеж ТП 903-1-224.86 14.02.04.000 Лоток загрузочный концевой ТП 903-1-224.86 14.02.04.100 Лоток направляющий концевой ТП 903-1-224.86 14.02.04.000 СБ Лоток загрузочный концевой. Сборочный чертеж ТП 903-1-224.86 14.02.04.100 СБ Лоток направляющий концевой. Сборочный чертеж ТП 903-1-224.86 14.02.04.101 Завеса торцевая ТП 903-1-224.86 14.02.04.102 Лист направляющий ТП 903-1-224.86 14.02.04.103 Лист торцевой ТП 903-1-224.86 14.02.04.104 Планка ТП 903-1-224.86 14.02.04.105 Резина боковая ТП 903-1-224.86 14.02.04.106 Резина торцевая ТП 903-1-224.86 14.02.04.110 Завеса боковая ТП 903-1-224.86 14.02.04.110 СБ Завеса боковая. Сборочный чертеж ТП 903-1-224.86 14.02.04.111 Завеса ТП 903-1-224.86 14.02.04.112 Накладка ТП 903-1-224.86 14.02.04.113 Резина ТП 903-1-224.86 14.02.04.114 Ручка ТП 903-1-224.86 14.02.04.120 Завеса внутренняя ТП 903-1-224.86 14.02.04.120 СБ Завеса внутренняя. Сборочный чертеж ТП 903-1-224.86 14.02.04.121 Завеса ТП 903-1-224.86 14.02.04.122 Планка ТП 903-1-224.86 14.02.04.130 Корпус лотка ТП 903-1-224.86 14.02.04.130 СБ Корпус лотка. Сборочный чертеж ТП 903-1-224.86 14.02.04.131 Боковина ТП 903-1-224.86 14.02.04.132 Диафрагма ТП 903-1-224.86 14.02.04.133 Крышка ТП 903-1-224.86 14.02.04.134 Фланец ТП 903-1-224.86 14.02.04.140 Опора ТП 903-1-224.86 14.02.04.141 Стойка ТП 903-1-224.86 14.02.04.140 СБ Опора. Сборочный чертеж ТП 903-1-224.86 14.02.04.150 Прижим боковой ТП 903-1-224.86 14.02.04.150 СБ Прижим боковой. Сборочный чертеж ТП 903-1-224.86 14.02.04.160 Прижим торцевой ТП 903-1-224.86 14.02.04.160 СБ Прижим торцевой. Сборочный чертеж ТП 903-1-224.86 14.02.04.200 Лоток направляющий промежуточный ТП 903-1-224.86 14.02.04.201 Резина боковая ТП 903-1-224.86 14.02.04.200 СБ Лоток направляющий промежуточный. Сборочный чертеж ТП 903-1-224.86 14.02.04.210 Корпус лотка промежуточного ТП 903-1-224.86 14.02.04.211 Боковина ТП 903-1-224.86 14.02.04.210 СБ Корпус лотка промежуточного. Сборочный чертеж ТП 903-1-224.86 14.02.04.212 Диафрагма ТП 903-1-224.86 14.02.04.213 Уголок ТП 903-1-224.86 14.02.04.220 Прижим боковой ТП 903-1-224.86 14.02.04.220 СБ Прижим боковой. Сборочный чертеж ТП 903-1-224.86 14.02.05.000 Лоток загрузочный проходной ТП 903-1-224.86 14.02.05.100 Закрылки ТП 903-1-224.86 14.02.05.000 СБ Лоток загрузочный проходной. Сборочный чертеж ТП 903-1-224.86 14.02.05.100 СБ Закрылки. Сборочный чертеж ТП 903-1-224.86 14.02.05.110 Корпус закрылков ТП 903-1-224.86 14.02.05.110 СБ Корпус закрылков. Сборочный чертеж ТП 903-1-224.86 14.02.05.111 Боковина ТП 903-1-224.86 14.02.05.112 Ребро ТП 903-1-224.86 14.02.05.120 Прижим боковой L=380 ТП 903-1-224.86 14.02.05.120 СБ Прижим боковой L=380. Сборочный чертеж ТП 903-1-224.86 14.02.05.130 Прижим боковой L=480 ТП 903-1-224.86 14.02.05.130 СБ Прижим боковой L=480. Сборочный чертеж ТП 903-1-224.86 14.02.05.200 Лоток направляющий проходной ТП 903-1-224.86 14.02.05.200 СБ Лоток направляющий проходной. Сборочный чертеж ТП 903-1-224.86 14.02.00.001 Упор ТП 903-1-224.86 14.02.06.000 Воронка от сбрасывателя ТП 903-1-224.86 14.02.06.001 Уголок ТП 903-1-224.86 14.02.06.000 СБ Воронка от сбрасывателя. Сборочный чертеж ТП 903-1-224.86 14.02.07.000 СБ Металлоконструкция конвейера. Сборочный чертеж ТП 903-1-224.86 14.02.07.000 Металлоконструкция конвейера ТП 903-1-224.86 14.02.07.100 Секция гнутая ТП 903-1-224.86 14.02.07.200 Секция головная ТП 903-1-224.86 14.02.07.100 СБ Секция гнутая. Сборочный чертеж ТП 903-1-224.86 14.02.07.200 СБ Секция головная. Сборочный чертеж ТП 903-1-224.86 14.02.07.300 Секция загрузочная ТП 903-1-224.86 14.02.07.301 Накладка ТП 903-1-224.86 14.02.07.300 СБ Секция загрузочная. Сборочный чертеж ТП 903-1-224.86 14.02.07.400 Секция под сбрасыватель ТП 903-1-224.86 14.02.07.400 СБ Секция под сбрасыватель. Сборочный чертеж ТП 903-1-224.86 14.02.07.500 Секция средней части L=6000 ТП 903-1-224.86 14.02.07.500 СБ Секция средней части L=6000. Сборочный чертеж ТП 903-1-224.86 14.02.07.600 Стойка Н=815 ТП 903-1-224.86 14.02.07.601 Стойка ТП 903-1-224.86 14.02.07.600 СБ Стойка Н=815. Сборочный чертеж ТП 903-1-224.86 14.02.07.700 Стойка Н=1505 ТП 903-1-224.86 14.02.07.701 Стойка ТП 903-1-224.86 14.02.07.700 СБ Стойка Н=1505. Сборочный чертеж ТП 903-1-224.86 14.02.08.000 Направляющая натяжки ТП 903-1-224.86 14.02.08.001 Основание ТП 903-1-224.86 14.02.08.000 СБ Направляющая натяжки. Сборочный чертеж ТП 903-1-224.86 14.02.09.000 СБ Ограждение конвейера и аварийные выключающие устройства в сборе. Сборочный чертеж ТП 903-1-224.86 14.02.09.000 Ограждение конвейера и аварийные выключающие устройства в сборе ТП 903-1-224.86 14.02.11.000 Рама барабана отклоняющего ТП 903-1-224.86 14.02.11.001 Завеса ТП 903-1-224.86 14.02.11.000 СБ Рама барабана отклоняющего. Сборочный чертеж ТП 903-1-224.86 14.02.11.002 Опора ТП 903-1-224.86 14.02.11.003 Основание ТП 903-1-224.86 14.02.11.004 Полоса ТП 903-1-224.86 14.02.11.005 Связь ТП 903-1-224.86 14.02.11.006 Связь ТП 903-1-224.86 14.02.11.007 Скребок ТП 903-1-224.86 14.02.11.008 Стойка ТП 903-1-224.86 14.02.11.009 Стойка ТП 903-1-224.86 14.02.12.000 Рама барабана концевого ТП 903-1-224.86 14.02.12.001 Стойка ТП 903-1-224.86 14.02.12.002 Ребро ТП 903-1-224.86 14.02.12.000 СБ Рама барабана концевого. Сборочный чертеж ТП 903-1-224.86 14.02.13.000 СБ Рама барабана приводного. Сборочный чертеж ТП 903-1-224.86 14.02.13.000 Рама барабана приводного ТП 903-1-224.86 14.02.13.001 Косынка ТП 903-1-224.86 14.02.13.002 Косынка ТП 903-1-224.86 14.02.13.003 Косынка ТП 903-1-224.86 14.02.13.004 Ребро ТП 903-1-224.86 14.02.14.000 Рама барабанов оборотных ТП 903-1-224.86 14.02.14.001 Кронштейн ТП 903-1-224.86 14.02.14.002 Ребро ТП 903-1-224.86 14.02.14.000 СБ Рама барабанов оборотных. Сборочный чертеж ТП 903-1-224.86 14.02.15.000 Рама привода ТП 903-1-224.86 14.02.15.000 СБ Рама привода. Сборочный чертеж ТП 903-1-224.86 14.02.16.000 Укрытие барабана отклоняющего ТП 903-1-224.86 14.02.16.001 Стенка ТП 903-1-224.86 14.02.16.000 СБ Укрытие барабана отклоняющего. Сборочный чертеж ТП 903-1-224.86 14.02.17.000 Укрытие барабана концевого ТП 903-1-224.86 14.02.17.001 Крышка ТП 903-1-224.86 14.02.17.000 СБ Укрытие барабана концевого. Сборочный чертеж ТП 903-1-224.86 14.02.17.002 Лапа ТП 903-1-224.86 14.02.17.003 Петля ТП 903-1-224.86 14.02.17.004 Ребро ТП 903-1-224.86 14.02.17.005 Стенка ТП 903-1-224.86 14.02.18.000 Укрытие барабана приводного ТП 903-1-224.86 14.02.18.001 Завеса ТП 903-1-224.86 14.02.18.002 Опора ТП 903-1-224.86 14.02.18.000 СБ Укрытие барабана приводного. Сборочный чертеж ТП 903-1-224.86 14.02.18.003 Полоса ТП 903-1-224.86 14.02.18.004 Ребро ТП 903-1-224.86 14.02.18.005 Связь ТП 903-1-224.86 14.02.18.006 Уголок ТП 903-1-224.86 14.02.18.100 Люк ТП 903-1-224.86 14.02.18.101 Крышка ТП 903-1-224.86 14.02.18.100 СБ Люк. Сборочный чертеж ТП 903-1-224.86 14.02.19.000 Укрытие барабанов оборотных ТП 903-1-224.86 14.02.19.001 Стенка ТП 903-1-224.86 14.02.19.000 СБ Укрытие барабанов оборотных. Сборочный чертеж ТП 903-1-224.86 14.02.20.000 Укрытие муфты ТП 903-1-224.86 14.02.20.001 Обечайка ТП 903-1-224.86 14.02.20.000 СБ Укрытие муфты. Сборочный чертеж ТП 903-1-224.86 14.02.21.000 Укрытие муфты ТП 903-1-224.86 14.02.21.001 Обечайка ТП 903-1-224.86 14.02.21.000 СБ Укрытие муфты. Сборочный чертеж ТП 903-1-224.86 14.02.22.000 Устройство пересыпное ТП 903-1-224.86 14.02.22.001 Фланец ТП 903-1-224.86 14.02.22.000 СБ Устройство пересыпное. Сборочный чертеж ТП 903-1-224.86 14.02.22.100 Затвор-мигалка ТП 903-1-224.86 14.02.22.101 Груз ТП 903-1-224.86 14.02.22.100 СБ Затвор-мигалка. Сборочный чертеж ТП 903-1-224.86 14.02.22.102 Петля ТП 903-1-224.86 14.02.22.103 Прокладка ТП 903-1-224.86 14.02.22.104 Рычаг ТП 903-1-224.86 14.02.22.105 Ушко ТП 903-1-224.86 14.02.22.200 Патрубок переходной ТП 903-1-224.86 14.02.22.201 Труба ТП 903-1-224.86 14.02.22.200 СБ Патрубок переходной. Сборочный чертеж |
| Разработан: | Латгипропром |
| Утверждён: | 20.05.1986 Госстрой СССР (Государственный комитет Совета Министров СССР по делам строительства) (USSR Gosstroy А4-29) |
| Заменяет собой: |
|














































































