Скачать Типовой проект 902-2-268 Альбом VIII. Нестандартизированное оборудованиеДата актуализации: 01.01.2021
|
| Обозначение: | Типовой проект 902-2-268 |
| Обозначение англ: | 902-2-268 |
| Статус: | не действует |
| Название рус.: | Альбом VIII. Нестандартизированное оборудование |
| Дата добавления в базу: | 01.09.2013 |
| Дата актуализации: | 01.01.2021 |
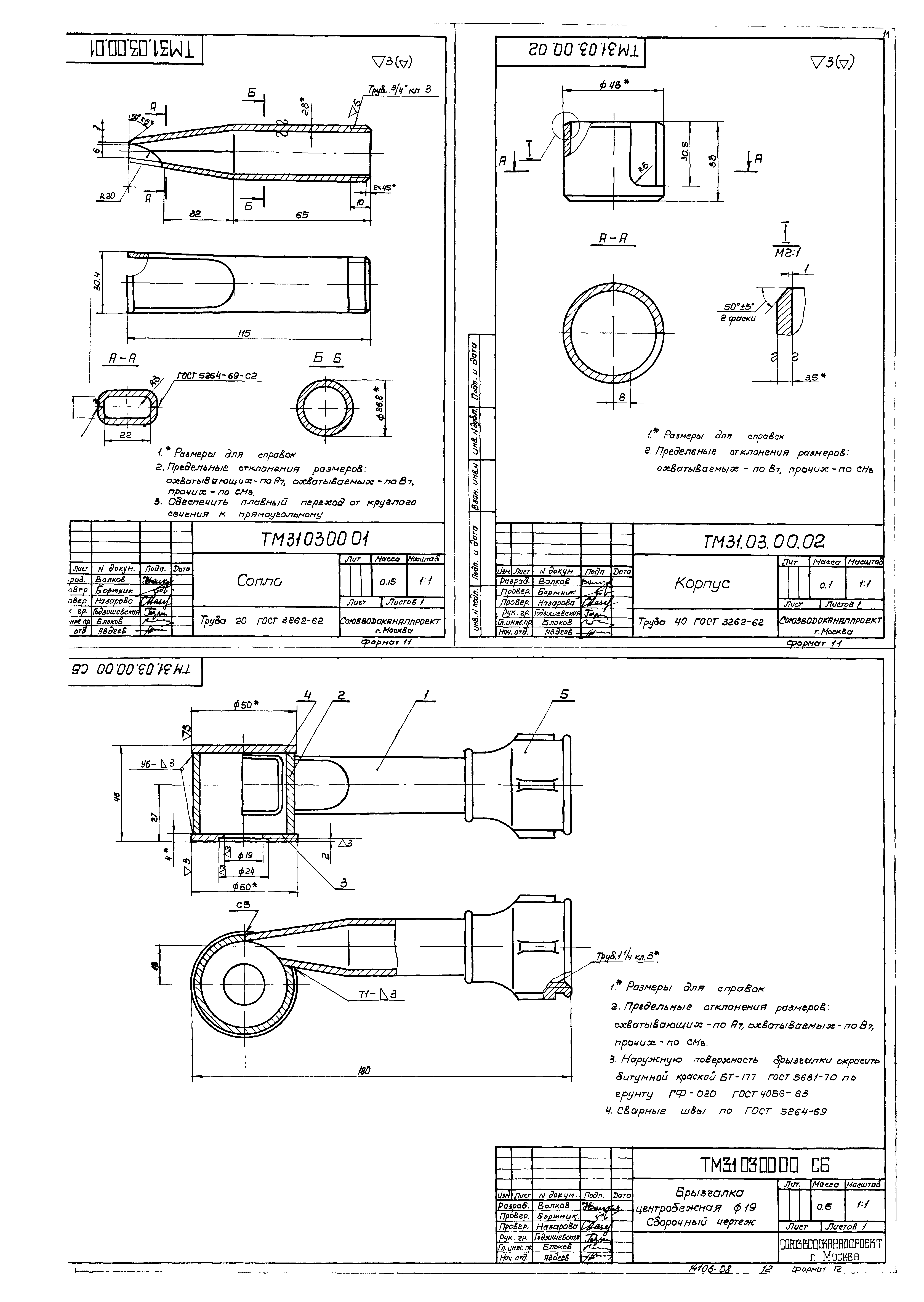
| Оглавление: | ТП 902-2-268 Содержание альбома ТП 902-2-268 Спецификации ТП 902-2-268 ТМ31.01.00.00 СБ Затвор-водослив 450х350. Сборочный чертеж ТП 902-2-268 ТМ31.01.01.00 СБ Рама. Сборочный чертеж ТП 902-2-268 ТМ31.01.02.00 СБ Щит. Сборочный чертеж ТП 902-2-268 ТМ31.01.03.00 СБ Маховик. Сборочный чертеж ТП 902-2-268 ТМ31.01.00.01 Гайка подъемная ТП 902-2-268 ТМ31.01.00.02 Фланец верхний ТП 902-2-268 ТМ31.01.00.03 Фланец нижний ТП 902-2-268 ТМ31.01.00.04 Винт ТП 902-2-268 ТМ31.01.00.04-01 Винт ТП 902-2-268 ТМ31.01.00.05 Линейка ТП 902-2-268 ТМ31.01.00.06 Стрелка ТП 902-2-268 ТМ31.01.00.07 Уголок ТП 902-2-268 ТМ31.02.00.00 СБ Затвор щитовой 300х250. Сборочный чертеж ТП 902-2-268 ТМ31.02.01.00 СБ Рама. Сборочный чертеж ТП 902-2-268 ТМ31.02.02.00 СБ Щит. Сборочный чертеж ТП 902-2-268 ТМ31.02.02.01 Ушко ТП 902-2-268 ТМ31.03.00.00 СБ Брызгалка центробежная ø19. Сборочный чертеж ТП 902-2-268 ТМ31.03.00.01 Сопло ТП 902-2-268 ТМ31.03.00.02 Корпус ТП 902-2-268 ТМ31.04.00.00 СБ Камера распределения ила №1. Чаша распределительная. Сборочный чертеж ТП 902-2-268 ТМ31.05.00.00 СБ Камера распределения ила №2. Чаша распределительная. Сборочный чертеж |
| Разработан: | Союзводоканалпроект ЦНИИпромзданий |
| Утверждён: | 09.12.1975 Главпромстройпроект Госстроя СССР |














