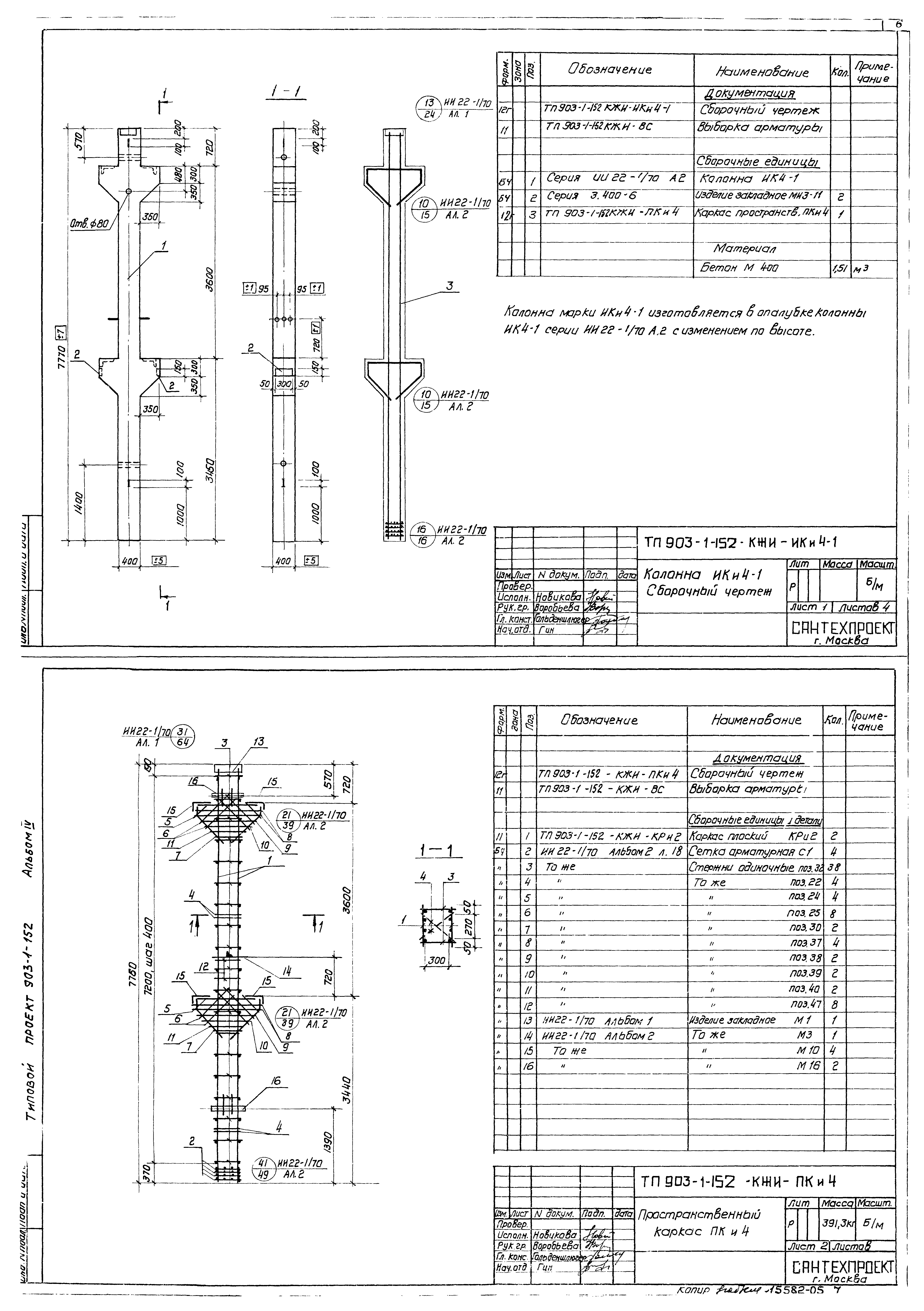
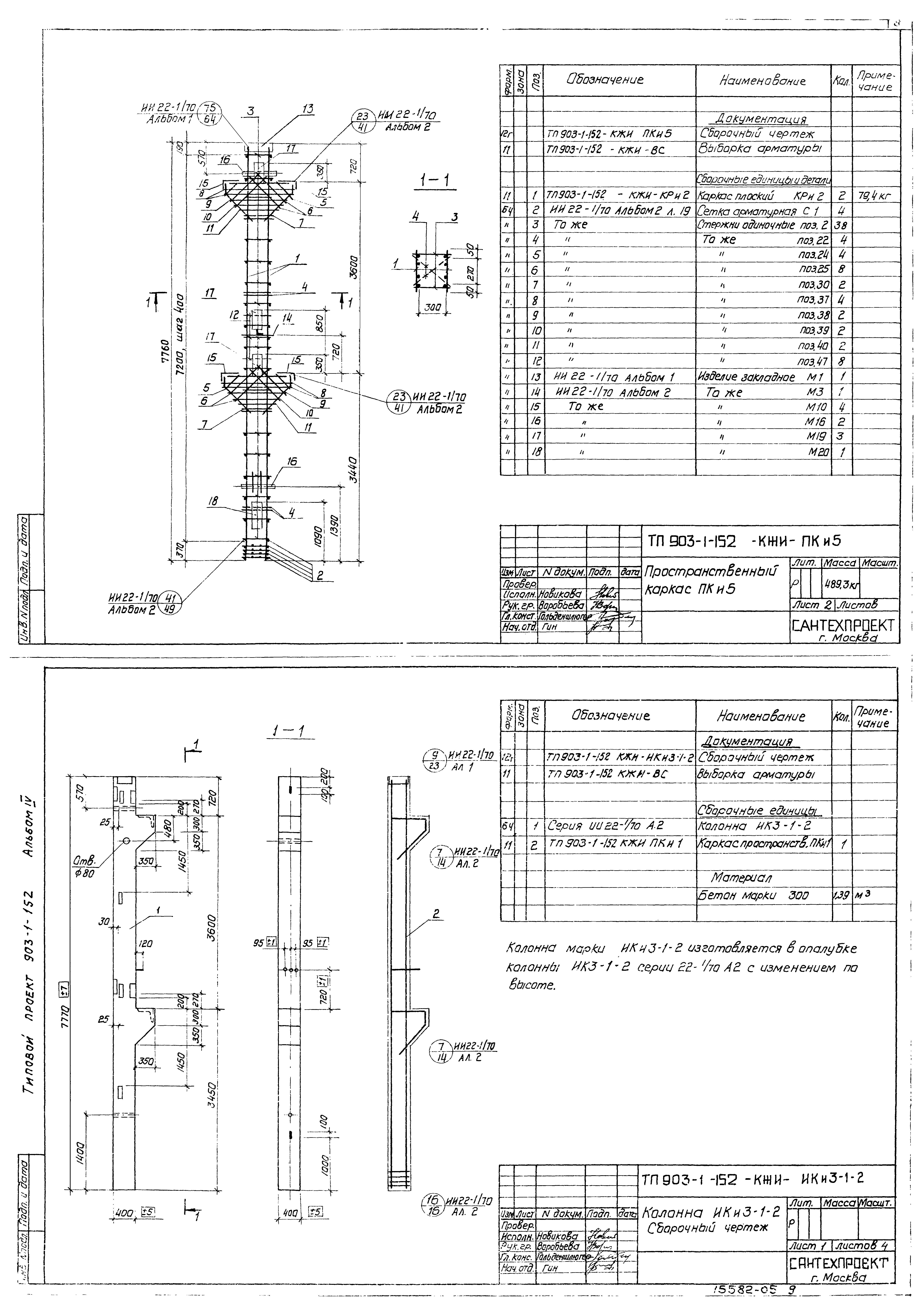
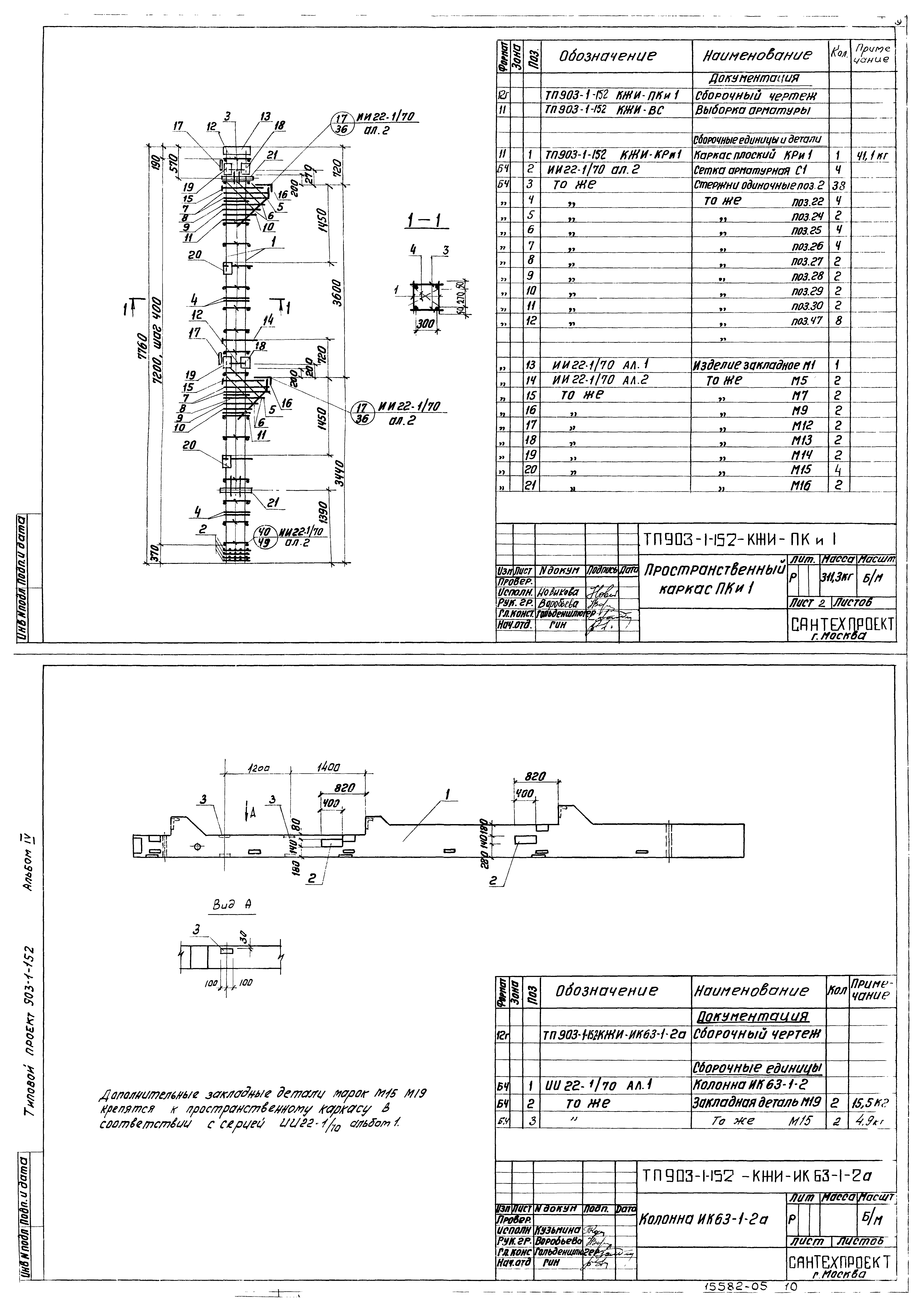
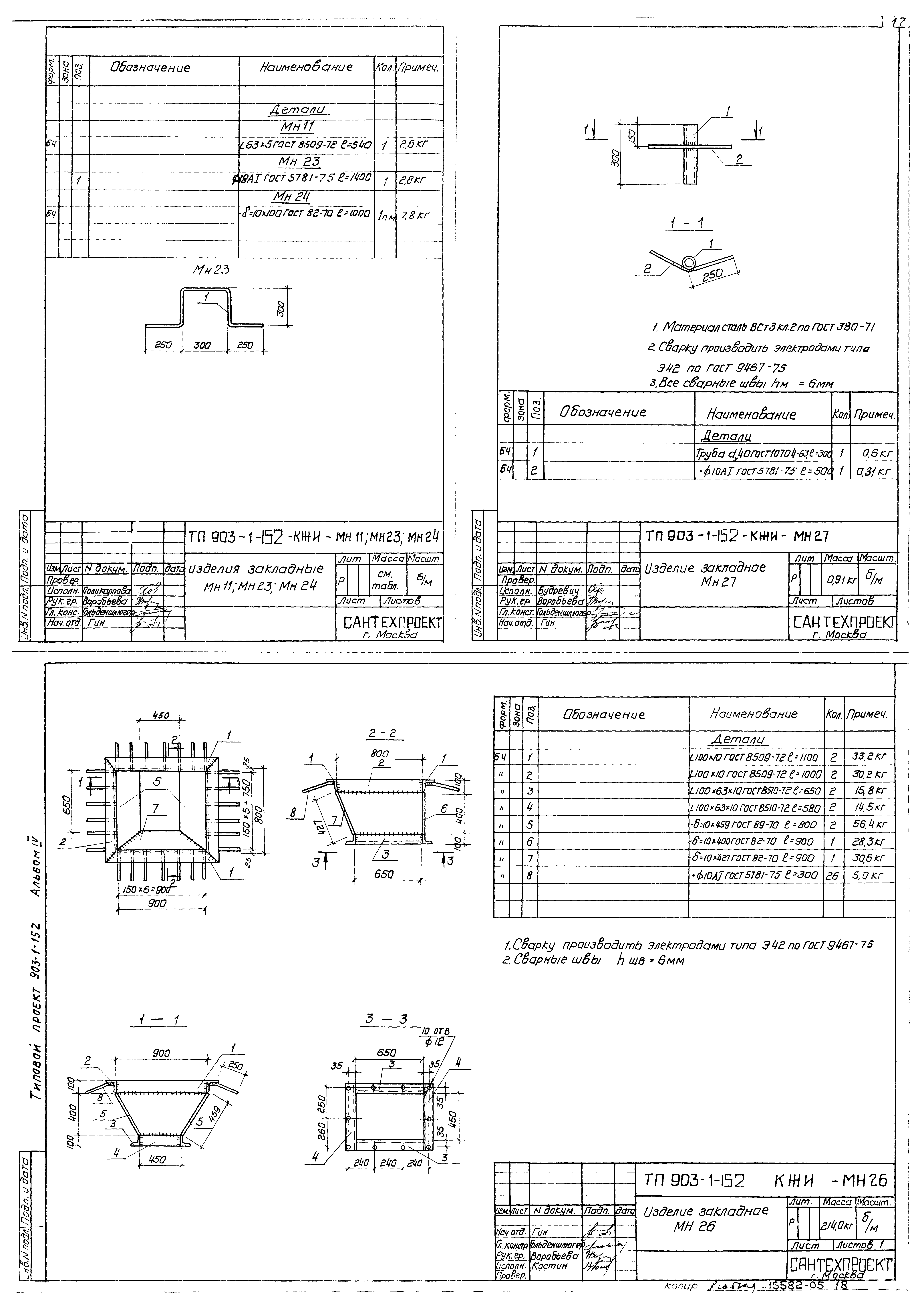
Скачать Типовой проект 903-1-152 Альбом IV. Чертежи арматурных и закладных изделийДата актуализации: 01.01.2021
|
| Обозначение: | Типовой проект 903-1-152 |
| Обозначение англ: | 903-1-152 |
| Статус: | заменен |
| Название рус.: | Альбом IV. Чертежи арматурных и закладных изделий |
| Дата добавления в базу: | 01.09.2013 |
| Дата актуализации: | 01.01.2021 |
| Дата окончания срока действия: | 01.03.1987 |
| Разработан: | ГПИ Сантехпроект Госстроя СССР Минтяжмаш СССР Союзпроммеханизация |
| Утверждён: | 16.10.1978 ГПИ Сантехпроект (143) |
| Чем заменён: |
|



























